ÃÎÑÒ 11214-86 îò 1987-01-01. Îêíà è áàëêîííûå äâåðè äåðåâÿííûå ñ äâîéíûì îñòåêëåíåíèåì äëÿ æèëûé è îáùåñòâåííûõ çäàíèé.
|
ÃÎÑÒ 11214-86
Ãðóïïà Æ32
ÃÎÑÓÄÀÐÑÒÂÅÍÍÛÉ ÑÒÀÍÄÀÐÒ ÑÎÞÇÀ ÑÑÐ
ÎÊÍÀ È ÁÀËÊÎÍÍÛÅ ÄÂÅÐÈ ÄÅÐÅÂßÍÍÛÅ Ñ ÄÂÎÉÍÛÌ ÎÑÒÅÊËÅÍÈÅÌ ÄËß ÆÈËÛÕ È ÎÁÙÅÑÒÂÅÍÍÛÕ ÇÄÀÍÈÉ
Òèïû, êîíñòðóêöèÿ è ðàçìåðû
Wooden windows and balcony doors of double glazing for dwelling and public buildings. Types, structure and dimensions
ÎÊÏ 53 6131, 53 6132 Äàòà ââåäåíèÿ 1987-01-01
ÈÍÔÎÐÌÀÖÈÎÍÍÛÅ ÄÀÍÍÛÅ
1. ÐÀÇÐÀÁÎÒÀÍ È ÂÍÅÑÅÍ Ãîñóäàðñòâåííûì êîìèòåòîì ïî ãðàæäàíñêîìó ñòðîèòåëüñòâó è àðõèòåêòóðå ïðè Ãîññòðîå ÑÑÑÐ
ÐÀÇÐÀÁÎÒ×ÈÊÈ
È.Â.Ñòðîêîâ (ðóêîâîäèòåëü òåìû); Á.À.Ôèëîçîôîâè÷; È.Ñ.Ïîñåëüñêàÿ; Ã.Ã.Êîâàëåíêî; Í.Í.Öàïëåâ, êàíä. òåõí. íàóê; À.Â.Òêà÷åíêî; Ã.Â.Ëåâóøêèí; Í.Â.Øâåäîâ
2. ÓÒÂÅÐÆÄÅÍ È ÂÂÅÄÅÍ Â ÄÅÉÑÒÂÈÅ ïîñòàíîâëåíèåì Ãîñóäàðñòâåííîãî êîìèòåòà ÑÑÑÐ ïî äåëàì ñòðîèòåëüñòâà îò 14.11.85 N 191
3. ÂÇÀÌÅÍ ÃÎÑÒ 11214-78
4. ÑÑÛËÎ×ÍÛÅ ÍÎÐÌÀÒÈÂÍÎ-ÒÅÕÍÈ×ÅÑÊÈÅ ÄÎÊÓÌÅÍÒÛ
+-------------------------------------------------------------------+ ¦Îáîçíà÷åíèå ÍÒÄ, íà¦Íîìåð ïóíêòà,¦Îáîçíà÷åíèå ÍÒÄ, íà¦Íîìåð ïóíêòà,¦ ¦êîòîðûé äàíà ññûëêঠïðèëîæåíèÿ ¦êîòîðûé äàíà ññûëêঠïðèëîæåíèÿ ¦ +-------------------+-------------+-------------------+-------------¦ ¦ÃÎÑÒ 111-90 ¦2.7 ¦ÃÎÑÒ 5091-78 ¦Ïðèëîæåíèå 3 ¦ ¦ ¦ ¦ ¦ ¦ ¦ÃÎÑÒ 538-88 ¦Ïðèëîæåíèå 3 ¦ÃÎÑÒ 8242-88 ¦2.2, 2.3 ¦ ¦ ¦ ¦ ¦ ¦ ¦ÃÎÑÒ 2697-83 ¦2.2, 2.3 ¦ÃÎÑÒ 10174-90 ¦2.8 ¦ ¦ ¦ ¦ ¦ ¦ ¦ÃÎÑÒ 4598-86 ¦2.2, 2.3 ¦ÃÎÑÒ 10632-89 ¦2.2, 2.3 ¦ ¦ ¦ ¦ ¦ ¦ ¦ÃÎÑÒ 5087-80 ¦Ïðèëîæåíèå 3 ¦ÃÎÑÒ 23166-78 ¦2.1, ïðèëîæå-¦ ¦ ¦ ¦ ¦íèå 3 ¦ ¦ÃÎÑÒ 5088-94 ¦2.6, ïðèëîæå-¦ ¦ ¦ ¦ ¦íèå 3 ¦ÃÎÑÒ 26816-86 ¦2.14 ¦ ¦ ¦ ¦ ¦ ¦ ¦ÃÎÑÒ 5090-86 ¦Ïðèëîæåíèå 3 ¦ ¦ ¦
5. ÏÅÐÅÈÇÄÀÍÈÅ
Íàñòîÿùèé ñòàíäàðò ðàñïðîñòðàíÿåòñÿ íà äåðåâÿííûå îêíà è áàëêîííûå äâåðè ñ äâîéíûì îñòåêëåíèåì, ïðåäíàçíà÷àåìûå äëÿ æèëûõ è îáùåñòâåííûõ çäàíèé, à òàêæå äëÿ âñïîìîãàòåëüíûõ çäàíèé è ïîìåùåíèé ïðåäïðèÿòèé ðàçëè÷íûõ îòðàñëåé íàðîäíîãî õîçÿéñòâà.
1. ÒÈÏÛ, ÐÀÇÌÅÐÛ È ÌÀÐÊÈ
1.1. Îêíà è áàëêîííûå äâåðè, èçãîòîâëÿåìûå ïî íàñòîÿùåìó ñòàíäàðòó, ïîäðàçäåëÿþò íà òèïû: Ñ - ñî ñïàðåííûìè ñòâîðêàìè è äâåðíûìè ïîëîòíàìè; Ð - ñ ðàçäåëüíûìè ñòâîðêàìè è äâåðíûìè ïîëîòíàìè.
1.2. Ãàáàðèòíûå ðàçìåðû îêîí, áàëêîííûõ äâåðåé è ðàçìåðû ïðîåìîâ äëÿ íèõ äîëæíû ñîîòâåòñòâîâàòü: äëÿ æèëûõ çäàíèé - óêàçàííûì íà ÷åðò.1 è â ïðèëîæåíèè 1; äëÿ îáùåñòâåííûõ çäàíèé - óêàçàííûì íà ÷åðò.2 è â ïðèëîæåíèè 2. Îêíà è áàëêîííûå äâåðè, ïðèâåäåííûå íà ÷åðò.1, äîïóñêàåòñÿ ïðèìåíÿòü è äëÿ îáùåñòâåííûõ çäàíèé.
1.3. Îêíà ðàçìåðàìè 9-13,5; 12-13,5; 15-13,5; 18-13,5 è 21-13,5 ìîäóëåé (ìîäóëü Ì=100 ìì) äëÿ çàïîëíåíèÿ ïðîåìîâ â ñòåíàõ èç íåìîäóëüíîãî êèðïè÷à ëèöåâîé êëàäêè ïî òðåáîâàíèþ ïîòðåáèòåëÿ äîïóñêàåòñÿ èçãîòîâëÿòü øèðèíîé íà 80 ìì áîëüøå óêàçàííûõ, çà ñ÷åò óâåëè÷åíèÿ øèðîêèõ ñòâîðîê, à îêíî ðàçìåðàìè 15-6 ìîäóëåé - øèðèíîé íà 70 ìì ìåíüøå óêàçàííîãî, ïðè ýòîì ìàðêèðîâêó èçìåíÿþò ñîîòâåòñòâåííî íà 9-14; 12-14; 15-14; 18-14; 21-14 è 15-5.
1.4. Äëÿ æèëûõ çäàíèé, âîçâîäèìûõ â IV êëèìàòè÷åñêîì ðàéîíå, äîïóñêàåòñÿ ïðèìåíÿòü îêíà ñ óçêîé ñòâîðêîé (áåç ôîðòî÷êè).
1.5. Ïî òðåáîâàíèþ ïîòðåáèòåëåé îäíîñòâîðíûå îêíà è áàëêîííûå äâåðè, â ò.÷. ñ ôîðòî÷íûìè ñòâîðêàìè è ôðàìóãàìè, äîëæíû èçãîòîâëÿòüñÿ òàêæå è ëåâûìè, à îêíà ìíîãîñòâîðíûå ñ íåñèììåòðè÷íûì ðèñóíêîì - â íåãàòèâíîì èçîáðàæåíèè.
1.6. Óñòàíàâëèâàþò ñëåäóþùóþ ñòðóêòóðó óñëîâíîãî îáîçíà÷åíèÿ (ìàðêè) îêîí è áàëêîííûõ äâåðåé:
Õ Õ Õ - Õ Õ Õ ¦ ¦ ¦ ¦ ¦ ¦ ¦ ¦ ¦ ¦ ¦ ¦ ¦ ¦ ¦ ¦ ¦ +-- Îáîçíà÷åíèå íàñòîÿùåãî ñòàíäàðòà ¦ ¦ ¦ ¦ ¦ ¦ ¦ ¦ ¦ +----- Áóêâû, îçíà÷àþùèå: À,  è à - âàðèàíòû ðè- ¦ ¦ ¦ ¦ ñóíêîâ îäíîãî ðàçìåðà; Í - îêíî â íåãàòèâ- ¦ ¦ ¦ ¦ íîì èçîáðàæåíèè; Ë - ëåâîå îêíî èëè ëåâóþ ¦ ¦ ¦ ¦ áàëêîííóþ äâåðü ¦ ¦ ¦ ¦ ¦ ¦ ¦ +-------- Øèðèíà ïðîåìà, äì ¦ ¦ ¦ ¦ ¦ +------------- Âûñîòà ïðîåìà, äì ¦ ¦ ¦ +---------------- Òèï èçäåëèÿ ïî ï.1.1 (Ñ èëè Ð) ¦ +------------------- Âèä èçäåëèÿ: Î - îêíî; Á - áàëêîííàÿ äâåðü
 êîíöå ìàðêè îêîí è áàëêîííûõ äâåðåé ñ îäèíàðíûì îñòåêëåíèåì, ïåðåä îáîçíà÷åíèåì ñòàíäàðòà, äîáàâëÿþò öèôðó 1 ÷åðåç òèðå.
Ïðèìåðû óñëîâíûõ îáîçíà÷åíèé
Îêíî òèïà Ñ äëÿ ïðîåìà âûñîòîé 15 è øèðèíîé 9 äì, ñ ïðàâîé íàâåñêîé ñòâîðîê: ÎÑ15-9 ÃÎÑÒ 11214-86
Òî æå, ñ ëåâîé íàâåñêîé ñòâîðîê: ÎÑ15-9Ë ÃÎÑÒ 11214-86
Äâåðü áàëêîííàÿ ïðàâàÿ òèïà Ñ äëÿ ïðîåìà âûñîòîé 22 è øèðèíîé 9 äì: ÁÑ22-9 ÃÎÑÒ 11214-86
Îêíî òèïà Ð äëÿ ïðîåìà âûñîòîé 18 è øèðèíîé 18 äì, ñ íåñèììåòðè÷íûì ðèñóíêîì îêíà (âàðèàíò Â):
ÎÐ18-18Â ÃÎÑÒ 11214-86
Òî æå, â íåãàòèâíîì èçîáðàæåíèè: ÎÐ18-18ÂÍ ÃÎÑÒ 11214-86
Îêíî òèïà Ñ äëÿ ïðîåìà âûñîòîé 15 è øèðèíîé 13,5 äì, ñ ôîðòî÷íîé ñòâîðêîé:
ÎÑ15-13,5 ÃÎÑÒ 11214-86
Äâåðü áàëêîííàÿ ïðàâàÿ òèïà Ñ äëÿ ïðîåìà âûñîòîé 22 è øèðèíîé 7,5 äì: ÁÑ22-7,5 ÃÎÑÒ 11214-86
Òî æå, ëåâàÿ: ÁÑ22-7,5Ë ÃÎÑÒ 11214-86
2. ÒÐÅÁÎÂÀÍÈß Ê ÊÎÍÑÒÐÓÊÖÈÈ
2.1. Îêíà è áàëêîííûå äâåðè äîëæíû èçãîòîâëÿòüñÿ â ñîîòâåòñòâèè ñ òðåáîâàíèÿìè ÃÎÑÒ 23166 è íàñòîÿùåãî ñòàíäàðòà ïî ðàáî÷èì ÷åðòåæàì, óòâåðæäåííûì â óñòàíîâëåííîì ïîðÿäêå.
2.2. Êîíñòðóêöèÿ, ôîðìà, îñíîâíûå ðàçìåðû è ìàðêè îêîí è áàëêîííûõ äâåðåé òèïà Ñ äëÿ æèëûõ çäàíèé äîëæíû ñîîòâåòñòâîâàòü óêàçàííûì íà ÷åðò.3-5, äëÿ îáùåñòâåííûõ çäàíèé íà ÷åðò.6-11, à ðàçìåðû ñå÷åíèé äåòàëåé è ïðèòâîðîâ - íà ÷åðò.12-23.
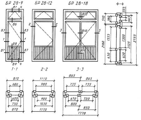
2.3. Êîíñòðóêöèÿ, ôîðìà, îñíîâíûå ðàçìåðû è ìàðêè îêîí è áàëêîííûõ äâåðåé òèïà Ð äëÿ æèëûõ çäàíèé äîëæíû ñîîòâåòñòâîâàòü óêàçàííûì íà ÷åðò.24-27, äëÿ îáùåñòâåííûõ çäàíèé - íà ÷åðò.37-43, à ðàçìåðû ñå÷åíèé äåòàëåé è ïðèòâîðîâ äëÿ æèëûõ çäàíèé - íà ÷åðò.28-36, îáùåñòâåííûõ çäàíèé - íà ÷åðò.44-53.
2.4. Ðàçìåðû íà îáùèõ âèäàõ îêîí è áàëêîííûõ äâåðåé äàíû â ñâåòó ïî íàðóæíûì ñòîðîíàì ñòâîðîê, ôðàìóã, ôîðòî÷åê, ïîëîòåí äâåðåé è ïî íàðóæíûì ñòîðîíàì êîðîáîê.
Íà ÷åðòåæàõ, ïðèâåäåííûõ â íàñòîÿùåì ñòàíäàðòå, óêàçàíû â ìèëëèìåòðàõ ðàçìåðû íåîêðàøåííûõ äåòàëåé è èçäåëèé.
2.5. Äëÿ îòâîäà äîæäåâîé âîäû â íèæíèõ áðóñêàõ êîðîáîê è â ãîðèçîíòàëüíûõ èìïîñòàõ îêîí è áàëêîííûõ äâåðåé òèïà Ñ äåëàþò ïðîðåçè øèðèíîé 12 ìì, à â îêíàõ è áàëêîííûõ äâåðÿõ òèïà Ð ñâåðëÿò îòâåðñòèÿ äèàìåòðîì 10 ìì, ðàñïîëàãàåìûå ïîä øèðîêèìè ñòâîðêàìè, ïîëîòíàìè áàëêîííûõ äâåðåé è ôðàìóãàìè íà ðàññòîÿíèè 50 ìì îò âåðòèêàëüíûõ áðóñêîâ êîðîáîê è èìïîñòîâ, à ïîä ôîðòî÷íûìè è óçêèìè ñòâîðêàìè - îäíó ïðîðåçü èëè îäíî îòâåðñòèå íà ñåðåäèíå.
2.6. Íàðóæíûå ñòâîðêè îêîí è ïîëîòíà áàëêîííûõ äâåðåé òèïà Ð äîëæíû áûòü íàâåøåíû íà âðåçíûå ïåòëè ñ âûíèìàþùèìèñÿ ñòåðæíÿìè ïî ÃÎÑÒ 5088. Âíóòðåííèå ñòâîðêè îêîí òèïà Ñ âûñîòîé áîëåå 1400 ìì è øèðèíîé áîëåå 600 ìì, à òàêæå âûñîòîé áîëåå 1000 ìì è øèðèíîé áîëåå 900 ìì äîëæíû áûòü íàâåøåíû íà òðè ïåòëè.
2.7. Äëÿ îñòåêëåíèÿ îêîí è áàëêîííûõ äâåðåé æèëûõ çäàíèé ñëåäóåò ïðèìåíÿòü ñòåêëî òîëùèíîé 2,5-3 ìì ïî ÃÎÑÒ 111, à äëÿ îáùåñòâåííûõ çäàíèé òîëùèíîé 3-4 ìì.
Òîëùèíó ñòåêëà óòî÷íÿþò â ïðîåêòå è ïðè çàêàçå èçäåëèé ñ ó÷åòîì âåòðîâûõ íàãðóçîê è øóìîâûõ âîçäåéñòâèé â ðàéîíå ñòðîèòåëüñòâà.
2.8. Ìåñòà ðàñïîëîæåíèÿ óïëîòíÿþùèõ ïåíîïîëèóðåòàíîâûõ ïðîêëàäîê ïî ÃÎÑÒ 10174 â ïðèòâîðàõ îêîí è áàëêîííûõ äâåðåé óêàçàíû íà ÷åðòåæàõ ñå÷åíèé.
2.9. Ïî òðåáîâàíèþ ïîòðåáèòåëåé ïî ïåðèìåòðó îêîííûõ è äâåðíûõ êîðîáîê íà òîðöåâûõ è áîêîâûõ ïîâåðõíîñòÿõ äîïóñêàåòñÿ óñòðîéñòâî ïðîäîëüíûõ ïàçîâ ðàçëè÷íîãî ïðîôèëÿ, çàïîëíÿåìûõ âêëàäûøàìè è îáðàìëÿåìûõ íàëè÷íèêàìè ïðè ñîåäèíåíèè áëîêîâ äðóã ñ äðóãîì.
2.10.  æèëûõ è îáùåñòâåííûõ çäàíèÿõ äëÿ êëèìàòè÷åñêèõ ðàéîíîâ, ãäå ïî òåïëîòåõíè÷åñêèì ðàñ÷åòàì íå òðåáóþòñÿ îêíà è áàëêîííûå äâåðè ñ äâîéíûì îñòåêëåíèåì, à òàêæå â íåîòàïëèâàåìûõ çäàíèÿõ è ïîìåùåíèÿõ äîëæíû ïðèìåíÿòüñÿ òîëüêî íàðóæíûå ýëåìåíòû îêîí è áàëêîííûõ äâåðåé òèïà Ð, ïðè ýòîì òîëùèíà áðóñêà êîðîáêè äîëæíà áûòü íå ìåíåå 54 ìì, à ðàçìåðû ñå÷åíèé óñòàíàâëèâàþò â ðàáî÷èõ ÷åðòåæàõ.
2.11. Äëÿ îáåñïå÷åíèÿ âîçìîæíîñòè îñíàùåíèÿ îêîí è áàëêîííûõ äâåðåé îáùåñòâåííûõ çäàíèé ôðàìóæíûìè ïðèáîðàìè ðû÷àæíîãî òèïà äîïóñêàåòñÿ óâåëè÷èâàòü òîëùèíó âåðõíèõ è âåðòèêàëüíûõ áðóñêîâ êîðîáîê è èìïîñòîâ íà 20 ìì áåç èçìåíåíèÿ ãàáàðèòîâ èçäåëèé.
Ãàáàðèòíûå ðàçìåðû îêîí è áàëêîííûõ äâåðåé òèïîâ Ñ è Ð æèëûõ çäàíèé
×åðò.1
Ãàáàðèòíûå ðàçìåðû îêîí è áàëêîííûõ äâåðåé òèïîâ Ñ è Ð îáùåñòâåííûõ çäàíèé
×åðò.2 Ïðèìå÷àíèÿ ê ÷åðò.1 è 2:
1. Ñõåìû èçäåëèé èçîáðàæåíû ñî ñòîðîíû ôàñàäà.
2. Öèôðû íàä ñõåìàìè èçäåëèé îçíà÷àþò ðàçìåðû ïðîåìîâ â ìîäóëÿõ.
3. Îêíà æèëûõ çäàíèé âûñîòîé 18 ìîäóëåé è áàëêîííûå äâåðè âûñîòîé 24 ìîäóëÿ - îãðàíè÷åííîãî ïðèìåíåíèÿ äëÿ êëèìàòè÷åñêèõ ïîäðàéîíîâ 1À, 1Á è 1Ã.
Òèï Ñ
Êîíñòðóêöèÿ, ôîðìà, îñíîâíûå ðàçìåðû è ìàðêè îêîí è áàëêîííûõ äâåðåé æèëûõ çäàíèé
×åðò.3
×åðò.4
×åðò.5
Êîíñòðóêöèÿ, ôîðìà, îñíîâíûå ðàçìåðû è ìàðêè îêîí è áàëêîííûõ äâåðåé îáùåñòâåííûõ çäàíèé
×åðò.6
×åðò.7
×åðò.8
×åðò.9
×åðò.10
×åðò.11
2.12. Ïî ñîãëàñîâàíèþ èçãîòîâèòåëÿ ñ ïîòðåáèòåëåì äîïóñêàåòñÿ èçãîòîâëåíèå áàëêîííûõ äâåðåé âûñîòîé 28 ìîäóëåé ñ ôðàìóãàìè â îòäåëüíûõ êîðîáêàõ.  ýòîì ñëó÷àå âûñîòó ãëóõîé ÷àñòè ïîëîòåí èëè îñòåêëåííîé ÷àñòè ôðàìóã óìåíüøàþò íà 50 ìì.
Ñå÷åíèÿ ïî ïðèòâîðàì îêîí è áàëêîííûõ äâåðåé æèëûõ è îáùåñòâåííûõ çäàíèé
+------------------------------------------------------------------+ ¦ Ñå÷åíèå ¦ à ¦ á ¦ â ¦ Äåòàëü ¦ +----------------+----------+----------+------------+--------------¦ ¦ À1 ¦ 55 ¦ 42 ¦ 85 ¦ 1 ¦ 3 ¦ ¦ ¦ ¦ ¦ ¦ ¦ ¦ ¦ Á1 ¦ 65 ¦ 52 ¦ 95 ¦ 2 ¦ 4 ¦
1 - óïëîòíÿþùèå ïðîêëàäêè; 2 - ïåòëÿ (äëÿ áîêîâîãî ñå÷åíèÿ)
×åðò.12
Ïðèìå÷àíèÿ:
1. Ïàçû â ìåñòàõ ìîíòàæà ïåòåëü äëÿ ñïàðèâàíèÿ ñòâîðîê óñëîâíî íå ïîêàçàíû.
2. Ðàçìåðû øòàïèêà äîïóñêàåòñÿ óìåíüøàòü äî 14õ9 ìì.
3. Ïðîôèëü ñòâîðîê â ìåæñòåêîëüíîì ïðîñòðàíñòâå äîïóñêàåòñÿ èçãîòîâëÿòü áåç óêëîíà (ñêîñà).
+------------------------------------------------------------------+ ¦ Ñå÷åíèå ¦ à ¦ á ¦ â ¦ Äåòàëü ¦ +----------------+----------+----------+------------+--------------¦ ¦ À2 ¦ 55 ¦ 45 ¦ 90 ¦ 5 ¦ 7 ¦ ¦ ¦ ¦ ¦ ¦ ¦ ¦ ¦ Á2 ¦ 65 ¦ 55 ¦ 100 ¦ 6 ¦ 8 ¦
1 - óïëîòíÿþùèå ïðîêëàäêè; 2 - ïðîðåçü äëÿ îòâîäà âîäû øèðèíîé 12 ìì
×åðò.13
Ïðèìå÷àíèÿ:
1. Øèðèíó âåðõíåãî âûñòóïà íèæíåãî áðóñêà êîðîáêè äîïóñêàåòñÿ óìåíüøàòü íà 2 ìì.
2. Òîëùèíó íèæíåãî áðóñêà êîðîáêè äîïóñêàåòñÿ óâåëè÷èâàòü íà 3 ìì ñ ñîîòâåòñòâóþùèì óâåëè÷åíèåì âûñîòû êîðîáêè.
+------------------------------------------------------------------+ ¦ Ñå÷åíèå ¦ à ¦ á ¦ â ¦ Äåòàëü ¦ +----------------+---------+----------+---------+------------------¦ ¦ À3 ¦ 55 ¦ 45 ¦ 93 ¦ 5 ¦ 7 ¦ 9 ¦ 11 ¦ ¦ ¦ ¦ ¦ ¦ ¦ ¦ ¦ ¦ ¦ Á3 ¦ 65 ¦ 55 ¦ 113 ¦ 6 ¦ 8 ¦ 10¦ 12 ¦
×åðò.14
+------------------------------------------------------------------+ ¦ Ñå÷åíèå ¦ à ¦ á ¦ Äåòàëü ¦ +-----------------+--------------+--------------+------------------¦ ¦ À4 ¦ 55 ¦ 130 ¦ 1 ¦ 3 ¦ ¦ ¦ ¦ ¦ ¦ ¦ ¦ Á4 ¦ 65 ¦ 150 ¦ 2 ¦ 4 ¦
×åðò.15
Ïðèìå÷àíèå: Äîïóñêàåòñÿ ïîäíóòðåíèå ïðîôèëÿ èìïîñòà â ïðèòâîðå ãëóáèíîé äî 2 ìì.
×åðò.16 ×åðò.17
Ïðèìå÷àíèå: Ïåòëÿ äëÿ íàâåñêè øèðîêîé ñòâîðêè òðåõñòâîðíûõ îêîí.
×åðò.18 1 - ìÿãêàÿ ÄÂÏ òîëùèíîé 12 ìì ïî ÃÎÑÒ 4598; 2 - òâåðäàÿ ÄÂÏ ìàðêè Ò ãðóïïû À òîëùèíîé 3,2-4 ìì ïî ÃÎÑÒ 4598; 3 - øëèôîâàííàÿ ÄÑÏ òîëùèíîé 16 ìì ïî ÃÎÑÒ 10632; 4 - ïåðãàìèí ïî ÃÎÑÒ 2697; 5 - îáøèâêà òèïà Î-2 ïî ÃÎÑÒ 8242; 6 - ðàñêëàäêà; 7 - óïëîòíÿþùàÿ ïðîêëàäêà
×åðò.19 2.13. Ïî ñîãëàñîâàíèþ èçãîòîâèòåëÿ ñ ïîòðåáèòåëåì äîïóñêàåòñÿ èçãîòîâëåíèå îêîí òèïà Ñ âûñîòîé 6 è 9 ìîäóëåé, ïðåäíàçíà÷åííûõ äëÿ ëåñòíè÷íûõ êëåòîê, áåç èìïîñòà ñ íàâåñêîé ñòâîðêè íà íèæíåé ãîðèçîíòàëüíîé îñè ñ îáÿçàòåëüíîé óñòàíîâêîé îãðàíè÷èòåëåé îòêðûâàíèÿ.
2.14. Ïî ñîãëàñîâàíèþ èçãîòîâèòåëÿ ñ ïîòðåáèòåëåì äîïóñêàåòñÿ çàïîëíåíèå ãëóõîé ÷àñòè âíóòðåííèõ ïîëîòåí áàëêîííûõ äâåðåé òèïîâ Ñ è Ð ÖÑÏ ïî ÃÎÑÒ 26816 îòäåëüíî èëè ñ ÄÂÏ, à â íàðóæíûõ ïîëîòíàõ çàìåíà äåðåâÿííîé îáøèâêè ÖÑÏ òîëùèíîé 12 ìì. Äîïóñêàþòñÿ äð. âàðèàíòû çàïîëíåíèÿ ãëóõîé ÷àñòè íàðóæíûõ ïîëîòåí, íå ñíèæàþùèå ýêñïëóàòàöèîííûå õàðàêòåðèñòèêè èçäåëèé, ïðè ýòîì çàïîëíåíèå (ôèëåíêà) äîëæíî áûòü çàãëóáëåíî â ÷åòâåðòÿõ áðóñêîâ è çàêðåïëåíî ðàñêëàäêîé (øòàïèêîì).
2.15. Ðàñïîëîæåíèå ïðèáîðîâ â îêíàõ è áàëêîííûõ äâåðÿõ (ïðèìåðû) ïðèâåäåíî â ïðèëîæåíèè 3; ñïåöèôèêàöèÿ ñòåêîë äëÿ îêîí è áàëêîííûõ äâåðåé æèëûõ çäàíèé ïðèâåäåíà â ïðèëîæåíèè 4, à ñïåöèôèêàöèÿ ñòåêîë äëÿ îêîí è áàëêîííûõ äâåðåé îáùåñòâåííûõ çäàíèé - â ïðèëîæåíèè 5.
×åðò.20 1 - íàùåëüíèê
×åðò.21
×åðò.22 ×åðò.23
Òèï Ð
Êîíñòðóêöèÿ, ôîðìà, îñíîâíûå ðàçìåðû è ìàðêè îêîí è áàëêîííûõ äâåðåé æèëûõ çäàíèé
×åðò.24
Ïðèìå÷àíèå: Âûñîòó âíóòðåííèõ ïîäôîðòî÷íûõ ñòâîðîê äîïóñêàåòñÿ óâåëè÷èâàòü íà 5 ìì çà ñ÷åò ñîîòâåòñòâóþùåãî óìåíüøåíèÿ âûñîòû ôîðòî÷íûõ ñòâîðîê.
×åðò.25
×åðò.26
×åðò.27
Ñå÷åíèÿ ïî ïðèòâîðàì îêîí è áàëêîííûõ äâåðåé æèëûõ çäàíèé
+------------------------------------------------------------------+ ¦ Ñå÷åíèå ¦ à ¦ á ¦ â ¦ Äåòàëü ¦ +----------------+----------+----------+------------+--------------¦ ¦ À1 ¦ 55 ¦ 85 ¦ 115 ¦ 1 ¦ ¦ ¦ ¦ ¦ ¦ ¦ ¦ Á1 ¦ 65 ¦ 95 ¦ 125 ¦ 2 ¦
1 - óïëîòíÿþùàÿ ïðîêëàäêà
×åðò.28
Ïðèìå÷àíèÿ:
1. Äîïóñêàåòñÿ ðàçìåðû øòàïèêà óìåíüøàòü äî 14õ9 ìì.
2. Òîëùèíó áðóñêîâ âíóòðåííåé êîðîáêè (êðîìå íèæíèõ) äîïóñêàåòñÿ óìåíüøàòü íà 5 ìì ñ ñîîòâåòñòâóþùèì èçìåíåíèåì ãàáàðèòîâ êîðîáêè.
3. Øèðèíó êàíàâêè â áðóñêàõ íàðóæíîé êîðîáêè äîïóñêàåòñÿ óìåíüøàòü äî 8 ìì.
+------------------------------------------------------------------+ ¦ Ñå÷åíèå ¦ à ¦ á ¦ â ¦ Äåòàëü ¦ +----------------+----------+----------+------------+--------------¦ ¦ À2 ¦ 55 ¦ 90 ¦ 110 ¦ 3 ¦ 5 ¦ ¦ ¦ ¦ ¦ ¦ ¦ ¦ ¦ Á2 ¦ 65 ¦ 100 ¦ 120 ¦ 4 ¦ 6 ¦
1 - îòâåðñòèå äèàìåòðîì 10 ìì äëÿ îòâîäà âîäû
×åðò.29
+------------------------------------------------------------------+ ¦ Ñå÷åíèå ¦ à ¦ á ¦ â ¦ Äåòàëü ¦ +----------------+---------+----------+---------+------------------¦ ¦ À3 ¦ 55 ¦ 85 ¦ 125 ¦ 1 ¦ Ê5 ¦ ¦ ¦ ¦ ¦ ¦ ¦ ¦ ¦ Á3 ¦ 65 ¦ 95 ¦ 135 ¦ 2 ¦ Ê5 ¦
×åðò.30
+------------------------------------------------------------------+ ¦ Ñå÷åíèå ¦ à ¦ á ¦ Äåòàëü ¦ +-----------------+--------------+--------------+------------------¦ ¦ À4 ¦ 55 ¦ 103 ¦ 3 ¦ 5 ¦ 7 ¦ 9 ¦ ¦ ¦ ¦ ¦ ¦ ¦ ¦ ¦ ¦ Á4 ¦ 65 ¦ 123 ¦ 4 ¦ 6 ¦ 8 ¦ 10 ¦
1 - ïðîðåçü äëÿ îòâîäà âîäû øèðèíîé 12 ìì
×åðò.31
+------------------------------------------------------------------+ ¦ Ñå÷åíèå ¦ à ¦ á ¦ â ¦ Äåòàëü ¦ +----------------+---------+----------+---------+------------------¦ ¦ À5 ¦ 55 ¦ 130 ¦ 190 ¦ 1 ¦ ¦ ¦ ¦ ¦ ¦ ¦ ¦ Á5 ¦ 65 ¦ 150 ¦ 210 ¦ 2 ¦
×åðò.32
×åðò.33
1 - ìÿãêàÿ ÄÂÏ òîëùèíîé 12 ìì ïî ÃÎÑÒ 4598; 2 - òâåðäàÿ ÄÂÏ ìàðêè Ò ãðóïïû À òîëùèíîé 3,2-4 ìì ïî ÃÎÑÒ 4598; 3 - øëèôîâàííàÿ ÄÑÏ òîëùèíîé 16 ìì ïî ÃÎÑÒ 10632; 4 - ïåðãàìèí ïî ÃÎÑÒ 2697; 5 - îáøèâêà òèïà Î-2 ïî ÃÎÑÒ 8242; 6 - ðàñêëàäêà
×åðò.34
×åðò.35 ×åðò.36
Êîíñòðóêöèÿ, ôîðìà, îñíîâíûå ðàçìåðû è ìàðêè îêîí è áàëêîííûõ äâåðåé îáùåñòâåííûõ çäàíèé
×åðò.37
×åðò.38
×åðò.39
×åðò.40
×åðò.41
×åðò.42
×åðò.43
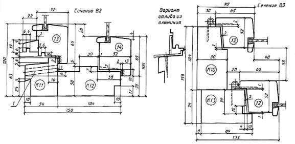
Ñå÷åíèÿ ïî ïðèòâîðàì îêîí è áàëêîííûõ äâåðåé îáùåñòâåííûõ çäàíèé
Ïðèìå÷àíèå. Äîïóñêàåòñÿ ðàçìåðû øòàïèêà óìåíüøàòü íà 1 ìì.
1 - óïëîòíÿþùàÿ ïðîêëàäêà
×åðò.44
1 - îòâåðñòèå äèàìåòðîì 10 ìì äëÿ ×åðò.46 îòâîäà âîäû
×åðò.45
+------------------------------------------------------------------+ ¦ Ñå÷åíèå ¦ à ¦ á ¦ â ¦ ã ¦ Äåòàëü ¦ +----------------+---------+----------+---------+--------+---------¦ ¦ Â4 ¦ 30 ¦ 10 ¦ 124 ¦ 210 ¦ Ê15 ¦ ¦ ¦ ¦ ¦ ¦ ¦ ¦ ¦ Â5 ¦ 40 ¦ 20 ¦ 134 ¦ 220 ¦ Ê16 ¦
Ïðèìå÷àíèå. Ïåòëÿ äëÿ ñå÷åíèÿ Â5.
×åðò.47
×åðò.48
Ïðèìå÷àíèå. Çàïîëíåíèå ïîëîòåí è âàðèàíò çàïîëíåíèÿ ãëóõîé ÷àñòè âíóòðåííåãî ïîëîòíà ñì. ÷åðò.50.
×åðò.49
1 - ìÿãêàÿ ÄÂÏ òîëùèíîé 12 ìì ïî ÃÎÑÒ 4598; 2 - òâåðäàÿ ÄÂÏ ìàðêè Ò ãðóïïû À òîëùèíîé 3,2-4 ìì ïî ÃÎÑÒ 4598; 3 - øëèôîâàííàÿ ÄÑÏ òîëùèíîé 16 ìì ïî ÃÎÑÒ 10632; 4 - ïåðãàìèí ïî ÃÎÑÒ 2697; 5 - îáøèâêà òèïà Î-2 ïî ÃÎÑÒ 8242; 6 - ðàñêëàäêà
×åðò.50
×åðò.51
1 - íàùåëüíèê ×åðò.53
×åðò.52
ÏÐÈËÎÆÅÍÈÅ 1 Ñïðàâî÷íîå
ÃÀÁÀÐÈÒÛ ÏÐÎÅÌÎÂ ÎÊÎÍ È ÁÀËÊÎÍÍÛÕ ÄÂÅÐÅÉ Â ÍÀÐÓÆÍÛÕ ÑÒÅÍÀÕ ÆÈËÛÕ ÇÄÀÍÈÉ
Ïðèìå÷àíèå. Ðàçìåðû øèðèíû ïðîåìîâ óêàçàíû äëÿ ñòåí èç ïàíåëåé è ìîäóëüíîãî êèðïè÷à.
ÏÐÈËÎÆÅÍÈÅ 2 Ñïðàâî÷íîå
ÃÀÁÀÐÈÒÛ ÏÐÎÅÌÎÂ ÎÊÎÍ È ÁÀËÊÎÍÍÛÕ ÄÂÅÐÅÉ Â ÍÀÐÓÆÍÛÕ ÑÒÅÍÀÕ ÎÁÙÅÑÒÂÅÍÍÛÕ ÇÄÀÍÈÉ
Ïðèìå÷àíèå. Ðàçìåðû øèðèíû ïðîåìîâ óêàçàíû äëÿ ñòåí èç ïàíåëåé è ìîäóëüíîãî êèðïè÷à.
ÏÐÈËÎÆÅÍÈÅ 3 Ðåêîìåíäóåìîå
ÐÀÑÏÎËÎÆÅÍÈÅ ÏÐÈÁÎÐÎÂ Â ÎÊÍÀÕ È ÁÀËÊÎÍÍÛÕ ÄÂÅÐßÕ (ïðèìåðû)
1 - ïåòëÿ ÏÂ1-100 äëÿ âíóòðåííèõ ñòâîðîê è ïîëîòåí òèïîâ Ñ è Ð; 2 - ïåòëÿ ÏÂ2-100-1 äëÿ íàðóæíûõ ñòâîðîê è ïîëîòåí òèïà Ð; 3 - ïåòëÿ ÏÂ3-1 äëÿ òèïà Ñ; 4 - ñòÿæêà ÑÒ äëÿ òèïà Ñ; 5 - óïîð ÓÎ äëÿ òèïà Ð; 6 - çàâåðòêà ÇÐ2-1
×åðò.1
×åðò.1 (ïðîäîëæåíèå)
1 - ïåòëÿ ÏÂ1-100 äëÿ âíóòðåííèõ ñòâîðîê è ïîëîòåí òèïîâ Ñ è Ð; 2 - ïåòëÿ ÏÂ2-100-1 äëÿ íàðóæíûõ ñòâîðîê è ïîëîòåí òèïà Ð; 3 - ïåòëÿ ÏÂ3-1 äëÿ òèïà Ñ; 4 - ïåòëÿ ÏÂ2-100-2 äëÿ ôðàìóã; 5 - ïðèáîð ôðàìóæíûé ÏÔ2; 6 - ôèêñàòîð ÔÊ1 äëÿ òèïà Ñ èëè ÔÊ3 äëÿ òèïà Ð; 7 çàâåðòêà ÇÐ2-1; 8 - ñòÿæêà ÑÒ äëÿ òèïà Ñ; 9 - óïîð ÓÎ äëÿ òèïà Ð; 10 - ðó÷êà ÐÑ80.
×åðò.2
Ïðèìå÷àíèÿ ê ÷åðò.1 è 2
1. Ïðèáîðû äëÿ îêîí è áàëêîííûõ äâåðåé äîëæíû ñîîòâåòñòâîâàòü ÃÎÑÒ 538, ÃÎÑÒ 5087, ÃÎÑÒ 5088, ÃÎÑÒ 5090 è ÃÎÑÒ 5091.
2. Íàðóæíûå ñòâîðêè äîëæíû íàâåøèâàòüñÿ íà ïåòëè òèïîâ ÏÂ2 ñ âûíèìàþùèìèñÿ ñòåðæíÿìè.
3. Çàâåðòêè ïîêàçàíû â îòêðûòîì ïîëîæåíèè.
4. Ðó÷êè ÐÑ80 óñòàíàâëèâàþò íà íàðóæíûõ ñòâîðêàõ ñ âíåøíåé ñòîðîíû çäàíèÿ íà âûñîòå 1000 ìì îò ïîðîãà.
5. Ôðàìóæíûé ïðèáîð ïîêàçàí óñëîâíî.
6. Óãîëüíèêè óñòàíàâëèâàþò â ñîîòâåòñòâèè ñ ï.2.13 ÃÎÑÒ 23166.
7. Ñòÿæêè ÑÒ ðàñïîëàãàþò íà ñòâîðêàõ ñî ñòîðîíû ïîìåùåíèÿ.
8. Ôèêñàòîðû óñòàíàâëèâàþò íà óçêèå ñòâîðêè îêîí æèëûõ è îáùåñòâåííûõ çäàíèé.
9.  ñëó÷àå ïðèìåíåíèÿ çàâåðòîê ñî ñúåìíûìè ðó÷êàìè òèïà Ð2 ÷èñëî ðó÷åê íà èçäåëèå óñòàíàâëèâàþò ïî ñîãëàñîâàíèþ èçãîòîâèòåëÿ ñ ïîòðåáèòåëåì, íî íå ìåíåå îäíîé.
ÏÐÈËÎÆÅÍÈÅ 4 Ñïðàâî÷íîå
ÑÏÅÖÈÔÈÊÀÖÈß ÑÒÅÊÎË ÄËß ÎÊÎÍ È ÁÀËÊÎÍÍÛÕ ÄÂÅÐÅÉ ÆÈËÛÕ ÇÄÀÍÈÉ
Òèï Ñ
+------------------------------------------------------------------+ ¦ ¦ Ðàçìåð, ìì ¦ ¦ ¦ Ðàçìåð, ìì ¦ ¦ ¦ Ìàðêà +----------------¦Êîë.¦ Ìàðêà +---------------¦Êîë.¦ ¦ ¦ Âûñîòà ¦ Øèðèíঠ¦ ¦ ÂûñîòঠØèðèíঠ¦ +-----------+--------+-------+----+-----------+-------+-------+----¦ ¦ÎÑ6-9 ¦ ¦ 715 ¦ ¦ ¦ 1000 ¦ 885 ¦ 2 ¦ +-----------¦ 400 +-------¦ ¦ÎÑ12-15 +-------+-------+----¦ ¦ ¦ ¦ 585 ¦ ¦ ¦ 460 ¦ 315 ¦ 4 ¦ ¦ÎÑ6-12 ¦ +-------¦ 2 +-----------+-------+-------+----¦ ¦ ¦ ¦ 315 ¦ ¦ ¦ 1300 ¦ 735 ¦ ¦ +-----------+--------+-------¦ ¦ +-------+-------¦ ¦ ¦ÎÑ9-9 ¦ ¦ 715 ¦ ¦ÎÑ15-13,5 ¦ 760 ¦ ¦ ¦ +-----------¦ 700 +-------¦ ¦ +-------¦ 315 ¦ ¦ ¦ ¦ ¦ 585 ¦ ¦ ¦ 460 ¦ ¦ ¦ ¦ÎÑ9-12 ¦ +-------¦ +-----------+-------+-------¦ ¦ ¦ ¦ ¦ 315 ¦ ¦ ¦ 1300 ¦ 885 ¦ ¦ +-----------+--------+-------+----¦ +-------+-------¦ ¦ ¦ÎÑ12-9 ¦ 460 ¦ 715 ¦ 4 ¦ÎÑ15-15 ¦ 760 ¦ ¦ ¦ +-----------+--------+-------+----¦ +-------¦ 315 ¦ ¦ ¦ ¦ 1000 ¦ 585 ¦ 2 ¦ ¦ 460 ¦ ¦ ¦ ¦ÎÑ12-12 +--------+-------+----+-----------+-------+-------¦ 2 ¦ ¦ ¦ 460 ¦ 315 ¦ 4 ¦ ¦ 1300 ¦ ¦ ¦ +-----------+--------+-------+----¦ +-------¦ ¦ ¦ ¦ ¦ 760 ¦ ¦ ¦ ¦ 760 ¦ 315 ¦ ¦ ¦ÎÑ15-6 +--------¦ 415 ¦ ¦ÎÑ15-18 +-------¦ ¦ ¦ ¦ ¦ 460 ¦ ¦ ¦ ¦ 460 ¦ ¦ ¦ +-----------+--------+-------¦ ¦ +-------+-------¦ ¦ ¦ ¦ 760 ¦ ¦ ¦ ¦ 1300 ¦ 755 ¦ ¦ ¦ÎÑ15-9 +--------¦ 715 ¦ +-----------+-------+-------+----¦ ¦ ¦ 460 ¦ ¦ ¦ ¦ 1300 ¦ ¦ 4 ¦ +-----------+--------+-------¦ ¦ +-------¦ 685 +----¦ ¦ ¦ 1300 ¦ 585 ¦ ¦ÎÑ15-21 ¦ 760 ¦ ¦ ¦ ¦ ¦ 760 ¦ ¦ ¦ +-------+-------¦ 2 ¦ ¦ÎÑ15-12 +--------+-------¦ ¦ ¦ 460 ¦ 315 ¦ ¦ ¦ ¦ 460 ¦ 315 ¦ 2 +-----------+-------+-------+----¦ +-----------+--------+-------¦ ¦ ¦ 1020 ¦ ¦ ¦ ¦ÎÑ15-9À ¦ 1300 ¦ 715 ¦ ¦ÎÑ18-9 +-------¦ 695 ¦ ¦ +-----------+--------+-------¦ ¦ ¦ 460 ¦ ¦ ¦ ¦ ¦ ¦ 735 ¦ +-----------+-------+-------¦ ¦ ¦ÎÑ9-13,5 ¦ 700 +-------¦ ¦ ¦ 1580 ¦ 695 ¦ ¦ ¦ ¦ ¦ 315 ¦ ¦ +-------+-------¦ ¦ +-----------¦ +-------¦ ¦ÎÑ18-13,5 ¦ 1020 ¦ ¦ ¦ ¦ ¦ ¦ 885 ¦ ¦ +-------¦ 315 ¦ ¦ ¦ÎÑ9-15 ¦ +-------¦ ¦ ¦ 460 ¦ ¦ 2 ¦ ¦ ¦ ¦ 315 ¦ +-----------+-------+-------¦ ¦ +-----------+--------+-------+----¦ ¦ 1580 ¦ 845 ¦ ¦ ¦ ¦ 1000 ¦ 735 ¦ 2 ¦ +-------+-------¦ ¦ ¦ÎÑ12-13,5 +--------+-------+----¦ÎÑ18-15 ¦ 1020 ¦ ¦ ¦ ¦ ¦ 460 ¦ 315 ¦ 4 ¦ +-------¦ 315 ¦ ¦ +-----------+--------+-------+----¦ ¦ 460 ¦ ¦ ¦ ¦ÁÑ22-7,5 ¦ 1300 ¦ ¦ +-----------+-------+-------¦ ¦ +-----------+--------¦ 545 ¦ 2 ¦ÎÑ18-9À ¦ 1580 ¦ 695 ¦ ¦ ¦ÁÑ24-7,5 ¦ 1580 ¦ ¦ +-----------+-------+-------¦ ¦ ¦ ¦ ¦ ¦ ¦ÁÑ22-9 ¦ 1300 ¦ 695 ¦ ¦ ¦ ¦ ¦ ¦ +-----------+-------+-------¦ ¦ ¦ ¦ ¦ ¦ ¦ÁÑ24-9 ¦ 1580 ¦ 695 ¦ ¦
Òèï Ð
+-------------------------------------------------------------------------------------------+ ¦ ¦ Ðàçìåð, ìì ¦ ¦ Ðàçìåð, ìì ¦ ¦ Ìàðêà +-------------------------------------¦ Ìàðêà +-------------------------------------¦ ¦ ¦ âíóòðåííèé ¦ íàðóæíûé ¦ ¦ âíóòðåííèé ¦ íàðóæíûé ¦ ¦ +------------------+------------------¦ +------------------+------------------¦ ¦ ¦Âûñîòà¦Øèðèíà¦Êîë.¦Âûñîòà¦Øèðèíà¦Êîë.¦ ¦Âûñîòà¦Øèðèíà¦Êîë.¦Âûñîòà¦Øèðèíà¦Êîë.¦ +-------+------+------+----+------+------+----+-------+------+------+----+------+------+----¦ ¦ÎÐ6-9 ¦ ¦ 715 ¦ ¦ ¦ 635 ¦ ¦ÎÐ15-9À¦ 1300 ¦ 715 ¦ ¦ 1250 ¦ 635 ¦ ¦ +-------¦ +------¦ ¦ +------¦ +-------+------+------¦ +------+------¦ ¦ ¦ ¦ 400 ¦ 315 ¦ ¦ 350 ¦ 245 ¦ ¦ ¦ 1300 ¦ ¦ ¦ 1250 ¦ ¦ ¦ ¦ÎÐ6-12 ¦ +------¦ ¦ +------¦ ¦ ¦ ¦ 735 ¦ +------¦ 665 ¦ ¦ ¦ ¦ ¦ 585 ¦ ¦ ¦ 515 ¦ ¦ÎÐ15- ¦ 750 ¦ ¦ ¦ 745 ¦ ¦ ¦ +-------+------+------¦ +------+------¦ ¦13,5 +------+------¦ +------+------¦ ¦ ¦ÎÐ9-9 ¦ ¦ 715 ¦ ¦ ¦ 635 ¦ ¦ ¦ 460 ¦ 315 ¦ ¦ 415 ¦ 245 ¦ ¦ +-------¦ +------¦ ¦ +------¦ +-------+------+------¦ +------+------¦ ¦ ¦ ¦ 700 ¦ 315 ¦ ¦ 650 ¦ 245 ¦ ¦ ¦ 1300 ¦ 885 ¦ 1 ¦ 1250 ¦ ¦ ¦ ¦ÎÐ9-12 ¦ +------¦ ¦ +------¦ ¦ +------+------¦ +------¦ 815 ¦ 1 ¦ ¦ ¦ ¦ 585 ¦ ¦ ¦ 515 ¦ ¦ÎÐ15-15¦ 750 ¦ ¦ ¦ 745 ¦ ¦ ¦ +-------+------+------¦ +------+------¦ ¦ ¦ ¦ 315 ¦ +------+------¦ ¦ ¦ ¦ 450 ¦ ¦ ¦ 445 ¦ ¦ ¦ ¦ 460 ¦ ¦ ¦ 415 ¦ 245 ¦ ¦ ¦ÎÐ12-9 +------¦ 715 ¦ +------¦ 635 ¦ +-------+------+------¦ +------+------¦ ¦ ¦ ¦ 460 ¦ ¦ ¦ 415 ¦ ¦ ¦ ¦ 1300 ¦ 755 ¦ ¦ 1250 ¦ 685 ¦ ¦ +-------+------+------¦ +------+------¦ ¦ +------+------¦ +------+------¦ ¦ ¦ ¦ 1000 ¦ ¦ ¦ 950 ¦ ¦ ¦ ¦ 750 ¦ ¦ ¦ 745 ¦ 245 ¦ ¦ ¦ +------¦ 585 ¦ +------¦ 515 ¦ ¦ÎÐ15-18+------¦ ¦ +------+------¦ ¦ ¦ÎÐ12-12¦ 450 ¦ ¦ ¦ 445 ¦ ¦ ¦ ¦ 460 ¦ 315 ¦ ¦ 415 ¦ ¦ ¦ ¦ +------+------¦ +------+------¦ ¦ +------¦ ¦ +------¦ 245 ¦ ¦ ¦ ¦ 460 ¦ 315 ¦ ¦ 415 ¦ 245 ¦ ¦ ¦ 1300 ¦ ¦ ¦ 1250 ¦ ¦ ¦ +-------+------+------¦ +------+------¦ +-------+------+------+----+------+------+----¦ ¦ ¦ 750 ¦ ¦ ¦ 745 ¦ ¦ ¦ ¦ 1300 ¦ ¦ 2 ¦ 1250 ¦ ¦ 2 ¦ ¦ÎÐ15-6 +------¦ 415 ¦ +------¦ 335 ¦ ¦ +------¦ 685 +----+------¦ 615 +----¦ ¦ ¦ 460 ¦ ¦ 1 ¦ 415 ¦ ¦ 1 ¦ÎÐ15-21¦ 750 ¦ ¦ ¦ 745 ¦ ¦ ¦ +-------+------+------¦ +------+------¦ ¦ +------+------¦ +------+------¦ 1 ¦ ¦ ¦ 750 ¦ ¦ ¦ 745 ¦ ¦ ¦ ¦ 460 ¦ 315 ¦ ¦ 415 ¦ 245 ¦ ¦ ¦ÎÐ15-9 +------¦ 715 ¦ +------¦ 635 ¦ +-------+------+------¦ +------+------+----¦ ¦ ¦ 460 ¦ ¦ ¦ 415 ¦ ¦ ¦ÎÐ18-9À¦ 1580 ¦ 695 ¦ ¦ 1530 ¦ 615 ¦ ¦ +-------+------+------¦ +------+------¦ +-------+------+------¦ +------+------¦ ¦ ¦ ¦ 1300 ¦ ¦ ¦ 1250 ¦ ¦ ¦ ¦ 1010 ¦ ¦ ¦ 1005 ¦ ¦ ¦ ¦ +------¦ 585 ¦ +------¦ 515 ¦ ¦ÎÐ18-9 +------¦ 695 ¦ +------¦ 615 ¦ ¦ ¦ÎÐ15-12¦ 750 ¦ ¦ ¦ 745 ¦ ¦ ¦ ¦ 460 ¦ ¦ ¦ 415 ¦ ¦ ¦ ¦ +------+------¦ +------+------¦ +-------+------+------¦ +------+------¦ ¦ ¦ ¦ 460 ¦ 315 ¦ ¦ 415 ¦ 245 ¦ ¦ ¦ 1580 ¦ ¦ ¦ 1530 ¦ ¦ ¦ +-------+------+------¦ +------+------¦ ¦ +------¦ 695 ¦ +------¦ 625 ¦ ¦ ¦ ¦ ¦ 315 ¦ ¦ ¦ 245 ¦ ¦ÎÐ18- ¦ 1010 ¦ ¦ ¦ 1005 ¦ ¦ ¦ ¦ÎÐ9- ¦ +------¦ ¦ +------¦ ¦13,5 +------+------¦ +------+------¦ ¦ ¦-13,5 ¦ ¦ 735 ¦ ¦ 650 ¦ 665 ¦ ¦ ¦ 460 ¦ 315 ¦ ¦ 415 ¦ 245 ¦ ¦ +-------¦ 700 +------¦ ¦ +------¦ +-------+------+------¦ +------+------¦ ¦ ¦ ¦ ¦ 315 ¦ ¦ ¦ 245 ¦ ¦ ¦ 1580 ¦ ¦ ¦ 1530 ¦ ¦ ¦ ¦ÎÐ9-15 ¦ +------¦ ¦ +------¦ ¦ +------¦ 845 ¦ +------¦ 775 ¦ 1 ¦ ¦ ¦ ¦ 885 ¦ ¦ ¦ 815 ¦ ¦ÎÐ18-15¦ 1010 ¦ ¦ 1 ¦ 1005 ¦ ¦ ¦ +-------+------+------¦ +------+------¦ ¦ +------+------¦ +------+------¦ ¦ ¦ ¦ 1000 ¦ ¦ ¦ 950 ¦ ¦ ¦ ¦ 460 ¦ 315 ¦ ¦ 415 ¦ 245 ¦ ¦ ¦ +------¦ 735 ¦ +------¦ 665 ¦ +-------+------+------¦ +------+------¦ ¦ ¦ÎÐ12- ¦ 450 ¦ ¦ ¦ 445 ¦ ¦ ¦ÁÐ22- ¦ ¦ ¦ ¦ ¦ ¦ ¦ ¦-13,5 +------+------¦ +------+------¦ ¦-7,5 ¦ ¦ 545 ¦ ¦ ¦ 465 ¦ ¦ ¦ ¦ 460 ¦ 315 ¦ ¦ 415 ¦ 245 ¦ +-------¦ 1300 +------¦ ¦ 1250 +------¦ ¦ +-------+------+------¦ +------+------¦ ¦ÁÐ22-9 ¦ ¦ 695 ¦ ¦ ¦ 615 ¦ ¦ ¦ ¦ 1000 ¦ ¦ ¦ 950 ¦ ¦ +-------+------+------¦ +------+------¦ ¦ ¦ +------¦ 885 ¦ +------¦ 815 ¦ ¦ÁÐ24- ¦ ¦ ¦ ¦ ¦ ¦ ¦ ¦ÎÐ12-15¦ 450 ¦ ¦ ¦ 445 ¦ ¦ ¦-7,5 ¦ ¦ 545 ¦ ¦ ¦ 465 ¦ ¦ ¦ +------+------¦ +------+------¦ +-------¦ 1580 +------¦ ¦ 1530 +------¦ ¦ ¦ ¦ 460 ¦ 315 ¦ ¦ 415 ¦ 245 ¦ ¦ÁÐ24-9 ¦ ¦ 695 ¦ ¦ ¦ 615 ¦ ¦
ÏÐÈËÎÆÅÍÈÅ 5 Ñïðàâî÷íîå
ÑÏÅÖÈÔÈÊÀÖÈß ÑÒÅÊÎË ÄËß ÎÊÎÍ È ÁÀËÊÎÍÍÛÕ ÄÂÅÐÅÉ ÎÁÙÅÑÒÂÅÍÍÛÕ ÇÄÀÍÈÉ
Òèï Ñ
+------------------------------------------------------------------+ ¦ ¦ Ðàçìåð, ìì ¦ ¦ ¦ Ðàçìåð, ìì ¦ ¦ ¦ Ìàðêà +----------------¦Êîë.¦ Ìàðêà +---------------¦Êîë.¦ ¦ ¦ ÂûñîòঠØèðèíঠ¦ ¦ÂûñîòঠØèðèíà ¦ ¦ +-----------+-------+--------+----+-----------+------+--------+----¦ ¦ÎÑ12-9 ¦ ¦ 695 ¦ ¦ ¦ 1880,¦ ¦ ¦ +-----------¦ +--------¦ ¦ÎÑ21-24 ¦ 1350,¦ 1030 ¦ ¦ ¦ÎÑ12-12 ¦ ¦ 995 ¦ ¦ ¦ 395 ¦ ¦ 2 ¦ +-----------¦ 980 +--------¦ +-----------+------+--------¦ ¦ ¦ÎÑ12-13,5 ¦ ¦ 1145 ¦ ¦ÎÑ21-21à ¦ ¦565,1195¦ ¦ +-----------¦ +--------¦ +-----------¦ 1880 +--------+----¦ ¦ÎÑ12-15 ¦ ¦775, 385¦ ¦ÎÑ21-24à ¦ ¦ 1030 ¦ 4 ¦ +-----------+-------+--------¦ +-----------+------+--------+----¦ ¦ÎÑ18-9 ¦ 1050,¦ 695 ¦ ¦ ¦ 1580,¦ ¦ ¦ ¦ ¦ 395 ¦ ¦ ¦ÎÑ18-27 ¦ 1050,¦ 1180 ¦ 2 ¦ +-----------+-------+--------¦ ¦ ¦ 395 ¦ ¦ ¦ ¦ÎÑ18-12 ¦ 1050,¦ 995 ¦ +-----------+------+--------+----¦ ¦ ¦ 395 ¦ ¦ ¦ ¦ ¦ 525 ¦ 4 ¦ +-----------+-------+--------¦ ¦ÎÑ18-27à ¦ 1580 +--------+----¦ ¦ÎÑ18-13,5 ¦ 1050,¦ 1145 ¦ 2 ¦ ¦ ¦ 1175 ¦ 2 ¦ ¦ ¦ 395 ¦ ¦ +-----------+------+--------+----¦ +-----------+-------+--------¦ ¦ ¦ 1880 ¦ ¦ ¦ ¦ ¦ 1580,¦ ¦ ¦ +------¦ ¦ ¦ ¦ÎÑ18-15 ¦ 1050 ¦ 385 ¦ ¦ÎÑ21-27 ¦ 1350 ¦ 1180 ¦ 2 ¦ ¦ +-------+--------¦ ¦ +------¦ ¦ ¦ ¦ ¦ 395 ¦ 775 ¦ ¦ ¦ 395 ¦ ¦ ¦ +-----------+-------+--------¦ +-----------+------+--------+----¦ ¦ÎÑ18-9à ¦ ¦ 695 ¦ ¦ ¦ ¦ 525 ¦ 4 ¦ +-----------¦ +--------¦ ¦ÎÑ21-27à ¦ 1880 +--------+----¦ ¦ÎÑ18-12à ¦ ¦ 995 ¦ ¦ ¦ ¦ 1175 ¦ 2 ¦ +-----------¦ 1580 +--------¦ +-----------+------+--------+----¦ ¦ÎÑ18-13,5à ¦ ¦ 1145 ¦ ¦ÎÑ21-9 ¦ 1350,¦ 695 ¦ ¦ +-----------¦ +--------¦ ¦ ¦ 395 ¦ ¦ ¦ ¦ÎÑ18-15à ¦ ¦775, 385¦ +-----------+------+--------¦ ¦ +-----------+-------+--------¦ ¦ÎÑ21-12 ¦ 1350,¦ 995 ¦ ¦ ¦ÎÑ12-18 ¦ ¦465, 995¦ ¦ ¦ 395 ¦ ¦ ¦ +-----------¦ 980 +--------¦ +-----------+------+--------¦ ¦ ¦ÎÑ12-21 ¦ ¦565,1195¦ ¦ÎÑ21-13,5 ¦ 1350,¦ 1145 ¦ ¦ +-----------+-------+--------¦ ¦ ¦ 395 ¦ ¦ ¦ ¦ ¦ 1580,¦ ¦ +-----------+------+--------¦ ¦ ¦ÎÑ18-18 ¦ 1050 ¦ 465 ¦ ¦ÎÑ21-9à ¦ ¦ 695 ¦ ¦ ¦ +-------+--------¦ +-----------¦ +--------¦ ¦ ¦ ¦ 395 ¦ 995 ¦ ¦ÎÑ21-12à ¦ 1880 ¦ 995 ¦ ¦ +-----------+-------+--------¦ +-----------¦ +--------¦ ¦ ¦ ¦ 1580,¦ ¦ ¦ÎÑ21-13,5à ¦ ¦ 1145 ¦ ¦ ¦ÎÑ18-21 ¦ 1050 ¦ 565 ¦ +-----------+------+--------¦ ¦ ¦ +-------+--------¦ ¦ ¦ 1880 ¦ 385 ¦ 2 ¦ ¦ ¦ 395 ¦ 1195 ¦ ¦ÎÑ21-15 +------+--------¦ ¦ +-----------+-------+--------¦ ¦ ¦ 1350,¦ 775 ¦ ¦ ¦ ¦ 1580, ¦ ¦ ¦ ¦ 395 ¦ ¦ ¦ ¦ÎÑ18-24 ¦ 1050, ¦ 1030 ¦ +-----------+------+--------¦ ¦ ¦ ¦ 395 ¦ ¦ ¦ ¦ 1880 ¦ 465 ¦ ¦ +-----------+-------+--------¦ ¦ÎÑ21-18 +------+--------¦ ¦ ¦ÎÑ18-18à ¦ ¦465, 995¦ ¦ ¦ 1350,¦ 995 ¦ ¦ +-----------¦ +--------¦ ¦ ¦ 395 ¦ ¦ ¦ ¦ÎÑ18-21à ¦ 1580 ¦565,1195¦ +-----------+------+--------¦ ¦ +-----------¦ +--------+----¦ÎÑ21-15à ¦ ¦385, 775¦ ¦ ¦ÎÑ18-24à ¦ ¦ 1030 ¦ 4 +-----------¦ 1880 +--------¦ ¦ +-----------+-------+--------+----¦ÎÑ21-18à ¦ ¦465, 995¦ ¦ ¦ ¦ 1880 ¦ 565 ¦ +-----------+------+--------¦ ¦ ¦ÎÑ21-21 +-------+--------¦ 2 ¦ÁÑ28-9 ¦ 1350,¦ 695 ¦ ¦ ¦ ¦ 1350, ¦ 1195 ¦ ¦ ¦ 395 ¦ ¦ ¦ ¦ ¦ 395 ¦ ¦ +-----------+------+--------¦ ¦ ¦ ¦ ¦ ¦ ¦ÁÑ28-12 ¦ 1350,¦ 995 ¦ ¦ ¦ ¦ ¦ ¦ ¦ ¦ 395 ¦ ¦ ¦ ¦ ¦ ¦ ¦ +-----------+------+--------+----¦ ¦ ¦ ¦ ¦ ¦ÁÑ28-18 ¦ 1350,¦ 750 ¦ 4 ¦ ¦ ¦ ¦ ¦ ¦ ¦ 395 ¦ ¦ ¦
Òèï Ð
+---------------------------------------------------------------------------------------------+ ¦ ¦ Ðàçìåð, ìì ¦ ¦ Ðàçìåð, ìì ¦ ¦ Ìàðêà +-------------------------------------¦ Ìàðêà +-------------------------------------¦ ¦ ¦ âíóòðåííèé ¦ íàðóæíûé ¦ ¦ âíóòðåííèé ¦ íàðóæíûé ¦ ¦ +------------------+------------------¦ +------------------+------------------¦ ¦ ¦Âûñîòà¦Øèðèíà¦Êîë.¦Âûñîòà¦Øèðèíà¦Êîë.¦ ¦Âûñîòà¦Øèðèíà¦Êîë.¦Âûñîòà¦Øèðèíà¦Êîë.¦ +--------+------+------+----+------+------+----+--------+------+------+----+------+------+----¦ ¦ÎÐ12-9 ¦ ¦ 695 ¦ ¦ ¦ 615 ¦ ¦ ¦ ¦ 525 ¦ 2 ¦ ¦ 455 ¦ 2 ¦ +--------¦ +------¦ ¦ +------¦ ¦ÎÐ18-27æ 1580 +------+----¦ 1530 +------+----¦ ¦ÎÐ12-12¦ ¦ 995 ¦ ¦ ¦ 915 ¦ ¦ ¦ ¦ 1175 ¦ 1 ¦ ¦ 1105 ¦ 1 ¦ +--------¦ +------¦ ¦ +------¦ +--------+------+------+----+------+------+----¦ ¦ÎÐ12- ¦ 980 ¦ 1145 ¦ ¦ 930 ¦ 1065 ¦ ¦ ¦ 1880 ¦ ¦ ¦ 1830 ¦ ¦ ¦ ¦-13,5 ¦ ¦ ¦ ¦ ¦ ¦ ¦ +------¦ ¦ +------¦ ¦ ¦ +--------¦ +------¦ ¦ +------¦ ¦ÎÐ21-27¦ 1350 ¦ 1180 ¦ 1 ¦ 1315 ¦ 1110 ¦ 1 ¦ ¦ ¦ ¦ 385 ¦ ¦ ¦ 315 ¦ ¦ +------¦ ¦ +------¦ ¦ ¦ ¦ÎÐ12-15¦ +------¦ ¦ +------¦ ¦ ¦ 395 ¦ ¦ ¦ 350 ¦ ¦ ¦ ¦ ¦ ¦ 775 ¦ ¦ ¦ 705 ¦ +--------+------+------+----+------+------+----¦ +--------+------+------¦ +------+------¦ ¦ ¦ ¦ 525 ¦ 2 ¦ ¦ 455 ¦ 2 ¦ ¦ ¦ 1050 ¦ ¦ ¦ 1015 ¦ ¦ ¦ÎÐ21-27æ 1880 +------+----¦ 1830 +------+----¦ ¦ÎÐ18-9 +------¦ 695 ¦ +------¦ 615 ¦ ¦ ¦ ¦ 1175 ¦ 1 ¦ ¦ 1105 ¦ 1 ¦ ¦ ¦ 395 ¦ ¦ ¦ 350 ¦ ¦ +--------+------+------+----+------+------+----¦ +--------+------+------¦ +------+------¦ ¦ ¦ 1880 ¦ ¦ ¦ 1830 ¦ 495 ¦ ¦ ¦ ¦ 1050 ¦ ¦ ¦ 1015 ¦ ¦ ¦ +------¦ 565 ¦ +------+------¦ ¦ ¦ÎÐ18-12Â+------¦ 995 ¦ +------¦ 915 ¦ ¦ÎÐ21-21¦ 1350 ¦ ¦ ¦ 1315 ¦ ¦ ¦ ¦ ¦ 395 ¦ ¦ ¦ 350 ¦ ¦ ¦ +------+------¦ +------¦ 1125 ¦ ¦ +--------+------+------¦ +------+------¦ ¦ ¦ 395 ¦ 1195 ¦ ¦ 350 ¦ ¦ ¦ ¦ ¦ 1050 ¦ ¦ ¦ 1015 ¦ ¦ +--------+------+------¦ +------+------¦ ¦ ¦ÎÐÂ18- +------¦ 1145 ¦ +------¦ 1065 ¦ ¦ ¦ 1880 ¦ ¦ 1 ¦ 1830 ¦ ¦ 1 ¦ ¦-13,5 ¦ 395 ¦ ¦ ¦ 350 ¦ ¦ ¦ +------¦ ¦ +------¦ ¦ ¦ +--------+------+------¦ +------+------¦ ¦ÎÐ21-24¦ 1350 ¦ 1030 ¦ ¦ 1315 ¦ 960 ¦ ¦ ¦ ¦ 1580 ¦ 385 ¦ ¦ 1530 ¦ ¦ ¦ +------¦ ¦ +------¦ ¦ ¦ ¦ +------+------¦ +------¦ 315 ¦ ¦ ¦ 395 ¦ ¦ ¦ 350 ¦ ¦ ¦ ¦ÎÐ18-15¦ 1050 ¦ ¦ ¦ 1015 ¦ ¦ +--------+------+------¦ +------+------¦ ¦ ¦ +------¦ 775 ¦ +------+------¦ ¦ ¦ ¦ 565 ¦ ¦ ¦ 495 ¦ ¦ ¦ ¦ 395 ¦ ¦ ¦ 350 ¦ 305 ¦ ¦ÎÐ21-21æ +------¦ ¦ 1830 +------¦ ¦ +--------+------+------¦ +------+------¦ ¦ ¦ 1880 ¦ 1195 ¦ ¦ ¦ 1125 ¦ ¦ ¦ÎÐ18-9à ¦ ¦ 695 ¦ ¦ ¦ 615 ¦ +--------¦ +------+----+------+------+----¦ +--------¦ +------¦ ¦ +------¦ ¦ÎÐ21-24æ ¦ 1030 ¦ 2 ¦ 1830 ¦ 960 ¦ 2 ¦ ¦ÎÐ18-12æ ¦ 995 ¦ 1 ¦ ¦ 915 ¦ 1 +--------+------+------+----+------+------+----¦ +--------¦ +------¦ ¦ +------¦ ¦ ¦ 1350 ¦ ¦ ¦ 1315 ¦ ¦ ¦ ¦ÎÐ18- ¦ 1580 ¦ 1145 ¦ ¦ 1530 ¦ 1065 ¦ ¦ÎÐ21-9 +------¦ 695 ¦ +------¦ 615 ¦ ¦ ¦-13,5à ¦ ¦ ¦ ¦ ¦ ¦ ¦ ¦ 395 ¦ ¦ ¦ 350 ¦ ¦ ¦ +--------¦ +------¦ ¦ +------¦ +--------+------+------¦ +------+------¦ ¦ ¦ ¦ ¦ 385 ¦ ¦ ¦ 315 ¦ ¦ ¦ 1350 ¦ ¦ ¦ 1315 ¦ ¦ ¦ ¦ÎÐ18-15æ +------¦ ¦ +------¦ ¦ÎÐ21-12Â+------¦ 995 ¦ +------¦ 915 ¦ ¦ ¦ ¦ ¦ 775 ¦ ¦ ¦ 705 ¦ ¦ ¦ 395 ¦ ¦ ¦ 350 ¦ ¦ ¦ +--------+------+------¦ +------+------¦ +--------+------+------¦ +------+------¦ ¦ ¦ ¦ ¦ 465 ¦ ¦ ¦ 395 ¦ ¦ ¦ 1350 ¦ ¦ ¦ 1315 ¦ ¦ ¦ ¦ÎÐ12-18¦ +------¦ ¦ +------¦ ¦ÎÐ21- +------¦ 1145 ¦ +------¦ 1065 ¦ ¦ ¦ ¦ ¦ 995 ¦ ¦ 930 ¦ 925 ¦ ¦-13,5 ¦ 395 ¦ ¦ ¦ 350 ¦ ¦ ¦ +--------¦ 980 +------¦ ¦ +------¦ +--------+------+------¦ +------+------¦ ¦ ¦ ¦ ¦ 565 ¦ ¦ ¦ 495 ¦ ¦ÎÐ21-9à ¦ ¦ 695 ¦ ¦ ¦ 615 ¦ ¦ ¦ÎÐ12-21¦ +------¦ ¦ +------¦ +--------¦ +------¦ ¦ +------¦ ¦ ¦ ¦ ¦ 1195 ¦ ¦ ¦ 1125 ¦ ¦ÎÐ21-12æ 1880 ¦ 995 ¦ ¦ 1830 ¦ 915 ¦ ¦ +--------+------+------¦ +------+------¦ +--------¦ +------¦ 1 ¦ +------¦ ¦ ¦ ¦ 1580 ¦ 465 ¦ ¦ 1530 ¦ ¦ ¦ÎÐ21- ¦ ¦ 1145 ¦ ¦ ¦ 1065 ¦ ¦ ¦ +------+------¦ +------¦ 395 ¦ ¦-13,5à ¦ ¦ ¦ ¦ ¦ ¦ ¦ ¦ÎÐ18-18¦ 1050 ¦ ¦ ¦ 1015 ¦ ¦ +--------+------+------¦ +------+------¦ ¦ ¦ +------¦ 995 ¦ +------+------¦ ¦ ¦ 1880 ¦ ¦ ¦ 1830 ¦ ¦ ¦ ¦ ¦ 395 ¦ ¦ ¦ 350 ¦ 925 ¦ ¦ +------¦ 385 ¦ +------¦ 315 ¦ ¦ +--------+------+------¦ +------+------¦ ¦ÎÐ21-15¦ 1350 ¦ ¦ ¦ 1315 ¦ ¦ ¦ ¦ ¦ 1580 ¦ 565 ¦ ¦ 1530 ¦ 495 ¦ ¦ +------+------¦ +------+------¦ ¦ ¦ +------+------¦ +------+------¦ ¦ ¦ 395 ¦ 775 ¦ ¦ 350 ¦ 705 ¦ ¦ ¦ÎÐ18-21¦ 1050 ¦ ¦ ¦ 1015 ¦ ¦ +--------+------+------¦ +------+------¦ ¦ ¦ +------¦ 1195 ¦ +------¦ 1125 ¦ ¦ ¦ 1880 ¦ ¦ ¦ 1830 ¦ ¦ ¦ ¦ ¦ 3950 ¦ ¦ ¦ 350 ¦ ¦ ¦ +------¦ 465 ¦ +------¦ 395 ¦ 1 ¦ +--------+------+------¦ +------+------¦ ¦ÎÐ21-18¦ 1350 ¦ ¦ ¦ 1315 ¦ ¦ ¦ ¦ ¦ 1580 ¦ ¦ ¦ 1530 ¦ ¦ ¦ +------+------¦ +------+------¦ ¦ ¦ +------¦ ¦ +------¦ ¦ ¦ ¦ 395 ¦ 995 ¦ ¦ 350 ¦ 925 ¦ ¦ ¦ÎÐ18-24¦ 1050 ¦ 1030 ¦ ¦ 1015 ¦ 960 ¦ +--------+------+------¦ +------+------¦ ¦ ¦ +------¦ ¦ +------¦ ¦ ¦ ¦ ¦ 775 ¦ ¦ ¦ 705 ¦ ¦ ¦ ¦ 395 ¦ ¦ ¦ 350 ¦ ¦ ¦ÎÐ21-15æ 1880 +------¦ ¦ 1830 +------¦ ¦ +--------+------+------¦ +------+------¦ ¦ ¦ ¦ 385 ¦ ¦ ¦ 315 ¦ ¦ ¦ ¦ ¦ 465 ¦ ¦ ¦ 395 ¦ +--------+------+------¦ +------+------¦ ¦ ¦ÎÐ18-18æ 1580 +------¦ ¦ 1530 +------¦ ¦ ¦ ¦ 995 ¦ ¦ ¦ 925 ¦ ¦ ¦ ¦ ¦ 995 ¦ ¦ ¦ 925 ¦ ¦ÎÐ21-18æ 1880 +------¦ ¦ 1830 +------¦ ¦ +--------+------+------¦ +------+------¦ ¦ ¦ ¦ 465 ¦ ¦ ¦ 395 ¦ ¦ ¦ ¦ ¦ 565 ¦ ¦ ¦ 495 ¦ +--------+------+------¦ +------+------¦ ¦ ¦ÎÐ18-21æ +------¦ ¦ +------¦ ¦ ¦ 1350 ¦ ¦ ¦ 1315 ¦ ¦ ¦ ¦ ¦ 1580 ¦ 1195 ¦ ¦ 1530 ¦ 1125 ¦ ¦ÁÐ28-9 +------¦ 695 ¦ +------¦ 615 ¦ ¦ +--------¦ +------¦ ¦ +------+----¦ ¦ 395 ¦ ¦ ¦ 350 ¦ ¦ ¦ ¦ÎÐ18-24æ ¦ 1030 ¦ ¦ ¦ 960 ¦ 2 +--------+------+------¦ +------+------¦ ¦ +--------+------+------¦ +------+------+----¦ ¦ 1350 ¦ ¦ ¦ 1315 ¦ ¦ ¦ ¦ ¦ 1580 ¦ ¦ ¦ 1530 ¦ ¦ ¦ÁÐ28-12 +------¦ 995 ¦ +------¦ 915 ¦ ¦ ¦ +------¦ ¦ +------¦ ¦ ¦ ¦ 395 ¦ ¦ ¦ 350 ¦ ¦ ¦ ¦ÎÐ18-27¦ 1050 ¦ 1180 ¦ ¦ 1015 ¦ 1110 ¦ 1 +--------+------+------+----+------+------¦ ¦ ¦ +------¦ ¦ +------¦ ¦ ¦ ¦ ¦ ¦ ¦ ¦ 735 ¦ ¦ ¦ ¦ 395 ¦ ¦ ¦ 350 ¦ ¦ ¦ ¦ 1350 ¦ ¦ ¦ 1315 +------¦ ¦ ¦ ¦ ¦ ¦ ¦ ¦ ¦ ¦ ¦ ¦ ¦ ¦ ¦ 685 ¦ ¦ ¦ ¦ ¦ ¦ ¦ ¦ ¦ ¦ÁÐ28-18 +------¦ 750 ¦ 2 +------+------¦ ¦ ¦ ¦ ¦ ¦ ¦ ¦ ¦ ¦ ¦ ¦ ¦ ¦ ¦ 735 ¦ ¦ ¦ ¦ ¦ ¦ ¦ ¦ ¦ ¦ ¦ 395 ¦ ¦ ¦ 350 +------¦ ¦ ¦ ¦ ¦ ¦ ¦ ¦ ¦ ¦ ¦ ¦ ¦ ¦ ¦ 685 ¦ ¦
Òåêñò äîêóìåíòà ñâåðåí ïî: îôèöèàëüíîå èçäàíèå Ì.: ÈÏÊ Èçäàòåëüñòâî ñòàíäàðòîâ, 1996
|
Õîòèòå îïåðàòèâíî óçíàâàòü î íîâûõ ïóáëèêàöèÿõ íîðìàòèâíûõ äîêóìåíòîâ íà ïîðòàëå? Ïîäïèøèòåñü íà ðàññûëêó íîâîñòåé!
Âñå ÃÎÑÒû >> ÃÎÑÒû «Äâåðè âõîäíûå è ìåæêîìíàòíûå, ïåðåãîðîäêè >>


















































