ГОСТ 9624-93. Древесина слоистая клееная.

 ГОСТ 9624-93

Группа К29

     

МЕЖГОСУДАРСТВЕННЫЙ СТАНДАРТ


ДРЕВЕСИНА СЛОИСТАЯ КЛЕЕНАЯ

Метод определения предела прочности при скалывании

Laminated glued wood.

Method for determination of shear strength

ОКСТУ  5509

Дата введения 1995-01-01

     

     

ИНФОРМАЦИОННЫЕ ДАННЫЕ

1.  РАЗРАБОТАН Российской Федерацией

ВНЕСЕН  Техническим секретариатом Межгосударственного совета по стандартизации, метрологии и сертификации

2.  ПРИНЯТ Межгосударственным советом по стандартизации, метрологии и сертификации 21 октября 1993 г.

За  принятие проголосовали:



Наименование

государства


Наименование национального

органа по стандартизации


Республика Беларусь


Белстандарт


Республика Казахстан


Казглавстандарт


Республика Украина


Госстандарт Украины


Российская Федерация


Госстандарт России


3.  ВЗАМЕН ГОСТ 9624-72

4.  ССЫЛОЧНЫЕ НОРМАТИВНО-ТЕХНИЧЕСКИЕ ДОКУМЕНТЫ



Обозначение НТД,

на который дана ссылка



Номер пункта


ГОСТ 166-89


1


ГОСТ 6507-90


1


ГОСТ 9620-72


2.1; 4.2


ГОСТ 9621-72


2.7


ГОСТ 11358-89


1


ГОСТ 28840-90


1


Настоящий  стандарт распространяется на фанеру, фанерные и столярные плиты, древесные слоистые пластики и устанавливает метод определения предела их прочности при скалывании по клеевому слою и по древесине.

1. АППАРАТУРА И ИНСТРУМЕНТЫ

Для  определения предела прочности при скалывании применяют следующие аппаратуру и инструменты:

испытательную  машину по ГОСТ 28840 с погрешностью измерения нагрузки до 1 %;

приспособление  к испытательной машине (черт. 1) для испытания образцов слоистой клееной древесины, изготовленных по черт. 2, 3 и 7;

микрометр  по ГОСТ 6507 или толщиномер по ГОСТ 11358 с погрешностью измерения не более 0,1 мм;

штангенциркуль  по ГОСТ 166 с погрешностью измерения 0,1 мм.

          

Приспособление к испытательной машине

1 - образец; 2 - упорная планка; 3 - планка; 4 - захват; 5 - упор; 6 - траверса

Черт. 1


Допускается  применять другие аппаратуру и инструменты, обеспечивающие требуемую точность измерений.

     

2. ПОДГОТОВКА К ИСПЫТАНИЯМ

2.1.  Отбор образцов, их изготовление и подготовку к испытаниям проводят по ГОСТ 9620.

2.2.  Форма и размеры образцов для испытаний на скалывание по клеевому слою должны соответствовать указанным на черт. 2, 3 и 4.

Образцы  вырезают вдоль волокон наружного слоя.

Пропил  образцов проводят до клеевого слоя, наиболее удаленного от наружного, в соответствии с черт. 2, 3, 4. Если центральный слой состоит из одного или двух слоев шпона, имеющих поперечное направление волокон по отношению к наружным слоям образца, то центральный слой пропиливают до прилегающего к нему продольного слоя.

           

Форма и размеры образцов древесных слоистых пластиков

толщиной до 2,5 мм


Черт. 2, лист 1


Форма и размеры образцов древесных слоистых пластиков

толщиной более 2,5 мм, столярных и фанерных плит

1 - отход; 2 - строганый шпон; 3 - линия реза


Черт. 2, лист 2

     

Форма и размеры образцов фанеры

     

1 - отход; 2 - линия реза


Черт. 3


Форма и размеры образцов 3-слойной

авиационной фанеры толщиной до 2,5 мм

Черт. 4, лист 1


Форма и размеры образцов 5-слойной

авиационной фанеры толщиной до 2,5 мм

Черт. 4, лист 2

При  толщине материала 15 мм и более образцы срезают настолько, чтобы их толщина составила

,

где - толщина материала;

       - глубина пропила, равная 5 мм.

Для  столярной плиты и материала, облицованного строганым шпоном, пропил проводят до клеевого слоя, прилегающего к наружному слою строганого или лущеного шпона, в соответствии с черт. 2. Ширина пропила образца должна равняться 12 мм.

Допускается  другая ширина пропила при изменении конструкции захватывающего приспособления.

Примечание.  Для фанеры толщиной 2,0 мм = 10 мм, толщиной 2,5 мм  = 15 мм.

2.3.  По согласованию с потребителем допускается проводить испытание фанеры на скалывание по клеевому слою на образцах в соответствии с черт. 5.

Форма и размеры образцов фанеры любой слойности,

кроме 4-слойной, для наружных слоев шпона толщиной 1,5 мм и более

- толщина шпона

Черт. 5, лист 1


Форма и размеры образцов фанеры любой слойности, кроме 4-слойной,

для наружных слоев шпона толщиной менее 1,5 мм

Черт. 5, лист 2

     

     

Форма и размеры образцов 4-слойной фанеры

Черт. 5, лист 3

Примечание.  При испытании фанеры любой слойности, кроме 4-слойной, лишние слои шпона срезают в соответствии с черт. 6 для определения прочности склеивания в различных слоях фанеры по сечению.

- отход


Черт. 6

Испытуемые  образцы должны иметь симметричную конструкцию. Пропил проводят на глубину, равную 2/3 толщины шпона , прочность склеивания которого определяют.

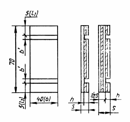
2.4.  Форма и размеры образцов для испытания на скалывание по древесине должны соответствовать указанным на черт. 7 и в таблице.

мм



Ширина плоскости скалывания (толщина материала) ()


Длина плоскости

 скалывания


15


23,0


20


17,0


25


14,0


30


11,5


35


10,0


40


8,5


     

Черт. 7

Примечание.  Для материала толщиной менее 15 мм проводят склеивание (холодный способ) нескольких листов фанеры до получения толщины 15 мм и более. При толщине материала более 40 мм образцы срезают настолько, чтобы их толщина составила 40 мм.

2.5.  Ширину плоскости скалывания для образцов, изготовленных по черт. 3, 4, 5, принимают равной ширине образца, измеренной в середине длины плоскости скалывания; для образцов, изготовленных по черт. 2 и 7, ширину плоскости скалывания образца измеряют посередине длины каждой плоскости скалывания и принимают как среднее арифметическое двух измерений.

Длину  плоскости скалывания и принимают равной среднему арифметическому: двух измерений - для образцов, изготовленных по черт. 3, 4, 5; четырех измерений - для образцов, изготовленных по черт. 2 и 7. Измерения выполняют вдоль кромок плоскости скалывания.

2.6.  Испытания проводят на сухих или влажных образцах в соответствии с требованиями стандартов на продукцию конкретных видов.

Увлажнение  образцов проводят одним из следующих способов:

выдерживанием  в воде при температуре (20±5) °С в течение 24 ч (вымачиванием);

выдерживанием  в воде при температуре 100 °С в течение 1 или 3 ч (кипячением).

После  увлажнения перед испытанием образцы выдерживают (10±1) мин при комнатной температуре.

2.7.  Перед испытанием определяют влажность плиты или листа, из которых вырезают образцы для испытания по ГОСТ 9621. Влажность образцов должна соответствовать нормализованной или установленной в нормативно-технической документации на конкретную продукцию.

3. ПРОВЕДЕНИЕ ИСПЫТАНИЙ

3.1.  Приспособление для испытания образцов укрепляют в захватах испытательной машины так, чтобы вертикальная ось приспособления совпадала с осями захватов машины.

3.2.  Образец устанавливают в приспособлении так, чтобы его лицевая сторона плотно прилегала к упорной планке приспособления с одинаковой силой прижима для каждого образца. Оси образца должны совпадать с осями приспособления.

Образцы,  изготовленные по черт. 4 и 5, закрепляют так, чтобы зажимные губки захватили их не далее чем на 5 мм от пропилов.

3.3.  Образец нагружают равномерно с постоянной скоростью нагружения или постоянной скоростью перемещения нагружающей головки. Скорость должна быть такой, чтобы образец разрушился через (60±30) с.

Образцы,  у которых разрушение произошло не по плоскости скалывания, не учитывают и заменяют другими.

4. ОБРАБОТКА РЕЗУЛЬТАТОВ ИСПЫТАНИЙ

4.1.  Предел прочности при скалывании по клеевому слою и по древесине вычисляют в мегапаскалях с округлением результата до 0,05 МПа по формулам:

,                      (1)

,                         (2)

при  испытании авиационной фанеры толщиной до 2,5 мм

,            (3)

       - максимальная нагрузка, Н;

       - ширина плоскости скалывания, мм;

,   - длина плоскости скалывания, мм;

       - число слоев, шт.

4.2.  Статистическую обработку результатов испытаний и отчет об испытаниях проводят по ГОСТ 9620.

4.3.  За результат испытаний каждого листа фанеры или столярной плиты принимают среднее арифметическое показателей предела прочности при скалывании всех образцов, вырезанных из этого листа (плиты).

За  результат испытания фанерных плит и древесных слоистых пластиков принимают предел прочности при скалывании каждого испытуемого образца.

4.4.  Результаты измерений и расчетов вносят в протокол испытаний (см. приложение).

ПРИЛОЖЕНИЕ

Информационное

     

ПРОТОКОЛ

определения предела прочности при скалывании

Вид  продукции________________________________________________________

Плоскость  скалывания _________________________________________________

Скорость  нагружения __________________________________________________











  

  

  

  

  

Предел прочности при скалывании, МПа


Размер образца, мм


Ширина плоскости скалыва-

ния , мм


Длина плоскости скалыва-

ния , мм


Число слоев , шт.

Макси-

мальная нагрузка

, Н


Влаж-

ность

, %

по клеевому слою

 


по древесине


































Личная  подпись

Расшифровка подписи

"       "_____________19     г.

Текст  документа сверен по:

официальное  издание

М.:  Издательство стандартов, 1994

Предоставлено компанией МГК "Информпроект".




Хотите оперативно узнавать о новых публикациях нормативных документов на портале? Подпишитесь на рассылку новостей!

Все ГОСТы >>    ГОСТы «Пиломатериалы, лесоматериалы >>



Смотрите также: Каталог «Пиломатериалы, лесоматериалы» >>
Компании «Пиломатериалы, лесоматериалы» >>
Статьи (15) >>
ГОСТы (133) >>
СНиПы (2) >>
ВСН (1) >>
Подписка на рассылки >>
Задать вопрос в форуме >>
Форум "Пиломатериалы, хранение и защита древесины" >>
Форум "Антисептики и пропитки для защиты древесины" >>
наверх