ГОСТ 8.217-2003 ГСИ. Трансформаторы тока. Методика поверки
ГОСТ 8.217-2003
МЕЖГОСУДАРСТВЕННЫЙ СТАНДАРТ
Государственная система обеспечения
единства измерений
ТРАНСФОРМАТОРЫ ТОКА
Методика поверки
МЕЖГОСУДАРСТВЕННЫЙ
СОВЕТ
ПО СТАНДАРТИЗАЦИИ, МЕТРОЛОГИИ И СЕРТИФИКАЦИИ
Минск
Предисловие
1 РАЗРАБОТАН Федеральным государственным унитарным предприятием «Уральский научно-исследовательский институт метрологии» (ФГУП «УНИИМ»)
ВНЕСЕН Госстандартом России
2 ПРИНЯТ Межгосударственным советом по стандартизации, метрологии и сертификации (протокол № 23 от 22 мая 2003 г.)
За принятие проголосовали:
|
Наименование государства |
Наименование национального органа по стандартизации |
|
Азербайджан |
Азстандарт |
|
Республика Армения |
Армгосстандарт |
|
Республика Беларусь |
Госстандарт Республики Беларусь |
|
Грузия |
Грузстандарт |
|
Республика Казахстан |
Госстандарт Республики Казахстан |
|
Кыргызская Республика |
Кыргызстандарт |
|
Республика Молдова |
Молдовастандарт |
|
Российская Федерация |
Госстандарт России |
|
Республика Таджикистан |
Таджикстандарт |
|
Туркменистан |
Главгосслужба «Туркменстандартлары» |
|
Республика Узбекистан |
Узгосстандарт |
3 Постановлением Государственного комитета Российской Федерации по стандартизации и метрологии от 26 сентября 2003 г. № 268-ст межгосударственный стандарт ГОСТ 8.217-2003 введен в действие непосредственно в качестве государственного стандарта Российской Федерации с 1 апреля 2004 г.
4 ВЗАМЕН ГОСТ 8.217-87
Содержание
МЕЖГОСУДАРСТВЕННЫЙ СТАНДАРТ
Государственная система обеспечения единства измерений
ТРАНСФОРМАТОРЫ ТОКА
Методика поверки
State system for
ensuring the uniformity of measurements.
Current transformers. Verification procedure
Дата введения 2004-04-01
1 Область применения
Настоящий стандарт распространяется на трансформаторы тока по ГОСТ 7746, измерительные лабораторные трансформаторы тока по ГОСТ 23624 (далее - трансформаторы тока) и устанавливает методику их поверки.
Допускается поверять трансформаторы тока, метрологические характеристики которых не хуже указанных в ГОСТ 7746 и ГОСТ 23624.
2 Нормативные ссылки
В настоящем стандарте использованы ссылки на следующие стандарты:
ГОСТ 8.550-86 Государственная система обеспечения единства измерений. Государственный специальный эталон и государственная поверочная схема для средств измерений коэффициента и угла масштабного преобразования синусоидального тока
ГОСТ 12.2.007.0-75 Система стандартов безопасности труда. Изделия электротехнические. Общие требования безопасности
ГОСТ 12.3.019-80 Система стандартов безопасности труда. Испытания и измерения электрические. Общие требования безопасности
ГОСТ 7746-2001 Трансформаторы тока. Общие технические условия
ГОСТ 8711-93 (МЭК 51-2-84) Приборы аналоговые показывающие электроизмерительные прямого действия и вспомогательные части к ним. Часть 2. Особые требования к амперметрам и вольтметрам
ГОСТ 13109-97 Электрическая энергия. Совместимость технических средств электромагнитная. Нормы качества электрической энергии в системах электроснабжения общего назначения
ГОСТ 18685-73 Трансформаторы тока и напряжения. Термины и определения
ГОСТ 19880-74* Электротехника. Основные понятия. Термины и определения
ГОСТ 21130-75 Изделия электротехнические. Зажимы заземляющие и знаки заземления. Конструкция и размеры
ГОСТ 23624-2001 Трансформаторы тока измерительные лабораторные. Общие технические условия
___________
* На территории Российской Федерации действует ГОСТ Р 52002-2003.
3 Определения
В настоящем стандарте применены термины с соответствующими определениями по ГОСТ 18685, ГОСТ 19880 и [1].
4 Операции поверки
4.1 При проведении всех видов поверки выполняют следующие операции: внешний осмотр - по 9.1;
проверка сопротивления изоляции - по 9.2;
размагничивание - по 9.3;
проверка правильности обозначения контактных зажимов и выводов - по 9.4;
определение погрешностей - по 9.5.
4.2 В случае получения отрицательного результата при выполнении любой операции по 9.1 - 9.5 поверку прекращают и оформляют ее результаты в соответствии с 10.2.
5 Средства поверки
5.1 Средства поверки, применяемые при проведении поверки, - по таблице 1.
Таблица 1
|
Наименование средства поверки и его основные характеристики |
Номер пункта настоящего стандарта |
|
Мегомметр с характеристиками по ГОСТ 7746 или ГОСТ 23624 |
|
|
Понижающий силовой трансформатор с регулирующим устройством, обеспечивающим диапазон регулирования от 1 % до 120 % номинального тока поверяемого трансформатора тока и установку этого тока с погрешностью, не выходящей за пределы ±10 %; трансформатор тока класса точности не ниже 5 по ГОСТ 7746; амперметр класса точности не ниже 5 по ГОСТ 8711; вольтметр амплитудных значений класса точности 10 по ГОСТ 8711; нагрузочный резистор (значение сопротивления указано в 9.3.3) |
|
|
Понижающий силовой трансформатор по 9.3; рабочие эталоны - трансформаторы (компараторы) тока 1-го и 2-го разрядов по ГОСТ 8.550; прибор сравнения токов с допускаемой погрешностью по току в пределах от +0,03 % до ±0,001 % и по фазовому углу от ±3,0' до ±0,1' нагрузочное устройство поверяемого трансформатора тока (вторичная нагрузка) с погрешностью сопротивления нагрузки при cos φ = 0,8, не выходящей за пределы ±4 % |
|
|
Средства поверки по 9.4 |
5.2 Соотношение погрешностей поверяемых трансформаторов тока и рабочих эталонов - по ГОСТ 8.550.
5.3 Допускается применение других средств поверки с метрологическими и основными техническими характеристиками не хуже приведенных в таблице 1.
5.4 При отсутствии нагрузочного устройства (приложение Б) допускается применение действительной нагрузки (или ее эквивалента), с которой работает трансформатор тока и сопротивление которой определено с погрешностью, не выходящей за пределы ±4 %. Нагрузка должна удовлетворять требованиям ГОСТ 7746 или ГОСТ 23624.
6 Требования к квалификации поверителей
К поверке трансформаторов тока допускаются лица, аттестованные на право поверки средств измерений электрических величин, прошедшие обучение для работы с трансформаторами тока и инструктаж по технике безопасности, имеющие удостоверение на право работы на электроустановках напряжением до 1000 В и группу по электробезопасности не ниже III.
7 Требования безопасности
7.1 При проведении поверки соблюдают требования ГОСТ 12.2.007.0, ГОСТ 12.3.019 и [2] - [4].
Следует также соблюдать требования безопасности, указанные в эксплуатационной документации на средства поверки.
7.2 Перед любыми переключениями в цепях схем поверки (рисунки 2 - 4) следует убедиться, что питание установки отключено и ток в первичной цепи поверяемого трансформатора отсутствует. Отключение питания проводят при помощи коммутационного устройства, расположенного до регулятора напряжения или непосредственно после него.
7.3 При определении погрешностей одной из обмоток трансформаторов тока, имеющих две и более вторичных обмотки, каждая из которых размещена на отдельном магнитопроводе, другие вторичные обмотки должны быть замкнуты на нагрузку, не превышающую номинального значения, или накоротко.
8 Условия поверки и подготовка к ней
8.1 При проведении поверки соблюдают следующие условия:
температура окружающей среды - от 15 °С до 35 °С;
атмосферное давление - от 85 до 105 кПа;
относительная влажность воздуха - от 30 % до 80 %;
параметры сети электропитания - по ГОСТ 13109;
отклонение частоты источника питающего напряжения при поверке трансформаторов тока номинальной частотой свыше 50 Гц или номинальным током более 10 кА - по технической документации на трансформаторы конкретных типов, но не более ±5 % от номинальной частоты.
8.2 Перед проведением поверки трансформатор выдерживают на месте поверки не менее двух часов.
8.3 Средства поверки подготавливают к работе согласно указаниям, приведенным в эксплуатационной документации на них.
8.4 Трансформатор предъявляют на поверку со свидетельством о предыдущей поверке, если оно выдавалось.
Примечание - В обоснованных случаях атмосферные условия при поверке могут быть отличными от указанных в 8.1, если при этом не нарушены условия применения используемой аппаратуры и требования безопасности.
9 Проведение поверки
При внешнем осмотре устанавливают соответствие трансформаторов тока следующим требованиям:
- контактные зажимы или выводы первичной и вторичной обмоток должны быть исправны и снабжены маркировкой;
- отдельные части трансформаторов тока должны быть прочно закреплены;
- болт для заземления, если он предусмотрен конструкцией, должен иметь обозначение в соответствии с требованиями ГОСТ 21130;
- корпус трансформатора не должен иметь дефектов, приводящих к утечке заполняющей его жидкой или газовой изоляционной среды;
- короткозамыкатель, если он предусмотрен конструкцией, должен быть исправен;
- на табличке трансформатора должны быть четко указаны его паспортные данные.
Если при внешнем осмотре обнаружены дефекты по приведенному перечню, то трансформатор к дальнейшим операциям поверки не допускается.
9.2 Проверка сопротивления изоляции
Сопротивление изоляции обмоток у трансформаторов тока, предназначенных для эксплуатации в цепях с напряжением более 30 В, проверяют для каждой обмотки между соединенными вместе контактными выводами обмоток и корпусом при помощи мегомметра на 1000 В - для вторичных и промежуточных обмоток трансформаторов тока всех классов напряжения, а также для первичных обмоток трансформаторов тока на класс напряжения менее 1 кВ и мегомметра на 2500 В - для первичных обмоток трансформаторов тока классов напряжения 1 кВ и выше.
Значения сопротивления изоляции должны быть не менее значений, указанных в ГОСТ 7746 и ГОСТ 23624.
9.3.1 Схема размагничивания приведена на рисунке 1. Размагничивание проводят на переменном токе при частоте 50 Гц. Трансформаторы с номинальной частотой свыше 50 Гц допускается размагничивать при номинальной частоте.

Tp - регулирующее устройство (автотрансформатор); Тп - понижающий силовой трансформатор; Tx - поверяемый трансформатор тока; Tв - вспомогательный трансформатор тока; R - резистор
Рисунок 1 - Пример схемы размагничивания трансформатора тока
9.3.2 У трансформаторов тока с несколькими вторичными обмотками, каждая из которых размещена на отдельном магнитопроводе, размагничивают каждый магнитопровод. Допускается размагничивание различных магнитопроводов выполнять одновременно.
9.3.3 Трансформаторы тока размагничивают одним из указанных ниже способов.
Первый способ. Вторичную обмотку замыкают на резистор мощностью не менее 250 Вт и сопротивлением R, Ом, рассчитываемым (с отклонением в пределах ±10 %) по формуле
(1)
где Iном - номинальный вторичный ток поверяемого трансформатора тока, А
Если поверяемый трансформатор тока имеет несколько вторичных обмоток, каждая из которых расположена на своем магнитопроводе, то обмотки, расположенные на остальных магнитопроводах, замыкают накоротко.
Через первичную обмотку пропускают номинальный ток, затем плавно (в течение одной-двух минут) уменьшают его до значения, не превышающего 2 % от номинального;
Второй способ. Через первичную обмотку трансформатора тока при разомкнутой вторичной обмотке пропускают ток, равный 10 % от номинального значения первичного тока, затем плавно снижают его до значения, не превышающего 0,2 % от номинального;
Третий способ. Через вторичную обмотку трансформатора тока при разомкнутой первичной обмотке пропускают ток, равный 10 % от номинального значения вторичного тока, затем плавно снижают его до значения, не превышающего 0,2 % от номинального.
9.3.4 Если при токе в первичной обмотке, составляющем 10 % от номинального значения, амплитудное напряжение на вторичной обмотке превышает 75 % от напряжения, указанного в ГОСТ 7746 или ГОСТ 23624 при испытании межвитковой изоляции, то размагничивание начинают при меньшем значении тока, при котором напряжение, индуктируемое (9.3.3, второй способ) или прикладываемое к вторичной обмотке (9.3.3, третий способ), не превышает указанного.
Примечание - При поверке трансформаторов тока на предприятии-изготовителе (при выпуске из производства) или при ремонте допускается совмещать размагничивание с испытанием межвитковой изоляции или измерением тока намагничивания.
9.4 Проверка правильности обозначения контактных зажимов и выводов
9.4.1 Схемы поверки приведены на рисунках 2 - 4. Правильность обозначения контактных зажимов и выводов определяют по схеме поверки, выбранной для определения погрешностей по 9.5.

~ - сеть (генератор); Тр - регулирующее устройство (автотрансформатор); Тп - понижающий силовой трансформатор; Тх - поверяемый трансформатор тока; Л1, Л2 - контактные зажимы первичной обмотки, И1, И2 - контактные зажимы вторичной обмотки; Z - нагрузка; ПС - прибор сравнения типа К-535
Рисунок 2 - Схема поверки с использованием компаратора первичного и вторичного токов

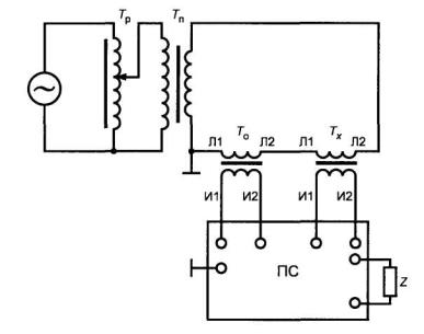
~ - сеть (генератор); Тр - регулирующее устройство (автотрансформатор); Тп - понижающий силовой трансформатор; То - рабочий эталон; Тх - поверяемый трансформатор тока; Л1, Л2 - контактные зажимы первичной обмотки; И1, И2 - контактные зажимы вторичной обмотки; Z - нагрузка; ПС - прибор сравнения
Рисунок 3 - Схема поверки с использованием рабочего эталона и прибора сравнения (компаратора вторичных токов)

~ - сеть (генератор); Тр - регулирующее устройство (автотрансформатор); Тп - понижающий силовой трансформатор; То - рабочий эталон; Тх - поверяемый трансформатор тока; Л1, Л2 - контактные зажимы первичной обмотки; И1, И2 - контактные зажимы вторичной обмотки; К1, К2 - контактные зажимы дополнительной вторичной обмотки; Z - нагрузка; ПС - прибор сравнения типа КТ-01
Рисунок 4 - Схема поверки с использованием рабочего эталона, выполненного по схеме двухступенчатого трансформатора тока
9.4.2 Поверяемый трансформатор тока и рабочий эталон включают в соответствии с маркировкой контактных зажимов по выбранной схеме поверки (см. рисунки 2 - 4). Затем плавно увеличивают первичный ток до значения, составляющего 5 % - 10 % от номинального. В случае правильной маркировки выводов на приборе сравнения токов можно определить соответствующие значения погрешностей поверяемого трансформатора тока. При неправильном обозначении контактных зажимов и выводов или неисправности поверяемого трансформатора тока срабатывает защита в приборе сравнения токов. В этом случае трансформатор тока дальнейшей поверке не подлежит и к применению не допускается.
Примечание - Допускается проводить проверку правильности обозначения выводов другими методами (например, метод с использованием гальванометра и источника постоянного напряжения [5]).
9.5.1 Токовые и угловые погрешности трансформаторов тока определяют дифференциальным (нулевым) методом в соответствии с рисунками 2 - 4 при значениях первичного тока и нагрузки, указанных в 9.5.3. Соединение приборов для измерительной схемы по рисункам 2 - 4 осуществляют в соответствии с требованиями руководства по эксплуатации применяемого прибора сравнения токов. Номинальное значение нагрузки устанавливают до начала измерений. Последовательность выполнения измерений - от минимального значения тока с последующим его увеличением до максимального.
9.5.2 Значения относительной токовой погрешности поверяемого трансформатора тока δf в процентах и абсолютной угловой погрешности Δδ в минутах принимают равными значениям токовой и угловой погрешностей, отсчитываемым по шкалам прибора сравнения токов.
а) для трансформаторов тока, выпускаемых по ГОСТ 23624, и трансформаторов тока классов 0,2S и 0,5S, выпускаемых по ГОСТ 7746, - при значениях первичного тока, составляющих 1; 5; 20; 100 и 120 % от номинального значения, и при номинальной нагрузке, а также при значении первичного тока 100 % или 120 % от номинального значения и нагрузке, равной нижнему пределу диапазона нагрузок, установленному для соответствующих классов точности;
б) для трансформаторов тока классов точности от 0,1 до 1, выпускаемых по ГОСТ 7746, - при значениях первичного тока, составляющих 5 %; 20 %; 100 % от номинального значения и при номинальной нагрузке, а также при значении первичного тока, равного 120 %, и нагрузке, равной нижнему пределу диапазона нагрузок по ГОСТ 7746;
в) для трансформаторов тока классов точности от 3 до 10, выпускаемых по ГОСТ 7746, - при значениях первичного тока 100 % или 120 % от номинального значения и нагрузке, равной 50 % ее номинального значения, но не менее нижнего предела нагрузки, установленного для соответствующего класса точности, а также при значении первичного тока 50 % от номинального значения и номинальной нагрузке;
г) для трансформаторов тока классов точности 5Р и 10Р, выпускаемых по ГОСТ 7746, - при номинальном токе и номинальной нагрузке.
Примечания
1 Погрешности трансформаторов тока, у которых 25 % от номинального значения нагрузки более 15 В·А, определяют при значениях нагрузки 15 В·А и значении первичного тока, равного 100 % от номинального значения тока.
2 Для трансформаторов тока, у которых 25 % от номинального значения нагрузки составляет менее 1 В·А (см. 9.5.3, перечисление б), погрешность определяют при нагрузке 1 В·А.
3 Допускается заменять номинальную нагрузку на нагрузку, превышающую номинальную, но не более чем на 25 %, а нагрузку, соответствующую нижнему пределу диапазона нагрузок, - на любую нагрузку, не превышающую этого предела, вплоть до нулевого значения. Если при изменении нагрузки погрешности трансформаторов тока превысят предельно допускаемые значения, проводят повторное определение погрешностей при нагрузках, равных номинальной и нижнему пределу диапазона нагрузок.
9.5.4 Погрешности шинных, втулочных, встроенных и разъемных трансформаторов тока в первичном токоведущем контуре определяют в соответствии с ГОСТ 7746. Расстояния между осями проводников соседних фаз трансформатора тока до места ближайшего изгиба проводника, служащего первичной обмоткой трансформатора тока, должны быть выбраны в соответствии с указанными в эксплуатационной документации на конкретный тип трансформатора тока.
Погрешности встроенных и шинных трансформаторов тока допускается определять с первичной обмоткой, которую создают пропусканием витков провода через центральное отверстие, при всех значениях номинальных ампервитков. Число витков такой первичной обмотки определяют из условия равенства ее ампервитков номинальному значению первичного тока. Витки должны располагаться в соответствии с технической документацией поверяемого трансформатора тока.
9.5.5 Погрешности многодиапазонных трансформаторов тока определяют:
- для трансформаторов с ответвлениями в обмотках - при всех значениях коэффициента трансформации;
- для секционированных трансформаторов, у которых изменение коэффициента трансформации достигается последовательно-параллельным соединением секций обмоток без изменения ампервитков - при любом коэффициенте трансформации (но для каждой секции).
9.5.6 Погрешности трансформаторов тока номинальной частотой 60 Гц допускается определять на частоте 50 Гц при наличии соответствующих требований в технической документации поверяемых трансформаторов тока.
9.5.7 Погрешности трансформаторов тока, предназначенных для работы на повышенных частотах, определяют на номинальной частоте (частотах), указанной в технической документации поверяемых трансформаторов тока. При отсутствии таких указаний допускается проводить поверку на крайних частотах рабочего диапазона.
9.5.8 При серийном производстве по результатам испытаний для целей утверждения типа и по согласованию с метрологической организацией, проводившей испытания, допускается первичную поверку трансформаторов тока проводить не при всех указанных в 9.5.3 - 9.5.7 значениях тока, нагрузки и коэффициента трансформации.
9.5.9 По заявке потребителя поверку трансформаторов тока, находящихся в эксплуатации, допускается проводить при иных значениях тока и вторичной нагрузки, отличающихся от указанных в настоящем стандарте.
9.5.10 Результаты всех измерений погрешностей трансформаторов тока заносят в протокол, рекомендуемая форма которого приведена в приложении А.
9.5.11 Погрешности поверяемых трансформаторов тока, определяемые с учетом требований 9.5.3 - 9.5.7, не должны превышать пределов допускаемых погрешностей, установленных ГОСТ 7746 и ГОСТ 23624.
10 Оформление результатов поверки
10.1 Положительные результаты поверки оформляют для рабочих средств измерений нанесением оттиска поверительного клейма или навешиванием пломбы с оттиском поверительного клейма, исключающих возможность доступа внутрь трансформатора. Для рабочих эталонов, а также в случаях, предусмотренных 9.5.9, положительные результаты поверки дополнительно оформляют записью в паспорте и (или) выдачей свидетельства о поверке по [6].
10.2 Трансформаторы тока, не удовлетворяющие требованиям настоящего стандарта, к выпуску в обращение и к применению не допускают, свидетельство о предыдущей поверке аннулируют, клеймо гасят и вносят запись в паспорт или выдают извещение о непригодности трансформатора с указанием причин по [6].
ПРИЛОЖЕНИЕ
А
(рекомендуемое)
Форма протокола поверки
ПРОТОКОЛ №Трансформатор тока типа,______________________ класс точности______________________ Заводской № _____________________________________________________________________ Год выпуска _____________________________________________________________________ Номинальный первичный ток_______________________________________________________ Номинальный вторичный ток_______________________________________________________ Номинальная частота (диапазон)____________________________________________________ Предприятие-изготовитель _________________________________________________________ Принадлежит_____________________________________________________________________ наименование организации, представившей трансформатор на поверку Эталонные средства измерений: Рабочий эталон - трансформатор (магнитный компаратор) тока: Наименование __________________, тип _____________________, №_____________________ Класс точности (погрешность)______________________________________________________ Прибор сравнения: Наименование ___________________, тип ____________________, №____________________ Дата предыдущей поверки_________________________________________________________ 1) Результат внешнего осмотра______________________________________________________ соответствует, не соответствует 2) Результат поверки сопротивления изоляции________________________________________ соответствует, не соответствует 3) Результат проверки правильности маркировки выводов_______________________________ соответствует, не соответствует 4) Результаты определения погрешностей
Заключение______________________________________________________________________ годен, не годен Поверку провел___________________________________________________________________ подпись, расшифровка подписи Дата поверки_____________________________________________________________________
|
||||||||||||||
ПРИЛОЖЕНИЕ
Б
(справочное)
Средства измерений, применяемые при поверке трансформаторов тока
Таблица Б.1 - Рабочие эталоны - трансформаторы тока
|
Обозначение типа |
Диапазон первичного тока, А |
Номинальная частота, Гц |
Номинальное значение вторичного тока, А |
Номинальное рабочее напряжение, В |
Предел допускаемой погрешности |
|
|
токовой, % |
угловой |
|||||
|
И509 |
5÷1000 |
От 50 до 9600 |
5 |
500 |
±0,20 |
±10' |
|
И512 |
0,5÷3000 |
50 |
1; 5 |
500 |
±0,05 |
±3' |
|
И523 |
4000÷10000 |
50 |
5 |
500 |
+0,05 |
±3' |
|
И532 |
5÷1000 |
50 |
1; 5 |
660 |
±0,02 |
±1,5' |
|
ТЛЛ35 |
5÷3000 |
50 или 60 |
5 |
35000 |
±0,05 |
±3' |
|
±0,10 |
±5' |
|||||
|
ИТТ3000.5 |
1÷3000 |
50 |
5 |
660 |
±0,01 |
±0,4' |
Таблица Б.2 - Рабочие эталоны - магнитные компараторы тока
|
Обозначение типа |
Диапазон первичного тока, А |
Номинальная частота, Гц |
Номинальное значение вторичного тока, А |
Номинальное рабочее напряжение, В |
Предел допускаемой погрешности |
|
|
токовой, % |
угловой |
|||||
|
И538 |
0,5÷3000 |
50 |
1; 5 |
660 |
±0,005 |
±0,3' |
|
И539 |
4000÷10000 |
50 |
5 |
660 |
±0,005 |
±0,3' |
Таблица Б.3 - Приборы сравнения
|
Обозначение типа |
Номинальный ток, А |
Номинальная частота, Гц |
Предел измерений разности токов (погрешности по 9.5.2) |
Предел допускаемой погрешности |
||
|
токовой, % |
угловой |
токовой, % |
угловой |
|||
|
Р541 |
1; 5 |
От 200 |
От ±0,5 |
От ±30' |
От ±0,025 |
От ±1' |
|
до 8000 |
до ±4 |
до 240' |
до ±0,20 |
до ±8' |
||
|
АИТ |
1; 5 |
50 |
От ±0,3 |
От -10' |
От ±0,003 |
От ±0,3' |
|
до ±10 |
до +650' |
до ±0,10 |
до ±10' |
|||
|
К507 |
1; 2; 2,5; 5 |
50 |
От ±0,1 |
От -3,5' |
От ±0,001 |
От ±0,1' |
|
до ±10 |
до +650' |
до ±0,10 |
до ±10' |
|||
|
К535 |
0,5; 1; 2; 2,5; 5 |
50 |
От ±0,2 |
От ±20' |
±0,005 |
±0,3' |
|
до ±20 |
до ±200' |
|||||
|
КТ01 |
1; 5 |
50 |
От ±0,2 |
От ±20' |
От ±0,001 |
От ±0,1' |
|
до +20 |
до ±2000' |
до ±0,10 |
до ±10' |
|||
Таблица Б.4 - Нагрузочные устройства
|
Обозначение типа |
Диапазон значений нагрузки |
Номинальная частота, Гц |
Номинальный ток, А |
Предел допускаемой погрешности |
|
Р542 |
От 0,4 до 4 Ом (при cos φ = 0,5, . . . , 0,8) |
От 200 до 8000 |
5 |
±(0,05Z + 0,02) Ом |
|
Р5018 |
От 1,25 до 50 Ом - при cos φ = 0,8; |
50 |
5 |
±(0,03Z+ 0,003) Ом |
|
от 1 до 15 Ом - при cos φ = 1 |
||||
|
Р5018/1 |
От 1 до 50 Ом - при cos φ = 0,8; |
|
|
|
|
от 1 до 15 Ом - при сos φ = 1 |
||||
|
Р5002 |
От 0 до 15 Ом - при cos φ = 0,8 и 1; |
50 |
1 |
±(0,04Z + 0,02) Ом |
|
от 0 до 1,6 Ом - при cos φ = 0,8 и 1 |
50 |
5 |
±(0,03Z+ 0,003) Ом |
|
|
НТТ50.5 |
От 1,75 до 50 В·А - при cos φ = 0,8 |
50 |
5 |
±0,04S В·А |
|
УНТТ-5.60 |
От 1,75 до 60 В·А - при cos φ = 0,8 |
50 |
5 |
±0,04S В·А |
|
Обозначения: Z - полное сопротивление нагрузочного устройства; S - полная мощность нагрузочного устройства. |
||||
ПРИЛОЖЕНИЕ
В
(справочное)
Библиография
[1] РМГ 29-99 Государственная система обеспечения единства измерений. Метрология. Основные термины и определения
[2] Правила эксплуатации электроустановок потребителей
[3] Межотраслевые правила по охране труда при эксплуатации электроустановок (Правила безопасности) (ПОТ Р М-016-2001)
[4] РД 34.20.501-95 Правила технической эксплуатации электрических станций и сетей РФ
[5] Курс электрических измерений. - Под редакцией В.Т. Прыткова и А.В. Талицкого. М., 1960, часть I
[6] ПР 50.2.006-94 Государственная система обеспечения единства измерений. Поверка средств измерений. Организация и порядок проведения
Ключевые слова: трансформаторы, ток, поверка
Хотите оперативно узнавать о новых публикациях нормативных документов на портале? Подпишитесь на рассылку новостей!