ГОСТ Р МЭК 60598-1-2003 Светильники. Часть 1. Общие требования и методы испытаний
ГОСТ Р МЭК 60598-1-2003
ГОСУДАРСТВЕННЫЙ СТАНДАРТ РОССИЙСКОЙ ФЕДЕРАЦИИ
Светильники
ЧАСТЬ 1
ОБЩИЕ ТРЕБОВАНИЯ
И МЕТОДЫ ИСПЫТАНИЙ
ГОССТАНДАРТ РОССИИ
Москва
Предисловие
1 РАЗРАБОТАН И ВНЕСЕН Всероссийским научно-исследовательским, проектно-конструкторским светотехническим институтом им. С.И. Вавилова (ООО «ВНИСИ»)
2 ПРИНЯТ И ВВЕДЕН В ДЕЙСТВИЕ Постановлением Госстандарта России от 7 февраля 2003 г. № 51-ст
3 Настоящий стандарт представляет собой аутентичный текст международного стандарта МЭК 60598-1 (1999) «Светильники. Часть 1. Общие требования и методы испытаний» с Изменениями № 1 (1998 г.) и № 2 (1999 г.)
4 ВЗАМЕН ГОСТ Р МЭК 60598-1-99
СОДЕРЖАНИЕ
ГОСТ Р МЭК 60598-1-2003
ГОСУДАРСТВЕННЫЙ СТАНДАРТ РОССИЙСКОЙ ФЕДЕРАЦИИ
|
Светильники Часть 1 ОБЩИЕ ТРЕБОВАНИЯ И МЕТОДЫ ИСПЫТАНИЙ Luminaires. Part 1. General requirements and test methods |
Дата введения 2004-01-01
0 Введение
0.1 Область применения и цель
Настоящий стандарт устанавливает общие требования к светильникам с электрическими источниками света напряжением не более 1000 В. Требования и соответствующие испытания по настоящему стандарту охватывают классификацию, маркировку, механические и электрические требования.
Каждый раздел настоящего стандарта должен применяться совместно с разделом 0 и другими соответствующими разделами, на которые сделаны ссылки.
Каждый раздел МЭК 60598-2 устанавливает частные требования к светильникам для конкретных типов или групп светильников напряжением до 1000 В.
Эти разделы в виде отдельных стандартов разрабатываются как для уточнения конкретных, так и для введения новых требований.
Следует обратить внимание, что настоящий стандарт охватывает все аспекты безопасности (электрическую, тепловую и механическую).
Требования к светотехническим характеристикам светильников находятся в стадии разработки Международной комиссией по освещению (МКО) и поэтому не включены в настоящий стандарт.
Стандарт содержит также требования к светильникам с импульсным зажигающим устройством (ИЗУ) с нормируемым значением амплитуды импульса напряжения, не превышающим указанного в таблице 11.2. Требования распространяются на светильники, у которых ИЗУ совмещено с пускорегулирующим аппаратом (ПРА) или выполнено независимо от него. Требования к светильникам, в которых применяют лампы со встроенными ИЗУ, - в стадии разработки.
В стандарт включены требования к лампам-светильникам.
Основное назначение настоящего стандарта - установление для светильников требований безопасности посредством регламентации общих для всех светильников требований и методов испытаний. Эти требования становятся обязательными для светильников конкретных видов при наличии на них ссылок в МЭК 60598-2.
Разделы части 2 со ссылкой на разделы настоящего стандарта устанавливают применимость требований последнего и очередность проведения испытаний. При необходимости разделы могут содержать дополнительные требования.
Порядок нумерации разделов настоящего стандарта не имеет значения, так как очередность применения требований для светильников конкретного типа или группы определяется соответствующим стандартом части 2. Все стандарты части 2 самостоятельны и не содержат ссылок на другие стандарты этой части.
Если в стандартах части 2 содержится ссылка на требования одного из разделов настоящего стандарта в виде «Применяются положения раздела... МЭК 60598-1», это означает, что все положения этого раздела обязательны, за исключением в явном виде не относящихся к светильникам данного типа.
В соответствии с решениями МЭК новые стандарты МЭК подразделяют на две основные группы: по безопасности и эксплуатационным характеристикам. В стандартах на лампы, с целью обеспечения их безопасной работы, приводится информация о конструировании светильников. Настоящий стандарт является обязательным при испытании светильников.
Следует обратить внимание на стандарты, в которых приведены характеристики ламп и содержится информация о конструировании светильников; применение этих стандартов обязательно при работе с лампами, однако не требует измерения характеристик ламп при проведении типовых испытаний светильников.
В настоящем стандарте методы испытаний выделены курсивом.
Введенные в настоящий стандарт поправки и добавления учитывают совершенствование технологий по повышению безопасности светильников. Национальные органы по стандартизации могут вводить новые формулировки в свои действующие стандарты, чтобы распространить их действия на продукцию, удовлетворяющую предыдущим требованиям. При этом должно быть отмечено, что действие предыдущего стандарта признается лишь до определенной даты, после которой к продукции будут предъявляться требования только нового стандарта.
0.2 Нормативные ссылки
Приведенные нормативные документы содержат положения, на которые даны ссылки в настоящем стандарте. На дату издания настоящего стандарта указаны действующие редакции. Все стандарты подвергают пересмотру и частичным изменениям, поэтому следует применять более поздние издания стандартов, указанных ниже. Члены МЭК и ИСО ведут регистрацию действующих международных стандартов.
МЭК 60061-2 (1969) Цоколи и патроны для ламп, и калибры для проверки их взаимозаменяемости и безопасности. Часть 2. Патроны для электрических ламп. Сводное издание (1995).
МЭК 60061-3 (1969) Цоколи и патроны для ламп, и калибры для проверки их взаимозаменяемости и безопасности. Часть 3. Калибры. Сводное издание (1995).
МЭК 60065 (1985*) Аппаратура электронная сетевая и относящиеся к ней устройства бытового и аналогичного назначения. Требования безопасности.
* Соответствие стандартов МЭК государственным стандартам указано в приложении U.
МЭК 60068-2-63 (1991) Испытание на воздействие внешней среды. Часть 2. Испытания. Испытание Eq. Ударное пружинное устройство.
МЭК 60083 (1975)* Вилки и розетки бытового и аналогичного назначения. Стандартные листы. Изменение № 1 (1979).
МЭК 60085 (1984) Тепловая оценка и классификация электрической изоляции.
МЭК 60112 (1979)* Метод определения сравнительного и контрольного индексов трекингостойкости твердых электроизоляционных материалов во влажной среде.
МЭК 60155 (1993)* Стартеры для трубчатых люминесцентных ламп.
МЭК 60216 Руководство по определению нагревостойкости электроизоляционных материалов.
МЭК 60227* Кабели с поливинилхлоридной изоляцией на номинальное напряжение до 450/750 В включительно.
МЭК 60238 (1998)* Патроны резьбовые для ламп.
МЭК 60245* Кабели с резиновой изоляцией на номинальное напряжение до 450/750 В включительно.
МЭК 60249* Материалы фольгированные для печатных плат.
МЭК 60320* Соединители приборные бытового и аналогичного назначения.
МЭК 60357 (1982) Галогенные лампы накаливания (не для транспортных средств). Изменения № 1 (1984), № 2 (1985), № 3 (1987), № 4 (1989), № 5 (1992), № 6 (1993), № 7 (1994), № 8 (1995).
МЭК 60360 (1998)* Стандартный метод измерения превышения температуры на цоколе лампы.
МЭК 60364-3 (1993)* Электрические установки зданий. Часть 3. Оценка основных характеристик. Изменения № 1 (1993), № 2 (1995).
МЭК 60364-7-702 (1983) Электрические установки зданий. Часть 7. Требования к специальным установкам или помещениям. Раздел 702. Плавательные бассейны.
МЭК 60384-14 (1995)* Конденсаторы постоянной емкости для электронной аппаратуры. Часть 14. Технические требования. Конденсаторы постоянной емкости для подавления радиопомех. Выбор методов испытаний и общие положения.
МЭК 60400 (1996)* Патроны для трубчатых люминесцентных ламп и стартеров.
МЭК 60416 (1988) Общие принципы составления графических символов для использования на оборудовании.
МЭК 60417 (1973)* Графические символы, наносимые на аппаратуру. Указатель, обзор и набор отдельных листов.
МЭК 60432-1 (1993)* Требования безопасности для ламп накаливания. Часть 1. Лампы накаливания вольфрамовые бытового и аналогичного общего освещения. Изменение № 1 (1995).
МЭК 60432-2 (1994)* Требования безопасности для ламп накаливания. Часть 2. Лампы вольфрамовые галогенные бытового и аналогичного общего освещения.
МЭК 60529 (1996)* Степени защиты, обеспечиваемые оболочками (Код IP).
МЭК 60570 (1995)* Шинопроводы электрические для светильников. Общие требования и методы испытаний.
МЭК 60598-2 Светильники. Часть 2. Частные требования.
МЭК 60598-2-4 (1997)* Светильники переносные общего освещения.
МЭК 60630 (1994) Максимальные контуры ламп общего назначения.
МЭК 60634 (1993) Лампы специальные для проведения тепловых испытаний светильников.
МЭК 60662 (1980) Лампы натриевые высокого давления. Изменения № 2 (1987), № 3 (1990), № 4 (1992), № 5 (1993), № 6 (1994), № 7, № 8 (1995).
МЭК 60664-1 (1992) Координация изоляции для приборов низковольтных систем. Часть 1. Принципы, требования и испытания.
МЭК 60684 Технические условия на гибкие электроизоляционные трубки.
МЭК 60695-2-2 (1991)* Испытание на пожароопасность. Часть 2. Методы испытаний. Испытание острым пламенем.
МЭК 60742 (1983)* Трансформаторы разделительные и безопасные разделительные трансформаторы. Технические требования.
МЭК 60838 Патроны различные для ламп.
МЭК 60901 (1996)* Лампы люминесцентные одноцокольные. Требования безопасности и эксплуатации.
МЭК 60920 (1990)* Аппараты пускорегулирующие для трубчатых люминесцентных ламп. Общие требования и требования безопасности. Изменения № 1 (1993), № 2 (1995).
МЭК 60922 (1997)* Устройства для ламп. Аппараты пускорегулирующие для разрядных ламп (кроме люминесцентных). Общие требования и требования безопасности.
МЭК 60924 (1990)* Аппараты пускорегулирующие электронные, питаемые от источников постоянного тока, для трубчатых люминесцентных ламп. Общие требования и требования безопасности. Изменение № 1 (1993).
МЭК 60972 (1989) Классификация и описание новых светотехнических изделий. Изменение № 1 (1991).
МЭК 60989 (1991) Разделительные трансформаторы, автотрансформаторы, регулируемые трансформаторы и стабилизаторы.
МЭК 60990 (1990) Методы измерения токов открытых и изолированных проводников.
МЭК 61032 (1990) Испытательный щуп для проверки защиты оболочек.
МЭК 61046 (1993)* Устройства вспомогательные для ламп. Преобразователи электронные понижающие, питаемые от источников постоянного или переменного тока, для ламп накаливания. Общие требования и требования безопасности. Изменение № 1 (1995.)
МЭК 61058-1 (1990) Выключатели для приборов. Часть 1. Общие требования. Изменения № 1 (1993), № 2 (1994).
МЭК 61167 (1992) Лампы металлогалогенные. Изменения № 1 (1995), № 2 (1995), № 3 (1998).
МЭК 61184 (1993)* Патроны байонетные.
МЭК 61195 (1993)* Лампы люминесцентные двухцокольные. Требования безопасности МЭК 61199 (1993)* Лампы люминесцентные одноцокольные. Требования безопасности ИСО 75 (1987) Пластмассы и эбонит. Определение изменения температуры в течение срока службы.
ИСО 75-2 (1993) Пластмассы. Определение изменения температуры в течение срока службы. Часть 2. Пластмассы и эбонит.
ИСО 1891 (1979) Болты, винты, гайки и арматура. Термины и номенклатура ИСО 4046 (1978) Бумага, картон, целлюлоза. Словарь.
0.3 Общие требования
Светильники должны быть рассчитаны и сконструированы так, чтобы при нормальной эксплуатации они не представляли угрозы имуществу, здоровью и жизни граждан. Как правило, соответствие этим требованиям проверяют проведением всех указанных испытаний.
0.3.1. Светильник должен удовлетворять одному из стандартов части 2 МЭК 60598. Если для конкретного светильника или группы светильников соответствующий стандарт отсутствует, должен применяться тот стандарт части 2, чьи требования и методы испытаний наиболее подходят для данного светильника.
Если конструкция светильника такова, что подходят два или более стандарта части 2, то он должен отвечать их требованиям.
0.3.2. При испытании лампы-светильники должны считаться светильниками.
0.4 Общие требования к испытаниям и проверкам
0.4.1. Испытания по настоящему стандарту относятся к типовым. Определение «типовое испытание» приведено в разделе 1.
Примечание - Требования и допуски, регламентированные настоящим стандартом, предъявляются к изделиям выборки для типовых испытаний. Соответствие изделий выборки требованиям безопасности настоящего стандарта не дает оснований считать, что этим требованиям удовлетворяют все изделия изготовителя.
Соответствие всех изделий требованиям безопасности устанавливают по результатам дополнительных испытаний, проводимых самим изготовителем.
Светильники не могут считаться соответствующими требованиям настоящего стандарта, если внутренний монтаж выполнен неполностью.
Обычно испытания проводят на одном образце светильника или, по согласованию с изготовителем, на светильнике из ряда однотипных для каждого нормируемого значения мощности (см. приложение Т). Выбирают светильник с такими приспособлениями, которые создают наиболее неблагоприятную комбинацию с точки зрения испытаний.
Каждый образец светильника должен подвергаться всем соответствующим испытаниям. Для сокращения времени испытаний, и обеспечения возможности проведения испытаний методом разрушающего контроля изготовитель может предоставлять дополнительные образцы светильников или их детали, обеспечивая идентичность применяемых материалов и конструкции. Если испытание проводят «внешним осмотром», оно должно включать в себя все необходимые для этого операции сборки.
Для светильников, подключаемых к шинопроводу, изготовитель обязан предоставлять вместе со светильником образцы соответствующего шинопровода, соединителя и адаптера.
Комбинированные светильники испытывают на соответствие требованиям безопасности в таких вариантах конструкции, которые создают наиболее неблагоприятные условия эксплуатации.
Некоторые детали светильников, такие как шарниры, пантографы и устройства регулировки высоты подвеса, могут испытываться отдельно, если конструкция деталей такова, что их рабочие характеристики не оказывают неблагоприятного влияния на другие детали светильников.
Светильники, в которых применяют несъемный гибкий кабель или шнур, должны испытываться с гибким кабелем или шнуром.
Если светильники предназначены для использования с рассеивателем, стационарно не присоединенным, то изготовитель светильника должен предоставлять рассеиватель того типа, который должен применяться в светильнике.
0.4.3. Проверка и испытания
Светильники, испытываемые на соответствие требованиям настоящего стандарта, могут иметь протокол испытаний, удовлетворяющий предшествующим изданиям стандарта, который уточняют согласно последнему изданию настоящего стандарта путем испытания нового образца.
В этом случае проведение всех испытаний не является обязательным и достаточно ограничиться проверками по пунктам, отмеченным буквой «R» и включенным в приложение S.
Примечание - Пункты, отмеченные буквой «R» и включенные в приложение S, будут приведены в следующих изменениях/изданиях.
0.5 Компоненты светильников
0.5.1. Компоненты светильника, кроме несъемных, должны отвечать требованиям соответствующих стандартов МЭК, если они имеются.
Компоненты, удовлетворяющие требованиям соответствующих стандартов и имеющие собственную маркировку, проверяют на предмет их пригодности в условиях, которые могут иметь место при эксплуатации светильников. При возникновении ситуаций, выходящих за рамки стандартов на сертифицированные компоненты, последние должны быть испытаны на соответствие требованиям настоящего стандарта.
Проверку проводят внешним осмотром и проведением соответствующих испытаний.
Несъемные компоненты по возможности максимально должны соответствовать требованиям стандартов МЭК на самостоятельные компоненты светильника.
Примечание - Это не означает, что компоненты необходимо испытывать отдельно от светильника.
Провода внутреннего монтажа светильника должны удовлетворять требованиям 5.3.
Примечание - Данное требование распространяется и на используемые стандартные кабели.
0.5.2. Компоненты, которые отвечают требованиям соответствующих стандартов МЭК, должны проверяться только по тем требованиям настоящего стандарта, которых нет в стандарте на компонент.
Примечание - Протокол испытаний должен отразить эти проверки.
Патроны для ламп и стартеров после установки в светильник должны дополнительно подвергаться проверке калибрами и на взаимозаменяемость согласно стандартам МЭК на патроны.
0.5.3. Компоненты, для которых нет соответствующего стандарта МЭК, должны отвечать требованиям стандарта на светильник как детали светильника. Патроны для ламп и стартеров дополнительно должны подвергаться проверке калибрами и на взаимозаменяемость согласно стандартам МЭК на патроны, если они подходят.
Примечание - Примерами компонентов являются патроны для ламп, выключатели, трансформаторы, ПРА, гибкие кабели и шнуры, штепсельные вилки.
0.5.4. Требование настоящего стандарта считают обеспеченным, если используется рассеиватель соответствующей спецификации.
0.6 Перечень разделов МЭК 60598-2
1. Светильники стационарные общего назначения.
2. Светильники встраиваемые.
3. Светильники для освещения улиц и дорог.
4. Светильники переносные общего назначения.
5. Прожекторы заливающего света.
6. Светильники с встроенными трансформаторами для ламп накаливания.
7. Светильники переносные для использования в саду.
8. Светильники ручные сетевые.
9. Светильники для фото- и киносъемки (непрофессиональные).
10. Светильники переносные детские игровые.
11 - 16. В настоящее время не используются.
17. Светильники для освещения сцен теле- и киностудий (внутри и снаружи).
18. Светильники для плавательных бассейнов и аналогичного применения.
19. Светильники вентилируемые (требования безопасности).
20. Гирлянды световые.
21. В настоящее время не используется.
22. Светильники для аварийного освещения.
23. Осветительные системы сверхнизкого напряжения для ламп накаливания.
24. Светильники с ограничением температуры поверхности.
25. Светильники для использования в клинических зонах больниц и других медицинских учреждений.
1 Термины и определения
1.1 Общие положения
Настоящий раздел содержит общие термины, относящиеся к светильникам.
1.2 Определения
Определения, относящиеся к лампам, приведены в стандартах на лампы соответствующих видов.
Если не указано иное, то под понятиями «напряжение» и «ток» понимают их действующие значения.
В настоящем стандарте применяют следующие определения.
1.2.1. светильник: Прибор, перераспределяющий, фильтрующий и преобразующий свет, излучаемый одной или несколькими лампами, и содержащий все необходимые детали для установки, крепления его и ламп, но не сами лампы, а также электрические цепи и элементы для присоединения его к электрической сети.
Примечание - Прибор с несъемными незаменяемыми лампами считают светильником, за исключением приборов с несъемными лампами и лампами со встроенными ПРА, которые не подвергают испытаниям.
1.2.2. основная часть (светильника): Часть светильника, которую крепят к монтажной поверхности или устанавливают непосредственно на ней, или подвешивают к ней (в состав этой части могут входить или не входить лампы, патроны для ламп и другие вспомогательные устройства).
Примечание - В светильниках с лампами накаливания часть светильника, содержащая патрон, обычно является основной частью.
1.2.3. обычный светильник: Светильник, имеющий защиту от случайного прикосновения к токоведущим деталям, но без специальной защиты от попадания пыли, твердых частиц или влаги.
1.2.4. светильник общего назначения: Светильник, не предназначенный для специального назначения.
Примечание - Примерами светильников общего назначения являются подвесные светильники, отдельные прожекторы и некоторые стационарные светильники для установки на поверхности или встраиваемые. Примерами светильников специального назначения являются светильники для тяжелых условий эксплуатации, фото- и киносъемок, а также для плавательных бассейнов.
1.2.5. подвижный светильник: Светильник, основная часть которого может изменять положение в пространстве при помощи шарниров, пантографов и гибких стоек, телескопических и подобных устройств.
Примечание - Подвижный светильник может быть стационарным или переносным.
1.2.6. базовый светильник: Светильник, состоящий из минимального комплекта деталей, который может обеспечить выполнение требований МЭК 60598-2.
1.2.7. комбинированный светильник: Светильник, содержащий базовый светильник и одну или несколько деталей, которые могут быть заменены вручную или при помощи инструмента другими деталями или использованы в комбинации с ними.
1.2.8. стационарный светильник: Светильник, который нельзя перемещать с одного места на другое или крепление которого выполнено так, что переместить его возможно только при помощи инструмента, и предназначенный для использования в труднодоступном месте.
Примечание - Как правило, стационарные светильники рассчитаны на постоянное присоединение к электрической сети без помощи штепсельных вилок или подобных устройств.
Примерами светильников, предназначенных для использования в труднодоступном месте, являются подвесные и потолочные светильники.
1.2.9. переносной светильник: Светильник, который при нормальном использовании можно легко перемещать без отключения от электрической сети.
Примечание - К переносным относятся настольные светильники с несъемным гибким кабелем или шнуром, снабженным штепсельной вилкой, и светильники, которые могут быть закреплены на основании при помощи винтов-барашков, зажимов или крюков так, чтобы обеспечивалось быстрое снятие их с основания вручную.
1.2.10. встраиваемый светильник: Светильник, предназначенный для полного или частичного встраивания в монтажную полость.
Примечание - Термин относится как к светильникам, предназначенным для работы в замкнутых объемах, так и к устанавливаемым в специальные полости, например в подвесных потолках.
1.2.11. нормируемое напряжение: Значение(я) напряжения питания, на которое(ые) рассчитан изготовителем светильник.
1.2.12. ток сети (питания): Значение тока, протекающего через сетевые контактные зажимы светильника, работающего при нормируемых значениях напряжения и частоты.
1.2.13. нормируемая мощность: Нормируемая суммарная мощностей всех ламп, на которые рассчитан светильник.
1.2.14. несъемный гибкий кабель или шнур: Гибкий кабель или шнур, отсоединение которого от светильника возможно только при помощи инструмента.
Примечание - Светильники могут обеспечиваться несъемными гибкими кабелями или шнурами, или предназначенными для использования гибкими кабелями или шнурами креплений типов X, Y или Z.
1.2.15. токоведущая деталь: Деталь, которая при нормальном использовании может стать причиной поражения электрическим током. При этом нейтральный провод должен рассматриваться как токоведущая деталь.
Примечание - Метод испытания по определению, является или нет проводящая деталь токоведущей, и может ли она стать причиной поражения электрическим током, указан в приложении А.
1.2.16. основная изоляция: Изоляция токоведущих деталей, обеспечивающая основную защиту от поражения электрическим током.
Примечание - Основная изоляция не обязательно должна включать изоляцию, используемую только для функционального назначения.
1.2.17. дополнительная изоляция: Самостоятельная изоляция, дополняющая основную и предназначенная для защиты от поражения электрическим током в случае повреждения основной изоляции.
1.2.18. двойная изоляция: Изоляция, состоящая из основной и дополнительной изоляции.
1.2.19. усиленная изоляция: Единая система изоляции токоведущих деталей, обеспечивающая защиту от поражения электрическим током, эквивалентную двойной изоляции.
Примечание - Термин «система изоляции» не означает, что изоляция является цельной, однородной. В систему изоляции может входить несколько слоев, которые не подвергают испытаниям отдельно как основную или дополнительную изоляцию.
1.2.20. (В настоящее время не используется)
1.2.21. светильник класса защиты 0 (применяется только для обычных светильников): Светильник, в котором защита от поражения электрическим током обеспечивается основной изоляцией. Не предусмотрено присоединение доступных для прикосновения токопроводящих деталей, если они имеются, к защитному заземляющему проводу стационарной проводки, а функцию защиты при повреждении основной изоляции выполняет внешняя оболочка.
Примечания
1. Светильники класса защиты 0 могут иметь корпус из изоляционного материала, выполняющий полностью или частично функции основной изоляции, или из металла. В последнем случае корпус электрически изолируют от токоведущих деталей по крайней мере основной изоляцией.
2. Светильник, имеющий корпус из изоляционного материала и устройство для заземления внутренних деталей, относят к классу защиты I.
3. Светильники класса защиты 0 могут иметь детали с двойной или усиленной изоляцией.
1.2.22. светильник класса защиты I: Светильник, в котором защита от поражения электрическим током обеспечивается не только основной изоляцией, но и путем присоединения доступных для прикосновения нетоковедущих проводящих деталей к защитному (заземленному) проводу стационарной проводки таким образом, чтобы доступные нетоковедущие проводящие детали не могли стать токоведущими в случае повреждения основной изоляции.
Примечания
1. В светильниках, имеющих гибкий кабель или шнур, присоединение осуществляют при помощи защитной жилы гибкого кабеля или шнура.
2. Если светильник имеет двухжильный гибкий кабель или шнур со штепсельной вилкой без заземляющего контакта (бывший класс защиты 0I), то его защита соответствует классу 0, а заземление светильника во всех отношениях должно полностью соответствовать требованиям класса защиты I.
3 Светильники могут иметь детали с двойной или усиленной изоляцией.
1.2.23. светильник класса защиты II: Светильник, в котором защита от поражения электрическим током обеспечивается не только основной изоляцией, но и путем применения двойной или усиленной изоляции, и который не имеет устройства для защитного заземления или специальных средств защиты в электрической установке.
Примечания
1. Светильник может иметь следующие дополнения:
a) светильник с прочным корпусом, полностью выполненным из изоляционного материала, который закрывает все металлические детали, кроме таких мелких деталей, как шильдики, винты и заклепки, изолированные от токоведущих деталей по крайней мере усиленной изоляцией. Такие приборы называют светильниками класса защиты II с изоляционным корпусом;
b) светильник с практически сплошным металлическим корпусом с двойной изоляцией токоведущих деталей, за исключением мест, где применена усиленная изоляция из-за невозможности использования двойной изоляции. Такой прибор называют светильником класса защиты II с металлическим корпусом;
c) светильник, представляющий собой комбинацию указанных в подпунктах a) и b) исполнений.
2. Корпус светильника, выполненный из изоляционного материала, может частично или полностью выполнять функции дополнительной или усиленной изоляции.
3. Если заземление для облегчения зажигания ламп не соединено ни с одной доступной для прикосновения металлической деталью, то светильник относят к классу защиты II. Оболочки цоколей ламп и полосы для зажигания на лампе не относят к доступным для прикосновения металлическим деталям, если только испытания по приложению А не требуют их отнесения к токоведущим деталям.
4. Светильник с двойной и/или усиленной изоляцией, имеющий контактный зажим или контакт для заземления, относят к классу защиты I. Стационарный светильник класса защиты II, рассчитанный на шлейфовый способ присоединения, может иметь внутренний контактный зажим заземления для обеспечения непрерывности заземляющего провода, не оканчивающегося в этом светильнике, при условии, что этот зажим изолирован от доступных для прикосновения металлических деталей изоляцией, характерной для класса защиты II.
5. Светильники класса защиты II могут иметь элементы, у которых защита от поражения электрическим током обеспечивается использованием безопасного сверхнизкого напряжения (БСНН).
1.2.24. светильник класса защиты III: Светильник, в котором защита от поражения электрическим током обеспечивается применением безопасного сверхнизкого напряжения питания (БСНН) и в котором не возникает напряжение, превышающее БСНН.
Примечание - Светильник не должен иметь зажимов для защитного заземления.
1.2.25. нормируемая максимальная окружающая температура (tа): Верхний предел окружающей температуры, установленный изготовителем, при котором светильник работает в нормальных условиях.
Примечание - Это не исключает возможности кратковременной работы при температуре не более (ta + 10) °С.
1.2.26. нормируемая максимальная рабочая температура корпуса ПРА, конденсатора или зажигающего устройства (tc): Максимальная температура наружной поверхности (в конкретной точке, если она указана) этих компонентов при нормальном использовании и нормируемом или максимальном значении напряжения, на которое рассчитан светильник.
1.2.27. нормируемая максимальная рабочая температура обмотки (tw): Рабочая температура обмотки ПРА, рассчитанная на обеспечение 10 лет непрерывной работы ПРА.
1.2.28. пускорегулирующий аппарат (ПРА): Устройство, включаемое последовательно с одной или несколькими разрядными лампами, которое благодаря своему свойству - индуктивности, емкости или омическому сопротивлению в сочетании их или отдельно - обеспечивает ограничение тока лампы (ламп) на заданном уровне.
ПРА может также выполнять функции преобразования напряжения питания и содержать устройства, которые обеспечивают напряжение зажигания и ток предварительного подогрева, препятствуют зажиганию ламп в холодном состоянии, снижают стробоскопический эффект, корректируют мощности и подавляют радиопомехи.
1.2.29. независимое устройство управления лампой: Устройство, состоящее из одного или нескольких блоков, конструкция которого обеспечивает возможность его установки вне светильника и защиту в соответствии с его маркировкой без применения дополнительного кожуха.
1.2.30. встраиваемое устройство управления лампой: Устройство, конструкция которого рассчитана только на размещение внутри светильника и не предусматривает возможности установки его вне светильника без специальной защиты.
1.2.31. несъемный патрон для ламп: Элемент светильника, обеспечивающий крепление лампы и электрический контакт с ней, который выполнен как деталь светильника.
1.2.32. отсек ПРА: Часть объема светильника, предназначенная для установки ПРА.
1.2.33. светопропускающая оболочка: Светопропускающие элементы светильника, которые одновременно могут обеспечивать защиту ламп и других его компонентов. Термин распространяется на рассеиватели, преломлятели и подобные светопропускающие элементы.
1.2.34. стационарная проводка: Кабель, являющийся частью стационарной электрической сети, к которой подключается светильник.
Примечание - Стационарная проводка может входить внутрь светильника и подключаться к контактным зажимам, в том числе к контактным зажимам патронов для ламп, выключателей и т.п.
1.2.35. приборный штепсельный соединитель: Устройство, обеспечивающее присоединение гибкого кабеля к светильнику и состоящее из приборной вилки с внутренними цилиндрическими контактами, смонтированной на гибком кабеле, и приборной розетки с контактными штырями, встроенной в светильник или стационарно закрепленной на нем.
1.2.36. внешние провода: Провода, как правило, расположенные вне светильника и поставляемые вместе с ним.
Примечания
1. Внешние провода могут применяться для присоединения светильника к электрической сети, к другим светильникам или независимым ПРА.
2. Внешние провода по всей их длине не обязательно должны располагаться только вне светильника.
1.2.37. провода внутреннего монтажа: Провода, как правило, расположенные внутри светильника и поставляемые вместе с ним, которые обеспечивают соединения между контактными зажимами внешних проводов или кабелей питания и контактными зажимами патронов для ламп, выключателей и других компонентов.
Примечание - Провода внутреннего монтажа по всей их длине не обязательно должны располагаться внутри светильника.
1.2.38. нормально воспламеняемый материал: Материал, который имеет температуру воспламенения не менее 200 °С, не размягчается и не деформируется до достижения этой температуры.
Например, дерево и материалы на его основе толщиной более 2 мм.
Примечание - Температура воспламенения нормально воспламеняемого материала и его стойкость к размягчению или деформации являются производными от общепринятых величин и определяются при длительности испытания 15 мин.
1.2.39. легковоспламеняемый материал: Материал, который не может быть отнесен ни к нормально воспламеняемым, ни к негорючим материалам.
Например, древесный шпон и материалы на основе дерева толщиной менее 2 мм.
1.2.40. негорючий материал: Материал, не способный поддерживать горение.
Примечание - В соответствии с этим определением такие материалы, как металл, гипс, бетон, относят к негорючим.
1.2.41. воспламеняемый материал: Материал, не удовлетворяющий испытанию раскаленной проволокой по 13.3.2.
1.2.42. безопасное сверхнизкое напряжение (БСНН): Действующее значение напряжения переменного тока (см. примечание 1), не превышающее 50 В между фазами или между фазой и землей в цепи, которая изолирована от сети питания посредством безопасного разделительного трансформатора или преобразователя с разделенными обмотками.
Примечания
1. Значение напряжения постоянного тока - в стадии рассмотрения.
2. Указанное значение напряжения не должно быть превышено ни при полной нагрузке, ни на холостом ходу, при этом предполагается, что трансформатор или преобразователь работает при нормируемом напряжении сети.
1.2.43. рабочее напряжение: Максимальное напряжение (действующее значение), которое имеет место на токоведущих частях светильника при нормируемом напряжении электрической сети при разомкнутой или замкнутой цепи, при этом переходные процессы во внимание не принимают.
1.2.44. типовые испытания: Испытание или серия испытаний, проводимых на выборке для типовых испытаний с целью проверки соответствия конструкции светильника конкретного типа требованиям соответствующего стандарта.
1.2.45. выборка для типовых испытаний: Выборка, состоящая из одного или нескольких образцов светильников одного типа, представленная изготовителем или ответственным поставщиком для проведения типовых испытаний.
1.2.46. обслуживание вручную: Обслуживание без применения инструмента или любых других подручных средств.
1.2.47. контактный зажим: Часть светильника или его компонента, обеспечивающая электрическое присоединение проводов. См. разделы 14 и 15.
1.2.48. шлейфовый способ присоединения (прямое питание): Способ присоединения двух или более светильников к электрической сети, когда каждый провод вставляется в один контактный зажим и выводится из него же.
Примечание - Провод для облегчения вставления в контактный зажим может быть разрезан (см. рисунок 20).
1.2.49. сквозная проводка: Проводка, проходящая сквозь светильник без присоединения к нему.
Примечания
1. В некоторых странах сквозная проводка не разрешена.
2. Светильник может быть также присоединен к сквозной проводке (см. рисунок 20).
1.2.50. зажигающее устройство: Устройство, которое самостоятельно или в сочетании с другими устройствами обеспечивает электрический режим зажигания разрядных ламп.
1.2.51. стартер: Устройство, используемое для люминесцентных ламп, которое обеспечивает необходимый предварительный подогрев электродов и совместно с последовательно присоединенным ПРА создает импульс напряжения, достаточный для зажигания лампы.
1.2.52. импульсное зажигающее устройство (ИЗУ): Устройство, которое создает импульс напряжения для зажигания разрядных ламп без предварительного подогрева электродов.
1.2.53. клеммная колодка: Набор из одного или нескольких контактных зажимов, установленных внутри или на одном корпусе из изоляционного материала и служащих для обеспечения взаимных соединений проводов.
1.2.54. светильник для тяжелых условий обслуживания: Светильник, предназначенный для обслуживания в труднодоступных местах.
Примечания
1. Светильник может быть:
- стационарно установлен;
- временно установлен на конструкцию или встроен в стенд;
- встроен в стенд стационарно.
2. Такие светильники обычно используют в тяжелых условиях окружающей среды или когда требуется временное освещение, например при строительстве зданий, инженерных сооружений и аналогичных объектов.
Система может быть предназначена для определенного светильника или может обеспечивать присоединение светильников различных типов.
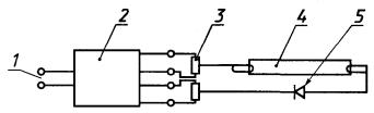
На рисунке IS03 приведен образец электромеханической контактной системы, определенной в 1.2.55. К ней применимы также требования 4.11.6 и 7.2.1.
Так как в рассматриваемом случае основание и откидываемая часть составляют единое целое и не взаимозаменяемы, то основание не обязательно маркировать нормируемым током электрического соединения, как это оговорено в 3.2.
1 - штепсельная соединительная розетка, подключаемая к питающей сети; 2 - основная часть светильника (основание); 3 - шарнирное соединение, обеспечивающее легкое отделение секций светильника с блоком управления от основной части светильника (основания); 4 - устройство управления лампой; 5 - лампа; 6 - штепсельная соединительная вилка
Рисунок IS03 - Электромеханическая контактная система вилка-розетка
1.2.56. люминесцентный светильник с питанием от сверхнизкого напряжения постоянного тока: Светильник для работы от аккумулятора номинальным напряжением не более 48 В постоянного тока, который соединен с преобразователем постоянного/переменного тока для питания одной или нескольких люминесцентных ламп.
Примечания
1. Внутри таких светильников может иметь место напряжение, значительно большее, чем напряжение питания, поэтому они не могут быть отнесены к классу защиты III. Учитывая возможный риск поражения электрическим током, для таких светильников следует принимать соответствующие меры защиты.
2. Значение 48 В пересматривается.
1.2.57. монтажная поверхность:
Часть конструкции здания, мебели и другой конструкции, в/на которой светильник может быть закреплен, подвешен или поставлен для нормального использования и которая служит или будет служить ему опорой.
1.2.58. несъемное устройство: Устройство, являющееся несъемной частью светильника, которое нельзя испытать отдельно от него.
1.2.59. лампа со встроенным ПРА: Не разбирающееся без разрушения устройство, включающее в себя источник света с цоколем в комплекте с другими дополнительными элементами, обеспечивающими зажигание и стабильную работу лампы.
Примечания
1. Источник света является незаменимым компонентом лампы со встроенным ПРА.
2. ПРА является частью лампы, но не светильника.
3. При испытаниях лампы со встроенным ПРА считают обычными лампами.
4. Примеры и дополнительная информация приведены в МЭК 60972.
1.2.60. лампа-светильник: Устройство, аналогичное лампе со встроенным ПРА, но рассчитанное на замену источника света и/или зажигающего устройства.
Примечания
1. Источник света и/или зажигающее устройство лампы-светильника легко заменяется.
2. ПРА не заменяется и не отделяется каждый раз при замене источника света.
3. Для присоединения к сети требуются патроны для ламп.
4. Примеры и дополнительная информация приведены в МЭК 60972.
1.2.61. ПРА или трансформатор с вилкой: ПРА или трансформатор, заключенный в оболочку, имеющую несъемную штепсельную вилку для присоединения к электрической сети.
1.2.62. светильник для крепления в штепсельной розетке: Светильник, содержащий несъемную штепсельную вилку для крепления и присоединения к электрической сети.
1.2.63. светильник с зажимом: Неразъемный комплект светильника и пружинного зажима, который позволяет закрепить светильник на монтажной поверхности одним движением руки.
1.2.64. присоединитель лампы: Контактное устройство, специально сконструированное для осуществления электрического присоединения лампы, но не для ее крепления.
1.2.65. штепсельная сетевая розетка: Устройство, имеющее полые контакты для присоединения вилки с круглыми или плоскими штырями и контактные зажимы для присоединения сетевых кабелей или проводов.
1.2.66. светильник с заменяемым шнуром: Светильник, гибкий кабель или шнур которого может быть заменен при помощи обычного инструмента.
1.2.67. светильник с незаменяемым шнуром: Светильник, конструкция которого не позволяет отсоединять от него гибкий кабель или шнур обычным инструментом без повреждений, делающих дальнейшую эксплуатацию светильника невозможной.
Примечание - Примеры обычного инструмента: отвертки, ключи и т.д.
1.2.68. устройство управления лампой: Устройство, использующееся для управления работой лампы, например ПРА, трансформаторы и понижающие трансформаторы.
Примечание - Это не относится к устройствам включения ламп или регулировки яркости, например светорегуляторам, фотоэлементам.
1.2.69. элемент безопасного сверхнизкого напряжения: Токопроводящий элемент, обеспечивающий питание светильника сверхнизким напряжением (не выше 50 В действующего значения переменного тока) по отношению к другим деталям или земле.
1.2.70. макет лампы: Устройство, включающее в себя цоколь, соответствующий требованиям МЭК 60061.
1.2.71. галогенная лампа накаливания с защитным экраном (сокращенно - лампа с защитным экраном): Галогенная лампа накаливания, для которой в светильнике не требуется специальный защитный экран. Упаковка такой лампы маркируется соответствующим символом (см. рисунок 1).
1.2.72. наружный гибкий кабель или шнур: Гибкий кабель или шнур для внешних подключений к входной или выходной цепи, присоединяемый или собранный со светильником одним из следующих способов крепления:
- крепление типа X - кабель или шнур легко заменить.
Примечание 1 - Гибкий кабель или шнур может быть специального изготовления и находиться только в распоряжении изготовителя или его сервисной службы.
Примечание 2 - Специально изготовленный кабель или шнур может быть также неотъемлемой частью светильника;
- крепление типа Y - замена кабеля или шнура может быть произведена только самим изготовителем, его сервисной службой или соответствующим квалифицированным персоналом.
Примечание 3 - Крепление типа Y может использоваться для присоединения как обычного, так и специального гибкого кабеля или шнура;
- крепление типа Z - кабель или шнур не может быть удален без повреждения или разрушения светильника.
2 Классификация
2.1 Общие положения
Светильники классифицируют по защите от поражения электрическим током, по степени защиты от попадания пыли, твердых частиц и влаги, по материалу опорной монтажной поверхности и условиям применения.
2.2 Классификация по защите от поражения электрическим током
По защите от поражения электрическим током светильники подразделяют на четыре класса защиты: 0, I, II, III. Их определения даны в разделе 1. Светильники, нормируемое напряжение питания которых более 250 В, не должны относиться к классу защиты 0.
Светильники для тяжелых условий эксплуатации не должны относиться к классу защиты 0.
Светильники должны иметь только один класс защиты. Например, светильник с встроенным трансформатором БСНН с заземлением должен быть отнесен к классу защиты I, и детали светильника не могут быть отнесены к классу защиты III, даже если блок лампы отделен от блока трансформатора.
Лампы-светильники должны соответствовать всем требованиям для светильников класса защиты II без указания символа класса защиты II.
Примечание - Символ класса защиты II не наносят, если он указан на корпусе светильника, в котором используют лампу-светильник.
Светильники для установки на шинопроводе не должны относиться к классу защиты 0.
Примечание - Национальные правила устройства электроустановок ряда стран не допускают отнесения переносных светильников к классу защиты 0. В отдельных странах национальными правилами это вообще запрещено.
2.3 Классификация по степени защиты от попадания пыли, твердых частиц и влаги
Светильники по степени защиты (коду IP) классифицируют согласно МЭК 60529.
Обозначения степеней защиты приведены в разделе 3.
Методы испытаний светильников различных степеней защиты приведены в разделе 9.
Примечания
1. Светильники, классифицируемые как водонепроницаемые, не обязательно пригодны для работы под водой, для этого следует использовать герметичные светильники.
2. Код IP является основным способом маркировки светильников. В дополнение к IP могут наноситься другие символы.
2.4 Классификация по материалу опорной поверхности, на который рассчитан светильник
Светильники в зависимости от установки непосредственно на поверхности из нормально воспламеняемого материала или только на поверхности из негорючих материалов классифицируют на следующие группы:
|
Группа |
Символ |
|
Переносные и ручные светильники |
Нет |
|
Стационарные светильники, пригодные для установки только на поверхности из нормально воспламеняемого материала |
Символ требуется (см. рисунок 1) |
|
Стационарные светильники, пригодные для установки только на поверхности из негорючего материала |
Нет, но обязательно должна быть предостерегающая надпись (см. раздел 3) |
Примечание - Светильники не должны устанавливаться непосредственно на поверхности из легковоспламеняемых материалов. Требования к светильникам, пригодным для непосредственной установки на поверхности из нормально воспламеняемых материалов, приведены в разделе 4, а соответствующие испытания - в разделе 12.
2.5 Классификация по условиям применения
Светильники по условиям применения классифицируют на следующие группы:
|
Группа |
Символ |
|
Светильники для нормальных условий эксплуатации |
Нет |
|
Светильники для тяжелых условий эксплуатации |
Символ требуется (см. рисунок 1) |
3 Маркировка
3.1 Общие положения
Настоящий раздел устанавливает требования к маркировке светильников.
3.2 Маркировка светильников
На светильнике должна быть четко и прочно нанесена (согласно таблице 3.1) следующая маркировка:
a) на наружной части светильника (за исключением стороны, соприкасающейся с монтажной поверхностью) или внутри его, видимая при замене лампы или снятии детали светильника;
b) на тыльной части светильника или детали, видимая в процессе монтажа светильника;
c) видимая на полностью укомплектованном или смонтированном для нормальной эксплуатации светильнике с установленной в нем лампой.
Информация, содержащаяся в подпунктах a) и b), при необходимости может быть нанесена не на светильник, а на ПРА.
Таблица 3.1
|
Маркировка, относящаяся к подпункту b) |
Маркировка, относящаяся к подпункту c) |
|
|
3.2.8* Нормируемая мощность |
3.2.1, 3.2.2** |
3.2.3 Окружающая температура |
|
3.2.10 Лампы специального назначения |
3.2.4, 3.2.5 |
3.2.6 Степень защиты |
|
3.2.11 Лампы «холодного света» |
3.2.7 Тип светильника |
3.2.13 Расстояние до освещаемого объекта 3.2.14 Символ для тяжелых условий эксплуатации |
|
3.2.15 Лампы с зеркальным куполом |
3.2.9 Символы |
|
|
3.2.16 Защитный экран |
3.2.12 Обозначение контактных зажимов |
|
|
3.2.18 Проводка для зажигающего устройства |
3.2.17*** Светильники шлейфового соединения |
|
|
3.2.19 Лампа с защитным экраном |
|
|
|
* Для светильников с разрядными лампами с устройством управления нормируемая мощность может быть указана в инструкции по эксплуатации: «Для указанной лампы см. устройство управления». ** Для светильников с разрядными лампами, с независимыми ПРА, должно маркироваться рабочее напряжение вместо номинального. Для светильников с встроенными трансформаторами для ламп накаливания см. МЭК 60598-2-6. *** Для стационарных светильников данная информация альтернативно может быть приведена в эксплуатационных документах. |
||
Упоминаемый в 3.2.12 символ заземления может
наноситься не на светильник, а на ПРА, если он несъемный. Высота символов
должна быть не менее 5 мм, исключая символы классов защиты II, III,
, которые могут
быть уменьшены до 3 мм, если выбранная для маркировки поверхность ограничена.
Буквы и цифры, используемые в символе, должны быть самостоятельной или
составной его частью и иметь высоту не менее 2 мм.
На корпусе и сменных деталях комбинированных светильников из-за неоднозначности комбинаций типа и мощностей наносят обозначение либо типа, либо нормируемой мощности, если тип может быть точно установлен, а нормируемая мощность определена по каталогу или другому документу.
Основание светильников с электромеханическими контактными системами должно быть маркировано нормируемым током электрического соединения, если система может быть использована со светильниками различных типов.
3.2.1. Торговая марка (товарный знак изготовителя или наименования ответственного поставщика).
3.2.2. Нормируемое(ые) напряжение(я) в вольтах.
На светильники с лампами накаливания нормируемое напряжение наносят, если оно отлично от 250 В.
Для переносных светильников класса защиты III нормируемое напряжение наносят только на наружную поверхность светильника.
3.2.3. Нормируемая предельно допустимая температура окружающей среды ta, если она отличается от 25 °С (см. рисунок 1).
Примечание - Отступление от этого требования может быть допущено частными стандартами МЭК 60598-2
3.2.4. Символ класса защиты II, если требуется (см. рисунок 1).
Для переносных светильников с несъемными гибким кабелем или шнуром класса защиты II символ должен быть нанесен на наружной поверхности светильника.
Символ класса защиты II не наносят на лампы-светильники.
3.2.5. Символ класса защиты III, если требуется (см. рисунок 1).
3.2.6. Код IP, если требуется, обозначающий степень защиты от попадания пыли, твердых частиц и влаги, и, при желании, дополнительные символы (см. рисунок 1 и приложение J). Если в коде использована буква «X», то это означает, что один из показателей не нормируют. Если нормируют оба показателя, то обе цифры должны быть нанесены на светильник.
Если для отдельных частей светильника применяют различные степени защиты, то на этикетке светильника должна маркироваться наименьшая степень защиты. При этом большая степень защиты должна маркироваться отдельно на взаимосвязанной части. В инструкции по эксплуатации на светильник должны быть приведены подробные сведения о степенях защиты всех частей светильника. Использование разных значений IP на частях одного светильника применимо только для стационарных светильников.
Нанесение кода степени защиты IP20 на обычные светильники не требуется.
3.2.7. Номер модели или обозначение типа.
Если только мощности лампы недостаточно, то должно также указываться число ламп и их тип.
На светильниках для ламп накаливания должна быть нанесена нормируемая максимально допустимая мощность и число ламп.
Нормируемая максимально допустимая мощность на светильниках с лампами накаливания, имеющих несколько патронов, может быть обозначена следующим образом:
«n ´ max ... Вт»,
где п - количество патронов.
3.2.9. При необходимости символ (см. рисунок 1) для непосредственной установки или запрещения установки на поверхность из нормально воспламеняемых материалов.
Примечание - Предупредительная надпись не требуется, если очевидно, что светильники никогда не будут устанавливаться на поверхности из нормально воспламеняемых материалов, например переносные светильники для использования в саду.
3.2.10. Информация, если требуется, о лампах специального назначения.
Прежде всего, это относится к символам (см. рисунок 1) для светильников с натриевыми лампами высокого давления с встроенным зажигающим устройством или требующих внешнего ИЗУ, если на лампу нанесены такие же символы по МЭК 60662.
3.2.11. Символ (см. рисунок 1), если требуется, для светильников с лампами, аналогичными по форме лампам «холодного света», если ошибочное использование ламп «холодного света» с дихроичным отражателем может вызвать нарушение безопасности.
3.2.12 Сетевые контактные зажимы (за исключением случая крепления кабеля или шнура типом Z) должны быть четко маркированы или выделены каким-либо иным способом, дающим ясное представление о том, как подключаются питающие провода, что необходимо как для обеспечения безопасности, так и для нормальной эксплуатации. Заземляющие контактные зажимы должны быть четко обозначены соответствующим символом по МЭК 60417.
Светильники с несъемными гибкими кабелями или шнурами, которые не снабжены штепсельными вилками, должны сопровождаться инструкцией изготовителя с указанием гарантированно безопасного присоединения кабеля или шнура, например для случаев отклонений в национальных стандартах от принятой цветовой маркировки жил.
Примечание - В Нидерландах светильники с несъемными гибкими кабелями или шнурами без штепсельных вилок не допускаются к применению.
Светильники с. люминесцентными лампами, питаемые от сети постоянного тока сверхнизкого напряжения, должны иметь маркировку контактных зажимов:
«+» или красный цвет - для положительного полюса;
«-» или черный цвет - для отрицательного полюса.
3.2.13. При необходимости символ (см. рисунок 1), обозначающий минимальное расстояние до освещаемых объектов для светильников, которые могут вызвать перегрев этих объектов, например за счет излучения лампы, формы отражателя, изменения положения при регулировке, как это следует из инструкции по монтажу.
Указанное в маркировке расстояние определяют проверкой температуры по 12.4.1 j).
Расстояние измеряют вдоль оптической оси светильника от той его детали или лампы, которая наиболее близка к освещаемому объекту.
Этот символ и соответствующее пояснение должны быть нанесены на светильник или указаны в инструкции, поставляемой вместе с ним.
3.2.14. Символ (см. рисунок 1), если требуется, для светильников для тяжелых условий эксплуатации.
3.2.15. Символ (см. рисунок 1), если требуется, для светильников с лампами с зеркальным куполом.
Примечание - Настоящий стандарт, без ссылки на испытание светильника, не распространяется на отдельные лампы накаливания с зеркальным куполом.
3.2.16. Светильники со стеклянным защитным экраном должны иметь надпись: «Снять треснувший защитный экран» или символ (см. рисунок 1).
3.2.17. Максимальное количество светильников, которые могут быть присоединены, или максимальный допустимый общий ток, который допускается при использовании средств присоединения при шлейфовом подключении к питающей сети. Для стационарных светильников эта информация может быть приведена в эксплуатационных документах.
3.2.18. Предупреждающий символ или надпись для светильников с зажигающими устройствами для двухцокольных разрядных ламп высокого давления, если напряжение, измеренное по схеме, указанной на рисунке 26, превышает 34 В (амплитудное значение):
a) символ, в соответствии со стандартным листом 5036 МЭК 60417, должен быть виден в процессе замены лампы. Он должен быть нанесен на светильник или указан в инструкции, прикладываемой изготовителем к светильнику, или
b) надпись около патрона с заменяемым зажигающим устройством или устройством включения, если необходимо: «Внимание! Изъять устройство перед заменой лампы. После замены лампы восстановить на прежнем месте».
3.2.19. Символ (см. рисунок 1) для светильников, которые предназначены только для использования с галогенными лампами накаливания с защитным экраном.
3.3 Дополнительные сведения
Кроме основной маркировки, на соответствующих местах светильника или встроенных ПРА, или в инструкции изготовителя, поставляемой со светильником, должны быть указаны дополнительные сведения, необходимые для правильной установки, эксплуатации и технического обслуживания светильника.
Информация, относящаяся к безопасности, должна быть изложена на языке, принятом в стране.
3.3.1. Для комбинированных светильников - допустимая температура окружающей среды, класс защиты или степень защиты от попадания пыли, твердых частиц и влаги, наносимые на дополнительные детали, если они отличаются от указанных для базового светильника.
3.3.2. Номинальная частота в герцах.
a) нормируемая максимальная рабочая температура (обмотки ПРА) tw в градусах Цельсия;
b) нормируемая максимальная рабочая температура (конденсатора) tc в градусах Цельсия;
c) максимальная температура изоляции сетевых кабелей и внутренних монтажных проводов в наиболее неблагоприятных условиях работы светильника, если она больше 90 °С (См. сноску*** к таблице 12.2, относящуюся к стационарной проводке без оболочки). Символ приведен на рисунке 1;
d) специальные требования, которые необходимо соблюдать при установке.
3.3.4. Символ или надпись, предупреждающая, что светильник не предназначен для установки на поверхность из нормально воспламеняемых материалов (см. рисунок 1).
3.3.5. Схема соединений, кроме случаев, когда светильник предназначен для прямого присоединения к сети.
3.3.6. Специфические условия, для которых светильник, включая ПРА, предназначен, например, для шлейфового присоединения.
3.3.7. При необходимости светильники, в которых используют металлогалогенные лампы, должны иметь предупредительную надпись: «Светильник должен использоваться только с защитным экраном».
3.3.8. Ограничения в использовании или применении ламп-светильников.
3.3.9. Дополнительно изготовитель должен быть готов представить информацию о коэффициенте мощности и токе, потребляемом из сети.
Для схем соединений, имеющих одновременно активную и индуктивную составляющие, нормируемый ток индуктивной нагрузки должен быть указан в скобках сразу после нормируемого тока активной нагрузки.
Маркировка может быть следующей:
3 (1) А 250 В
или 3 (1) 250, или
.
Примечания
1. Маркировка соответствует МЭК 61058-1.
2. Значение нормируемого тока относится только к току светильника в целом.
3.3.10. Надпись «внутри помещения», включая соответствующую окружающую температуру.
3.3.11 Типы ламп для светильников с независимым устройством управления.
3.3.12. Предупреждение, что светильник с зажимом не предназначен для установки на трубу.
3.3.13. Изготовитель должен обеспечить спецификации всех защитных экранов.
3.3.14. Для правильной эксплуатации светильник должен быть маркирован символом, указывающим род питающего тока (см. рисунок 1).
3.3.15. Номинальный ток при номинальном напряжении для розеток, входящих в состав светильника, должен быть указан изготовителем, если он меньше нормируемого значения.
3.3.16. Информация для светильников для тяжелых условий эксплуатации должна содержать:
- способы присоединения к розеткам степени защиты IPX4;
- требования по установке;
- способы надежной фиксации на стойке, если она не поставляется вместе со светильником; указывают также максимально возможную высоту стойки и, при необходимости, число и минимальную длину ножек для обеспечения устойчивости светильника.
3.3.17. Для светильников с креплениями кабеля или шнура типов X, Y или Z эксплуатационные документы должны содержать следующую информацию.
Для крепления типа X со специальным кабелем
Если внешний гибкий кабель или шнур данного светильника окажется поврежден, он должен быть заменен на специальный кабель или шнур, который может находиться только в распоряжении изготовителя или его сервисной службы.
Для крепления типa Y
Если внешний гибкий кабель или шнур данного светильника окажется поврежден, он должен быть заменен только изготовителем или его сервисной службой, или столь же квалифицированным персоналом, чтобы обезопасить потребителя от возможного поражения электрическим током.
Для крепления типа Z
Внешний гибкий кабель или шнур данного светильника не может быть заменен; если шнур окажется поврежден, светильник должен быть утилизирован.
3.3.18. Светильники, отличные от обычных, снабженные несъемным кабелем или шнуром с ПВХ изоляцией, должны сопровождаться информацией о допустимой области применения, например «Только внутри помещения».
3.4 Проверка маркировки
Соответствие светильника требованиям 3.2 и 3.3 проверяют внешним осмотром и следующим испытанием.
Стойкость маркировки к стиранию проверяют легким протиранием в течение 15 с тампоном из ткани, смоченным водой, а затем, после высыхания воды, протиранием в течение 15 с тампоном, смоченным раствором бензина, с последующим, после проведения испытаний по разделу 12, внешним осмотром. После проверки маркировка должна оставаться легкочитаемой, а наклеенные этикетки не должны отслаиваться и вздуваться.
Примечание - В качестве растворителя бензина применяют гексан с максимальным содержанием ароматического углеводорода 0,1 % общего объема, 29 % каури-бутанола с начальной точкой кипения ~ 65 °С, температурой кипения ~ 69 °С и плотностью ~ 0,68 г/см3.
4 Конструкция
4.1 Общие положения
Настоящий раздел устанавливает общие требования к конструкции светильников. См. также приложение L.
4.2 Заменяемые компоненты
Светильники, имеющие сменные компоненты или детали, должны обеспечивать условия для их легкой замены без снижения безопасности.
Примечание - Компоненты и детали, закрепленные заклепками, не относят к заменяемым компонентам.
4.3 Ввод проводов
Поверхности, ограничивающие отверстия для ввода проводов, должны быть гладкими, без острых кромок, неровных швов, заусенцев и т.п., которые могут вызвать повреждение изоляции проводов. Металлические винты без головок не должны находиться в местах ввода проводов.
Проверку проводят внешним осмотром и, при необходимости, разборкой и последующей сборкой светильника.
4.4 Патроны для ламп
4.4.2. Присоединение проводов к контактам несъемных патронов для ламп может быть выполнено любым способом, обеспечивающим надежный электрический контакт в течение всего срока эксплуатации светильника.
Соответствие требованиям 4.4.1 - 4.4.3 проверяют внешним осмотром.
4.4.4. Патроны для ламп, монтаж которых в светильниках выполняет непосредственно потребитель, должны обеспечивать возможность удобной и правильной установки.
Расстояния между парой патронов для люминесцентных ламп, устанавливаемых в неподвижном положении, должны соответствовать стандартным листам МЭК 60061-2 или (если МЭК 60061-2 не применим) инструкции изготовителя по монтажу патронов.
Способ крепления патронов должен обеспечивать устойчивость к механическим воздействиям, возникающим при их нормальном исполнении. Эти требования распространяются на патроны, устанавливаемые в рабочее положение, как потребителем, так и изготовителем светильника.
Проверку проводят внешним осмотром, измерениями и, при необходимости, следующим испытанием:
i) Патроны для люминесцентных ламп со вставленным испытательным цоколем подвергают воздействию усилия в течение 1 мин в направлении оси лампы со стороны ее вставления:
15 Н - для патронов G75;
30 Н - для патронов G13;
30 Н - для патронов для одноцокольных люминесцентных ламп (G23, G10q, GR8 и т.п.). Значения для других патронов - в стадии рассмотрения.
После испытания расстояние между патронами должно соответствовать стандартным листам МЭК 60061-2, и патроны не должны иметь повреждений. Испытательный цоколь для этого испытания должен соответствовать следующим стандартным листам МЭК 60061-3:
7006-47 С - для патрона G/5;
7006-60 С - для патрона G13.
Испытательные цоколи для других патронов - в стадии рассмотрения.
После испытания патронов для одноцокольных люминесцентных ламп последние не должны иметь смещения от первоначального положения, а устройство крепления не должно иметь остаточной деформации, приводящей к выпадению устанавливаемой лампы.
ii) Монтажная скоба резьбовых и байонетных патронов должна выдержать в течение 1 мин воздействие изгибающего момента:
1,0 Н·м - для патронов Е14 и В15;
2,0 Н·м - для патронов Е26, Е27 и В22.
Значения изгибающих моментов для патронов Е39 и Е40 - в стадии рассмотрения.
4.4.5. В светильниках с зажигающими устройствами, в которых патроны ламп являются частью импульсной цепи, величина импульса напряжения на контактах патрона не должна превышать значения, маркированного на патроне, или, в случае отсутствия такой маркировки, должна быть не более:
2,5 кВ - для патронов на нормируемое напряжение 250 В;
4 кВ - для резьбовых патронов на нормируемое напряжение 500 В;
5 кВ - для резьбовых патронов на нормируемое напряжение 750 В.
Проверку проводят измерением напряжения на контактных зажимах патронов в светильниках с ИЗУ во время испытаний по 10.2.2.
4.4.6. Для светильников с ИЗУ провод, подводящий высоковольтный импульс к разрядной лампе, должен быть присоединен к центральному контакту резьбового патрона.
Проверку проводят внешним осмотром.
Проверку проводят согласно 13.4.
4.4.8. Присоединители ламп должны отвечать всем требованиям, предъявляемым к патронам, кроме относящихся к способу крепления ламп. Устройство для крепления лампы может быть обеспечено деталями светильника.
Проверку проводят внешним осмотром и испытаниями согласно 4.4.1 - 4.4.7.
Примечание - Различие между присоединителем и патроном для ламп показано в соответствующих стандартных листах МЭК 60061.
4.5 Патроны для стартеров
Патроны для стартеров в светильниках, кроме светильников класса защиты II, должны соответствовать МЭК 60155.
В светильниках класса защиты II должны применяться стартеры этого же класса защиты.
В полностью собранных или открытых для замены ламп или стартеров светильниках класса защиты II, в которых стартер может быть доступен для прикосновения стандартным испытательным пальцем, патрон для стартера должен допускать установку только стартеров класса защиты II, указанных в МЭК 60155.
Проверку проводят внешним осмотром.
4.6 Клеммные колодки
В светильниках с присоединительными концами, предназначенными для соединения со стационарной проводкой при помощи отдельной клеммной колодки, должно быть предусмотрено соответствующее место для ее размещения либо внутри самого светильника, либо внутри коробки, поставляемой со светильником, или должно быть как-то оговорено изготовителем.
Это требование применимо к клеммным колодкам, предназначенным для присоединения проводов сечением не более 2,5 мм2.
Проверку проводят измерением и пробной установкой с использованием одной клеммной колодки для каждой пары соединяемых проводников, как показано на рисунке 2, при длине проводников стационарной проводки порядка 80 мм. Размеры клеммной колодки должны соответствовать условиям, оговоренным изготовителем, или, в отсутствии таковых, быть равными 10´20´25 мм.
Примечание - Допускается не закреплять клеммные колодки, если их конструкция и электрическая изоляция обеспечивают пути утечки и воздушные зазоры, соответствующие требованиям раздела 11, в любых положениях клеммной колодки, и при этом исключается повреждение проводов внутреннего монтажа.
4.7 Контактные зажимы и присоединение к сети
4.7.1. В переносных светильниках классов защиты 0, I, II и часто регулируемых стационарных светильниках тех же классов защиты металлические детали не должны оказываться под напряжением при отсоединении провода или винта от контактного зажима. Требование распространяется на все контактные зажимы (в т.ч. сетевые).
Примечание - Требование считают достаточным, если провода закреплены рядом с местом ввода их в зажимы с учетом размеров полости для зажимов и если полость выполнена из изоляционного материала или имеет внутренние изолирующие покрытия.
Примеры эффективных способов, предотвращающих отсоединение провода:
a) провода зажимаются посредством анкерного устройства, расположенного вблизи контактного зажима;
b) провода присоединяются к безвинтовым контактным зажимам;
c) надевание наконечника на проводник перед пайкой, предотвращающего обломы мест пайки при вибрациях;
d) надежная скрутка проволок жилы между собой;
e) соединение проводов изоляционной лентой;
f) ввод провода в отверстие печатной платы, его загиб и пропайка. При этом отверстие печатной платы должно быть немного больше диаметра провода;
g) закрутка проволок жилы вокруг контактного зажима с помощью специального инструмента (см. рисунок 19);
h) обжим проводника через контактный зажим с помощью специального инструмента (см. рисунок 19).
Способы a) - h) применяют для внутренней проводки, а способы а) и b) - для наружных заменяемых гибких шнуров.
Проверку проводят внешним осмотром, полагая, что только один провод может быть отсоединен.
4.7.2. Сетевые контактные зажимы должны быть размещены или защищены так, чтобы исключить возможность какого бы то ни было риска случайного электрического контакта между токоведущими деталями и доступными для прикосновения стандартным испытательным пальцем металлическими деталями полностью собранного для нормального использования светильника, или когда светильник открыт для замены ламп или стартеров, если одна из проволок многопроволочной жилы провода не вошла в контактный зажим при присоединении к нему провода.
Проверку проводят внешним осмотром и следующим испытанием.
Конец гибкого провода сечением, соответствующим требованиям раздела 5, очищают от изоляции на длине 8 мм. Одну проволоку жилы провода оставляют свободной, а остальные полностью вводят и закрепляют в контактном зажиме. Свободную проволоку изгибают во всех возможных направлениях так, чтобы не происходило разрывов изоляции у края защищенной части провода и изгибов проволоки под прямым углом относительно изолирующей перегородки.
Свободная проволока провода, присоединенного к токоведущему контактному зажиму, не должна касаться доступных для присоединения металлических деталей или соединяться с ними; свободная проволока провода, присоединенного к заземляющему контактному зажиму, не должна касаться токоведущих деталей.
Это испытание не проводят на патронах для ламп, которые должны удовлетворять требованиям соответствующих стандартов МЭК, и на контактных зажимах компонентов, конструкция которых исключает касание проволоки при необходимой длине зачистки жилы провода.
Монтажные провода должны соответствовать требованиям раздела 5.
Примечания
1. Для светильников, рассчитанных на присоединение при помощи жестких (одно- или многопроволочных) проводов, безвинтовые контактные зажимы пружинного типа являются эффективными даже для заземления. Но в настоящее время нет требований, регламентирующих применение таких зажимов для присоединения несъемных гибких кабелей или шнуров.
2. Для светильников, нормируемый ток которых не более 3 А, рассчитанных на присоединение при помощи несъемного гибкого кабеля или шнура, эффективным средством соединения даже для заземления является пайка, сварка, обжим и т.п., включая соединение типа «оконцеватель».
3. Для светильников, нормируемый ток которых превышает 3 А, допускается соединение типа «оконцеватель», если оно выполняется не контактом гнездового вида, а при помощи винта, для которого в плоском штыре имеется отверстие с резьбой.
4.7.4. Контактные зажимы, не предназначенные для присоединения сетевых проводов и на которые не распространяются требования отдельных стандартов на компоненты, должны соответствовать требованиям разделов 14 и 15.
Контактные зажимы патронов для ламп, выключателей и подобных компонентов, используемые для параллельного соединения проводов внутреннего монтажа, должны иметь соответствующие размеры, и не должны использоваться для присоединения сетевых проводов.
Проверку проводят внешним осмотром и испытаниями по разделам 14 и 15.
4.7.5. Если нагревостойкость сетевых проводов или кабелей не соответствует температуре, имеющей место в светильнике, то следует в месте ввода проводов в светильник использовать теплостойкие провода или надевать теплостойкие трубки, защищающие эти части проводов от воздействия температуры выше предельной для провода.
Проверку проводят внешним осмотром.
4.7.6. Если в процессе установки или обслуживания светильника электрические соединения осуществляются многополюсной вилкой и розеткой, то должна обеспечиваться однозначность и надежность соединения.
Проверку проводят внешним осмотром и пробным присоединением вилки к розетке с разной пространственной ориентацией вилки.
4.8 Выключатели
Выключатели должны быть сконструированы и закреплены так, чтобы при воздействии на них рукой обеспечивалась их устойчивость к смещению или проворачиванию.
Проходные выключатели и патроны для ламп с встроенным выключателем не должны применяться в светильниках, кроме обычных, если их степень защиты от попадания пыли, твердых частиц и влаги не соответствует степени защиты светильника.
В светильниках с обозначенной полярностью подключения питающей сети однополюсный выключатель должен быть установлен в токоведущих проводниках, но не в нейтрали.
Проверку проводят внешним осмотром.
4.9 Изоляционные прокладки и втулки
4.9.1. Изоляционные прокладки и втулки должны иметь надежное крепление в рабочем положении после монтажа выключателей, патронов, контактных зажимов, проводов и аналогичных деталей.
Примечание - Самозатвердевающие смолы, например эпоксидные, могут использоваться для крепления прокладок.
Проверку проводят внешним осмотром и пробным монтажом.
Проверку проводят внешним осмотром, пробным монтажом и испытанием электрической прочности изоляции по разделу 10.
Температуру нагрева проводов и втулок проверяют в соответствии с разделом 12. Нагревостойкость втулок, используемых как оболочки для проводов, достигающая температур более указанных в таблице 12.2, должна соответствовать требованиям МЭК 60684 с учетом температуры, измеренной на проводе. Втулки должны быть устойчивы к нагреву, превышающему температуру на проводе на 20 °С, и выдерживать следующее испытание:
a) три образца втулки длиной ~15 см каждый подвергают испытанию на влагостойкость по 9.3, а затем проверяют сопротивление и электрическую прочность материала в соответствии с разделом 10. Для этого образцы втулок надевают на неизолированный медный провод или металлический шток (стержень), а снаружи образцы оборачивают металлической фольгой так, чтобы не возникало перекрытия на их концах. Измерение сопротивления и электрической прочности втулки проводят между медным проводом/металлическим штоком (стержнем) и металлической фольгой;
b) после этого медные провода/металлические штоки (стержни) и фольгу снимают, образцы помещают в камеру тепла на 240 ч при температуре Т + 20 °С (Т - температура, измеренная на проводе);
c) затем образцы охлаждают до комнатной температуры и проверяют сопротивление и электрическую прочность аналогично подпункту а).
Сопротивление и электрическая прочность изоляции должны соответствовать значениям, указанным в таблицах 10.1 и 10.2.
4.10 Двойная и усиленная изоляции
4.10.1. В светильниках класса защиты II с металлическим корпусом должен быть исключен контакт между:
- монтажными поверхностями и частями, имеющими только основную изоляцию;
- доступными для прикосновения металлическими частями и частями, имеющими только основную изоляцию.
Примечание - Допускается использование проводов без изоляции, при условии обеспечения соответствующей защиты.
Эти требования относятся к внешним проводам, проводам внутреннего монтажа и стационарным проводам электрической сети.
Конструкция стационарных светильников класса защиты II должна быть такой, чтобы класс защиты не мог снизиться после монтажа светильника, например, из-за соприкосновения с металлической трубой или металлической оболочкой кабеля.
Не допускается включение конденсаторов между токоведущими частями и металлическим корпусом светильников класса защиты II, за исключением конденсаторов для подавления радиопомех.
Конденсаторы для подавления радиопомех должны соответствовать требованиям МЭК 60384-14, а способ их соединения должен удовлетворять 9.3.4 МЭК 60065.
Примечание - Соприкосновение проводов внутреннего монтажа, имеющих только основную изоляцию, с доступными металлическими деталями светильника может быть исключено применением втулок или аналогичных элементов, отвечающих требованиям к дополнительной изоляции.
Проверку проводят внешним осмотром.
4.10.2. Любой зазор суммарной шириной больше 0,3 мм в дополнительной изоляции не должен совпадать с любым таким же зазором в основной или усиленной изоляции, чтобы не создать возможность доступа к токоведущим деталям.
Зазоры в двойной или усиленной изоляции не должны создавать доступа к токоведущим частям, такого, что к ним можно прикоснуться коническим стержнем испытательного пальца 13, указанного на рисунке 9 МЭК 61032.
Дополнительно необходимо провести проверку на соответствие требованиям степени защиты от поражения электрическим током согласно классификации светильников по IP МЭК 60529.
Проверку проводят внешним осмотром и зондированием подходящим(и) для этого испытательным(и) палъцем(ами) на соответствие требуемой степени защиты от поражения электрическим током.
4.10.3. Детали светильников класса защиты II, выполняющие функции дополнительной или усиленной изоляции:
- должны быть закреплены так, чтобы их нельзя было снять без разрушения, или
- не должны смещаться в положение, снижающее их эффективность.
Если втулки используют как дополнительную изоляцию проводов внутреннего монтажа, а изоляционные прокладки используют в патронах для ламп как дополнительную изоляцию внешних проводов или проводов внутреннего монтажа, то они должны быть жестко закреплены в рабочем положении.
Проверку проводят внешним осмотром и пробным монтажом.
Примечание - Покрытие металлического корпуса слоем лака или любого другого материала, легко удаляемое царапаньем, не считают изолирующим.
Втулку считают надежно закрепленной, если ее нельзя переместить без разрушения или разрезания, или если она зажата с обоих концов, или ее перемещение по проводам внутреннего монтажа ограничено присоединенными к ним компонентами. Прокладки считают надежно закрепленными, если их можно снять, только разрушив, отрезав или разобрав патрон для ламп. Такие детали, как трубки из изоляционных материалов, если они имеют буртик и используются как втулки внутри ниппеля патрона для ламп, считают обеспечивающими дополнительную изоляцию внешних проводов или проводов внутреннего монтажа, если их можно снять, только разобрав патрон для ламп.
4.11 Электрические соединения и токопроводящие детали
4.11.1. Электрические соединения должны осуществляться так, чтобы контактное давление не передавалось через изоляционный материал, кроме керамики, чистой слюды или других материалов, имеющих аналогичные характеристики, если только контактирующие металлические детали не обладают достаточной эластичностью для компенсации возможной усадки изоляционного материала.
Проверку проводят внешним осмотром.
4.11.2. Саморежущие винты не должны применяться для соединения токоведущих деталей, кроме случаев, когда такие детали, скрепляясь, друг с другом, имеют соответствующую блокировку.
Резьбонарезающие винты не должны использоваться для соединения токоведущих деталей из мягких или таких легко деформируемых металлов, как цинк или алюминий.
Резьбоформующие винты могут использоваться для обеспечения непрерывности цепи заземления при условии, что для каждого соединения используют не менее двух винтов и при эксплуатации эти соединения не подвергают демонтажу.
Проверку проводят внешним осмотром.
Примечание - На рисунке 22 приведено несколько примеров резьбонарезающих и резьбоформующих винтов.
4.11.3. Винты и заклепки, используемые как для электрических, так и для механических соединений, должны быть надежно защищены от ослабления. Для винтов достаточно пружинной шайбы. Заклепки должны иметь фиксатор или форму, отличную от цилиндрической.
Применение самозатвердевающих смол или компаундов, размягчающихся при повышенной температуре, допустимо только для винтов, которые в процессе эксплуатации не откручиваются.
Проверку проводят внешним осмотром и пробным монтажом.
4.11.4. Токоведущие детали должны изготовляться из меди, ее сплава с содержанием меди не менее 50 % или другого материала с характеристиками, близкими к сплавам меди.
Примечание - Алюминиевые провода могут использоваться, если они имеют близкие к сплавам меди характеристики и проведена оценка возможности их использования в каждом конкретном случае.
Требование не распространяется на нетоковедущие детали, такие как винты контактных зажимов.
Токоведущие детали должны быть стойкими к коррозии или соответствующим образом защищены от нее.
Примечание - Медь и сплавы с содержанием меди не менее 50 % соответствуют этому требованию.
Проверку проводят внешним осмотром и, при необходимости, химическим анализом.
4.11.5. Токоведущие детали не должны иметь прямого контакта с деревянными поверхностями и деталями.
Проверку проводят внешним осмотром.
Проверку проводят приведением электромеханического соединителя в действие 100 раз со скоростью, соответствующей применяемой на практике («действие» означает соединение или размыкание контакта). Испытание проводят при нормируемом напряжении переменного тока и значении испытательного тока, равном 1,25 нормируемого для данного соединителя. Коэффициент мощности устанавливают равным 0,6, кроме случаев, когда в маркировке указана только омическая нагрузка, при которой коэффициент мощности равен 1,0.
Если в маркировке светильника указаны одновременно и омическая, и индуктивная нагрузки, то испытание проводят при коэффициентах мощности 1,0 и 0,6.
До и после испытания через электромеханический соединитель пропускают ток, равный 1,5 нормируемого, при этом падение напряжения на каждом контакте не должно превышать 50 мВ.
После испытания электромеханический соединитель должен подвергаться проверке электрической прочности изоляции согласно 10.2.
В результате испытания образцы не должны иметь:
- износа, препятствующего их дальнейшему использованию;
- повреждения корпусов или перегородок;
- зазоров в электрических или механических соединениях.
Механические испытания электромеханических соединителей согласно 4.14.3 проводят одновременно с настоящими электрическими испытаниями.
4.12 Винтовые и другие (механические) соединения и сальники
Винты не должны изготовляться из мягких или подверженных ползучести материалов.
Примечание - Примерами таких материалов являются цинк, некоторые марки алюминия и термопластики.
Обслуживаемые при эксплуатации винты не должны быть из изоляционного материала, если их замена на металлические не нарушает целостность дополнительной или усиленной изоляции.
Винты, используемые для обеспечения непрерывности заземления, например винты крепления ПРА и других компонентов, должны удовлетворять требованиям первого абзаца настоящего пункта (что касается ПРА, то, по крайней мере, один из винтов крепления должен выполнять механические и электрические функции).
Замену винта, удерживающего ПРА, не рассматривают как функцию обслуживания.
Винты из изоляционного материала, используемые в устройстве крепления кабеля или шнура, могут непосредственно прижиматься к оболочке кабеля или шнура, т.к. замена таких винтов не относится к функции обслуживания.
Проверку проводят внешним осмотром, а винты и гайки, передающие контактное давление или которые, вероятно, будет затягивать потребитель, должны быть подвергнуты пяти циклам затягивания и ослабления. При этом винты и гайки из изоляционного материала должны быть полностью удалены в течение каждой операции ослабления резьбового соединения. В процессе испытаний не должно возникать повреждений, ухудшающих введение и затягивание резьбового соединения. После испытаний должна быть сохранена возможность введения винтов или гаек, изготовленных из изоляционного материала, предназначенным способом.
Испытание проводят соответствующим динамометрическим инструментом, прикладывая вращающий момент, значение которого указано в таблице 4.1, кроме винтов из изоляционного материала, используемых для разгрузки шнуров от натяжения и непосредственно упирающихся в кабель или шнур (для этих винтов вращающий момент равен 0,5 Н·м).
Таблица 4.1 - Испытательный вращающий момент для резьбы
|
Вращающий момент, Н·м |
Номинальный диаметр резьбы, мм |
Вращающий момент, Н·м |
|||||
|
1 |
2 |
3 |
1 |
2 |
3 |
||
|
До 2,8 включ. |
0,20 |
0,40 |
0,40 |
Св. 4,7 до 5,3 включ. |
0,80 |
2,00 |
1,00 |
|
Св. 2,8 до 3,0 включ. |
0,25 |
0,50 |
0,50 |
» 5,3 » 6,0 » |
- |
2,50 |
1,25 |
|
» 3,0 » 3,2 » |
0,30 |
0,60 |
0,50 |
» 6,0 » 8,0 » |
- |
8,00 |
4,00 |
|
» 3,2 » 3,6 » |
0,40 |
0,80 |
0,60 |
» 8,0 » 10,0 » |
- |
17,00 |
8,50 |
|
» 3,6 » 4,1 » |
0,70 |
1,20 |
0,60 |
» 10,0 » 12,0 » |
- |
29,00 |
14,50 |
|
» 4,1 » 4,7 » |
0,80 |
1,80 |
0,90 |
» 12,0 » 14,0 » |
- |
48,00 |
24,00 |
|
|
|
|
|
» 14,0 » 16,0 » |
- |
114,00 |
57,00 |
Форма лезвия отвертки должна соответствовать шлицу испытуемого винта. Не допускается затяжка винта рывками. Повреждения оболочки во внимание не принимают.
Значения графы 1 таблицы 4.1 относятся к металлическим винтам без головок, если вворачиваемый винт не выступает из отверстия.
Значения графы 2 относятся:
- к другим металлическим винтам и гайкам;
- к винтам из изоляционного материала, имеющим:
шестигранную головку, размеры которой в плоскости головки превышают наружный диаметр резьбы,
цилиндрическую головку с углублением под ключ, поперечные размеры которого превышают наружный диаметр резьбы,
головку с щелевым или перекрестно-щелевым шлицем, длина которого в 1,5 раза больше наружного диаметра резьбы.
Значения графы 3 относятся к остальным винтам из изоляционного материала.
Значения вращающих моментов для винтов диаметром св. 6,0 мм относятся только к винтам из стали и аналогичного материала, которые предназначены главным образом для крепления светильника на монтажной поверхности.
Значения вращающих моментов для винтов диаметром св. 6,0 мм не распространяются на ниппельную резьбу патронов для ламп, требования к которой указаны в разделе 15 МЭК 60238.
Требования данного пункта не распространяются на металлические гайки, используемые для крепления кнопочных выключателей.
4.12.2. Винты, обеспечивающие контактное давление, и винты номинальным диаметром менее 3 мм, используемые при сборке или замене ламп, должны ввинчиваться в резьбу в металле.
К винтам или гайкам, используемым при сборке светильника или замене ламп, относятся винты или гайки для крепления оболочек, крышек и т.п. Требование не распространяется на резьбовые трубные соединения, винты для крепления светильника на монтажной поверхности, винты или гайки для крепления рукой стеклянных оболочек и крышек с резьбой.
Проверку проводят внешним осмотром, а винтов, используемых при сборке светильника или замене ламп, - испытанием согласно 4.12.1.
4.12.3. Не используется.
4.12.4. Резьбовые и другие неподвижные соединения различных деталей светильников не должны ослабляться под воздействием вращающих моментов, изгибающих нагрузок, вибрации и т.п., которые могут возникать при нормальной эксплуатации. Неподвижные консоли и трубы подвески должны быть надежно закреплены.
Примечание - Примерами способов защиты от ослабления являются пайка, сварка, клепка, гайки со стопором и стопорные винты.
Проверку проводят внешним осмотром и попыткой ослабления элементов соединений приложением вращающего момента, не превышающего:
2,5 Н·м - для резьбы до М10 включ. или соответствующих диаметров;
5,0 Н·м - для резьбы св. М10 или соответствующих диаметров.
Проверку патронов, в которых замену ламп производят вращением, следует проводить внешним осмотром и попыткой ослабления блокировки резьбовых соединений приложением в течение 1 мин вращающего момента не менее:
4,0 Н·м - для патронов E40;
2,0 Н·м - для патронов Е26, Е27 и В22;
1,2 Н·м - для патронов Е14 и В15 (исключая патроны, в которых используются свечеобразные лампы);
0,5 Н·м - для патронов Е14 и Е15 для свечеобразных ламп;
0,5 Н·м - для патронов Е10.
Устройство крепления кнопочных выключателей подвергают воздействию вращающего момента не менее 0,8 Н·м.
Во время испытания резьбовые соединения не должны ослабляться.
4.12.5. Резьбовые сальники должны подвергаться следующему испытанию.
В них вставляют металлические цилиндрические стержни, диаметр которых равен целому числу миллиметров минимального внутреннего диаметра уплотнения. Сальники затягивают соответствующим гаечным ключом с приложением в течение 1 мин силы, значение которой указано в таблице 4.2, в точке на расстоянии 250 мм от оси сальника.
Таблица 4.2 - Испытание сальников на воздействие крутящего момента
|
Сила, Н |
||
|
Металлические сальники |
Сальники из изоляционных материалов |
|
|
До 14 включ. |
25 |
15 |
|
Св. 14 до 20 включ. |
30 |
20 |
|
» 20 |
40 |
30 |
После испытания светильник и сальники не должны иметь повреждений.
4.13 Механическая прочность
Проверку проводят ударами по образцу пружинным ударным устройством по МЭК 60068-2-63 или любым другим устройством, обеспечивающим аналогичные результаты.
Примечание - Одинаковые значения энергии удара, полученные разными методами, не обязательно приводят к одинаковым результатам испытаний.
Пружина ударника должна быть такой, чтобы произведение длины сжатой пружины, в миллиметрах, на создаваемую силу, в ньютонах, было равно 1000. Длина сжатия пружины - 20 мм. Пружина должна регулироваться так, чтобы в момент удара ударник имел энергию и сжатие пружины, указанные в таблице 4.3.
Таблица 4.3 - Энергия удара и сжатие пружины
|
Энергия удара, Н·м |
Сжатие, мм |
|||
|
Хрупкие детали |
Другие детали |
Хрупкие детали |
Другие детали |
|
|
Встраиваемые, стационарные обычные и переносные настенные |
0,20 |
0,35 |
13 |
17 |
|
Переносные напольные и настольные, для кино- и фотосъемки |
0,35 |
0,50 |
17 |
20 |
|
Прожекторы заливающего света, светильники для освещения улиц и дорог, для бассейнов, переносные для садов, детские игровые светильники |
0,50 |
0,70 |
20 |
24 |
|
Светильники для тяжелых условий обслуживания, ручные и световые гирлянды |
Применяют другие методы испытаний. |
|||
|
Примечание - Патроны для ламп и другие компоненты испытывают только в том случае, если они выходят за контур светильника. Цилиндрическую часть патронов для ламп не подвергают испытанию, так как при нормальной работе эта деталь сопрягается с лампой. Хрупкие детали - это детали из стекла, светопропускающие оболочки, обеспечивающие защиту от попадания пыли, твердых частиц и влаги, детали из керамики, а также мелкие детали, выступающие за пределы оболочки менее чем на 26 мм, или если площадь их поверхности не более 4 см2. Защитные экраны, к которым предъявляют требования 4.24, рассматривают как хрупкие детали. |
||||
Испытаниям не подвергают светопропускающие оболочки, не обеспечивающие защиту от поражения электрическим током, от УФ излучения, попадания пыли, твердых частиц и влаги, а также лампы.
Образец устанавливают или закрепляют как в условиях эксплуатации на жестком деревянном основании, кабельные вводы оставляют открытыми, выламываемые при монтаже отверстия открывают, винты для крепления оболочек и аналогичные им затягивают с приложением вращающего момента, равного 2/3 значения, указанного в таблице 4.1.
Три удара должны наноситься в наиболее слабую точку, обращая особое внимание на изоляционный материал, защищающий токоведущие детали, и втулки из изоляционного материала, если они имеются. Для выявления такой точки могут потребоваться дополнительные образцы; при сомнении испытания должны быть повторены на новом образце, по которому наносят только три удара.
После испытания образец не должен иметь повреждений, при которых:
1) токоведущие детали могут стать доступными для прикосновения;
2) снижается эффективность изоляционных прокладок и перегородок;
3) снижается заданная степень защиты от попадания пыли, твердых частиц и влаги;
4) не обеспечивается снятие и замена наружных оболочек без повреждения их и изоляционных прокладок.
Допускаются отдельные повреждения корпуса светильника, если при этом не снижается его безопасность.
Двойную, дополнительную или усиленную изоляции подвергают проверке на электрическую прочность по разделу 10.
Не принимают во внимание повреждения наружной поверхности, небольшие вмятины, если они не уменьшают пути утечки и воздушные зазоры ниже значений, указанных в разделе 11, а также небольшие сколы, если они не снижают защиту от поражения электрическим током и степень защиты от попадания пыли, твердых частиц и влаги.
4.13.2. Металлические части светильника, закрывающие токоведущие детали, должны иметь соответствующую механическую прочность.
Проверку проводят согласно 4.13.3 - 4.13.5.
Во время испытания металлические части не должны касаться токоведущих деталей. После испытания оболочки не должны иметь деформаций, а светильник должен соответствовать требованиям раздела 11.
4.13.4. Светильники для тяжелых условий эксплуатации
Светильники должны иметь степень защиты от воздействия пыли, твердых частиц и влаги не ниже IP54.
Светильники не должны быть класса защиты 0 от поражения электрическим током.
Проверку проводят внешним осмотром и соответствующим испытанием по 9.2.0.
Светильники должны иметь достаточную механическую прочность и не должны отклоняться от определенных положений в процессе нормальной эксплуатации. Кроме того, средства крепления, посредством которых фиксируют светильник, также должны иметь достаточную механическую прочность.
Проверку проводят испытаниями по подпунктам a) - d).
a) Стационарные и переносные (без рукоятки) светильники для тяжелых условий эксплуатации.
Каждый из трех образцов должен быть подвергнут трем одиночным ударам в наиболее слабые точки корпуса. Образец без лампы (или ламп) устанавливают как в условиях эксплуатации на жесткую опору.
Удары наносят, как показано на рисунке 21, стальным шаром диаметром 50 мм и массой 0,51 кг, сбрасывая его на образец с высоты Н = 1,3 м, что обеспечивает энергию удара 6,5 Н·м.
Каждый из трех образцов светильников наружного освещения должен быть дополнительно охлажден до температуры минус (5 ± 2) °С в течение 3 ч.
При этой температуре образцы должны быть подвергнуты описанному выше испытанию на удар.
b) Ручные светильники для тяжелых условий эксплуатации.
Светильники четыре раза бросают с высоты 1 м на бетонную поверхность. Перед сбрасыванием светильник должен находиться в горизонтальном положении, при этом каждый раз его поворачивают на 90° вокруг своей оси.
При испытании лампы извлекают из светильника, а защитные стекла, если они имеются, оставляют.
После испытания согласно 4.13.4 а) или 4.13.4 b) светильник не должен иметь повреждений, снижающих безопасность и препятствующих его дальнейшему использованию. Детали, защищающие лампу от повреждения, не должны ослабляться.
Примечание - Детали могут иметь незначительные деформации. Разрушением защитного стекла или светопропускающей оболочки можно пренебречь, если они не являются единственным средством защиты ламп от повреждения.
c) Светильники, укомплектованные стойкой.
Лампу(ы) удаляют перед испытаниями.
Светильник на стойке не должен опрокидываться при отклонении от вертикали на угол 6°. Светильник не должен разрушаться после четырех падений при отклонении на угол 15° от вертикали.
Устройство крепления стойки должно выдержать воздействие четырехкратного веса светильника в наиболее неблагоприятном положении последнего.
Если светильник во время испытания неустойчив на плоскости, отклоненной на угол 15° от вертикали, испытание 12.5.1 проводят со светильником на горизонтальной плоскости, в наиболее неустойчивом положении, которое более вероятно при эксплуатации.
d) Светильники для временной установки, пригодные для крепления на стержне.
Светильник должен выдержать четыре удара в результате следующего испытания.
Лампу(ы) удаляют перед испытанием.
Светильник закрепляют на алюминиевом стержне около бетонной или кирпичной стены. Длина стержня - согласно инструкции по монтажу.
Светильник поднимают, пока стержень не займет горизонтальное положение, и затем отпускают для свободного удара о стену.
После испытания безопасность светильников не должна снижаться.
4.13.6. Трансформаторы или ПРА со штепсельными вилками и светильники с креплением в штепсельную розетку должны иметь соответствующую механическую прочность.
Проверку проводят испытанием в барабане по рисунку 25.
Барабан вращают с частотой 5 мин-1, обеспечивая 10 падений образца.
Образец падает с высоты 50 см на стальную пластину толщиной 3 мм:
50 раз, если масса образца не более 250 г;
25 раз, если масса образца более 250 г.
После испытания образец не должен иметь повреждений, нарушающих требования настоящего стандарта. Разрушения стеклянной оболочки, не влияющие на работоспособность, не учитывают. Небольшие сколы также не учитывают, если они не нарушают защиту от поражения электрическим током.
Перекос штырей штепсельной вилки, повреждение покрытий и мелкие вмятины не учитывают, если они не снижают пути утечки и воздушные зазоры ниже значений, указанных в разделе 11.
4.14 Устройства подвески и регулирования
4.14.1. Устройства подвески должны иметь достаточную механическую прочность.
Проверку проводят следующими испытаниями.
Испытание А. Для всех подвесных светильников.
К светильнику в течение 1 ч перпендикулярно к плоскости подвеса прикладывают постоянную равномерную нагрузку, равную его четырехкратной массе.
После испытания детали узла подвески не должны иметь заметной деформации. При наличии нескольких узлов крепления или подвески каждое из них испытывают отдельно.
К регулируемым устройствам подвески нагрузку прикладывают при полностью растянутом витом кабеле.
Испытание В. Для жестких устройств подвески светильников.
К светильнику в течение 1 мин прикладывают сначала по часовой стрелке, а затем против нее вращающий момент 2,5 Н·м. При испытании недопустимо вращение светильника в каждом направлении более чем на один оборот относительно закрепленной детали.
Испытание С. Для жестких консолей.
Особенности испытания таких консолей следующие.
a) Для рассчитанных на большую нагрузку консолей (например для производственных цехов) должна быть приложена в течение 1 мин сила 40 Н к свободному концу консоли во всех возможных направлениях, когда стрела консоли закреплена как в условиях эксплуатации. Изгибающий момент при этом должен быть не менее 2,5 Н·м. После прекращения действия силы стрела консоли не должна иметь остаточных смещений или деформаций, снижающих ее прочность.
b) Для рассчитанных на небольшие нагрузки консолей (например для жилых помещений) испытание, аналогичное указанному в подпункте а), должно проводиться приложением в течение 1 мин силы 10 Н, создающей изгибающий момент не менее 1,0 Н·м.
Испытание D. Для светильников, устанавливаемых на шинопровод.
Масса светильника должна быть не больше значения максимальной нагрузки, на которую рассчитан шинопровод, что сообщается изготовителем шинопровода.
Испытание Е. Для светильников с зажимом для крепления.
Силу прикладывают к кабелю в течение 1 мин в наиболее неблагоприятном положении, возможном при эксплуатации светильника.
Посредством зажима светильник крепят к стандартной испытательной полке, изготовленной из обычного листового стекла минимальной толщиной 10 мм, и к полке с максимальной толщиной стекла, на которую рассчитан зажим. Для этого испытания толщину полки увеличивают св. 10 мм. Зажим должен удерживаться на полке при воздействии силы 20 Н.
Дополнительно светильники с зажимом для крепления испытывают на хромированном металлическом полированном стержне диаметром 20 мм. Светильник не должен проворачиваться на стержне под действием собственного веса и сдвигаться при приложении к кабелю усилия 20 Н. Это испытание не проводят на светильниках, в маркировке которых указано: «Не предназначены для крепления на трубе».
Примечания
1. Предельная толщина полки св. 10 мм определяется возможностью закрепления зажима на ней.
2. Для создания необходимой толщины полки допускается многослойная конструкция, внешние поверхности которой выполнены из обычного стекла.
4.14.2. Масса светильника, подвешиваемого на гибком кабеле или шнуре, не должна превышать 5 кг. Суммарное номинальное сечение жил гибких кабелей или шнуров должно быть таким, чтобы нагрузка на каждую жилу не превышала 15 Н/мм2.
При расчете нагрузки учитывают только токопроводящие жилы.
Если светильник массой более 5 кг предназначается для подвески, то конструкции светильника, гибкого кабеля или шнура должны исключать механические нагрузки на токопроводящие жилы.
Примечание - Требование выполняется применением кабеля с грузонесущими жилами.
Масса и вращающий момент ламп-светильников, предназначенных для ввинчивания в резьбовые или вставления в байонетные патроны, не должны превышать значений, указанных в таблице 4.4. Вращающий момент определяется относительно точки контакта(ов) лампы-светильника с центральным контактом резьбового или плунжером байонетного патрона в полностью вставленном положении.
Таблица 4.4 - Испытание ламп-светильников
|
Светильник |
||
|
Масса, кг, не более |
Вращающий момент, Н·м, не более |
|
|
Е14 и В15 |
1,8 |
0,9 |
|
Е27 и В22 |
2,0 |
1,8 |
|
Примечание - Эти значения меньше тех, при которых должна испытываться прочность крепления патрона обычных светильников. |
||
Проверку проводят внешним осмотром, измерениями и расчетом.
Примечание - Если светильник имеет более одного шарнира, то вышеуказанные условия применяют к каждому шарниру, если они не работают совместно. Каждый случай необходимо оценивать в конкретной ситуации.
Проверку проводят следующим испытанием.
Устройство регулировки, оснащенное соответствующим кабелем или шнуром, должно выдерживать указанное в таблице 4.5 число циклов перемещения. Цикл состоит из перемещения из одного крайнего положения в другое с возвратом в исходное положение. Частота перемещений должна быть не более 600 цикл/ч и не должна вызывать заметный разогрев устройства регулировки.
Для электромеханического соединителя это испытание проводят одновременно с испытанием электрического соединения по 4.11.6.
Проверку проводят внешним осмотром.
Результат испытания считают положительным при отсутствии видимых нарушений изоляции шнура и наличии в жиле не более 50 % сломанных проволок. Шнур или кабель должны выдерживать испытания на сопротивление и электрическую прочность изоляции по разделу 10.
Шаровые шарниры и подобные устройства, обеспечивающие фиксацию зажимом, испытывают при легком зажатии во избежание избыточного трения. При необходимости зажимные устройства могут быть подрегулированы в процессе испытания.
Нормальный диапазон регулирования устройства, состоящего только из гибкого шланга, составляет 135° в обе стороны от вертикали. Если такое отклонение имеет место в результате значительного усилия, допускается изгибать шланг только до положения, при котором не наблюдается его самовозвращение.
Таблица 4.5 - Испытания устройств регулировки
|
Число циклов перемещения |
|
|
Предназначенные для частого регулирования, например для освещения чертежных досок |
1500 |
|
Предназначенные для редкого регулирования, например для освещения витрин |
150 |
|
Предназначенные для регулирования только при установке, например заливающего света |
45 |
Проверку проводят внешним осмотром.
Проверку проводят внешним осмотром.
4.14.6. Трансформаторы и ПРА с вилкой или светильники для крепления в штепсельной розетке, имеющие несъемную штепсельную вилку для присоединения к электрической сети, не должны создавать чрезмерной нагрузки на сетевые розетки.
Проверку требования проводят следующим испытанием.
Изделие вставляют как при нормальном использовании в розетку, свободно вращающуюся вокруг горизонтальной оси, лежащей в плоскости, параллельной лицевой поверхности розетки, отстоящей от нее на 8 мм и пересекающей оси контактных гильз розетки.
Момент, необходимый для восстановления розетки в вертикальное положение, не должен превышать 0,25 Н·м.
Для регулируемых светильников суммарный момент, передаваемый на розетку во время регулирования, не должен превышать 0,5 Н·м.
С испытуемой розетки должен быть демонтирован (если он присутствует) заземляющий контакт, если только не испытывают розетку с защитной шторкой, сдвигаемой при вставлении заземляющего штырька в штепсельную вилку.
4.15 Воспламеняемые материалы
Крышки, рассеиватели, абажуры и подобные детали, не выполняющие функции изоляции и не выдерживающие температуру 650 °С при испытании раскаленной проволокой по 13.3.2, должны быть надлежащим образом отделены от любой нагретой части светильника, могущей привести эти детали к возгоранию. Указанные детали, выполненные из сгораемых материалов, должны иметь установочные или крепежные приспособления, обеспечивающие при необходимости их отделение от нагревающих элементов.
Расстояние до упомянутых выше нагретых деталей должно быть не менее 30 мм, кроме случаев, когда имеется защитный экран, расположенный на расстоянии не менее 3 мм от нагретых деталей. Экран должен выдерживать испытание игольчатым пламенем по 13.3.1, быть без щелей и иметь габариты не менее соответствующих размеров нагретых деталей. Экран необязателен, если светильник имеет эффективную защиту от горящих капель.
Примечание - Требования этого пункта проиллюстрированы на рисунке 4.
Не следует применять в светильниках такие быстровоспламеняющиеся материалы, как целлулоид.
Требования этого пункта не распространяются на мелкие детали, такие как зажимы для проводов, и используемые внутри светильника детали из бумаги, пропитанной смолой.
Не нормируется расстояние до полупроводниковых схем, если значение тока в них при аномальном режиме не более чем на 10 % выше рабочего тока в нормальных условиях.
Не нормируется расстояние до деталей светильников, имеющих термочувствительное устройство защиты крышек, рассеивателей и аналогичных элементов от перегрева.
Требования этого пункта не распространяются на трансформаторы, имеющие оболочки со степенью защиты IP20 или выше и соответствующие МЭК 60742 или МЭК 60989.
Проверку проводят внешним осмотром, измерением и включением светильника в аномальный режим путем медленного и равномерного увеличения тока через обмотку ПРА или трансформатора до тех пор, пока не сработает устройство защиты от перегрева. В процессе и после этого испытания рассеиватели, абажуры и подобные детали не должны воспламеняться, а доступные для прикосновения металлические детали не должны оказываться под напряжением.
Проверку наличия напряжения на доступных для прикосновения деталях проводят испытанием по приложению А.
Детали светильника, изготовленные из термопластичных материалов, должны выдерживать повышенный нагрев, возникающий при аварийных условиях работы ПРА или трансформаторов и электронных устройств, не приводящий к возгоранию.
Это требование должно обеспечиваться:
a) конструкцией светильника:
- чтобы при возникновении аварийного режима компоненты сохраняли свое первоначальное положение вне зависимости от степени перегрева;
- чтобы не было перегрева деталей светильника, защищающих токоведущие части от случайного прикосновения.
Проверку проводят внешним осмотром и/или испытанием по 12.7.1;
b) использованием термочувствительного устройства ограничения температуры нагрева ПРА, трансформатора и электронного преобразователя в фиксированных точках или других подвергающихся тепловому воздействию элементов светильника до безопасного значения. Термочувствительное устройство защиты может быть автоматического или ручного восстановления либо заменяемой плавкой вставкой.
Проверку проводят испытанием по 12.7.2;
c) использованием в светильниках термопластичных материалов, выдерживающих температуры нагрева, возникающие при использовании ПРА с тепловой защитой, в соответствии с дополнительным стандартом.
Проверку проводят испытанием по 12.7.2
4.16 Светильники с маркировкой символом
Для таких светильников чрезмерные температуры, которые могут возникнуть вследствие повреждения компонента, не должны перегревать монтажную поверхность.
Требования 4.16 не распространяются на трансформаторы с оболочкой степени защиты IP20 или выше, соответствующие МЭК 60742 или МЭК 60989. Для трансформаторов или источников питания, входящих в состав светильника и отвечающих МЭК 60742, применяют требования 4.16.1. На электронное устройство управления лампой и малогабаритные индуктивные элементы, которые могут быть встроены в эти компоненты, требования данного раздела не распространяются.
Примечание - Примерами таких малых индуктивностей могут служить катушки с ферритовым или неламинированным сердечником, устанавливаемые обычно на печатной плате.
Для светильников, имеющих устройство управления лампой, соответствие этому требованию должно обеспечиваться либо расположением устройства управления относительно поверхности, на которую монтируется светильник, согласно требованиям 4.16.1, либо использованием тепловой защиты по 4.16.2, либо проверкой по 4.16.3.
Светильники, не содержащие устройства управления лампой, должны проверяться на соответствие требованиям раздела 12.
4.16.1. Устройства управления лампой должны отстоять от монтажной поверхности на расстояния:
a) 10 мм, включая толщину материала корпуса светильника, воздушный зазор не менее 3 мм между наружной поверхностью корпуса светильника и монтажной поверхностью вблизи устройств управления лампой и воздушный зазор не менее 3 мм между устройством управления лампой и внутренней поверхностью корпуса светильника. Если устройство управления лампой не имеет кожуха, то расстояние 10 мм должно отсчитываться от активных частей, например обмоток ПРА.
Примечание - Корпус светильника в плоскости проекции устройств управления лампой не должен иметь отверстий, если расстояние от активной части этого устройства до монтажной поверхности, за исключением требования подпункта b), менее 35 мм,
или
b) 35 мм.
Примечание - Значение 35 мм обеспечивается установкой светильников на скобу и применяется в случаях, если расстояние между устройством управления и монтажной поверхностью менее 10 мм.
В обоих случаях конструкция светильника автоматически обеспечивает необходимый воздушный зазор при его нормальной эксплуатации.
Проверку проводят внешним осмотром и измерениями.
Устройство бесконтактного управления температурой может быть или тепловым прерывателем с автоматическим или ручным восстановлением, или тепловым расцепителем (тепловой прерыватель, срабатывающий только один раз и требующий замены).
Устройство бесконтактного управления температурой, находящееся на наружной поверхности устройства управления лампой, не должно быть в виде штепсельной вилки или иметь легкосъемную конструкцию. Оно должно быть стационарно закреплено на нем.
Примечание - Применение цемента или клея для крепления устройства на ПРА трансформатора недопустимо.
Проверка должна проводиться внешним осмотром и испытанием по 12.6.2.
Требования этого
пункта считают выполненными для светильников, содержащих ПРА или
трансформатор(ы) с тепловой защитой класса Р, маркированных символом
, а
также содержащих ПРА или трансформатор(ы) с тепловой защитой, регламентируемой
температурой в соответствии с символом
, с указанием
температуры 130 °С, согласно
вспомогательному стандарту, без любых дополнительных испытаний.
Светильники, содержащие ПРА или трансформатор(ы) без символа тепловой защиты или с маркировкой температуры ниже 130 °С, должны соответствовать требованиям 4.16.1 или 4.16.3.
4.16.3. Если светильник не соответствует требованиям 4.16.1 и не имеет устройства управления температурой по 4.16.2, то он должен выдерживать испытание по 12.6.
Примечание - Это требование и испытание основаны на предположении, что при неисправности ПРА или трансформатора, например при межвитковом коротком замыкании или замыкании обмотки на корпус, температура обмотки ПРА или трансформатора в течение не менее 15 мин не превысит 350 Т, а температура на монтажной поверхности за это время не превысит 180 °С.
Руководство по
маркировке светильников символом
приведено в приложении N.
4.17 Сливные отверстия
Капле-, дожде-, брызго- и струезащищенные светильники должны иметь одно или несколько отверстий для эффективного слива накопившейся в них воды. Водонепроницаемые светильники не должны иметь таких отверстий.
Проверку проводят внешним осмотром и испытанием по разделу 9.
Примечание - Сливное отверстие на поверхности светильника, соприкасающейся с монтажной поверхностью, эффективно только при наличии зазора не менее 5 мм между этими поверхностями, например за счет выступов, имеющихся на светильнике.
4.18 Защита от коррозии
Примечание - Отдельные испытания по 4.18 и приложению F могут быть разрушающими, поэтому их допускается проводить на дополнительных образцах в соответствии с 0.4.2.
4.18.1. Металлические детали капле-, дожде-, брызго- и струезащищенных, а также водонепроницаемых и герметичных светильников, коррозия которых может нарушить их безопасность, должны иметь соответствующую защиту.
Проверку проводят следующим испытанием.
Испытуемые детали обезжиривают. Затем на 10 мин погружают в 10 %-ный водный раствор хлористого аммония температурой (20 ± 5) °С. Не высушивая, а только стряхнув капли, детали на 10 мин помещают в камеру, воздух которой насыщен влагой, температурой (20 ± 5) °С. После сушки деталей в термостате при температуре (100 ± 5) °С в течение 10 мин на их поверхности не должно быть никаких признаков коррозии.
Примечание - Следы коррозии на острых кромках и желтоватую пленку, удаляемую протиркой, не учитывают.
Для небольших спиральных пружин и подобных деталей, а также деталей, недоступных для протирания, достаточной защитой от коррозии может быть смазка. Проверку таких деталей проводят только при сомнении в эффективности смазки и без ее предварительного удаления.
4.18.2. Контакты и другие детали из меди или медных сплавов, окисление которых может вызвать снижение безопасности светильника, должны быть защищены.
Проверку проводят испытанием по приложению F на образцах, не подвергавшихся другим испытаниям.
4.18.3. Детали из алюминия и его сплавов капле-, дожде-, брызго- и струезащищенных, а также водонепроницаемых и герметичных светильников должны иметь защиту от коррозии, если ее отсутствие может вызвать снижение безопасности светильников.
Примечание - В приложении L приведено руководство по защите от коррозии.
4.19 Импульсные зажигающие устройства
Импульсные зажигающие устройства, используемые в светильниках, должны быть электрически совместимы с установленным в нем ПРА.
Проверку проводят внешним осмотром.
4.20 Светильники для тяжелых условий эксплуатации, требования к вибрации
Светильники должны иметь достаточную устойчивость к вибрации.
Проверку проводят следующим испытанием.
Светильник закрепляют на вибростенде в наиболее неблагоприятном положении, имеющем место при эксплуатации.
Параметры вибрации в наиболее неблагоприятном направлении:
- длительность - 30 мин;
- амплитуда - 0,35 мм;
-частота - 10, 55, 10 Гц;
- цикличность - ~ 1 интерв./мин.
После испытания светильник не должен иметь ослабления конструкции, которое может снизить его безопасность.
4.21 Защита от выпадания (галогенных ламп накаливания)
- лампа размещена в колбе (лампа накаливания общего назначения)*;
- применяется галогенная лампа накаливания низкого давления, указанная в 9.1 МЭК 60357.
4.21.2 Части держателей лампы должны быть сконструированы так, чтобы осколки разрушенной лампы не могли создать опасную ситуацию.
Лампа должна соответствовать МЭК 60432-2.
4.21.4. Проверку по 4.21.1 и 4.21.3 проводят осмотром и следующими испытаниями:
- защитный экран должен выдерживать испытание на удар (4.13.1) с энергией удара по таблице 4.3 для хрупких частей;
- детали узла крепления лампы, если они изготовлены из изоляционных материалов, должны выдерживать испытания на огнестойкость по 13.3.2.
Примечание - Данное требование предъявлено с целью повышения безопасности путем исключения возможности поражения потребителя при повреждении лампы или неправильной ее установке. Существующие открытые светильники без защитного экрана лампы не обязательно представляют собой опасность.
4.22 Пристраиваемые к лампам приспособления
Светильники не должны содержать пристраиваемых к лампам приспособлений, которые могут вызвать дополнительный нагрев или повреждение ламп, цоколей ламп или патронов светильников или приспособлений.
Приспособления, пристраиваемые к люминесцентным лампам, могут быть использованы, только если они оговорены или приложены изготовителем светильника. Общая масса лампы с приспособлениями должна быть не более:
100 г - для ламп с цоколем G5;
500 г - для ламп с цоколем G13.
Проверку проводят внешним осмотром, взвешиванием и измерением температуры, если необходимо.
Примечание - Примерами пристраиваемых к лампам приспособлений, которые не соответствуют этому требованию, являются чашеобразные зеркальные отражатели, отражатели вокруг ламп и т.п. Примерами приспособлений, которые могут быть допущены, являются легкие рассеиватели, крепящиеся к лампам пружинами или иными аналогичными устройствами.
4.23 Лампы-светильники
Лампы-светильники должны соответствовать всем требованиям для светильников класса защиты II.
Примечание - Символ класса защиты не указывают, если он проставляется на светильнике, в комплект которого входит лампа-светильник.
4.24 УФ излучение
Светильники не должны создавать излучение выше установленных норм.
Примечание - См. приложение Р, в котором в разделе Р.2 или Р.3 приведен метод расчета эффективной защиты от излучения.
4.25 Механическая безопасность
Светильники не должны иметь острых ребер или выступающих острых углов, которые могут при монтаже и эксплуатации создавать опасность для пользователя.
Проверку проводят внешним осмотром.
4.26 Защита от короткого замыкания
4.26.1. Для защиты от случайного замыкания неизолированных токоведущих частей противоположной полярности в светильниках БСНН должны быть предусмотрены соответствующие меры.
Примечание - Светильники класса защиты III, питающиеся от отдельного источника питания БСНН, не входящего в комплект поставки, должны иметь один изолированный проводник.
Если изоляция не предусмотрена, то изготовитель должен указать максимальную выходную мощность источника питания и требования к источнику БСНН, и с этим трансформатором (преобразователем) должны быть проведены испытания по 4.26.2.
4.26.2. На испытуемый образец при номинальной нагрузке подают напряжение 0,9 - 1,1 нормируемого значения. Испытательную цепочку согласно 4.26.3 помещают на доступные неизолированные части БСНН. Цепочка должна перемыкать неизолированные части по кратчайшему пути, иметь на каждом конце груз не более 250 г и создавать общую нагрузку, равную (15 x) г, где x - расстояние между проводниками в ненагруженном состоянии, см.
Цепочка не должна плавиться, а температура в любом месте испытуемого образца не должна превышать значений, указанных в таблицах 12.1 и 12.2.
4.26.3. Испытательная цепочка - определенной длины металлическая цепь без изоляции, соответствующая МЭК 61032, рисунок 10, изготовленная из сплава меди (63 %) и цинка (37 %). Цепочка должна иметь удельное сопротивление, равное 0,05 Ом/м ± 10 % при растягивании ее с усилием 200 г/м.
Примечание - Значение сопротивления цепочки должно проверяться перед каждым испытанием.
5 Внешние провода и провода внутреннего монтажа
5.1 Общие положения
Настоящий раздел устанавливает общие требования присоединения к электрической сети и проводам внутреннего монтажа светильников.
5.2 Присоединение к сети и другие внешние провода
5.2.1. Светильники должны иметь один из следующих способов присоединения к сети:
- стационарные светильники - контактные зажимы, штепсельные вилки для присоединения к розетке, монтажные концы, несъемные гибкие кабели или шнуры, переходник для присоединения к шинопроводу, приборные вилки;
- обычные переносные светильники - несъемные гибкие кабели или шнуры, приборные вилки;
- остальные переносные светильники - несъемные гибкие кабели или шнуры;
- светильники для монтажа на шинопроводе - переходники или соединители;
- лампы-светильники - резьбовой или байонетный цоколь.
Переносные настенные светильники, имеющие фиксированную распределительную коробку с присоединением через шнур, могут поставляться без несъемного гибкого кабеля или шнура, если к светильнику приложена инструкция по монтажу.
Светильники, заявленные изготовителем как светильники для наружного освещения, не должны иметь ПВХ изоляцию внешней проводки.
Примечание - Австралия, Австрия и Япония допускают применение кабелей с ПВХ изоляцией для светильников наружного освещения.
5.2.2. Поставляемые изготовителем светильника гибкие кабели или шнуры, предназначенные для присоединения к сети, должны иметь механические и электрические характеристики не ниже указанных в таблице 5.1 типов по МЭК 60227, МЭК 60245 и быть устойчивы к повышенным температурам, которые могут иметь место в условиях эксплуатации.
Материалы оболочки, отличные от ПВХ и резины, считают эквивалентными, если выполняются указанные выше требования, но тогда на них не распространяются требования части 2 указанных выше стандартов МЭК.
Таблица 5.1 - Типы несъемных гибких кабелей или шнуров
|
Кабели или шнуры |
||
|
с резиновой оболочкой |
с ПВХ оболочкой |
|
|
Класса защиты 0 |
60245 IEC 51S |
60227 IEC 42 |
|
Обычные класса защиты I |
60245 IEC 51S |
60227 IEC 52 |
|
Обычные класса защиты II |
60245 IEC 53 |
60227 IEC 52 |
|
Отличные от обычных |
60245 IEC 57 |
- |
|
Переносные для тяжелых условий обслуживания |
60245 IEC 66 |
- |
|
Примечание - При напряжении питания св. 250 В необходимо использовать кабели и шнуры на более высокие напряжения, чем указанные в таблице. |
||
Для обеспечения необходимой механической прочности номинальное сечение жил должно быть не менее:
0,75 мм2 - для обычных светильников;
1,0 мм2 - для всех остальных светильников.
Если светильник содержит розетку на 10/16 А, то номинальное сечение гибкого провода должно быть не менее 1,5 мм2.
5.2.4. Проверку требований 5.2.1 - 5.2.3 проводят внешним осмотром и, при необходимости, установкой соответствующего гибкого кабеля или шнура.
5.2.5. Крепление типа Z не должно быть винтовым.
5.2.6. Кабельные вводы должны снабжаться трубками или оболочками, чтобы защитить жилы кабеля или гибкого шнура от повреждения, и при этом должна быть обеспечена защита от пыли, твердых частиц и влаги в соответствии с классификацией светильника.
Проверку требований 5.2.5 - 5.2.7 проводят внешним осмотром и пробным монтажом.
5.2.8. Если в светильниках класса защиты II, в регулируемых светильниках или в переносных светильниках, кроме настенных, питающие гибкие кабели или шнуры проходят через непосредственно доступные для прикосновения металлические детали или металлические детали, имеющие контакт с доступными металлическими частями, отверстия для ввода кабеля должны иметь втулки из изоляционного материала с округленными краями. Крепление втулок должно исключать возможность их свободного снятия. Втулки, материал которых со временем разрушается (например, резина), не должны использоваться в отверстиях с острыми кромками.
Примечание - Термин «свободное снятие» используют для описания втулки, снимаемой рукой или устанавливаемой на резьбе без контргайки или блокировки самотвердеющей смолой.
Трубки или другие средства защиты гибких кабелей или шнуров в месте их ввода в светильник должны быть из изоляционного материала.
Спиральные металлические пружины и аналогичные детали, даже если они имеют изоляционное покрытие, не являются защитой.
Проверку проводят внешним осмотром.
5.2.9. Втулки с резьбой должны быть жестко закреплены в светильнике. Если они приклеиваются, то должна использоваться самотвердеющая смола.
Проверку проводят внешним осмотром.
5.2.10. Светильники, содержащие или рассчитанные на использование несъемных гибких кабелей или шнуров, должны иметь такое устройство их крепления, которое защищает жилы от натяжения и скручивания, если они присоединяются к контактным зажимам, а их оболочку - от истирания. Способ защиты от натяжения и скручивания должен быть четко виден. Испытания светильников, которые поставляются без кабеля или шнура, должны проводиться с соответствующими кабелями или шнурами максимального и минимального размеров, рекомендуемых изготовителем светильника.
Не допускается такой ввод в светильник гибкого кабеля или шнура, при котором они подвергаются избыточным механическим или тепловым нагрузкам. Не допускается связывание кабеля или шнура внутри светильника узлом или привязывание их концов шпагатом.
Устройство крепления шнура должно быть из изоляционного материала или содержать жестко закрепленную изоляционную прокладку с целью защиты доступных для прикосновения металлических деталей от попадания под напряжение при повреждении изоляции кабеля или шнура.
5.2.10.1. В светильниках, предназначенных для использования с несъемными гибкими кабелями или шнурами, присоединяемыми по типу X, устройство крепления последних должно соответствовать следующим требованиям:
a) по крайней мере, одна из деталей устройства должна быть жестко закреплена на светильнике или выполнена заодно с ним.
Примечание - Устройство считают жестко закрепленным или единым целым со светильником, когда в него вставлены провода и светильник полностью собран;
b) устройства должны быть рассчитаны на гибкие кабели или шнуры разных типов, которые используют для присоединения к светильнику, за исключением случаев, когда светильник допускает присоединение только кабеля или шнура одного типа;
c) устройства не должны повреждать кабель или шнур, и не должно быть повреждений устройства, когда его затягивают или ослабляют при эксплуатации;
d) устройства должны обеспечивать введение в них штатного кабеля или шнура с оболочкой, если она предусмотрена;
e) кабель или шнур не должны соприкасаться с металлическими зажимными винтами устройства, которые могут быть доступны для прикосновения;
f) кабель или шнур не должны крепиться металлическим винтом, который опирается непосредственно на кабель или шнур;
g) замена кабеля или шнура должна производиться без использования специального инструмента.
В переносных или регулируемых светильниках сальники не должны использоваться в качестве устройства крепления шнура, кроме случаев, когда сальники универсальны и пригодны для кабелей и шнуров всех типов и размеров, которые могут быть применены для присоединения к электрической сети. Для крепления кабеля или шнура может использоваться устройство типа «лабиринт», если конструкция или соответствующая маркировка четко указывают способ установки гибкого кабеля или шнура.
Проверку проводят испытанием по 5.2.10.3.
5.2.10.2. Крепление кабелей, производят согласно типам Y и Z (5.2.3).
Проверку проводят испытанием по 5.2.10.3.
Примечание - Испытанию подлежат кабели или шнуры, поставляемые со светильником.
Жилы вводят в контактные зажимы и винты, если они имеются, и затягивают их так, чтобы препятствовать легкому смещению жил.
Устройством крепления фиксируют кабель, зажимные винты, если они имеются, затягивают с приложением вращающего момента, равного 2/3 значения, указанного в таблице 4.1.
После этого должны быть исключены перемещения кабеля или шнура внутри светильника, смещение их жил в контактном зажиме, соприкосновение кабеля или шнура с подвижными деталями или деталями, рабочая температура которых выше рабочей температуры изоляции жил.
Затем кабель или шнур подвергают 25 циклам воздействия растягивающего усилия, значение которого указано в таблице 5.2.
В каждом цикле силу прикладывают без рывков в течение 1 с. В процессе испытания проводят измерение продольного смещения кабеля или шнура. Для этого перед первым циклом на кабель или шнур на расстоянии 20 мм от устройства крепления наносят специальную метку, которая после 25 циклов не должна сместиться более чем на 2 мм.
После этого кабель или шнур подвергают воздействию вращающего момента, значение которого указано в таблице 5.2.
В процессе и после указанных выше испытаний не должно быть заметного сдвига жил в контактных зажимах, а кабель или шнур не должны иметь повреждений.
Таблица 5.2 - Испытания устройств крепления
|
Сила, Н |
Вращающий момент, Н·м |
|
|
До 1,5 включ. |
60 |
0,15 |
|
Св. 1,5 до 3,0 включ. |
60 |
0,25 |
|
» 3,0 » 5,0 » |
80 |
0,35 |
|
» 5,0 » 8,0 » |
120 |
0,35 |
5.2.11. Если внешняя проводка входит внутрь светильника, то она должна отвечать требованиям к проводам внутреннего монтажа.
Проверку проводят испытанием по 5.3.
5.2.12. Стационарные светильники для шлейфового присоединения должны иметь контактные зажимы, обеспечивающие электрическую непрерывность сетевого кабеля в светильнике, в котором кабель не должен заканчиваться.
Проверку проводят внешним осмотром.
5.2.13. Концы гибких многопроволочных жил могут быть облужены, но без избытка припоя, если только не предусмотрено устройство защиты от ослабления первоначально затянутых зажимных соединений на холоде из-за текучести припоя (см. рисунок 28).
Примечание - Это требование обеспечивают пружинные контактные зажимы. Крепление только зажимными винтами недостаточно для предотвращения ослабления соединения с облуженными жилами на холоде из-за текучести припоя.
5.2.14. Если изготовитель вместе со светильником поставляет вилку, то последняя должна иметь одинаковые со светильником класс защиты от поражения электрическим током и степень защиты от попадания пыли, твердых частиц и влаги.
Светильник класса защиты III не должен иметь вилку, предназначенную для соединения с розеткой в соответствии с МЭК 60083.
5.2.15. Несъемные гибкие кабели и шнуры, а также присоединительные концы светильников с люминесцентными лампами, питаемых от низковольтных источников постоянного тока, должны иметь цветовую маркировку присоединительных полюсов:
«+» - красный;
«-» - черный.
5.2.16. Встроенные в светильники электрические разъемы для подключения к питающей сети, должны соответствовать требованиям МЭК 60320. Светильники шлейфового присоединения класса защиты II не должны иметь разъемы, соответствующие классу защиты I. Возможно применение винтовых или безвинтовых контактных зажимов.
Проверку требований 5.2.13 - 5.2.16 проводят внешним осмотром.
5.3 Провода внутреннего монтажа
Кабели с традиционной изоляцией (ПВХ или резиновая), используемые в качестве сквозной проводки, не обязательны для поставки со светильником, если способ монтажа ясен из инструкций изготовителя. Однако если необходимы специальные кабели или оболочки, пригодные для высоких температур, сквозная проводка всегда должна выполняться изготовителем. В этом случае должно быть выполнено требование 3.3.3 с.
Провода с изоляцией желто-зеленого цвета должны быть использованы только для заземления.
Примечания
1. Допустимая температура изоляции из различных материалов приведена в таблицах раздела 12.
2. Втулки, удовлетворяющие требованию 4.9.2, считают подходящими для защиты перегреваемых участков.
Проверку проводят осмотром и следующим испытанием, выполняемым после тепловых испытаний по разделу 12.
Выходной разъем нагружают согласно указаниям изготовителя или, в случае отсутствия таковых, нормированным током при нормированном напряжении.
По достижении стабильного состояния напряжение повышают в зависимости от типа лампы на 6 % или до увеличения потребляемой мощности на 5 %.
Когда состояние вновь стабилизируется, измеряют температуру на всех компонентах, кабелям др. частях, подверженных влиянию нагревающегося проводника, которая должна соответствовать требованиям 12.4.
5.3.1.1. Внутренняя проводка, непосредственно контактирующая со стационарной сетью, например через клеммную колодку, в случае, когда отключение питания производится внешними устройствами, должна удовлетворять следующим требованиям.
Для нормальных условий эксплуатации при токах, больших 2 А:
- сечение проводника - не менее 0,5 мм2;
- сечение сквозной проводки стационарных светильников - не менее 1,5 мм2;
- толщина ПВХ или резиновой изоляции - не менее 0,6 мм.
Для проводки, защищенной от механических воздействий, и нормальных условий эксплуатации при токах менее 2 А:
- сечение проводника - не менее 0,4 мм2;
- толщина ПВХ или резиновой изоляции - не менее 0,5 мм.
Защиту от механических воздействий считают удовлетворительной, если дополнительная изоляция будет нанесена на следующие участки, которые могут быть причиной повреждения изоляции проводников:
- отверстия труб малого диаметра, через которые провода протягивают в процессе сборки;
- металлические кромки в местах перегиба проводов при сборке.
5.3.1.2. Внутренняя проводка, присоединяемая к стационарной сети через встроенные устройства ограничения максимально потребляемого тока до 2 А, например устройства управления током лампы, плавкие предохранители, автоматы защиты, гасящие сопротивление, или разделительный трансформатор, должна удовлетворять следующим требованиям:
- сечение проводов менее 0,4 мм2 может применяться, если максимальный ток в условиях нормальной эксплуатации, а также протекающий по проводнику ток во время отказа в течение всей его продолжительности не приводят к перегреву изоляции;
- толщина ПВХ или резиновой изоляции менее 0,5 мм может быть использована при условии удовлетворения требованиям по напряжению испытания электрической прочности изоляции.
5.3.1.3. Изоляция светильников класса защиты II, имеющих в условиях нормальной эксплуатации доступные для прикосновения металлические части, должна соответствовать, по крайней мере, в местах контактирования внутренней проводки с питающими проводами, требованиям, предъявляемым по напряжению при испытаниях электрической прочности двойной или усиленной изоляции, т.е. должны быть применимы кабели в оболочках или втулки.
5.3.1.4. Неизолированная проводка может быть использована только при условии, что приняты меры предосторожности, гарантирующие сохранение установленных в разделе 11 путей утечки и воздушных зазоров в соответствии с классом защиты, определенным в разделе 2.
5.3.1.5. Токоведущие части БСНН не обязательно должны быть изолированы. Однако если изоляцию используют, то ее испытывают, как указано в разделе 10.
5.3.1.6. В случае применения изоляционных материалов, имеющих более высокую электрическую и механическую прочность, чем ПВХ или резина, толщина изоляции должна быть выбрана так, чтобы обеспечить тот же уровень защиты.
5.3.2. Провода внутреннего монтажа должны быть размещены или защищены так, чтобы исключалась возможность их повреждения острыми кромками, заклепками, винтами и подобными деталями или подвижными элементами выключателей, шарниров, устройств подъема и спуска телескопических труб и аналогичных деталей. Провода не должны скручиваться более чем на 360° относительно своей продольной оси.
Проверку проводят внешним осмотром (см. также 4.14.4 и 4.14.5) и испытанием по 4.14.3.
5.3.3. Если в светильниках класса защиты II, в регулируемых светильниках или в переносных светильниках, кроме настенных, провода внутреннего монтажа проходят через непосредственно доступные для прикосновения металлические детали или металлические детали, имеющие контакт с доступными металлическими частями, то отверстия в них должны иметь втулки из изоляционного материала с закругленными краями, крепление которых должно исключать возможность их свободного снятия. Разрушающиеся со временем втулки (например, из резины) в этих случаях неприменимы.
Примечание - Термин «свободное снятие» используют для описания втулки, снимаемой рукой или устанавливаемой на резьбе без контргайки или блокировки самотвердеющей смолой.
Если отверстия для ввода проводов имеют закругленные края, и провода внутреннего монтажа не требуют замены при обслуживании, настоящее требование выполняется надеванием на провод защитной трубки, если провод не имеет специальной защитной оболочки, или использованием кабеля с защитной оболочкой.
Проверку требований 5.3.3 и 5.3.4 проводят внешним осмотром.
5.3.5. Если провода внутреннего монтажа выходят за пределы светильника и при этом могут оказаться под воздействием механических нагрузок, они должны отвечать требованиям к внешней проводке. Требования не распространяются на провода внутреннего монтажа обычных светильников, если они выходят из светильника не более чем на 80 мм.
Проверку проводят внешним осмотром, измерениями и, если подходит, испытаниями по 5.2.10.1.
5.3.7. Концы гибких многопроволочных жил могут быть облужены, но без излишка припоя, если только не предусмотрено устройство защиты от ослабления однажды затянутых зажимных соединений из-за текучести припоя на холоде (см. рисунок 28).
Примечание - Это требование обеспечивается применением пружинных контактных зажимов. Соединение только зажимными винтами недостаточно из-за возможного ослабления соединения с облуженными жилами на холоде вследствие текучести припоя.
Проверку требований 5.3.6 и 5.3.7 проводят внешним осмотром.
Раздел 6 в настоящее время не используют.
7 Заземление
7.1 Общие положения
Настоящий раздел устанавливает требования к заземлению светильников, если оно применяется.
7.2 Устройство заземления
7.2.1. Металлические детали светильников класса защиты I, доступные для прикосновении после установки светильника в рабочее положение или открытого для замены лампы, стартерам проведения чистки, которые могут оказаться под напряжением при повреждении изоляции, должны иметь постоянное и надежное соединение с заземляющим контактным зажимом или контактом.
Примечание - Металлические детали, отделенные от токоведущих элементов другими металлическими деталями, соединенными с заземляющим контактным зажимом или контактом, а также металлические детали, отделенные от токоведущих элементов двойной или усиленной изоляцией, не относятся в данном случае к деталям, которые могут оказаться под напряжением при повреждении изоляции.
Металлические детали светильников, которые могут оказаться под напряжением при повреждении изоляции и при этом не будут доступны для прикосновения, когда светильник смонтирован, но могут контактировать с монтажной поверхностью, должны быть постоянно и надежно соединены с заземляющим контактным зажимом.
Примечание - Заземление стартеров и цоколей ламп не требуется, если только заземление цоколей ламп необходимо для облегчения их зажигания.
Заземляющие соединения должны иметь малое электрическое сопротивление.
Самонарезающие винты могут быть использованы для обеспечения непрерывности цепи заземления, если при эксплуатации не возникает необходимость в демонтаже этого соединения, и для каждого соединения используют не менее двух винтов.
Для обеспечения непрерывности заземления можно использовать резьбоформующие винты, если они отвечают требованиям к винтам контактных зажимов (см. раздел 14).
В светильниках класса защиты I с разъемным присоединением к сети заземляющее соединение в цепи должно опережать соединения токоведущих контактов, а при разъединении токоведущие контакты должны разъединяться раньше заземляющих.
7.2.3. Проверку требований 7.2.1 и 7.2.2 проводят внешним осмотром и следующим испытанием. Между заземляющим контактным зажимом или контактом и, по очереди, каждой доступной для прикосновения металлической деталью должен пропускаться ток не менее 10 А от источника питания с напряжением холостого хода не более 12 В.
Измеряют падение напряжения между заземляющим контактным зажимом или контактом и металлической доступной для прикосновения деталью и по значению тока и падению напряжения рассчитывают электрическое сопротивление. Во всех случаях электрическое сопротивление не должно превышать 0,5 Ом. При этом длительность протекания тока должна быть не менее 1 мин.
Примечание - Для светильника с несъемным гибким кабелем для присоединения к сети заземляющим контактом является вилка или сетевой конец гибкого кабеля или шнура.
7.2.4. Заземляющие контактные зажимы должны соответствовать требованиям 4.7.3. Контактное соединение должно обеспечиваться защитой от самопроизвольного или случайного ослабления.
Для винтовых зажимов недопустимо их ослабление рукой.
Для безвинтовых зажимов недопустимо их самопроизвольное ослабление.
Проверку проводят внешним осмотром, пробным монтажом и испытаниями по 4.7.3.
Примечание - Как правило, традиционно используемые конструкции контактных зажимов обеспечивают соответствующую настоящим требованиям упругость. Для нетрадиционных конструкций могут потребоваться специальные меры, обеспечивающие неумышленное или самопроизвольное отсоединение.
7.2.6. В светильнике, присоединяемом сетевыми кабелями или имеющим несъемный гибкий кабель или шнур, заземляющий контактный зажим должен быть рядом с сетевыми контактными зажимами.
Примечание - Применяют для светильников с креплением шнура типа X или Y.
7.2.7. Все детали заземляющего контактного зажима в светильниках, кроме обычных, должны быть выполнены так, чтобы минимизировать опасные последствия от возможного возникновения электролитической коррозии при контакте зажима с заземляющим проводником или иными металлическими частями.
7.2.9. Проверку требований 7.2.5 - 7.2.8 проводят внешним осмотром и пробным монтажом.
7.2.10. Если стационарный светильник класса защиты II, предназначенный для шлейфового монтажа, имеет внутренний(е) контактный(е) зажим(ы) для обеспечения непрерывности цепи заземления (если цепь не заканчивается в данном светильнике), то этот(эти) зажим(ы) должен(ы) быть изолирован(ы) от доступных для прикосновения металлических деталей светильника двойной или усиленной изоляцией.
Проверку проводят внешним осмотром.
7.2.11. Если светильник класса защиты I имеет несъемный гибкий кабель или шнур, то кабель должен иметь изолированную жилу заземления желто-зеленого цвета.
Желто-зеленая изолированная жила гибкого кабеля или шнура должна быть соединена с заземляющим контактным зажимом светильника и заземляющим контактом штепсельной вилки, если она имеется на шнуре.
Любой провод внешней проводки или внутреннего монтажа, имеющий желто-зеленую окраску, должен присоединяться только к заземляющим контактным зажимам.
Для светильников с несъемным гибким кабелем или шнурами расположение контактных зажимов или длина проводников между устройством крепления кабеля и контактными зажимами должны быть такими, чтобы при выдергивании кабеля питающие провода натягивались бы раньше, чем заземляющий провод.
Проверку проводят внешним осмотром.
8 Защита от поражения электрическим током
8.1 Общие положения
Настоящий раздел устанавливает требования к светильникам по защите от поражения электрическим током.
Методика испытаний, устанавливающих принадлежность детали к токопроводящей, прикосновение к которой способно вызвать поражение электрическим током, приведена в приложении А.
8.2 Требования к защите
Защита от поражения электрическим током должна сохраняться для всех способов и положений стационарных светильников в условиях эксплуатации с учетом ограничений, оговоренных инструкцией по монтажу, а также для всех положений частей регулируемых светильников. Защита должна сохраняться после снятия всех деталей без применения инструмента, кроме ламп и приведенных ниже деталей патронов:
a) для байонетных патронов:
1) донышка (крышки контактных зажимов),
2) корпуса;
b) для резьбовых патронов:
1) донышка (крышки контактных зажимов) только для патронов для крепления на шнуре,
2) наружного корпуса.
Крышки стационарных светильников, которые не могут быть сняты за один прием одной рукой, при испытаниях не снимают, за исключением тех, которые необходимо снимать для замены ламп или стартеров.
Примечание - К действию в один прием одной рукой обычно относят снятие таких частей, которые удерживаются винтом с насечкой или кольцом.
Сетевые провода, удерживаемые с помощью кнопочных безвинтовых контактных зажимов, при этом испытании не должны отсоединяться.
Применение клеммных колодок с кнопочными пружинными зажимами без использования защитной коробки не запрещается этим требованием. Допустимость таких колодок обусловлена специфическим способом отсоединения проводов от них.
В светильниках классов защиты 0, I и II с двухцокольными трубчатыми лампами накаливания должно применяться автоматическое устройство двухполюсного разъединения при замене лампы. Требование не распространяется, если соединение цоколя и патрона регламентируется отдельными стандартами, содержащими специальные требования по ограничению возможности прикосновения к токоведущим деталям, которые могут вызвать поражение электрическим током.
Изоляционные свойства лака, эмали, бумаги и аналогичных материалов не обеспечивают требуемой защиты от поражения электрическим током и короткого замыкания.
Светильники с ИЗУ, предназначенными для двухцокольных разрядных ламп высокого давления, должны быть испытаны в соответствии с рисунком 26.
Если амплитудное значение напряжения, измеренное в соответствии с рисунком 26, превышает 34 В, то ИЗУ должно выполнять свои функции только при полностью вставленной лампе, или проводка светильника должна быть выполнена в соответствии 3.2.18, подпункт а) или b).
8.2.2. У переносных светильников защита от поражения электрическим током должна сохраниться при воздействиях рукой на подвижные детали светильников, которые могут повлечь перемещение их в наиболее неблагоприятное положение.
8.2.3. В настоящем разделе металлические части светильников класса защиты II, отделенные от токоведущих частей только основной изоляцией, рассматривают как токоведущие части.
Это относится также к стартерам и нетоковедущим частям патронов для ламп, если они доступны для прикосновения не только в случае, когда светильник открыт для замены лампы или стартера.
Оговоренное условие не относится к компактным одноцокольным люминесцентным лампам, которые удовлетворяют требованиям МЭК 60901.
В светильниках класса защиты II стеклянные колбы ламп не нуждаются в дополнительных средствах для обеспечения соответствующей защиты от поражения электрическим током. Если стеклянные рассеиватели и другие защитные стекла снимают при замене ламп или не выдерживают испытания по 4.13, то они не могут быть использованы в качестве дополнительной изоляции.
Примечание - Совокупность требований 8.2.1 и 8.2.3 означает, что в светильниках класса защиты II металлические части (кроме стартеров и нетоковедущих элементов патронов для ламп), отделенные только основной изоляцией, не будут доступны при открытом для замены лампы или стартера светильнике, хотя сама основная изоляция может быть доступна для прикосновения.
Светильники класса защиты I с байонетными патронами должны:
1) иметь такую конструкцию, чтобы цоколь лампы не был доступен для прикосновения стандартным испытательным пальцем, когда светильник собран для нормальной эксплуатации, либо
2) обеспечивать заземление металлической части патрона.
Клеммная колодка в переносных светильниках должна быть полностью закрыта.
8.2.5. Проверку требований 8.2.1 - 8.2.4 проводят внешним осмотром и, при необходимости, испытанием стандартным испытательным пальцем по МЭК 60529 или соответствующими для рассматриваемых компонентов средствами испытания.
Палец прикладывают во всех возможных положениях с усилием 10 Н; для установления наличия его контакта с токоведущими деталями используют электрический индикатор. Подвижные детали, включая экраны, должны быть вручную установлены в наиболее неблагоприятное положение; если эти детали из металла, то они не должны прикасаться к токоведущим деталям светильника или ламп.
Примечание - Для установления наличия контакта в качестве индикатора рекомендуется использовать лампу накаливания напряжением не менее 40 В.
8.2.6. Крышки и другие детали, обеспечивающие защиту от поражения электрическим током, должны иметь достаточную механическую прочность и надежное крепление, которое не ослабляется при обслуживании светильника.
Проверку проводят внешним осмотром, пробным монтажом и испытаниями по разделу 4.
8.2.7. Светильники (кроме указанных ниже), имеющие конденсатор емкостью более 0,5 мкФ, должны иметь разрядное устройство, обеспечивающее остаточное напряжение на зажимах конденсатора не более 50 В спустя 1 мин после отключения светильника от сети с нормируемым напряжением.
Переносные светильники, присоединяемые к сети с помощью штепсельной вилки, адаптера шинопровода, или светильники, присоединяемые к сети при помощи соединителей с контактами, доступными для прикосновения стандартным испытательным пальцем и имеющие конденсатор емкостью более 0,1 мкФ (или более 0,25 мкФ для светильников с нормируемым напряжением менее 150 В), должны иметь разрядное устройство, обеспечивающее остаточное напряжение между штырями штепсельной вилки, адаптера/соединителя не более 34 В спустя 1 с после отключения светильника от сети.
Другие светильники, присоединяемые к сети с помощью штепсельной вилки, содержащие конденсатор емкостью более 0,1 мкФ (или 0,25 мкФ для светильников с нормируемым напряжением менее 150 В), и через адаптеры шинопроводов, встроенные в светильники, должны разряжаться так, чтобы через 5 с остаточное напряжение между штырями штепсельной вилки не превышало 60 В действующего значения.
Подпункт 0.4.2 требует, чтобы испытания, если не указано другое, по этой части МЭК 60598 были выполнены со вставленной лампой. В случае испытаний по настоящему подпункту лампа должна присутствовать в цепи, если только это приводит к увеличению остаточного напряжения на конденсаторе.
Проверку проводят измерением.
Примечание - Разрядное устройство (для светильников всех типов) может крепиться на конденсаторе, встраиваться в него или крепиться отдельно на светильнике.
9 Защита от проникновения пыли, твердых частиц и влаги
9.1 Общие положения
Настоящий раздел устанавливает требования и методы испытаний светильников, классифицируемых по защите от проникновения пыли, твердых частиц и влаги в соответствии с разделом 2, включая обычные светильники.
9.2 Испытания на проникновение пыли, твердых частиц и влаги
Оболочка светильника должна обеспечивать защиту от проникновения пыли, твердых частиц и влаги в соответствии с классификацией светильника по степени защиты, указываемой на нем.
Примечание - Испытания светильников на проникновение пыли, твердых частиц и влаги, приведенные в настоящем стандарте, не полностью соответствуют методам МЭК 60529 из-за особенностей технических характеристик светильников. Расшифровка обозначения степени защиты приведена в приложении J.
Испытания светильников проводят соответствующими методами, указанными в 9.2.0 - 9.2.9, а для светильников других степеней защиты - методами по МЭК 60529.
Перед испытанием на соответствие второй цифре в обозначении степени защиты IP, за исключением IPX8, светильник с установленной(ыми) лампой(лампами) включают на нормируемое напряжение и выдерживают до установившегося теплового режима.
Температура воды, используемой при испытаниях, должна быть (15 ± 10) °С.
Для испытаний согласно 9.2.0 - 9.2.9 светильники должны быть смонтированы как для условий эксплуатации и укомплектованы защитными светопропускающими оболочками.
Если присоединение к сети обеспечивается с помощью штепсельной вилки или подобного устройства, то они должны считаться составной частью светильника и также подвергаться испытанию.
Это же требование распространяется и на любое независимое устройство управления.
При испытании согласно 9.2.3 - 9.2.9 стационарные светильники, которые после монтажа контактируют с монтажной поверхностью, должны испытываться с применением металлической сетки, установленной между светильником и монтажной поверхностью. Размеры сетки должны быть не мете размеров проекции светильника на монтажную поверхность с параметрами ячеек:
- длинная диагональ звена..................... 10 - 20 мм
- короткая диагональ звена................... 4 - 7 мм
- ширина плетения................................. 1,5 - 2,0 мм
- толщина плетения............................... 0,3 - 0,5 мм
- суммарная толщина............................ 1,8 - 3,0 мм.
Светильники, имеющие отверстия для слива воды, должны устанавливаться так, чтобы эти отверстия располагались в нижнем положении, если в инструкции изготовителя нет других указаний.
Если согласно инструкции изготовителя каплезащищенный светильник предназначен для установки на потолок или под навес, то при испытаниях такой светильник должен быть закреплен на нижней стороне плоской балки или плиты, размеры которой должны быть на 10 мм больше периметра примыкающей части светильника.
Для встраиваемых светильников детали, находящиеся в нише, а также выступающие из нее, должны испытываться в соответствии со степенью защиты каждой детали, указанной изготовителем в инструкции по монтажу.
Примечание - Для испытания согласно 9.2.4 - 9.2.9 может потребоваться коробка, закрывающая детали, находящиеся в нише.
Для светильников, имеющих степень защиты IP2X, обозначение относится к той части оболочки светильника, которая содержит главный узел, но не лампу и не оптическое устройство.
Примечание - Если светильник не имеет опасных движущихся частей, то безопасность обеспечивается согласно требованиям МЭК 60529.
Полностью собранные переносные светильники при испытаниях должны быть помещены в наиболее неблагоприятное возможное при эксплуатации положение.
Сальники, если они имеются, должны быть затянуты с силой, создающей вращающий момент, равный 2/3 значения, приведенного в 4.12.5.
Винты для крепления крышек, кроме затягиваемых вручную винтов для крепления защитных стекол, должны быть затянуты с усилием, создающим вращающий момент, равный 2/3 значения, указанного в таблице 4.1.
Защитные стекла с резьбой должны быть затянуты с усилием, создающим вращающий момент, значение которого, в ньютонах на метр, равно 1/10 номинального диаметра резьбы в миллиметрах. Винты для крепления других крышек должны быть затянуты с усилием, создающим вращающий момент, равный 2/3 значения, указанного в таблице 4.1.
После испытаний проверяют электрическую прочность изоляции светильника по разделу 10, и при внешнем осмотре не должно быть обнаружено:
a) оседания талька внутри пылезащищенных светильников, так как если бы пыль была токопроводящей, то изоляция относительно требований настоящего стандарта стала бы неэффективной;
b) оседания талька внутри пыленепроницаемых светильников;
c) следов влаги на токоведущих деталях или на изоляции, если это может быть опасно для обслуживающего персонала или окружающей среды, например, когда пути утечки могут стать ниже значений, указанных в разделе 11;
d), i) зазоров для проникновения воды у светильников без сливных отверстий.
Примечание - Не принимают во внимание зазоры, через которые может происходить конденсация влаги.
ii) для светильников со сливными отверстиями допускаются зазоры для проникновения воды и конденсации влаги, если в процессе испытания установлена эффективность сливных отверстий и обеспечиваются нормируемые значения путей утечки и воздушных зазоров, указанные в настоящем стандарте;
e) следов влаги внутри герметичных или водонепроницаемых светильников;
f) контакта с токоведущими деталями с помощью соответствующего испытательного пальца для первой цифры 2 в обозначении степени защиты IP;
входа в оболочку светильника - с помощью соответствующего испытательного пальца для первых цифр 3 и 4 в обозначении степени защиты IP.
Для светильников со сливными отверстиями в соответствии с 4.17 не должно быть контакта с токоведущими деталями через эти отверстия с помощью испытательного пальца для первых цифр 3 и 4 в обозначении степени защиты IP.
9.2.0. Испытания
Проверка защиты светильников от проникновения твердых частиц (первая цифра 2 в обозначении степени защиты IP) должна проводиться стандартным испытательным пальцем по МЭК 60529 в соответствии с требованиями разделов 8 и 11 настоящего стандарта.
Примечание - Для светильников с первой цифрой 2 в обозначении степени защиты IP испытание шаром, указанное в МЭК 60529, не требуется.
Проверка защиты светильников от проникновения твердых частиц (первые цифры 3 и 4 в обозначении степени защиты IP) должна проводиться во всех возможных точках (кроме сальников) испытательным пальцем, соответствующим типу С или D по МЭК 61032, с приложением усилия, приведенного в таблице 9.1.
Таблица 9.1 - Испытание защиты светильников от проникновения твердых частиц
|
Тип испытательного пальца по МЭК 61032 |
Диаметр испытательной проволоки, мм +0,05 |
Прикладываемое усилие, Н ± 10 % |
|
|
3 |
С |
2,5 |
3 |
|
4 |
D |
1,0 |
1 |
Торец испытательной проволоки должен быть перпендикулярным оси проволоки и не иметь заусенцев.
9.2.1. Проверку пылезащищенных (первая цифра 5 в обозначении степени защиты IP) светильников проводят испытанием в пылевой камере по рисунку 6, в которой порошок талька поддерживают во взвешенном состоянии потоком воздуха. На 1 м3 объема камеры должно приходиться 2 кг порошка. Порошок должен быть просеян через сито с квадратными ячейками из проволоки номинальным диаметром 50 мкм, при номинальном шаге между проволоками 75 мкм. Не допускается использовать одно сито более чем для 20 испытаний.
Испытание должно проводиться следующим образом:
a) светильник подвешивают в открытой камере и выдерживают при нормируемом напряжении до достижения рабочей температуры;
b) пока светильник функционирует, его расположение в камере должно быть постоянно;
c) дверь камеры закрывают;
d) включают вентилятор или кондиционер для поддержания порошка во взвешенном состоянии;
e) через 1 мин светильник выключают и выдерживают в течение 3 ч, поддерживая порошок во взвешенном состоянии.
Примечание - Интервал в 1 мин между включением вентилятора или кондиционера и выключением светильника обеспечивает возможность попадания порошка в светильник до его отключения, что очень важно для небольших светильников. Выдержка работающего светильника согласно подпункту а) диктуется необходимостью исключить перегрев камеры.
9.2.2. Проверку пыленепроницаемых (первая цифра 6 в обозначении степени защиты IP) светильников проводят в соответствии с 9.2.1.
9.2.3. Проверку каплезащищенных (вторая цифра 1 в обозначении степени защиты IP) светильников проводят воздействием искусственного дождя интенсивностью 3 мм/мин при вертикальном падении капель на верхнюю часть светильника с высоты 200 мм.
9.2.4. Проверку дождезащищенных (вторая цифра 3 в обозначении степени защиты IP) светильников проводят обрызгиванием в течение 10 мин водой при помощи дождевальной установки, указанной на рисунке 7. Радиус дуги трубы должен быть по возможности минимальным и соответствовать габаритным размерам и расположению светильника.
Отверстия в трубе должны быть расположены так, чтобы струи воды пересекались в центре круга, а напор воды на входе в установку должен быть примерно 80 кН/м2.
Труба должна совершать колебания в пределах 120°, т.е. 60° в каждую сторону от вертикали, проходящей через центр колебаний; длительность одного полного колебания (2´120°) составляет 4 с.
Светильник должен устанавливаться над осью вращения трубы так, чтобы зона действия струй была достаточной для полного омывания его торцов. В процессе испытания светильник должен быть включен, и вращаться вокруг своей вертикальной оси с частотой 1 мин-1.
Через 10 мин светильник должен быть выключен и оставлен для естественного охлаждения при орошении водой еще в течение 10 мин.
9.2.5. Проверку брызгозащищенных (вторая цифра 4 в обозначении степени защиты IP) светильников проводят орошением водой со всех направлений в течение 10 мин при помощи установки по рисунку 7, описанной в 9.2.4. Светильник должен быть установлен ниже оси вращения дуги трубы так, чтобы зона действия струй воды была достаточной для омывания его торцов.
Труба должна совершать колебания в пределах 360°, т.е. 180° в каждую сторону от вертикали, проходящей через центр колебания; длительность одного полного колебания (2´360°) составляет около 12 с. В процессе испытания светильник должен вращаться вокруг своей вертикальной оси с частотой 1 мин-1.
Опора должна быть выполнена в виде сетки для исключения экранирования. Через 10 мин светильник должен быть выключен и оставлен для естественного охлаждения при орошении водой еще в течение 10 мин.
9.2.6. Проверку струезащищенных (вторая цифра 5 в обозначении степени защиты IP) светильников проводят сразу после включения светильника путем воздействия в течение 15 мин струей воды со всех направлений из шланга с насадкой, размеры и форма которой приведены на рисунке 8. Насады должна находиться на расстоянии 3 м от образца.
Давление воды в насадке должно быть отрегулировано так, чтобы расход воды составлял 12,5 л/мин ± 5 %, т.е. примерно 30 кН/м2.
9.2.7. Светильники, защищенные от сильных водяных струй (вторая цифра 6 в обозначении степени защиты IP), отключают и незамедлительно обливают в течение 3 мин водой со всех направлений из шланга с насадкой, форма и размеры которой приведены на рисунке 8. Насадка должна располагаться на расстоянии 3 м от образца. Давление воды в насадке должно быть отрегулировано так, чтобы расход воды составлял 100 л/мин ± 5 %, т.е. примерно 100 кН/м2.
9.2.8. Проверку водонепроницаемых (вторая цифра 7 в обозначении степени защиты IP) светильников проводят сразу после их включения путем погружения в воду на 30 мин так, чтобы над верхней частью светильника был слой воды не менее 150 мм, а его нижняя часть была на глубине не менее 1 м. Светильники с трубчатыми люминесцентными лампами должны располагаться горизонтально, рассеивателем вверх, на глубине 1 м от поверхности воды.
Примечание - Этот метод недостаточно объективен для светильников, предназначенных для работы под водой.
9.2.9. Герметичные (вторая цифра 8 в обозначении степени защиты IP) светильники разогревают включением лампы или другим подходящим способом так, чтобы температура наружной поверхности светильника была на 5°- 10 °С выше температуры воды в испытательном резервуаре.
Затем светильник выключают и на 30 мин погружают под воду так, чтобы давление было в 1,3 раза больше значения, соответствующего предельно допустимой глубине погружения.
9.3 Испытание на влагостойкость
Все светильники при эксплуатации должны быть влагостойкими.
Проверку проводят в соответствии с 9.3.1 с последующей незамедлительной проверкой по разделу 10.
Отверстия для ввода кабеля, если они имеются, должны быть открыты; если имеются выламываемые при монтаже отверстия, то должно быть открыто одно из них.
Детали, которые могут открываться рукой, например электрические отсеки, крышки, защитные стекла и т.п., должны быть сняты и подвергнуты, при необходимости, испытанию вместе с основной частью.
9.3.1 Светильник устанавливают как для нормальной эксплуатации, но в самом неблагоприятном положении, в камере влаги, в которой поддерживают относительную влажность от 91 % до 95 %. Температура воздуха в любой точке камеры, где находится образец, должна поддерживаться с погрешностью около 1 °С при любом подходящем значении температуры t от 20 °С до 30 °С.
До установки в камеру образец должен быть нагрет до температуры от t до (t + 4) °С. Образец выдерживают в камере 48 ч.
Примечание - В большинстве случаев образец может быть нагрет от t до (t + 4) °С путем выдержки в помещении, имеющем одну из этих температур, в течение не менее 4 ч до испытания.
Для поддержания указанных условий в камере необходима постоянная циркуляция воздуха. Как правило, используют камеру с тепловой защитой.
После испытания образец не должен иметь дефектов, приводящих к несоответствию светильника требованиям настоящего стандарта.
10 Сопротивление и электрическая прочность изоляции
10.1 Общие положения
Настоящий раздел устанавливает требования и методы измерения сопротивления, а также проверку электрической прочности изоляции светильников.
10.2 Сопротивление и электрическая прочность изоляции
Светильники должны иметь соответствующее сопротивление и электрическую прочность изоляции.
Проверку проводят в соответствии с 10.2.1 и 10.2.2 в камере влаги или в помещении, где образец в собранном состоянии доводится до регламентированной температуры.
Выключатель, если он имеется, должен быть установлен в положение «Вкл.» при всех испытаниях, кроме испытаний между токоведущими деталями, которые в отдельных случаях при включенном выключателе могут дать отрицательный результат.
При этих испытаниях необходимо отсоединять отдельные элементы светильников так, чтобы прикладываемое напряжение давало возможность оценить параметры изоляции, а не индуктивные или емкостные функциональные особенности, такие как:
a) шунтирующие конденсаторы;
b) конденсаторы между токоведущими деталями и корпусом;
c) индуктивности или трансформаторы, присоединенные между токоведущими деталями.
При невозможности наложения металлической фольги на прокладки или перегородки испытаниям должны быть подвергнуты три образца прокладки или перегородки, которые предварительно извлекают, а затем размещают между двумя металлическими шарами диаметром 20 мм, которые сжимают с усилием (2 ± 0,5) Н.
Методы испытаний электронных ПРА должны соответствовать МЭК 60924.
Примечание - Изоляцию между токоведущими частями и корпусом, также как между доступными металлическими частями и металлической фольгой внутри изолирующих прокладок и перегородок испытывают в соответствии с типом изоляции. Термин «корпус» включает в себя доступные металлические части, фиксирующие винты и металлическую фольгу, контактирующие с доступными частями изолирующего материала.
10.2.1. Измерение сопротивления изоляции
Сопротивление изоляции должно измеряться при напряжении постоянного тока - 500 В через 1 мин после подачи напряжения.
Для испытаний изоляции БСНН деталей светильников напряжение постоянного тока при измерениях должно составлять 100 В.
Сопротивление изоляции должно быть не меньше значений, указанных в таблице 10.1.
Изоляцию между токоведущими деталями и корпусом светильников класса защиты II испытывать не требуется, если основная и дополнительная изоляции светильников могут быть испытаны отдельно.
Таблица 10.1 - Минимальное сопротивление изоляции
|
Минимальное сопротивление изоляции, МОм, светильников классов |
|||
|
0 и I |
II |
III |
|
|
БСНН: - между токоведущими деталями различной полярности; - между токоведущими деталями и монтажной поверхностью*; - между токоведущими и металлическими деталями светильников |
а |
а |
а |
|
Кроме БСНН: - между токоведущими деталями различной полярности; - между токоведущими деталями и монтажной поверхностью*; - между токоведущими и металлическими деталями светильника; - между токоведущими деталями, которые при работе выключателя могут принимать разную полярность |
b |
b |
- |
|
b и с или d |
|||
|
Основная изоляция для напряжений БСНН (а) |
1 |
||
|
Основная изоляция для напряжений кроме БСНН (b) |
2 |
||
|
Дополнительная изоляция (с) |
3 |
||
|
Двойная или усиленная изоляция (d) |
4 |
||
|
* Монтажная поверхность должна быть покрыта металлической фольгой. |
|||
Изолирующие прокладки или перегородки должны испытываться только в том случае, если расстояние между токоведущими деталями и доступными для прикосновения металлическими деталями при отсутствии прокладок или перегородок меньше значений, установленных в разделе 11.
При испытании изоляции втулок, устройств крепления шнура, зажимов и захватов проводов кабель, шнур или провода должны быть обернуты металлической фольгой или заменены металлическим стержнем того же диаметра.
Эти требования не распространяются на зажигающие устройства, которые специально присоединяют так, чтобы они не являлись токоведущими деталями.
Примечание - Испытание токоведущих деталей - по приложению А.
10.2.2. Проверка электрической прочности изоляции
К изоляции, указанной в таблице 10.2, должно быть приложено в течение 1 мин напряжение переменного тока частоты 50 или 60 Гц, значение которого указано в таблице 10.2.
В первый момент на изоляцию воздействуют напряжением, равным не более половины нормируемого, затем постепенно его значение поднимают до нормируемого.
Применяемый при проверке высоковольтный трансформатор должен обеспечивать на выходе ток не менее 200 мА при замкнутых его выходных контактных зажимах и полном значении испытательного напряжения.
Реле максимального тока установки не должно отключаться при токе на выходе менее 100 мА.
Погрешность измерения действующего значения испытательного напряжения ± 3 %.
Расположение металлической фольги должно быть таким, чтобы исключить вероятность перекрытия дугой краев изоляции.
В светильниках класса защиты II, имеющих как усиленную, так и двойную изоляцию, прикладываемое к изоляции напряжение не должно превышать напряжения, на которое рассчитана основная или усиленная изоляция.
Тлеющий разряд, не вызывающий заметного падения напряжения, не учитывают.
В процессе испытания не должно быть перекрытия или пробоя изоляции.
Эти требования не распространяются на зажигающие устройства, которые присоединены так, что не являются токоведущими деталями.
В светильниках с ИЗУ проверку электрической прочности изоляции деталей, на которые воздействует импульсное напряжение, проводят при работающем ИЗУ, но без лампы, что позволяет проверить прочность изоляции светильника, проводов и подобных частей.
Если в светильниках с ИЗУ применены патроны для ламп, изготовитель которых оговорил в инструкции, что защита патрона от высоковольтных импульсов обеспечивается при наличии в нем лампы, то при испытаниях необходимо использовать макеты ламп.
Примечания
1. Макет лампы должен использоваться при типовых испытаниях.
2. Это условие дает возможность при конструировании выбрать такие размеры держателя патрона, при которых возможно создание импульсов напряжения, достаточных для горячего перезажигания разрядной лампы (например, в студиях).
Светильник с ИЗУ без лампы на 24 ч присоединяют к сети со 100 %-ным нормируемым напряжением. Вышедшие за этот период из строя ИЗУ должны быть сразу заменены. Затем проверяют электрическую прочность изоляции светильника, прикладывая напряжение, указанное в таблице 10.2, при этом контактные зажимы ИЗУ (кроме заземляющих) закорачивают.
Светильники с кнопочными, включаемыми вручную ИЗУ, присоединяют к сети со 100 %-ным нормируемым напряжением и подвергают в течение 1 ч воздействию следующих циклов: 3 с вкл./10 с выкл. Для того испытания используют один ИЗУ.
Светильники с ИЗУ, встроенным в ПРА с соответствующей маркировкой об использовании исключительно с ИЗУ и имеющим устройство ограничения времени работы, отвечающее МЭК 60922, должны подвергаться тому же испытанию, но в течение 250 циклов вкл./выкл.; при этом период «выкл.» должен составлять 2 мин.
В процессе проверки электрической прочности изоляции не должно быть ее перекрытия или пробоя.
Таблица 10.2 - Электрическая прочность изоляции
|
Испытательное напряжение, В, светильников классов |
|||
|
0 и I |
II |
III |
|
|
БСНН: - между токоведущими деталями различной полярности; - между токоведущими деталями и монтажной поверхностью*; - между токоведущими и металлическими деталями светильника |
а |
а |
а |
|
Кроме БСНН: - между токоведущими деталями различной полярности; - между токоведущими деталями и монтажной поверхностью*; - между токоведущими и металлическими деталями светильника; - между токоведущими деталями, которые при работе выключателя могут принимать различную полярность |
b |
b |
- |
|
b и с или d |
|||
|
Основная изоляция для напряжений БСНН (а) |
500 |
||
|
Основная изоляция для напряжений кроме БСНН (b) |
2U + 1000 |
||
|
Дополнительная изоляция (с) |
2U + 1750 |
||
|
Двойная или усиленная изоляция (d) |
4U + 2750 |
||
|
* Монтажная поверхность должна быть покрыта металлической фольгой. |
|||
10.3 Ток утечки
Ток утечки, имеющий место при нормальной работе светильника и возникающий между каждым полюсом источника питания и корпусом светильника (см. таблицу 10.2), не должен превышать значений, указанных в таблице 10.3.
Таблица 10.3 - Ток утечки
|
Максимальное значение тока утечки, мА |
|
|
Классы 0 или II* |
0,5 |
|
Переносные, класс I** |
1,0 |
|
Стационарные, класс I, мощностью до 1 кВ·А, нормированной входной мощностью от 1 ,0 мА/кВ·А до 5,0 мА* |
1,0 |
|
* Измеренный по 5.1.1 МЭК 60990 при нагрузке (переменный ток). ** Измеренный по 5.1.2 МЭК 60990 при холостом ходе (переменный ток). |
|
Проверку проводят в соответствии с разделом 7 МЭК 60990.
Примечание - Для светильников с электронными ПРА переменного тока ток утечки может силы» зависеть от расстояния между лампой и заземленным зажигающим устройством, если лампа работает на высокой частоте.
11 Пути утечки и воздушные зазоры
11.1 Общие положения
Настоящий раздел устанавливает требования к минимальной длине путей утечки и ширине воздушных зазоров в светильниках.
11.2 Пути утечки и воздушные зазоры
Токоведущие и соседние с ними металлические детали должны быть разделены достаточным расстоянием. Это требование также распространяется на БСНН деталей светильников.
Пути утечки и воздушные зазоры обычных светильников должны быть не менее значений, указанных в таблицах 11.1 и 11.3; для светильников со степенью защиты IPX1 или выше - не менее значений, приведенных в таблицах 11.2 и 11.3 соответственно.
Зазоры между токоведущими деталями разной полярности должны удовлетворять требованиям для основной изоляции.
Примечание - Информацию о степенях загрязнения и категориях перенапряжения см. в МЭК 60664-1.
Для обычных светильников минимальные расстояния, приведенные в таблицах 11.1 и 11.3, основаны на следующих критериях:
- степень загрязнения 2, если постоянно действуют неэлектропроводящие загрязнения, но иногда ненадолго способные при конденсации влаги стать электропроводящими;
- для основной изоляции - категория перенапряжения I;
- для дополнительной и усиленной изоляции - категория перенапряжения II.
Для светильников со степенью защиты IPX1 или выше минимальные расстояния, приведенные в таблицах 11.2 и 11.3, основаны на следующих критериях:
- степень загрязнения 3 для неэлектропроводящих загрязнений, которые могут стать электропроводящими в результате конденсации влаги;
- для всех изоляций - категория перенапряжения II.
11.2.1. Проверку проводят измерениями проводами наибольшего сечения, присоединенными к контактным зажимам светильников, и без проводов.
Любой паз шириной менее 1 мм рассматривают как увеличение пути утечки на ширину этого паза.
Любой воздушный промежуток шириной менее 1 мм не учитывают при расчете общего значения воздушного зазора, если только требуемое разделение частей не менее или равно 1 мм.
Для светильников с приборной розеткой измерения должны проводиться с вставленной ответной частью.
При измерении путей утечки через щели или отверстия наружных деталей из изоляционного материала металлическая фольга должна контактировать с доступными для прикосновения поверхностями. Фольгу прижимают в углах и аналогичных местах при помощи стандартного испытательного пальцам МЭК 60529, но не вдавливают в отверстия.
Не измеряют пути утечки внутри герметически закрытых компонентов.
Примерами таких компонентов являются герметичные или заполненные компаундом компоненты.
Указанные в таблице значения не распространяют на компоненты, удовлетворяющие отдельным стандартам МЭК, а применимы они только к монтажным расстояниям в светильнике.
Пути утечки в сетевом контактном зажиме должны измеряться от токоведущей детали в контактном зажиме до любых доступных для прикосновения металлических деталей; воздушный зазор должен измеряться между входящим сетевым проводом и доступными для прикосновения металлическими деталями, точнее от оголенной жилы провода до металлических деталей, которые могут быть доступны для прикосновения. Со стороны внутреннего монтажа воздушный зазор контактного зажима должен измеряться между токоведущими деталями зажима и доступными для прикосновения металлическими деталями (см. рисунок 24).
Примечание - Измерения воздушных зазоров со стороны сети и внутренней проводки различны в связи с тем, что изготовитель светильников не может осуществлять контроль длины изоляции, снимаемой с сетевого провода при монтаже.
Таблица 11.1 - Минимальные расстояния для синусоидального напряжения переменного тока (частота 50/60 Гц) обычных светильников. (Руководство см. в приложении М)
|
Рабочее напряжение (действующее значение), В, не более |
||||||
|
50 |
150 |
250 |
500 |
750 |
1000 |
|
|
Пути утечки: |
|
|
|
|
|
|
|
- основная изоляция: |
|
|
|
|
|
|
|
PTI* ≥ 600 |
0,6 |
1,4 |
1,7 |
3 |
4 |
5,5 |
|
PTI ≤ 600 |
1,2 |
1,6 |
2,5 |
5 |
8 |
10 |
|
- дополнительная изоляция: |
|
|
|
|
|
|
|
РТI ≥ 600 |
- |
3,2 |
3,6 |
4,8 |
6 |
8 |
|
PTI ≤ 600 |
- |
3,2 |
3,6 |
5 |
8 |
10 |
|
- усиленная изоляция |
- |
5,5 |
6,5 |
9 |
12 |
14 |
|
Воздушные зазоры: |
|
|
|
|
|
|
|
- основная изоляция |
0,2 |
1,4 |
1,7 |
3 |
4 |
5,5 |
|
- дополнительная изоляция |
- |
3,2 |
3,6 |
4,8 |
6 |
8 |
|
- усиленная изоляция |
- |
5,5 |
6,5 |
9 |
12 |
14 |
|
* Индекс устойчивости к токам поверхностного разряда (PTI) - в соответствии с МЭК 60112. |
||||||
Для промежуточных значений рабочего напряжения допустимые величины путей утечки и воздушных зазоров могут быть определены линейной интерполяцией приведенных в таблице значений. Для рабочего напряжения ниже 25 В допускается не оговаривать конкретных значений путей утечки и воздушных зазоров, т.к. испытательное напряжение, указанное в таблице 10.2, считают достаточным.
Таблица 11.2 - Минимальные расстояния для синусоидального напряжения переменного тока (частота 50/60 Гц) светильников класса защиты IPX1 или выше. (Руководство см. в приложении М)
|
Действующее значение рабочего напряжения, В, не более |
||||||
|
50 |
150 |
250 |
500 |
750 |
1000 |
|
|
Пути утечки: |
|
|
|
|
|
|
|
- основная изоляция: |
|
|
|
|
|
|
|
PTI* ≥ 600 |
1,5 |
2 |
3,2 |
6,3 |
10 |
12,5 |
|
PTI ≥ 175 < 600 |
1,9 |
2,5 |
4 |
8 |
12,5 |
16 |
|
- дополнительная изоляция |
- |
3,2 |
4 |
8 |
12,5 |
16 |
|
- усиленная изоляция |
- |
5,5 |
6,5 |
9 |
12,5 |
16 |
|
Воздушные зазоры: |
|
|
|
|
|
|
|
- основная изоляция |
0,8 |
1,5 |
3 |
4 |
5,5 |
8 |
|
- дополнительная изоляция |
- |
3,2 |
3,6 |
4,8 |
6 |
8 |
|
- усиленная изоляция |
- |
5,5 |
6,5 |
9 |
12 |
14 |
|
* Индекс устойчивости к токам поверхностного разряда (PTI) - в соответствии с МЭК 60112. |
||||||
В случае путей утечки для нетоковедущих деталей или деталей, не предназначенных для заземления, если не могут возникнуть токи утечки, значения, указанные для материала с PTI ≥ 600, должны применяться для всех материалов (независимо от реального PTI).
Для путей утечки, находящихся под воздействием рабочих напряжений менее 60 с, значения, указанные для материалов с PTI ≥ 600, должны применяться для всех материалов.
Для путей утечки, не подверженных оседанию пыли и влаги, должны применяться значения, указанные для материалов с PTI ≥ 600 (независимо от реального PTI).
Таблица 11.3 - Минимальные расстояния для синусоидальных и несинусоидальных импульсных напряжений
|
2,0 |
2,5 |
3,0 |
4,0 |
5,5 |
6,0 |
8,0 |
10,0 |
12,0 |
15,0 |
20,0 |
25,0 |
30,0 |
40,0 |
50,0 |
60,0 |
80,0 |
100,0 |
|
|
Минимальный воздушный зазор, мм |
1,0 |
1,5 |
2,0 |
3,0 |
4,0 |
5,5 |
8,0 |
11,0 |
14,0 |
18,0 |
25,0 |
33,0 |
40,0 |
60,0 |
75,0 |
90,0 |
130,0 |
170,0 |
Пути утечки должны быть не менее нормируемых воздушных зазоров.
Воздушные зазоры, находящиеся одновременно под воздействием синусоидального напряжения и чередующихся импульсов, должны быть значений, равных или более наибольшего из указанных в таблице 11.3.
12 Испытание на старение и тепловые испытания
12.1 Общие положения
Настоящий раздел устанавливает требования к испытанию на старение и тепловым испытаниям светильников.
12.2 Выбор ламп и ПРА
Используемые при испытаниях по настоящему разделу лампы должны быть отобраны в соответствии с приложением В.
Используемые при испытании на старение светильников лампы длительно работают с превышением их нормируемой мощности и поэтому не должны использоваться для тепловых испытаний. Однако, как правило, для тепловых испытаний в аномальном режиме используют лампы, которые уже подвергались тепловым испытаниям в рабочем режиме.
Если светильник рассчитан на работу с независимым ПРА, не входящим в комплект поставки светильника, то для испытания должен быть отобран серийный ПРА, отвечающий требованиям к штатному аппарату. ПРА должен обеспечивать в стандартных условиях на номинальной лампе мощность, равную фактической мощности лампы с допуском ± 3 %.
Примечания
1. Термин «стандартные условия» - по соответствующим стандартам МЭК.
2. В соответствующих стандартах на лампы номинальная мощность в характеристиках ламп может оцениваться как «объективная» мощность. Эта формулировка будет уточняться в последующих изданиях стандартов на лампы.
12.3 Испытание на старение
В условиях циклического нагрева и охлаждения при эксплуатации светильник не должен становиться опасным для обслуживания или преждевременно выходить из строя. Проверку проводят испытанием по 12.3.1.
12.3.1 Метод испытания
a) Светильник должен быть установлен в камере тепла, оборудованной средствами контроля температуры внутри нее.
Светильник должен располагаться на той же опорной поверхности (и в том же рабочем положении), как и при тепловых испытаниях в рабочем режиме (см. 12.4.1).
b) Внутри камеры в процессе испытания должна поддерживаться температура от (ta + 10) °С с допуском ± 2 °С; если в маркировке светильника не указано иное, то ta = 25 °С.
Температура внутри камеры должна измеряться в соответствии с приложением К. Независимые ПРА должны устанавливаться на открытом воздухе, не обязательно в камере тепла, и должны работать при температуре (25 ± 5) °С.
(Поправка. ИУС 4-2006)
c) Общая продолжительность испытания светильника в камере должна быть 168 ч и состоять из семи последовательных циклов, по 24 ч каждый. В первые 21 ч каждого цикла к светильнику прикладывают напряжение сети, указанное в подпункте d), а последние 3 ч каждого цикла светильник находится в выключенном состоянии. Период первоначального нагрева светильника - часть первого цикла испытания.
Условия испытания должны соответствовать в первых шести циклах рабочему режиму, а в седьмом цикле - аномальному режиму работы (см. приложение С). Для светильников, содержащих электродвигатель (например, вентилятор), в качестве аномального должен быть выбран режим, который приводит к наиболее неблагоприятным последствиям.
Общая продолжительность испытания светильников, которые не имеют аномального режима работы, например стационарные нерегулируемые светильники с лампами накаливания, должна быть 240 ч (т.е. 10 циклов по 24 ч в рабочем режиме).
d) Напряжение питания для светильников, работающих с лампами накаливания, должно быть 1,05 ± 0,015 значения, обеспечивающего нормируемую мощность лампы, и 1,10 + 0,015 нормируемого напряжения или максимального из ряда нормируемых напряжений - для светильников с трубчатыми люминесцентными и другими разрядными лампами.
e) В случае, когда светильник прекращает работу в результате отказа, применимо следующее:
- при случайном выходе из строя какой-либо детали светильника (включая лампу), необходимо воспользоваться указанием 12.4.1 g;
- если в одном из шести циклов срабатывает устройство тепловой защиты, испытание должно быть модифицировано следующим образом.
1) Светильник с самовосстанавливающимся устройством защиты необходимо охладить до включения устройства. В светильнике с одноразовым устройством тепловой защиты устройство следует заменить.
2) Для светильников всех типов испытание затем продолжается до 240 ч, при этом параметры цикла и окружающая температура должны быть так отрегулированы, чтобы устройство защиты не срабатывало. Если изначально предполагается, что при установленных параметрах испытаний возможно прерывание последних, то необходимо принять предупреждающие меры от срабатывания устройства защиты;
- если защита срабатывает в седьмом цикле (аномальный режим), то светильник необходимо либо охладить, либо заменить одноразовое устройство и продолжить испытание в таких условиях, чтобы функционирование светильника не прерывалось.
Примечание - В последнем случае испытанием подтверждается способность предназначенной тепловой защиты.
Необходимо предусмотреть сигнализацию о прекращении работы светильника. Установленная продолжительность испытаний не должна уменьшаться из-за подобных прерываний.
12.3.2. Критерии соответствия
После испытания согласно 12.3.1 светильник, а также шинопровод и комплектующие шинопровод изделия, если светильник монтируется на шинопроводе, подвергают внешнему осмотру. Детали светильника не должны иметь повреждений (кроме случайных, описанных в 12.3.1 е), а термопластичные резьбовые патроны не должны быть деформированы.
Надежность светильника не должна снижаться, и он не должен быть причиной повреждения шинопровода. Маркировка светильника должна быть читаемой.
Примечание - Признаками отсутствия надежности и вероятности износа являются трещины, подгорания и деформации.
12.4 Тепловое испытание (нормальный рабочий режим)
При эксплуатации светильника ни одна его деталь (включая лампу), сетевые провода, входящие в светильник, и монтажная поверхность не должны нагреваться до температуры, снижающей надежность работы светильника.
В процессе испытаний сквозная проводка не должна перегреваться.
Кроме того, рабочая температура деталей светильника, к которым прикасаются рукой при регулировке, не должна быть слишком высокой.
Светильники не должны создавать чрезмерного нагрева освещаемых объектов.
Светильники, смонтированные на шинопроводе, не должны вызывать его чрезмерного нагрева.
Проверку проводят испытанием согласно 12.4.1.
Методы испытания при измерении температуры шинопровода должны соответствовать 11.1 МЭК 60570.
В светильниках, содержащих электродвигатель, последний в процессе испытаний должен функционировать, как предусмотрено.
12.4.1. Испытание
Должны быть произведены замеры температуры деталей, указанных в 12.4.2, при соблюдении следующих условий.
a) Светильник должен быть помещен в защищенную от сквозняков камеру, чтобы избежать резких колебаний окружающей температуры. Светильник, предназначенный для установки на поверхности, должен быть установлен на ней, как указано в приложении D. Пример защищенной от сквозняков камеры приведен в приложении D, однако допускается использование камер других типов, если результаты измерений, проведенных в них, сравнимы с результатами измерений в камере, описанной в приложении D (для независимых ПРА см. подпункт h настоящего пункта).
Светильник должен быть присоединен к сети проводами с применением деталей (например, изолирующей втулки), поставляемых со светильником.
Как правило, присоединение должно производиться в соответствии с инструкцией, поставляемой со светильником, или маркировкой на нем.
В случае если провода для присоединения светильника к сети не входят в комплект поставки светильника, присоединение производят общепринятыми проводами. Провода, которые не входят в комплект поставки светильника, называют «испытательными концами».
Измерения температуры должны проводиться в соответствии с приложениями Е и К.
b) Рабочее положение светильника - наиболее неблагоприятное для теплового режима, возможна при эксплуатации. Для стационарных нерегулируемых светильников положения выбирают лишь тогда, когда это предусмотрено прилагаемой к светильнику инструкцией или его маркировкой. У регулируемых светильников должно соблюдаться определенное расстояние до освещаемого объекта, оговоренное маркировкой на светильнике, исключая светильники, не имеющие механических креплений, фиксирующих их положение, плоскость края отражателя (если он имеется) которых или лампа должны находиться на расстоянии 100 мм от опорной поверхности.
c) Температура в камере должна поддерживаться от 10 °С до 30 °С, предпочтительно 25 °С.
В процессе измерений, а также в предшествующий достаточно продолжительный период (для более точных результатов измерений) температура не должна изменяться более чем на ± 1 °С.
Однако если электрические характеристики лампы зависят от температуры (например, люминесцентная лампа) или нормируемое для светильника значение превышает 30 °С, то реальная окружающая температура в камере предпочтительно должна быть равна нормируемому значению tа, но допускается (tа - 5) °С.
d) Испытательное напряжение светильника должно быть:
- для светильников с лампами накаливания - напряжение, обеспечивающее 1,05 нормируемой мощности испытательной лампы (см. приложение В), за исключением специальных ламп для тепловых испытаний (H.T.S.), которые всегда работают при напряжении, указанном в их маркировке;
- для светильников с трубчатыми люминесцентными и другими разрядными лампами - 1,06 нормируемого напряжения (или максимального из ряда нормируемых напряжений);
- для светильников с электродвигателем - 1,06 нормируемого напряжения (или максимального из ряда нормируемых напряжений светильника).
Исключение
При измерении средних температур обмотки компонента с маркировкой tw и его корпуса с маркировкой tс испытательное напряжение должно быть равно 1,0 нормируемого. Это распространяема только на измерение температуры обмотки или корпуса компонента с маркировкой и не распространяется на измерение температуры других компонентов светильника, например клеммных колодок.
Конденсаторы в светильниках с люминесцентными и другими разрядными лампами, независимо от наличия или отсутствия маркировки tc, испытывают при значении 1,06 нормируемого напряжения.
Примечание - Если в светильнике используют одновременно лампу накаливания и трубчатую люминесцентную лампу или другую разрядную лампу, или электродвигатель, то для испытания, при необходимости, могут быть применены два отдельных источника питания.
e) В процессе и непосредственно перед началом измерений напряжение питания должно поддерживаться с погрешностью не более ± 1 %, предпочтительно ± 0,5 % от испытательного напряжения. Если колебание напряжения может повлиять на результат измерений, то до проведения измерений напряжение питания должно поддерживаться с погрешностью ± 1 % от испытательного напряжения в течение т менее 10 мин.
f) Измерения должны начинаться после достижения установившегося теплового режима, при котором скорость изменения температуры составляет не более 1 °С/ч.
g) Если произошел нетипичный отказ детали светильника (включая лампу), то эта деталь подлежит замене, и испытание продолжают. Измерения, проведенные до отказа, не повторяют, но перед продолжением измерений светильник доводят до установившегося теплового режима. Если далее возникнут аварийные условия или любая деталь будет иметь типичный отказ, то такой светильник следует считать не выдержавшим испытание. Если срабатывает устройство тепловой защиты одно- или многоразового действия, то светильник также считают не выдержавшим испытание.
h) Если устройства управления/компоненты являются составной частью светильника, они должны быть смонтированы и работать в соответствии с инструкцией изготовителя. Температура всех деталей должна быть в пределах, приведенных в разделе 12.
Если устройства управления не являются компонентами светильника, изготовитель должен обеспечить работу устройств управления в нормальных условиях эксплуатации. Устройство управления должно работать в вентилируемой окружающей среде при температуре (25 ± 5) °С. Температуру на устройстве управления не измеряют.
i) При сомнении в результатах испытания светильников с использованием серийных ламп накаливания испытание должно быть повторено с лампами для тепловых испытаний (H.T.S.), если они имеются. Для тепловых режимов, определяемых главным образом температурой цоколя лампы, решающими являются значения, полученные с лампами H.T.S. Для режимов, определяемых главным образом действием излучения, решающими являются значения, полученные с серийными лампами в прозрачной колбе.
j) Световой поток от прожекторов с узким пучком и аналогичных светильников при испытании направляют непосредственно на вертикальную деревянную поверхность, окрашенную черной матовой краской в соответствии с рекомендациями приложения D. Светильники устанавливают на расстоянии от этой поверхности, указанном в маркировке светильника.
Измерения температуры некоторых изоляционных деталей в процессе испытаний должны проводиться в соответствии с разделом 13.
k) При измерении температур патрона люминесцентных ламп с двумя цоколями горячий спай термопары должен быть расположен заподлицо с поверхностью патрона, примыкающей к цоколю лампы. Если это невозможно, он должен быть расположен как можно ближе к этой точке, но без касания цоколя лампы.
Примечание - Предпочтительно, чтобы изготовитель светильников обеспечивал поставку образцов для испытаний уже с термопарой, присоединенной к патрону лампы. Обычно для этого достаточно подготовить один из патронов лампы.
Температуры, измеренные при испытании согласно 12.4.1, не должны превышать соответствующих значений, указанных в таблицах 12.1 и 12.2 (с учетом подпункта а) настоящего пункта), когда светильники работают при нормируемой окружающей температуры ta.
Если температура в испытательной камере отличается от tа, то это отличие должно быть учтено в виде поправки к значению, указанному в таблицах (см. 12.4.1с).
a) Температура не должна превышать значений, указанных в таблицах 12.1 и 12.2, более чем на ГС.
Примечание - Значение 5 °С учитывает неизбежный разброс измерений температуры в светильниках.
b) Температура любой детали светильника, подверженной тепловому разрушению при эксплуатации, не должна превышать значения, при котором обеспечивается регламентированный срок службы светильника конкретного типа. Общепринятые значения температур для основных деталей светильников приведены в таблице 12.1, а значения температур для традиционных материалов, которые применяются в светильниках, указаны в таблице 12.2. Эти значения введены для получения идентичности результатов; при использовании других методов испытаний могут быть получены отличающиеся от приведенных результаты.
При изменении материалов, которые способны выдерживать более высокие температуры, чем указанные в таблице 12.2, или, при применении материалов других видов, все они должны подвергаться воздействию соответствующих температур, превышающих допустимые.
с) Температура нагрева «испытательных концов» (см. 12.4.1 а), имеющих ПВХ изоляцию, не должна превышать 90 °С (или 75 °С, если они подвержены механическим воздействиям, например сжатию) или не должна быть более значения, указанного на светильнике или в инструкции изготовителя, поставляемой со светильником в соответствии с требованиями раздела 3. Пределом для любого провода с ПВХ изоляцией (внешняя проводка или внутренний монтаж) является температура 120 °С, даже если провода защищены входящими в комплект светильника теплостойкими трубками, которые должны отвечать требованиям 4.9.2.
Таблица 12.1 - Допустимые температуры нагрева основных деталей при испытании согласно 12.4.2
|
Максимальная температура, °С |
|
|
Цоколи ламп |
Как определено в соответствующем стандарте МЭК на лампы* |
|
Обмотки ПРА или трансформаторов с маркировкой tw |
tw |
|
Корпус (конденсатора, зажигающего устройства, ПРА или трансформатора/преобразователя) и т.п.: |
|
|
- с указанием tс в маркировке |
tc** |
|
- без указания tс в маркировке |
50 |
|
Обмотки трансформаторов, электродвигателей и т.п. с изоляцией обмотки согласно классификации МЭК 60085: |
1 |
|
- материал класса А*7 |
100 |
|
- материал класса Е*7 |
115 |
|
- материал класса В*7 |
120 |
|
- материал класса F*7 |
140 |
|
- материал класса Н*7 |
165 |
|
Изоляция проводов |
|
|
Контакты керамических патронов и патронов из изоляционного материала для ламп и стартеров: |
|
|
- с маркировкой T1, или Т2 (В15 и В22)*4 (МЭК 61184) |
165 для Т1, и 210 для Т2 |
|
- другие типы с маркировкой Т (МЭК 60238, МЭК 60400, МЭК 60838*6 и МЭК 61184) |
T |
|
- остальные типы без маркировки Т |
|
|
(Е14, В15) (МЭК 60238 и МЭК 61184) |
135 |
|
(Е27, В22) (МЭК 60238 и МЭК 61184) (Е26) |
165 |
|
(Е40) (МЭК 60238) (Е39) |
225 |
|
Патроны для люминесцентных ламп/стартеров и различные патроны без маркировки Т (МЭК 60400 и МЭК 60838*6) |
80 |
|
Выключатели: |
|
|
- с маркировкой Т |
Т |
|
- без маркировки Т |
55 |
|
Другие детали светильника (в зависимости от материала и условий их использования) |
|
|
Монтажная поверхность: |
|
|
- из нормального воспламеняемого материала |
90 |
|
- из негорючего материала |
Не измеряется |
|
Детали, к которым часто прикасаются рукой или подлежащие регулировке вручную***: |
|
|
- металлические |
70 |
|
- неметаллические |
85 |
|
Детали, которые монтируются вручную: |
|
|
- металлические |
60 |
|
- неметаллические |
75 |
|
Объекты, освещаемые прожектором с узким пучком (см. 12.4.2 J) |
90 (на испытательной поверхности) |
|
Шинопровод (для светильников, монтируемых на шинопроводе) |
Как указано изготовителем шинопровода*5 |
|
Светильники, закрепляемые при помощи штепсельного соединения и вилки ПРА/трансформатора: |
|
|
- детали корпуса, предназначенные для установки вручную |
75 |
|
- лицевые поверхности вилки или розетки |
70 |
|
- все другие детали |
85 |
|
Заменяемые стартеры тлеющего разряда |
80 |
|
* Для светильников, в маркировке которых содержится информация об их применении со специальными лампами, или, если использование специальных ламп, очевидно, допускаются более высокие температуры, указанные изготовителем этих ламп. МЭК 60357 и МЭК 60682 содержат информацию по методике измерения температуры штыря галогенных ламп накаливания. Эти измерения требуются для оценки функциональных особенностей, т.к. лампа не является критерием безопасности светильника. (Требования к цоколям одноцокольных люминесцентных ламп, испытание с которыми в нормальном режиме не проводят, см. в таблице 12.3). Это не применимо к лампам, охватываемым МЭК 60432-2. Информация, содержащаяся в этом стандарте, должна использоваться при конструировании светильников. ** Измерение проводят в точке, указанной изготовителем зажигающего устройства. *** Не распространяются на детали, прикосновение к которым в процессе регулировки случайно, например детали прожекторов с узким пучком. *4 Температуру измеряют на краю соответствующей лампы. *5 Условия измерения температуры шинопровода при испытании - по 11.1 МЭК 60570. *6 При сомнении для двухштырьковых патронов должна измеряться средняя температура контактов. *7 Классификация материала - в соответствии с МЭК 60085 и комплекса стандартов МЭК 60216. |
|
Таблица 12.2 - Допустимые температуры нагрева традиционных материалов, применяемых в светильниках, при испытании в условиях согласно 12.4.2
|
Максимальная температура, °С |
|
|
Изоляция проводов (провода внутреннего монтажа и внешние провода, входящие в комплект светильника)**: |
|
|
- стекловолокно, пропитанное силиконовым лаком |
200* |
|
- фторопласт |
250 |
|
- силиконовый каучук (ненапряженный) |
200 |
|
- силиконовый каучук (напряженный - только на сжатие) |
170 |
|
- ПВХ обыкновенный |
90* |
|
- ПВХ теплостойкий |
105* |
|
- сополимер этилена и винилацетата |
140* |
|
Изоляция стационарной проводки (как стационарная часть установки, не входящая в комплект светильника)*: |
|
|
- без защитной оболочки |
90*** |
|
- с защитной оболочкой, включенной в комплект поставки светильника |
120 |
|
Термопласты: |
1 |
|
- акрилонитрилбутадиенстирол |
95 |
|
- ацетобутират целлюлозы |
95 |
|
- полиметилметакрилат (акриловый) |
90 |
|
- полистирол |
75 |
|
- полипропилен |
100 |
|
- поликарбонат |
130 |
|
- ПВХ (используемый не для электрической изоляции) |
100 |
|
- полиамид (нейлон) |
120 |
|
Термореактивные пластики: |
|
|
- фенолоформальдегид с минеральным наполнителем |
165 |
|
- фенолоформальдегид с древесным наполнителем |
140 |
|
- аминопласты |
90 |
|
- меламин |
100 |
|
- полиэфир, армированный стекловолокном |
130 |
|
Прочие материалы: |
|
|
- бумага и ткани, пропитанные смолистыми веществами |
125 |
|
- силиконовый каучук (используемый не для электрической изоляции) |
230 |
|
- резина (используемая не для электрической изоляции) |
70 |
|
- дерево, бумага, ткани и т.п. |
90 |
|
* Уменьшают на 15 °С при механических воздействиях на изоляцию, например при сжатии, изгибе. ** В технических условиях на кабельные изделия обычно указывают широкий диапазон значений максимальных температур, основанный на результатах эксплуатации, и эти значения предпочтительнее по сравнению с приведенными в таблице. *** Являются предельно выполнимыми в искусственных условиях испытания, изложенных в настоящем стандарте, например недостаточный воздухообмен в камере и повышенное, по сравнению с нормируемым, испытательное напряжение светильника. Следует отметить, что в некоторых европейских стране стандарты на светильники и кабельные изделия устанавливают температуру 70 °С как максимальную, которую стационарная проводка с ПВХ изоляцией может выдержать в нормальных условиях эксплуатации. |
|
12.5 Тепловое испытание (аномальный режим)
При режимах, соответствующих аномальным условиям эксплуатации (но не связанных с дефектом в светильнике или неправильным его использовании), температура деталей светильника и монтажной поверхности не должна превышать значения, приведенные в таблице 12.3, а провода внутри светильника должна оставаться безопасной.
Примечание - Признаками снижения безопасности являются трещины, выгорания и деформация.
В процессе проведения испытаний сквозная проводка не должна быть нарушена.
Светильники для монтажа на шинопровод не должны вызывать его чрезмерного нагрева.
Проверку проводят испытанием согласно 12.5.1.
12.5.1. Испытание
Температуру деталей, приведенных в таблице 12.3, измеряют с учетом следующих условий.
а) Испытание должно быть проведено в одном из состояний светильника, указанных в перечислениях 1) - 3) или 4), в котором он может оказаться в процессе эксплуатации, что в свою очередь может привести к перегреву любой детали по сравнению с ее температурой в процессе нормальной рабом (которая должна быть измерена предварительно).
Если необходимо выбрать один из аномальных режимов, то выбирают тот, который приводит наибольшему перегреву деталей.
Испытание не проводят на стационарных нерегулируемых светильниках с лампами накаливания кроме оговоренных в перечислении 3).
1) Наиболее неблагоприятное рабочее положение светильника, возникающее из-за неправильной эксплуатации, например, когда регулируемый светильник случайно вплотную прижат к монтажной поверхности с силой не более 30 Н.
2) Нештатные режимы работы электрической схемы светильника, возникающие из-за брака изготовителя или в результате продолжения использования отдельных компонентов, отработавших свой срок службы, например лампы или стартера (см. приложение С).
3) Состояние, при котором вместо специальной лампы, на которую рассчитан светильник, на непродолжительное время установлена лампа накаливания общего назначения той же мощности.
4) Возможный тяжелый режим работы электрической схемы светильника с трансформатором напряжения для питания лампы, возникающий из-за короткого замыкания во вторичной цепи (включая сам трансформатор).
Положение по перечислению 2) распространяется только на светильники с трубчатыми люминесцентными и другими разрядными лампами.
Испытания по перечислению 4) должны проводиться при закорачивании патрона лампы. Во время испытания по перечислению 4) нагрев монтажной поверхности, обусловленный передачей тепла от лампы, должен быть оценен испытанием по перечислению 1), в то время как нагрев от трансформатора должен быть измерен в режиме закороченных контактов патрона лампы.
Светильники, содержащие электродвигатель, испытывают с заторможенным ротором двигателя.
Примечание - В случае применения одного или более электродвигателей испытание должно быть проведено в наиболее критических условиях (см. приложение С).
Светильник должен быть испытан в условиях, указанных в 12.4.1 a, с, e, f, h. Кроме того, необходимо соблюдать следующие условия:
b) Испытательное напряжение должно быть:
- согласно 12.4.1 d для светильников с лампами накаливания;
1,1 (нормируемого напряжения или максимального из ряда нормируемых напряжений светильника) для светильников с трубчатыми люминесцентными и другими разрядными лампами;
1,1 нормируемого (или наибольшего из ряда нормируемых напряжений светильника) для светильников с электродвигателем;
- от 0,9 до 1,1 нормируемого напряжения питания при испытании по перечислению 4).
Примечание - Если в светильнике одновременно работают лампа накаливания и трубчатая люминесцентная или другая разрядная лампа, для испытания возможно применение двух независимых источников питания.
c) При отказе одной из деталей светильника (включая лампу), вызывающем перегрев в работе светильника, последняя должна быть заменена, а испытание продолжено. Выполненные до появления отказа измерения не повторяют, но перед их продолжением светильник должен работать в установившемся режиме. Однако при возникновении критического состояния или типичном отказе любой детали светильник считают не выдержавшим испытание.
Если в процессе испытания срабатывает устройство тепловой защиты (например тепловой или токовый размыкатель одно- или многоразового действия), то значение температуры нагрева в этот момент принимают как окончательное.
d) Если светильник имеет конденсатор (в дополнение к конденсатору, подключенному параллельно сети), то он, несмотря на требования приложения С, должен быть замкнут накоротко, если приложенное к нему напряжение в 1,25 или 1,3 раза больше нормируемого для самовосстанавливающихся или несамовосстанавливающихся конденсаторов соответственно.
e) Светильники с металлогалогенными лампами, которые должны включаться через дроссель или трансформатор, испытывают в соответствии с пунктом 2b приложения С.
Результаты измерений не должны превышать значений, приведенных в таблице 12.3.
12.5.2. Критерии соответствия
Если светильник работает при нормированной окружающей температуре ta, ни одна из температур, измеренных при испытании согласно 12.5.1, не должна превышать значений, указанных в таблице 12.3 (с учетом подпункта а) настоящего пункта). Когда температура в испытательной камере отличается от ta, то должна быть внесена соответствующая поправка к приведенным в таблице значениям.
а) Измеренная температура не должна превышать значений, указанных в таблице 12.3, более чем на 5 °С.
Примечание - Значение 5 °С учитывает неизбежную погрешность измерений температуры в светильниках.
Таблица 12.3 - Предельные значения нагрева при испытании согласно 12.5.2
|
Максимальная температура, °С |
|
|
Цоколи одноцокольных люминесцентных ламп |
Как определено в соответствующем стандарте МЭК на лампы*** |
|
Обмотки ПРА или трансформаторов с маркировкой tw |
|
|
Обмотки трансформаторов, электродвигателей и т.п. с изоляцией согласно классификации МЭК 60085: |
|
|
- материал класса А** |
150 |
|
- материал класса Е** |
165 |
|
- материал класса В** |
175 |
|
- материал класса F** |
190 |
|
- материал класса Н** |
210 |
|
Корпус конденсатора: |
|
|
- без маркировки tс |
60 |
|
- с маркировкой tс |
tс + 10 |
|
Монтажная поверхность: |
|
|
- освещаемая лампой (регулируемые светильники, соответствующие 12.5.1 а)1) |
175 |
|
- нагреваемая лампой (переносные светильники, соответствующие разделу 4.12 МЭК 60598-2-4) |
175 |
|
- из нормально воспламеняемого материала (светильники с символом
|
130 |
|
- из негорючего материала (светильники без символа |
Не измеряют |
|
Шинопровод (для светильников, монтируемых на шинопроводе) |
Как указано изготовителем шинопровода |
|
Устройство крепления светильников штепсельным соединением и корпусные детали ПРА или трансформатора с вилкой, подверженные прикосновению рукой при включении |
75 |
|
* Если в маркировке ПРА не указано иное, то применяют приведенные в графе S4,5 таблицы 12.4 или 12.5 значения максимальных температур. ** Классификация материала - в соответствии с МЭК 60085 и комплекса стандартов МЭК 60216. *** Информация о точке(ах) измерения температуры и предельных значениях дана в МЭК 61199, приложение С. |
|
Таблица 12.4 - Предельная температура обмотки устройств управления лампой в аномальном режиме работы при напряжении, равном 110 % нормируемого
|
Максимальная температура, °С |
|||||||
|
S4,5 |
S5 |
S6 |
S8 |
S11 |
S16 |
||
|
Для tw |
90 |
171 |
161 |
147 |
131 |
119 |
110 |
|
95 |
178 |
168 |
154 |
138 |
125 |
115 |
|
|
100 |
186 |
176 |
161 |
144 |
131 |
121 |
|
|
105 |
194 |
183 |
168 |
150 |
137 |
126 |
|
|
110 |
201 |
190 |
175 |
156 |
143 |
132 |
|
|
115 |
209 |
198 |
181 |
163 |
149 |
137 |
|
|
120 |
217 |
205 |
188 |
169 |
154 |
143 |
|
|
125 |
224 |
212 |
195 |
175 |
160 |
149 |
|
|
130 |
232 |
220 |
202 |
182 |
166 |
154 |
|
|
135 |
240 |
227 |
209 |
188 |
172 |
160 |
|
|
140 |
248 |
235 |
216 |
195 |
178 |
166 |
|
|
145 |
256 |
242 |
223 |
201 |
184 |
171 |
|
|
150 |
264 |
250 |
230 |
207 |
190 |
177 |
|
Таблица 12.5 - Предельная температура обмотки устройств управления лампой в аномальном режиме работы при напряжении, равном 110 % нормируемого, с маркировкой «Д6»
|
Максимальная температура, °С |
|||||||
|
S4,5 |
S5 |
S6 |
S8 |
S11 |
S16 |
||
|
Для tw |
90 |
158 |
150 |
139 |
125 |
115 |
107 |
|
95 |
165 |
157 |
145 |
131 |
121 |
112 |
|
|
100 |
172 |
164 |
152 |
137 |
127 |
118 |
|
|
105 |
179 |
171 |
158 |
144 |
132 |
123 |
|
|
110 |
187 |
178 |
165 |
150 |
138 |
129 |
|
|
115 |
194 |
185 |
171 |
156 |
144 |
134 |
|
|
120 |
201 |
192 |
178 |
162 |
150 |
140 |
|
|
125 |
208 |
199 |
184 |
168 |
155 |
145 |
|
|
130 |
216 |
206 |
191 |
174 |
161 |
151 |
|
|
135 |
223 |
213 |
198 |
180 |
167 |
156 |
|
|
140 |
231 |
220 |
204 |
186 |
173 |
162 |
|
|
145 |
238 |
227 |
211 |
193 |
179 |
168 |
|
|
150 |
246 |
234 |
218 |
199 |
184 |
173 |
|
Примечание - Для устройств управления лампой, имеющих иную продолжительность испытаний, чем 30 или 60 сут, должна использоваться формула (2), указанная в соответствующих вспомогательных стандартах МЭК для вычисления максимальной температуры, которая должна соответствовать числу суток, равному 2/3 теоретической продолжительности испытаний.
(Объяснение постоянной S и ее использование приведено в соответствующих вспомогательных стандартах МЭК).
12.6 Тепловое испытание (при условиях неисправности устройств управления лампой)
Испытание
проводят только на светильниках, имеющих в маркировке символ
и содержащих устройства управления лампой,
которые не соответствуют требованиям к расстояниям, указанным в 4.16.1, или не имеют тепловой защиты
согласно 4.16.2. Требования
данного раздела не распространяются на электронные устройства управления лампой
и небольшие катушки (обмотки), которые могут быть составной частью этих устройств.
12.6.1. Испытание светильников без устройств тепловой защиты
Светильник должен испытываться в условиях, указанных в 12.4.1 а, с, e, f, h. Кроме того, должно быть соблюдено следующее:
- для 20 % ламп светильника, но не менее чем для одной, должен быть создан аномальный режим (см. 12.5.1а);
- должны быть выбраны цепи с наибольшим неблагоприятным тепловым воздействием на монтажную поверхность, а другие цепи ламп должны работать в нормальных условиях при нормируемом или максимальном из ряда нормируемых напряжений.
Цепи, включенные в аномальный режим работы, затем должны быть переведены на напряжение, равное 1,1 нормируемого или максимального из ряда нормируемых значений.
В светильниках с люминесцентными лампами, имеющих электронное устройство управления лампой, питаемое от сети переменного тока и содержащее катушку фильтра, последняя должна испытываться отдельно, при регулируемом испытательном напряжении, обеспечивающим прохождение по катушке номинального рабочего тока. Все другие элементы устройства управления лампой и сама лампа при этом испытании должны быть отключены.
Примечание - Для этого испытания необходимы специально подготовленные устройства управления лампой.
Результаты испытаний считают удовлетворительными, если:
a) температура монтажной поверхности не превышает 130 °С, когда цепь(и) лампы(ламп), в которой(ых) создан аномальный режим, работает(ют) при напряжении 1,1 нормируемого значения;
b) значения окружающей температуры и температуры, измеренной при 1,1 нормируемого напряжения или максимального из ряда нормируемых напряжений, наносят на график (рисунок 9) в виде точек и через них, учитывая линейную зависимость, проводят прямую линию. Эта линия не должна пройти через точку, соответствующую температуре монтажной поверхности 180 °С, раньше, чем температура обмотки ПРА или трансформатора достигнет 350 °С;
с) для светильников, монтируемых на шинопроводе, ни одна деталь шинопровода не должна иметь следов разрушения, например подгораний, трещин или деформаций.
12.6.2. Испытание
светильников с внешним по отношению к ПРА или трансформатору
термочувствительным устройством защиты от перегрева и светильников с тепловой
защитой, встроенной в ПРА, маркированных символом
со значением
выше 130 °С
Для проведения испытания светильник должен быть установлен как описано в первых трех абзацах пункта 12.6.1.
Цепи, подвергаемые указанным выше режимам, должны работать при медленном и равномерном увеличении тока через обмотки, пока не сработает устройство тепловой защиты. Продолжительность и скорость увеличения тока должны быть такими, чтобы, по возможности, сохранялось динамическое равновесие между температурами обмотки и монтажной поверхности.
В процессе испытания должны непрерывно проводиться замеры температуры наиболее нагретого участка поверхности, на которой смонтирован светильник. Этим завершается испытание светильников с устройством тепловой защиты одноразового действия.
Для светильников с ручным тепловым размыкателем испытание повторяют три раза с перерывом 30 мин. Перед началом очередного испытания размыкатель приводят в рабочее состояние.
Для светильников с автоматическим тепловым размыкателем испытание продолжают до достижения монтажной поверхностью стабильной температуры, при которой автоматический тепловой размыкатель сработает три раза, включая и отключая ПРА.
Примечание - Встраиваемые трансформаторы, не имеющие своей собственной оболочки, должны подвергаться испытанию по тем требованиям, которые не нашли отражения в стандарте на эти трансформаторы.
Результаты испытания считают удовлетворительными, если в процессе испытания температура любой части монтажной поверхности не превышала 135 °С или 110 °С, при разомкнутой цепи (защита многоразового действия), без учета того, что при испытании в любом цикле работы светильников с защитой температура поверхности может превысить 135 °С, при условии, что продолжительность между моментом, когда температура поверхности первый раз превысила предел, и моментом достижения ею максимальной температуры, приведенной в таблице 12.6, не превышает значения, указанного в этой таблице.
Таблица 12.6 - Продолжительность периода возможного превышения температуры
|
Допустимое время достижения максимальной температуры св. 135 °С, мин |
Максимальная температура монтажной поверхности, °С |
Допустимое время достижения максимальной температуры св. 135 °С, мин |
|
|
Св. 180 |
0 |
От 155 до 160 |
40 |
|
От 175 до 180 |
15 |
» 150 » 155 |
50 |
|
» 170 » 175 |
20 |
» 145 » 150 |
60 |
|
» 165 » 170 |
25 |
» 140 » 145 |
90 |
|
» 160 » 165 |
30 |
» 135 » 140 |
120 |
После испытания:
- температура наиболее нагретого участка монтажной поверхности не должна превышать 180 °С в любой момент испытания для размыкателей одноразового действия и ручных тепловых размыкателей или 130 °С в процессе испытания для автоматических тепловых размыкателей;
- для светильников, монтируемых на шинопроводе, ни одна деталь шинопровода не должна иметь следов разрушения, например обгораний, трещин и деформации.
12.7 Тепловое испытание пластмассовых светильников при аварийных условиях в устройствах управления лампой или электронных устройствах
Испытание применяют только к светильникам, имеющим термопластичный корпус и не содержащим дополнительного механического, не зависящего от температуры, устройства, указанного в 4.15.2.
12.7.1. Испытание светильников без термочувствительных устройств управления
Светильник должен испытываться в условиях, указанных в 12.4.1 а, с, e, f, h. Дополнительно также должно обеспечиваться следующее.
20 % цепей ламп в светильнике, но не менее одной, должны быть включены в аномальный режим (см. 12.5.1 а).
В аномальный режим включают цепи, вызывающие наибольшее тепловое влияние на точки крепления и незащищенные детали, а другие цепи ламп должны работать при нормируемом напряжении, как в условиях эксплуатации.
Цепи, находящиеся в аномальном режиме, должны работать при напряжении 1,1 нормируемого значения или максимального из ряда нормируемых напряжений. После стабилизации теплового режима должны быть измерены наибольшие температуры обмотки и точек крепления, а также частей, наиболее подверженных тепловому воздействию. Нет необходимости измерять температуру небольших намотанных катушек устройств, являющихся составной частью электронной цепи.
Критерии соответствия
Значения окружающей температуры и температуры, измеренной при 1,1 нормируемого напряжения или максимального из ряда нормируемых напряжений, используют в формуле линейной зависимости для расчета температуры мест крепления и других незащищенных деталей применительно к температуре обмотки ПРА или трансформатора, равной 350 °С. Расчетное значение должно быть не более температуры, допустимой для материала в соответствии с методом А, описанным в ИСО 75.
12.7.2. Испытание светильников с термочувствительным устройством защиты ПРА или трансформаторов (внешних или встроенных в них)
Условия испытания светильников изложены в первых трех абзацах пункта 12.7.1.
В цепях, подвергнутых аномальному режиму, ток через обмотки медленно и равномерно увеличивают, пока не сработает термочувствительное устройство защиты.
Продолжительность и скорость возрастания тока должны быть такими, чтобы по возможности обеспечивалось динамическое равновесие между температурами обмоток, мест крепления и наиболее подверженных тепловому влиянию незащищенных деталей светильника. В процессе испытания температура указанных выше элементов должна постоянно измеряться.
Для светильников с устройством защиты ручного восстановления испытание повторяют шесть раз с перерывом 30 мин. Перед началом очередного испытания устройство защиты должно быть восстановлено.
Для светильников с автоматически восстанавливаемым устройством защиты испытания продолжают до установления стабильного теплового состояния.
Критерии соответствия
Наибольшая температура мест крепления и незащищенных деталей светильника, наиболее подверженных тепловому влиянию, в процессе испытания не должна превышать регламентируемых значений нагрева материала в соответствии с методом А, указанным в ИСО 75.
13 Теплостойкость, огнестойкость и устойчивость к токам поверхностного разряда
13.1 Общие положения
Настоящий раздел устанавливает требования и методы испытаний, относящиеся к теплостойкости, огнестойкости и устойчивости к токам поверхностного разряда некоторых деталей из изоляционного материала светильников.
Стандартные требования для печатных плат - в соответствии с МЭК 60249.
13.2 Теплостойкость
Наружные детали из изоляционного материала, обеспечивающие защиту от поражения электрическим током, и детали из изоляционного материала, на которых крепятся в рабочем положении токоведущие или БСНН детали, должны иметь достаточную теплостойкость.
Испытание давлением шарика не применяют к пластмассовым частям светильника, которые обеспечивают дополнительную изоляцию.
13.2.1. Методика проверки
Испытанию не подлежат детали из керамики и изоляция обмоток.
Испытание должно проводиться в камере тепла при температуре на (25 ± 5) °С больше рабочей температуры испытуемой детали, измеренной при тепловом испытании (в нормальном рабочем режиме) по разделу 12, но не менее 125 °С при испытании деталей для крепления токоведущих или БСНН деталей и не менее 75 °С - для остальных деталей.
К плоской части испытуемого образца, расположенного горизонтально, прижимают стальной шарик диаметром 5 мм с усилием 20 Н. Соответствующее устройство для этого испытания показано на рисунке 10. Для исключения прогибания испытуемой детали под воздействием усилия при необходимости применяют упоры.
Через 1 ч после начала испытания шарик снимают, а образец охлаждают погружением на 10 с в холодную воду. Затем измеряют диаметр углубления, который не должен превышать 2 мм.
13.3 Огнестойкость
Детали из изоляционного материала, на которых крепят токоведущие или БСНН детали, и наружные детали из изоляционного материала, обеспечивающие защиту от поражения электрическим током, должны быть огнестойкими.
Для материалов указанных деталей, исключая керамику, проверку проводят испытаниями согласно 13.3.1 и 13.3.2.
13.3.1. Детали из изоляционного материала, на которых крепят токоведущие или БСНН детали, подвергают следующему испытанию: в соответствии с МЭК 60695-2-2 к образцу прикладывают игольчатое пламя в течение 10 с в точке, обладающей наибольшей вероятностью повышенного нагрева, что, при необходимости, оценивают в процессе тепловых испытаний по разделу 12.
Не более чем через 30 с после удаления испытательного пламени горение образца, если оно произошло, должно прекратиться, а горящие капли от образца не должны вызывать возгорания расположенных под ним деталей или папиросной бумаги, соответствующей пункту 6.86 ИСО 4046 и размещенной горизонтально под образцом на расстоянии (200 ± 5) мм.
Если светильник имеет эффективную защиту от горящих капель, требование этого пункта не принимают во внимание.
Проволоку из никель-хромового сплава в виде петли раскаляют до 650 °С и прижимают к детали. Устройство для испытания и метод испытания должны отвечать МЭК 60695-2-1/1.
Возгорание или тление образца должно прекратиться спустя 30 с после удаления раскаленной петли, а любые горящие или плавящиеся капли не должны вызывать возгорания папиросной бумаги, соответствующей пункту 6.86 ИСО 4046 и расположенной горизонтально под образцом на расстоянии (200 ± 5) мм.
Требование этого пункта не распространяется на светильники, имеющие эффективную защиту от горящих капель или изоляционный материал из керамики.
13.4 Устойчивость к токам поверхностного разряда
Изоляционные детали светильников, за исключением обычных светильников, на которых крепят токоведущие или БСНН детали, или детали, находящиеся с ними в контакте, должны быть изготовлены из материала, обладающего устойчивостью к токам поверхностного разряда, если только они не защищены от воздействия пыли и влаги.
13.4.1. Проверку проводят в трех точках испытуемого образца.
Материалы, кроме керамики, проверяют по МЭК 60112 со следующими уточнениями:
- если образец не имеет плоской поверхности размером не менее 15´15 мм, испытание может проводиться на плоской поверхности с меньшими размерами, при условии, что капли жидкости не стекают с образца в процессе испытания. Искусственные методы удержания жидкости на поверхности образца неприменимы. При сомнении испытание должно быть проведено на отдельном плоском образце установленного выше размера, изготовленного из того же материала и по одинаковой технологии, представленных изготовителем;
- если толщина образца менее 3 мм, то два или, при необходимости, более образцов накладывают друг на друга, добиваясь толщины не менее 3 мм;
- испытание должно проводиться в трех точках образца или на трех образцах;
- электроды испытательной установки должны быть платиновыми, и для испытания применяют раствор А, описанный в пункте 5.4 МЭК 60112.
13.4.2. Образцы должны выдерживать без повреждений падение 50 капель раствора при испытательном напряжении PTI = 175.
Образцы считают не выдержавшими испытание, если по их поверхности между электродами в течение не менее 2 с проходит ток 0,5 А и более, приводящий к срабатыванию токового реле, или если без размыкания реле произошло возгорание образца.
Примечание 1 к пункту 6.4 МЭК 60112 в части определения эрозии не применяют.
Примечание 2 в разделе 3 МЭК 60112 в части пропитки поверхности не применяют.
14 Винтовые контактные зажимы
14.1 Общие положения
Настоящий раздел устанавливает требования к винтовым контактным зажимам всех типов, применяемых в светильниках.
Примеры винтовых контактных зажимов приведены на рисунках 12 - 16.
14.2 Термины и определения
В настоящем разделе применяют следующие термины.
14.2.1. торцевой контактный зажим: Зажим, в котором жилу провода вводят в отверстие или паз и прижимают торцом(ами) винта(ов). Давление на жилу может передаваться непосредственно торцом винта или через промежуточную прижимную деталь.
Примеры торцевых контактных зажимов приведены на рисунке 12.
14.2.2. контактный зажим с крепежной головкой: Зажим, в котором жилу провода прижимают головкой винта. Давление на жилу может передаваться непосредственно головкой винта или через промежуточные детали, такие как шайба, прижимная пластина или устройство, защищающее жилу от выдавливания.
Примеры контактных зажимов с крепежной головкой приведены на рисунке 13.
14.2.3. контактный зажим с крепежной гайкой: Зажим, в котором жилу провода прижимают гайкой. Давление на жилу может передаваться непосредственно гайкой соответствующей формы или через промежуточные детали, такие как шайба, прижимная пластина или устройство, защищающее жилу от выдавливания.
Примеры контактных зажимов с крепежной гайкой приведены на рисунке 13.
14.2.4. контактный зажим с прижимной пластиной: Зажим, в котором жилу провода прижимают пластиной при помощи двух или более винтов или гаек.
Примеры контактных зажимов с прижимной пластиной приведены на рисунке 14.
14.2.5. контактный зажим для кабельных наконечников: Зажим с крепежной головкой или крепежной гайкой, предназначенный для прижима кабельного наконечника или плоского вывода при помощи винта или гайки.
Примеры контактных зажимов для кабельных наконечников приведены на рисунке 15.
14.2.6. колпачковый контактный зажим: Зажим, в котором жилу провода прижимают гайкой в пазе шпильки. Прижим обеспечивается шайбой специальной формы, устанавливаемой под гайкой, либо центральным выступом колпачковой гайки, или другим равноценным способом передачи давления на жилу гайки без паза.
Примеры колпачковых контактных зажимов приведены на рисунке 16.
14.3 Общие требования и обоснование выбора
14.3.1. Настоящие требования распространяются на винтовые контактные зажимы, рассчитанные на ток не более 63 А, обеспечивающие присоединение медных жил кабелей или гибких шнуров только прижимом.
Требования распространяются на контактные зажимы только тех типов, которые приведены на рисунках 12 - 16.
14.3.2. Контактные зажимы различают по конструкции и форме, в т.ч. к ним относятся зажимы, в которых жилу провода зажимают непосредственно или косвенно под торец винта, головку винта или гайку, а также контактные зажимы для кабельных наконечников или плоских выводов.
Основные принципы выбора требований приведены в 14.3.2.1 - 14.3.2.3.
Некоторые типы контактных зажимов, в частности торцевые и колпачковые, могут быть использованы для «шлейфового» монтажа, когда к контактному зажиму присоединяют две или более жилы с одинаковым или разным сечением или структурой. В этом случае может не применяться классификация контактных зажимов по номеру, приведенная в настоящем стандарте.
14.3.2.2. Как правило, контактные зажимы должны обеспечивать присоединение кабелей или гибких шнуров без специальной подготовки, но в отдельных случаях необходимо предусматривать возможность присоединения кабельных наконечников или плоских выводов.
За редким исключением значение сечения жил при переходе от одного набора из трех сечений к другому, т.е. от номера к номеру, выбранных, как указано выше, возрастает на один шаг.
Номинальные сечения жил, предназначенных для присоединения к контактным зажимам, указаны в таблице 14.1, в которой также приведен диаметр жилы наибольшего сечения.
Контактные зажимы могут быть использованы для жил, сечение которых меньше указанного номинального ряда, при условии прижима жилы давлением, достаточным для надежного электрического и механического соединения.
Таблица 14.1 - Номинальные сечения жил в зависимости от номера контактного зажима
|
Гибкий провод |
Жесткий одно- или многопроволочный провод |
|||||||
|
Номинальные сечения, мм2 |
Диаметр жилы наибольшего сечения, мм |
Номинальные сечения, мм2 |
Диаметр жилы наибольшего сечения, мм |
|||||
|
0* |
0,50 |
0,75 |
1,0 |
1,45 |
- |
- |
- |
- |
|
1** |
0,75 |
1,00 |
1,5 |
1,73 |
0,75 |
1,0 |
1,5 |
1,45 |
|
2 |
1,00 |
1,50 |
2,5 |
2,21 |
1,00 |
1,5 |
2,5 |
2,13 |
|
3 |
1,50 |
2,50 |
4,0 |
2,84 |
1,50 |
2,5 |
4,0 |
2,72 |
|
4*** |
2,50 |
4,00 |
6,0 |
3,87 |
2,50 |
4,0 |
6,0 |
3,34 |
|
5 |
2,50 |
4,00 |
6,0 |
4,19 |
4,00 |
6,0 |
10,0 |
4,32 |
|
6 |
4,00 |
6,00 |
10,0 |
5,31 |
6,00 |
10,0 |
16,0 |
5,46 |
|
7 |
6,00 |
10,00 |
16,0 |
6,81 |
10,00 |
16,0 |
25,0 |
6,83 |
|
* Не применяют для жестких проводов. Допускается применение гибких проводов сечением 0,40 мм2 (см. 5.3.1) ** Распространяется также на гибкие провода номинальным сечением 0,50 мм2, если конец жилы сложен вдвое. *** Не распространяется на гибкие провода сечением 6,00 мм2 некоторых специальных конструкций. |
||||||||
14.3.3. Контактные зажимы должны обеспечивать надежное присоединение медных жил, сечения которых указаны в таблице 14.2, при этом размеры места расположения жилы должны быть не менее указанных на рисунках 12 - 14 или 16.
Требования не распространяются на контактные зажимы для кабельных наконечников.
Проверку проводят внешним осмотром, измерением и пробным присоединением жил проводов наибольшего и наименьшего из указанных сечений.
Таблица 14.2 - Номинальные сечения жил в зависимости от наибольшего тока
|
Гибкий провод |
Жесткий одно- или многопроволочный провод |
|||
|
Номинальные сечения*, мм2 |
Номер контактного зажима |
Номинальные сечения*, мм2 |
Номер контактного зажима |
|
|
2 |
0,40 |
0 |
- |
- |
|
6 |
От 0,50 до 1,00 |
0 |
От 0,75 до 1,50 |
1 |
|
10 |
» 0,75 » 1,50 |
1 |
» 1,00 » 2,50 |
2 |
|
16 |
» 1,00 » 2,50 |
2 |
» 1,50 » 4,00 |
3 |
|
20 |
» 1,50 » 4,00 |
3 |
» 1,50 » 4,00 |
3 |
|
25 |
» 1,50 » 4,00 |
3 |
» 2,50 » 6,00 |
4 |
|
32 |
» 2,50 » 6,00 |
4 или 5** |
» 4,00 » 10,00 |
5 |
|
40 |
» 4,00 » 10,00 |
6 |
» 6,00 » 16,00 |
6 |
|
63 |
» 6,00 » 16,00 |
7 |
» 10,00 » 25,00 |
7 |
|
* Требование не распространяется на контактные зажимы, используемые для соединений различных компонентов внутри светильников при помощи кабелей или гибких шнуров, не соответствующих МЭК 60227 или МЭК 60245, если соблюдаются другие требования настоящего стандарта. ** Контактный зажим номер 4 не распространяется на гибкие провода сечением 6,00 мм2 некоторых специальных конструкций, в этом случае должен использоваться контактный зажим номер 5. |
||||
14.3.4. Контактные зажимы должны обеспечивать надежное механическое присоединение проводов.
Проверка должна проводиться всеми испытаниями по 14.4.
14.4. Механические испытания
14.4.1. Для торцевых контактных зажимов расстояние между прижимным винтом и концом жилы провода, когда он полностью введен в отверстие, должно быть не менее указанного на рисунке 12.
Требование распространяется только на глухие торцевые контактные зажимы, через которые жила не может пройти насквозь.
Для колпачковых зажимов длина конца жилы провода, выступающей из-под прижима, должна быть не менее указанной на рисунке 16.
Проверку проводят измерением после того, как в контактный зажим полностью введена и прижата однопроволочная жила наибольшего сечения из указанных в таблице 14.2.
14.4.2. Конструкция винтовых контактных зажимов или их размещение должны быть такими, чтобы ни одна однопроволочная жила или одиночный проводник многопроволочной жилы не могли оказаться вне места контакта прижимающих и удерживающих деталей.
Требование не распространяется на контактные зажимы для кабельных наконечников.
Для стационарных светильников, предназначенных только для постоянного присоединения к стационарной (наружной) электрической сети, требование распространяется только на однопроволочные и жесткие многопроволочные провода. Испытание проводят с жесткими многопроволочными проводами.
Проверку проводят следующим испытанием.
К контактному зажиму присоединяют жилу указанной в таблице 14.3 структуры.
Таблица 14.3 - Структура жил
|
Число отдельных проводников и их номинальный диаметр (п´мм) |
Номер контактного зажима |
Число отдельных проводников и их номинальный диаметр (п´мм) |
|||
|
Гибкие жилы |
Многопроволочные жесткие жилы |
Гибкие жилы |
Многопроволочные жесткие жилы |
||
|
0 |
32´0,20 |
- |
4 |
84´0,30 |
7´1,04 |
|
1 |
30´0,25 |
7´0,50 |
5 |
84´0,30 |
7´1,35 |
|
2 |
50´0,25 |
7´0,67 |
6 |
80´0,40 |
7´1,70 |
|
3 |
56´0,30 |
7´0,85 |
7 |
126´0,40 |
7´2,14 |
Перед вводом в контактный зажим проводники жестких жил должны быть выпрямлены, а гибкие жилы равномерно скручены в одном любом направлении на один полный оборот на длине 20 мм.
Жилу вводят в контактный зажим на минимальную заданную глубину, или, если глубина не указана, до тех пор, пока она не начнет выходить с противоположной стороны зажима, при этом положение провода выбирают наиболее неблагоприятным, при котором отдельные проводники жилы в дальнейшем могли бы быть выдавлены из-под зажима при его затягивании. Затем прижимной винт затягивают с вращающим моментом, равным 2/3 значения, указанного в соответствующей графе таблицы 14.4.
Для гибких жил испытание повторяют с новым проводом, который скручивают, как указано выше, но в противоположном направлении.
По окончании испытания ни один из проводников не должен оказаться вне места контакта прижимающих и удерживающих деталей.
14.4.3. Контактные зажимы до номера 5 включ. должны обеспечивать возможность присоединения жил проводов без их специальной подготовки.
Проверку проводят внешним осмотром.
Примечание - Термин «специальная подготовка» означает лужение проводников жилы, использование кабельных наконечников, образование петли и т.п., но не изменение формы жилы перед введением в контактный зажим или скручивание проводников жилы для придания большей жесткости ее концу.
Пропаивание гибких жил без дополнительного припоя с предварительно лужеными проводниками не является специальной подготовкой.
14.4.4. Контактные зажимы должны иметь достаточную механическую прочность.
Прижимные винты и гайки должны иметь метрическую резьбу. Контактные зажимы, предназначенные для внешних проводов, не должны использоваться для присоединения любых других компонентов, за исключением зажимов для присоединения проводов внутреннего монтажа, если размещение последних в зажиме таково, что они не могут быть смещены при присоединении проводов электрической сети.
Винты не должны изготовляться из мягких металлов и материалов, подверженных текучести, например цинка или алюминия.
Проверку проводят внешним осмотром и испытаниями согласно 14.3.3, 14.4.6 - 14.4.8.
14.4.5. Контактные зажимы должны быть устойчивы к коррозии.
Проверку проводят испытанием по разделу 4.
14.4.6. Контактные зажимы крепят на светильнике или при помощи клеммной колодки, или другим способом. При затягивании или ослаблении прижимных винтов или гаек не должно быть ослабления крепления контактных зажимов, провода внутреннего монтажа не должны испытывать механических напряжений, пути утечки и воздушные зазоры не должны становиться меньше значений, указанных в разделе 11.
Требование не означает, что конструкция контактных зажимов должна предотвращать возможность смещения или вращения их относительно рабочего положения; оно означает, что любое смещение зажима должно быть ограничено, чтобы не нарушались требования настоящего стандарта.
Заливка контактных зажимов изолирующими компаундами или смолами является достаточной защитой зажимов от ослабления, если компаунды или смолы не подвержены механическим воздействиям при нормальном использовании и их защитные свойства не снижаются при нагреве, который может иметь место на зажимах в самых неблагоприятных условиях их применения, указанных в разделе 12.
Проверку проводят внешним осмотром, измерением и следующим испытанием.
В контактный зажим вводят жесткую медную жилу провода наибольшего из указанных в таблице 14.2 сечения. Соответствующей испытательной отверткой или ключом винты и гайки пять раз затягивают и ослабляют при приложении вращающего момента, указанного в таблице 14.4 или на соответствующих рисунках 12 - 16, выбирая большее значение.
Таблица 14.4 - Вращающий момент, прикладываемый к винтам и гайкам
|
Вращающий момент, Н·м |
|||||
|
I |
II |
III |
IV |
V |
|
|
До 2,8 включ. |
0,20 |
- |
0,4 |
0,4 |
- |
|
Св. 2,8 до 3,0 включ. |
0,25 |
- |
0,5 |
0,5 |
- |
|
» 3,0 » 3,2 » |
0,30 |
- |
0,6 |
0,6 |
- |
|
» 3,2 » 3,6 » |
0,40 |
- |
0,8 |
0,8 |
- |
|
» 3,6 » 4,1 » |
0,70 |
1,2 |
1,2 |
1,2 |
1,2 |
|
» 4,1 » 4,7 » |
0,80 |
1,2 |
1,8 |
1,8 |
1,8 |
|
» 4,7 » 5,3 » |
0,80 |
1,4 |
2,0 |
2,0 |
2,0 |
|
» 5,3 » 6,0 » |
- |
1,8 |
2,5 |
3,0 |
3,0 |
|
» 6,0 » 8,0 » |
- |
2,5 |
3,5 |
6,0 |
4,0 |
|
» 8,0 » 10,0 » |
- |
3,5 |
4,0 |
10,0 |
6,0 |
|
» 10,0 » 12,0 » |
- |
4,0 |
- |
- |
8,0 |
|
» 12,0 » 15,0 » |
- |
5,0 |
- |
- |
10,0 |
После каждого ослабления винта или гайки жилу провода в контактном зажиме сдвигают.
Значения графы I таблицы 14.4 распространяются на винты без головок, не выступающие за пределы отверстия при затягивании, а также на другие винты, которые не могут быть затянуты при помощи отвертки с рабочей частью более широкой, чем диаметр винта.
Значения графы II распространяются на гайки колпачковых контактных зажимов, которые затягивают отверткой.
Значения графы III распространяются на другие винты, которые затягивают отверткой.
Значения графы IV распространяются на винты и гайки, отличные от используемых в колпачковых контактных зажимах, затягиваемых отличным от отвертки средством.
Значения графы V распространяются на гайки колпачковых контактных зажимов, затягиваемых отличным от отвертки средством.
Если винт с шестигранной головкой имеет шлиц для отвертки, а значения вращающих моментов в графах III и IV для этого винта различны, испытание проводят дважды: сначала к шестигранной головке прикладывают вращающий момент, указанный в графе IV, затем на другой выборке образцов затягивают винты отверткой с вращающим моментом, указанным в графе III. Если значения вращающих моментов в графах III и IV равны, то проводят только испытание с отверткой.
В процессе испытания контактные зажимы не должны ослабляться и иметь такие повреждения, как разрушение винтов, срыв шлицев или резьбы, повреждение шайб или прижимных скоб, препятствующих дальнейшему использованию контактных зажимов.
Примечание - Для колпачковых контактных зажимов указанный в таблице номинальный диаметр резьбы относится к ширине паза в шпильке. Форма лезвия испытательной отвертки должна соответствовать головке испытуемого винта. Винты и гайки затягивают плавно, без рывков.
14.4.7. Контактные зажимы должны зажимать жилу провода между металлическими поверхностями.
Контактные зажимы для кабельных наконечников должны иметь пружинные шайбы или другие равноценные средства защиты от самоотвинчивания, при этом прижимающие поверхности должны быть гладкими.
В колпачковых контактных зажимах дно месторасположения провода должно иметь слегка закругленную углубленную форму для получения надежного электрического контакта.
Проверку проводят внешним осмотром и следующим испытанием.
В контактные зажимы последовательно вводят жесткую жилу наименьшего и наибольшего из указанных в таблице 14.2 сечений, и винты контактных зажимов затягивают с вращающим моментом, равным 2/3 значения, приведенного в соответствующей графе таблицы 14.4.
Если винт с шестигранной головкой имеет шлиц для отвертки, вращающий момент должен быть равен 2/3 значения, указанного в графе III таблицы 14.4.
Затем каждую жилу подвергают натяжению с силой, значение которой указано в таблице 14.5. Натяжение осуществляют плавно, без рывков, в течение 1 мин, вдоль оси провода.
Таблица 14.5 - Сила натяжения жилы
|
0 |
1 |
2 |
3 |
4 |
5 |
6 |
7 |
|
|
Сила натяжения, Н |
30 |
40 |
50 |
50 |
60 |
80 |
90 |
100 |
В процессе испытания не должно быть заметного смещения жилы в контактном зажиме.
14.4.8. Контактные зажимы должны прижимать жилу без существенных повреждений.
Проверку проводят внешним осмотром жил наименьшего и наибольшего из указанных в таблице 14.2 сечений после однократного затягивания и ослабления их в зажиме приложением к прижимному винту или гайке вращающего момента, равного 2/3 значения, приведенного в таблице 14.4.
Если винты с шестигранной головкой имеет шлиц для отвертки, то вращающий момент при затягивании должен быть равен 2/3 значения, указанного в графе IV таблицы 14.4.
Примечание - Существенно поврежденными считают жилы, в которых имеются глубокие надрез или вмятины.
15 Безвинтовые контактные зажимы и электрические соединения
15.1 Общие положения
Требования настоящего раздела распространяются на контактные зажимы и электрические соединения всех видов, в которых не используют винты для одно- или многопроволочных медных проводников сечением до 2,5 мм2, внутреннего монтажа светильников и присоединения светильников к внешним проводам.
Примеры безвинтовых контактных зажимов и соединений некоторых видов приведены на рисунках 17 - 19.
15.2 Термины и определения
15.2.1. безвинтовые контактные зажимы: Устройства, предназначенные для соединения в электрических цепях при помощи механических безвинтовых средств.
15.2.2. неразъемное соединение: Одноразовое постоянное электрическое соединение провода (например, скруткой или опрессовкой).
15.2.3. разъемное соединение: Многоразовое электрическое соединение провода как оконцованного, так и без специальной подготовки (например, соединение плоским или цилиндрическим штырем с гнездовым контактом или контактные зажимы пружинного типа).
15.2.4. оконцованный провод: Провод, на конце которого стационарно закреплена деталь штыревого соединения (штырь или гнездовой контакт).
Примечание - Термин «специальная подготовка» означает лужение проводников жилы, использование кабельных наконечников, деталей штыревого соединения, образование петли и т.п., но не изменение формы жилы перед введением ее в контактный зажим или скручивание проводников жилы для придания большей жесткости ее концу.
Пропаивание гибких жил луженых проводов без использования дополнительного припоя не является специальной подготовкой.
15.2.6. испытательный ток: Значение тока, установленное изготовителем для контактного зажима или соединения. Когда контактные зажимы являются отдельными компонентами светильника, испытательным должен быть ток, нормируемый для компонента.
15.3 Общие требования
15.3.1. Токоведущие детали контактных зажимов или соединений должны быть изготовлены из одного материала, например:
- меди;
- сплавов, содержащих не менее 58 % меди, для деталей, работающих на холоде, или не менее 50 % меди - для остальных деталей;
- других металлов, имеющих механические свойства и коррозионную стойкость не хуже, чем у вышеуказанных материалов.
Провод должен зажиматься между металлическими поверхностями. Однако контактные зажимы, предназначенные для электрических цепей, рассчитанных на нормируемый ток не более 2 А, могут иметь одну неметаллическую контактную поверхность, если выполняются требования 15.3.5.
Контактные зажимы, прокалывающие изоляцию, могут использоваться в цепях БСНН светильников или как стационарное неразборное соединение в других светильниках.
Примечание - Существенно поврежденной считают жилу, в которой имеются глубокие надрезы или вмятины.
15.3.3. Конструкция контактных зажимов должна ограничивать введение провода вглубь зажима, когда он соответствующим образом введен в зажим.
15.3.4. Контактные зажимы, кроме предназначенных для присоединения специально подготовленных проводов, должны обеспечивать присоединение проводов «без специальной подготовки» (см. 15.2.5).
Проверку требований 15.3.2 - 15.3.4 проводят внешним осмотром контактных зажимов или соединений после присоединения к ним соответствующих проводов и проведения тепловых испытаний согласно 15.6.2 или 15.9.2.
15.3.5. Конструкция электрических соединений должна препятствовать передаче контактного давления, обеспечивающего хорошую электропроводность, через изоляционные материалы, кроме керамики, чистой слюды и подобных им материалов, если только возможная усадка изоляционного материала не может быть компенсирована дополнительной упругостью металлических деталей (см. рисунки 17 и 18).
15.3.6. Способ присоединения и отсоединения провода к разъемным безвинтовым контактным зажимам пружинного типа должен быть наглядным и простым.
Отсоединение не должно осуществляться непосредственно вытягиванием провода, а должно выполняться вручную или универсальным инструментом.
15.3.7. Контактные зажимы пружинного типа, предназначенные для присоединения нескольких проводов, должны обеспечивать независимое присоединение каждого провода.
Контактные зажимы, предназначенные для разъемного соединения, должны обеспечивать одновременное или раздельное отсоединение проводов.
15.3.8. Контактные зажимы должны крепиться непосредственно на светильнике или через клеммные колодки, или другим способом. Крепление зажимов не должно ослабевать при присоединении и отсоединении проводов.
Проверку проводят внешним осмотром, а при сомнении - испытанием согласно 15.5 и 15.8. Во время испытания крепление контактных зажимов не должно ослабляться, а сами контактные зажимы не должны иметь повреждений, препятствующих их дальнейшему использованию.
Изложенное распространяется не только на контактные зажимы, установленные в светильнике, но и поставляемые отдельно. Заливка контактных зажимов компаундами без применения других способов защиты недостаточна. Однако для фиксации контактных зажимов, которые при нормальном использовании не подвергаются механическим воздействиям, могут применяться самоотвердеющие смолы.
15.3.9. Контактные зажимы и соединения должны выдерживать механические, электрические и тепловые воздействия, которые могут возникать при нормальном использовании.
Проверку проводят испытаниями согласно 15.5, 15.6, 15.8 или 15.9.
15.4 Общие требования к испытаниям
15.4.1. Подготовка образцов к испытаниям
До начала испытаний безвинтовых контактных зажимов или соединений, установленных в светильниках, следует проверить степень защиты светильника от пыли и влаги по разделу 9.
15.4.2. Провода для испытаний
Для испытаний должны применяться медные провода рекомендованных изготовителем типов и размеров. Если указан диапазон сечений, то испытания проводят с проводами наибольшего и наименьшего сечений.
15.4.3. Контактные зажимы для нескольких проводов
Безвинтовые контактные зажимы, предназначенные для одновременного присоединения нескольких проводов, должны испытываться с тем числом проводов, которое указано изготовителем.
15.4.4. Сборка контактных зажимов
Каждый контактный зажим в группе или наборе, например клеммная колодка в ПРА, может испытываться как самостоятельный образец.
15.4.5. Число образцов для испытания
Испытания согласно 15.5 - 15.8 проводят на четырех контактных зажимах (или соединениях). Не менее трех образцов должны соответствовать предъявляемым требованиям. Если один образец не выдержал испытания, то испытания повторяют на четырех новых образцах, и все они должны выдержать испытания.
Испытания согласно 15.9 проводят на 10 контактных зажимах.
КОНТАКТНЫЕ ЗАЖИМЫ И СОЕДИНЕНИЯ ДЛЯ ПРОВОДОВ ВНУТРЕННЕГО МОНТАЖА
15.5 Механические испытания
Контактные зажимы и соединения должны иметь соответствующую механическую прочность. Проверку проводят испытаниями согласно 15.5.1 и 15.5.2.
15.5.1. Разъемные соединения
Механическую прочность контактных зажимов (или соединений) проверяют на выборке из четырех образцов. Если в светильнике не все имеющиеся контактные зажимы относятся к одному типу, испытания проводят на четырех образцах каждого типа.
Испытание должно проводиться только на тех зажимах или соединениях, которые потребитель использует при сборке светильника перед вводом его в эксплуатацию.
15.5.1.1. Испытание безвинтовых контактных зажимов пружинного типа (рисунок 18) проводят с медными однопроволочными проводами сечения(ий), указанного(ых) изготовителем. Если изготовитель указал диапазон сечений, то испытание проводят отдельно с проводами наибольшего и наименьшего сечений.
К двум из четырех испытуемых контактные зажимов присоединяют провода наибольшего сечения, к двум другим - провода наименьшего сечения. Проводят пять циклов присоединения, используя каждый раз новый провод.
В пятом цикле используют провод, который присоединяли в четвертом цикле, при этом провода устанавливают на то же место, что и в четвертом цикле. В каждом цикле провода вводят в контактный зажим до упора.
Если контактный зажим предназначен для присоединения многопроволочных проводов, проводят дополнительное испытание с одним жестким медным многопроволочным проводом. Если, кроме того, указан диапазон сечений, испытание проводят отдельно с проводом наибольшего и наименьшего сечений. Каждый провод только один раз присоединяют и отсоединяют от одного контактного зажима.
После последнего присоединения каждый провод подвергают натяжению усилием 4 Н.
15.5.1.2. Штыревые и штепсельные соединения также подвергают натяжению усилием 4 Н. Усилие прикладывают к образцу в течение 1 мин плавно, без рывков, в направлении, противоположном направлению ввода в данное соединение жилы или оконцованного провода.
В процессе испытания жила или оконцованный провод не должны выходить за пределы контактного зажима, и после испытания не должно быть повреждений контактного зажима, жилы или оконцованного провода, препятствующих их дальнейшему нормальному использованию.
Усилие, прикладываемое к жиле или оконцованному проводу для введения их в соединение или для разрыва соединения, должно быть не более 50 Н, а для штыревого и штепсельного соединения - не более указанного для разъединения.
15.5.2. Неразъемные соединения
Соединение должно полностью сохранять работоспособность при приложении растягивающего усилия 20 Н в течение 1 мин в направлении разрыва соединения проводов. В некоторых случаях для правильного приложения усилия (например, при испытании соединения скруткой) может быть применен специальный инструмент.
При испытании контактных зажимов для нескольких проводов растягивающее усилие прикладывают к каждому проводу поочередно.
15.6 Электрические испытания
Контактные зажимы и соединения должны иметь соответствующую электрическую прочность.
Проверку проводят испытаниями согласно 15.6.1 и 15.6.2.
15.6.1. Проверка контактного сопротивления
Проверку контактного сопротивления контактных зажимов (или соединений) проводят на четырех зажимах. Если в светильнике не все имеющиеся контактные зажимы относятся к одному типу, проверку проводят на четырех образцах каждого типа.
15.6.1.1. Проверку безвинтовых контактных зажимов пружинного типа согласно 15.6.1.3 проводят с четырьмя медными однопроволочными неизолированными проводами.
Если предусмотрен диапазон сечений, то два зажима проверяют с проводами наибольшего сечения, а два других - с проводами наименьшего сечения.
15.6.1.2. Проверку штыревых или штепсельных соединений согласно 15.6.1.3 проводят с оконцованными проводами.
Проверку падения напряжения на каждом контакте и в каждом соединении проводят отдельно, например, отдельно измеряют падение напряжения в местах сочленения «провод-гнездовой контакт» и «штырь-гнездо».
Суммарное падение напряжения, измеренное в двух независимых местах, после сочленения соединения, не должно быть более удвоенного значения, указанного в настоящем пункте.
15.6.2. Испытание на нагревостойкостъ
15.6.2.1. Контактные зажимы (или соединения) на нормируемый ток до 6 А включ. испытывают на старение в обесточенном состоянии 25 циклами, с длительностью каждого цикла 30 мин, во время которого температуру на зажиме поддерживают на уровне (Т ± 5) °С или (100 ± 5) °С, выбирая большее из них, с последующим охлаждением до температуры 15 °С - 30 °С. Контактные зажимы (или соединения) на нормируемый ток св. 6 А испытывают на старение воздействием 100 таких циклов.
Примечание - Температура Т - это указанная в маркировке максимально нормируемая температура таких компонентов, как патроны для ламп.
15.6.2.2. Падение напряжения снова измеряют на каждом контактном зажиме:
a) после 10 или 25-го циклов для зажимов на нормируемый ток до 6 А включ.;
b) после 50 и 100-го циклов для зажимов на нормируемый ток св. 6 А.
Результаты испытания считают удовлетворительными, если измеренные в обоих случаях значения падения напряжения на каждом зажиме не превышают более чем на 50 % измеренное падение напряжения на этом же зажиме при испытании согласно 15.6.1 с допустимым отклонением в сторону увеличения не более 2 мВ.
Результаты испытания считают неудовлетворительными, если падение напряжения на любом из контактных зажимов превышает 22,5 мВ.
Если на одном из испытуемых зажимов значение падения напряжения, измеренное по подпункту а) или b), превышает более чем на 50 % с минимумом 2 мВ от падения напряжения, измеренного на тех же контактных зажимах согласно 15.6.1, но вместе с тем не превышает 22,5 мВ, то проводят снова испытание 25 или 100 циклами без нагрузки в соответствии с нормируемым током.
После 10 и 25-го или 50 и 100-го циклов (в соответствии с нормируемым током) снова измеряют падение напряжения. Падение напряжения на любом контактном зажиме не должно превышать 22,5 мВ.
Суммарное падение напряжения, измеренное в двух независимых местах, не должно быть более удвоенного значения, указанного в настоящем пункте.
15.6.2.3. Если в контактном зажиме одна из поверхностей, к которой прижимают жилу провода, изготовлена из изоляционного материала, то эта поверхность в процессе испытания на нагревостойкость не должна деформироваться.
Проверку проводят внешним осмотром.
Таблица 15.1 - Ряд сечений проводов
|
Номинальное сечение провода, мм2 |
|
|
6 |
От 0,5 до 1,0 |
|
10 |
Св. 1,0 » 1,5 |
|
16 |
» 1,5 » 2,5 |
Примечание - Безвинтовые контактные зажимы принято обозначать цифрой. Например, цифра 0 обычно обозначает зажим, через который проходит ток не более 6 А. Если ток для какой-то детали зажима меньше, чем для самого зажима, то цифру присваивают по значению тока этой детали.
КОНТАКТНЫЕ ЗАЖИМЫ И СОЕДИНЕНИЯ ДЛЯ ВНЕШНЕЙ ПРОВОДКИ
15.7 Провода
Безвинтовые контактные зажимы пружинного типа должны быть рассчитаны на присоединение жестких одно- или многопроволочных проводов сечением, указанным в таблице 15.1.
Проверку проводят внешним осмотром, измерением и присоединением проводов наименьшего и наибольшего сечений из числа указанных.
15.8 Механические испытания
Контактные зажимы и соединения должны иметь соответствующую механическую прочность.
Проверку проводят испытаниями согласно 15.8.1 и 15.8.2 на одном из четырех образцов.
15.8.1. Испытание безвинтовых контактных зажимов пружинного типа можно проводить с медными однопроволочными проводами наименьшего и наибольшего сечений, указанных в 15.7. Испытание проводят пятикратным присоединением и отсоединением провода к(от) каждому(го) контактному(го) зажиму(а). Если в светильнике не все имеющиеся зажимы относятся к одному типу, испытания проводят на одном зажиме каждого типа.
Для первых четырех присоединений каждый раз используют новый провод. Для пятого присоединения используют провод, применявшийся в четвертом цикле, который устанавливают в зажиме в то же самое место, как и в четвертом цикле. В каждом цикле провод вводят в контактные зажимы до упора.
Если изготовитель указывает, что контактный зажим также рассчитан на присоединение многопроволочного провода (см. 15.3.10), то проводят дополнительно испытание с жесткими медными многопроволочными проводами наибольшего и наименьшего сечений, указанных в 15.7. Каждый провод один раз присоединяют и отсоединяют к(от) одному(го) контактному(го) зажиму(а).
После последнего присоединения каждый провод подвергают натяжению с усилием, указанным в таблице 15.2.
Таблица 15.2 - Усилие растяжения провода
|
Усилие, Н |
||
|
Для контактных зажимов пружинного типа |
Для штыревого и штепсельного соединений |
|
|
6 |
20 |
8 |
|
10, 16 |
30 |
15 |
Примечание - Если ток для какой-то детали соединения меньше, чем для самого соединения, то значение усилия выбирают по значению тока этой детали.
Усилие прикладывают к образцу в течение 1 мин плавно, без рывков в направлении, противоположном направлению ввода в данное соединение жилы или оконцованного провода.
В процессе испытания жила или оконцованный провод не должны выходить за пределы соединения. После испытания не должно быть повреждений контактного зажима, жилы или оконцованного провода, препятствующих их дальнейшему нормальному использованию.
15.9 Электрические испытания
Контактные зажимы и соединения должны иметь соответствующие рабочие электрические характеристики.
Проверку проводят испытаниями согласно 15.9.1 или 15.9.2.
15.9.1. Проверка контактного сопротивления
Проверку контактного сопротивления контактных зажимов (или соединений) проводят на 10 контактных зажимах. Если в светильнике не все имеющиеся контактные зажимы относятся к одному типу, то проверку проводят на 10 образцах каждого типа.
15.9.1.1. Проверку безвинтовых контактных зажимов пружинного типа согласно 15.9.1.3 проводят с 10 медными неизолированными однопроволочными проводами.
К пяти контактным зажимам присоединяют, как в условиях эксплуатации, провод наибольшего сечения, указанного в 15.7.
К остальным пяти зажимам присоединяют провод наименьшего сечения, указанного в 15.7.
15.9.1.2. Проверку штыревых и штепсельных соединений согласно 15.9.1.3 проводят с оконцованными проводами.
Суммарное падение напряжения в двух независимых местах, измеренное после сочленения соединения, должно быть не более удвоенного значения, указанного в настоящем пункте.
15.9.2. Испытание на нагревостойкость
Испытание контактных зажимов (или соединений) на нагревостойкость проводят на контактных зажимах, прошедших испытания согласно 15.9.1.
15.9.2.1. После охлаждения до температуры окружающей среды каждый провод заменяют новым медным однопроволочным неизолированным проводом наибольшего сечения, указанного в 15.7, а каждый оконцованный провод заменяют новым и по пять раз вставляют в соответствующую ответную часть и вынимают.
Затем снова заменяют провода на новые, неизолированные.
15.9.2.2. Через каждый контактный зажим с присоединенным проводом пропускают испытательный (переменный или постоянный) ток в течение времени, необходимого для измерения падения напряжения. На эти, а также на измерения согласно 15.9.2.4 распространяют требования 15.9.1.
15.9.2.3. Контактные зажимы (или соединения) на нормируемый ток до 6 А включ. испытывают на старение в обесточенном состоянии 25 циклами, с длительностью каждого цикла 30 мин, во время которого температуру на зажиме поддерживают на уровне (Т ± 5) °С или (100 ± 5) °С, выбирая большее значение, с последующим охлаждением до температуры 15 °С - 30 °С. Контактные зажимы (или соединения) на нормируемый ток св. 6 А испытывают на старение воздействием 100 таких циклов.
Примечание - Температура Т - это указанная в маркировке максимальная нормируемая температура таких компонентов, как патроны для ламп.
15.9.2.4. Падение напряжения снова измеряют на каждом контактном зажиме:
a) после 10 и 25-го циклов для зажимов на нормируемый ток до 6 А включ.;
b) после 50 и 100-го циклов для зажимов на нормируемый ток св. 6 А.
Результаты испытаний считают удовлетворительными, если измеренные после обоих циклов значения падения напряжения на каждом зажиме не превышают более чем на 50 % измеренное падение напряжения на этом же зажиме при испытании согласно 15.9.2.2 с допустимым отклонением в сторону увеличения не более 2 мВ.
Результаты испытаний считают неудовлетворительными, если падение напряжения на любом из контактных зажимов превышает 22,5 мВ.
Если на одном из испытуемых контактных зажимов значение падения напряжения, измеренное по подпункту а) или b), превышает более чем на 50 % с минимумом 2 мВ падение напряжения, измеренное на тех же контактных зажимах согласно 15.9.2.2, но вместе с тем же превышает 22,5 мВ, то проводят снова испытание в соответствии с нормируемым током 25 или 100 циклами без нагрузки.
После 10 и 25-го или 50 и 100-го циклов (в соответствии с нормируемым током) снова измеряют падение напряжения. Падение напряжения на любом контактном зажиме не должно превышать 22,5 мВ.
Суммарное падение напряжения, измеренное в двух независимых местах, не должно быть более удвоенного значения, указанного в настоящем пункте.
15.9.2.5. Если в контактном зажиме одна из поверхностей, к которой прижимают жилу провода, изготовлена из изоляционного материала, то эта поверхность в процессе испытания на нагревостойкость не должна деформироваться.
Проверку проводят внешним осмотром.
Ампер..................................................................................................... А
Частота................................................................................................... Гц
Вольт...................................................................................................... В
Ватт......................................................................................................... Вт
Сеть питания переменного тока (АС)................................................
(417-5032а)
Сеть питания постоянного тока (ДС).................................................
(417-5031а)
Сети питания постоянного и переменного тока...............................
(417-5033)
Класс защиты II..................................................................................... ![]()
Класс защиты III.................................................................................... ![]()
Нормируемая наибольшая окружающая температура....................... ta…°С
Запрещение применения ламп холодного света................................ ![]()
Минимальное расстояние до освещаемого объекта.......................... ![]()
Светильники, предназначенные для установки непосредственно
на поверхности из нормально воспламеняемых материалов............... ![]()
Светильники, не предназначенные для установки
непосредственно на поверхности из нормально
воспламеняемых материалов (предназначенные для
установки только на невоспламеняемые поверхности)........................ ![]()
Светильники, предназначенные для установки
непосредственно на поверхность из нормально
воспламеняемых материалов, где теплоизолирующий
материал может накрыть светильники............................................... ![]()
Обычный светильник............................................................................ IP2Q Нет символа
Каплезащищенный................................................................................ IPX1![]()
Дождезащищенный............................................................................... IPX3![]()
Брызгозащищенный.............................................................................. IPX4![]()
Струезащищенный................................................................................ IPX5 ![]()
Водонепроницаемые
(кратковременное
погружение в воду).............................................. IPX7![]()
Герметичные
(длительное погружение в воду)................................. IPX8
(с указанием наибольшей
глубины погружения)
Защита от попадания посторонних твердых тел
размером более 2,5 мм............................................................................................... IP3X Нет символа
Защита от попадания посторонних твердых тел
размером более 1,0 мм............................................................................................... IP4XНет символа
Пылезащищенные............................................................................... IP5X![]()
Пыленепроницаемые......................................................................... IP6X![]()
Использование теплостойких кабелей,
присоединительных кабелей и внешней проводки.........................
(Конкретное число жил
указывать не обязательно)
Светильники,
рассчитанные на применение ламп с зеркальным куполом................................................................................................................................ ![]()
Светильники для
тяжелых условий эксплуатации....................................... ![]()
Светильники для натриевых ламп высокого давления,
требующих внешнего зажигающего устройства........................................... ![]()
Светильники для натриевых ламп высокого давления,
имеющих встроенное зажигающее устройство............................................ ![]()
Заменить треснувший защитный экран:
Прямоугольный........................................................................ ![]()
или круглый.............................................................................. 
Светильники, предназначенные для использования
только галогенных ламп накаливания с защитным экраном............... 
Примечание - О символе лампы с защитным экраном см. МЭК 60417, стандартный лист МЭК 60417-5012.
Все символы должны быть выполнены в пропорции согласно требованиям МЭК 60416.
1 - кабели ввода; 2 - монтажные провода светильника
Рисунок 2. - Клеммная колодка для испытания установки светильников с монтажными концами
Рисунок 3. исключен.
1 - воспламеняемый материал; 2 - ПРА; 3 - экран
Рисунок 4. - Иллюстрация требований 4.15
Рисунок 5 исключен
1 - защитный экран; 2 - стеклянное окно; 3 - испытуемый светильник; 4 - поток порошкообразного талька; 5 - вибратор; 6 - циркуляционный насос
Рисунок 6. - Установка для проверки защиты от попадания пыли
R = 200 мм или кратно 200 мм.
|
Размер |
Тип светильника |
|
|
Дождезащищенные |
Брызгозащищенные |
|
|
Половина угла качания |
+60° |
± 180° |
|
Отверстия внутри половины угла |
± 90° |
|
1 - вращающаяся платформа; 2 - светильник; 3 - труба минимальным внутренним диаметром 15 мм; 4 - подача воды; 5 - отверстия диаметром 0,4 мм в трубе
Рисунок 7. - Установка для проверки степени защиты светильника от дождя и брызг

D´ = 6,3 мм для испытания по пункту 9.2.6 (вторая цифра в обозначении степени защиты 5). D´ = 12,5 мм для испытания по пункту 9.2.7 (вторая цифра в обозначении степени защиты 5)
Насадка (дет. 1)
1 - насадка; 2 - манометр; 3 - шланг
Рисунок 8. - Насадка для испытания струей
1 - линия, соответствующая предельному значению температуры монтажной поверхности при повреждении обмотки; 2 - линия, соответствующая предельному значению температуры монтажной поверхности в аномальном режиме работы при напряжении 1,1 нормируемого (см. 12.6.1 а); 3 - точки измерения при напряжении 1,1 нормируемого (см. 12.6.1 b); 4 - прямая, проведенная через точку измерения и точку 25 °С, свидетельствует о соответствии светильника требованию, т.к. при ее продолжении до пересечения с линией 6, определяющей температуру обмотки 350 °С, она не пересекает линию 1, относящуюся к температуре монтажной поверхности 180 °С; 5 - прямая, проведенная через две точки измерения, которая свидетельствует о несоответствии светильника требованию, т.к. при ее продолжении до пересечения с линией 6, определяющей температуру обмотки 350 °С, она пересекает линию 1, относящуюся к температуре монтажной поверхности 180 °С; 6 - линия, соответствующая предельно допустимому значению температуры обмотки при ее повреждении
Рисунок 9. - Соотношение между температурами обмотки и монтажной поверхности
1 - стальной шарик; 2 - образец
Рисунок 10. - Устройство для вдавливания шарика

1 - электрод; 2 - образец; 3 - слегка скругленная кромка
Рисунок 11. - Размеры и расположение электродов при проверке устойчивости материалов к токам поверхностного разряда
Контактные зажимы без прижимной пластины
Контактные зажимы с прижимной пластиной

D - диаметр гнезда жилы провода
G - расстояние между винтом и концом полностью введенной в зажим жилы
Примечание - Часть контактного зажима, имеющая резьбовое отверстие, и часть этого зажима, к которой прижимают жилу, могут быть независимыми частями, например в случае контактного зажима со скобой.
Форма гнезда жилы провода может отличаться от указанных на рисунках, если в него может быть вписана окружность диаметром D.
|
Номер контактного зажима |
D, мм, не менее |
G, мм, не менее |
Вращающий момент, Н·м |
||||||
|
I* |
III* |
IV* |
|||||||
|
Один винт |
Два винта |
Один винт |
Два винта |
Один винт |
Два винта |
Один винт |
Два винта |
||
|
1 |
2,5 |
1,5 |
1,5 |
0,20 |
0,20 |
0,4 |
0,4 |
0,4 |
0,4 |
|
2 |
3,0 |
0,25 |
0,5 |
0,5 |
|||||
|
3 |
3,6 |
1,8 |
0,40 |
0,8 |
0,8 |
||||
|
4 |
4,0 |
0,25 |
0,5 |
0,5 |
|||||
|
5 |
4,5 |
2,0 |
0,70 |
1,2 |
1,2 |
||||
|
6 |
5,5 |
2,5 |
2,0 |
0,80 |
0,70 |
2,0 |
1,2 |
2,0 |
1,2 |
|
7 |
7,0 |
3,0 |
1,20 |
2,5 |
3,0 |
||||
|
* Значения распространяются на винты, указанные в соответствующей графе таблицы 14.4. |
|||||||||
Рисунок 12. - Торцевые контактные зажимы
Винт, не требующий шайбы или прижимной пластины
Винт, требующий шайбу или прижимную пластину.


Контактные зажимы с крепежным винтом

Контактные зажимы с крепежной гайкой
1 - применение необязательно; А - опорная деталь; В - шайба или прижимная пластина; С - устройство для фиксации жилы; D - диаметр места расположения жилы провода; Е - шпилька
Примечание - Деталь, удерживающая провод в рабочем положении, может быть изготовлена из изоляционных материалов, если контактное давление не передается через изоляционный материал
|
Номер контактного зажима |
D, мм, не менее |
Вращающий момент, Н·м |
|||
|
III* |
IV* |
||||
|
Один винт |
Два винта |
Один винт или одна шпилька |
Два винта или две шпильки |
||
|
0 |
1,4 |
0,4 |
- |
0,4 |
- |
|
1 |
1,7 |
0,5 |
0,5 |
||
|
2 |
2,0 |
0,8 |
0,8 |
||
|
3 |
2,7 |
1,2 |
0,5 |
1,2 |
0,5 |
|
4 |
3,6 |
2,0 |
1,2 |
2,0 |
1,2 |
|
5 |
4,3 |
||||
|
6 |
5,5 |
||||
|
7 |
7,0 |
2,5 |
2,0 |
3,0 |
2,0 |
|
* Значения распространяются на винты или гайки указанные в соответствующей графе таблицы 14.4. |
|||||
Рисунок 13. - Контактные зажимы с крепежным винтом или крепежной гайкой
А - прижимная пластина; В - опорная деталь; С - шпилька; D - диаметр места расположения жилы провода
Примечание - Форма места расположения жилы провода может отличаться от указанных на рисунках, если в то место может быть вписана окружность диаметром D.
Профили нижней и верхней поверхностей прижимной пластины могут быть различны. Переход от проводов большего сечения к меньшему достигается переворачиванием пластины.
Зажимы могут иметь более двух прижимных винтов или шпилек.
|
Номер контактного зажима |
D, мм, не менее |
Вращающий момент, Н·м |
|
3 |
3,0 |
0,5 |
|
4 |
4,0 |
0,8 |
|
5 |
4,5 |
1,2 |
|
6 |
5,5 |
|
|
7 |
7,0 |
2,0 |
Рисунок 14. - Контактные зажимы с прижимной пластиной
А - устройство защиты от самоотвинчивания; В - кабельный наконечник или плоский вывод; Е - опорная деталь; F - шпилька; G - расстояние между краем отверстия и боковой стороной кабельного наконечника или плоского вывода
Примечание - Для светильников некоторых типов допускается применять кабельные наконечники меньшего номера, чем указано ниже.
|
Номер контактного зажима |
G, мм |
Вращающий момент, Н·м |
|
|
III* |
IV* |
||
|
6 |
7,5 |
2,0 |
2,0 |
|
7 |
9,0 |
2,5 |
3,0 |
|
* Значения распространяются на шпильки, указанные в соответствующей графе таблицы 14.4. |
|||
Рисунок 15. - Контактные зажимы для кабельных наконечников или плоских выводов
А - опорная деталь; D - диаметр места расположения жилы провода
Размеры в миллиметрах
|
Номер контактного зажима |
D, не менее* |
Расстояние между прижимающей частью и торцом введенной жилы провода, не менее |
|
0 |
1,4 |
1,5 |
|
1 |
1,7 |
|
|
2 |
2,0 |
|
|
3 |
2,7 |
1,8 |
|
4 |
3,6 |
|
|
5 |
4,3 |
2,0 |
|
6 |
5,5 |
2,5 |
|
7 |
7,0 |
3,0 |
|
* Значения прикладываемого к гайке вращающего момента см. в графе II или V таблицы 14.4. |
||
Рисунок 16. - Колпачковые контактные зажимы
Приемлемо
Не приемлемо

Рисунок 17. - Конструкция неразъемных соединений
Приемлемо
Не приемлемо

Рисунок 18. - Примеры безвинтовых контактных зажимов пружинного типа
Соединение штыревое плоское
Соединение штыревое цилиндрическое

Соединение обжимом

Соединение методом накрутки
Рисунок 19. - Примеры безвинтовых соединений
1 - вводы кабелей; 2 - контактные зажимы; 3 - светильник А; 4 - светильник В; 5 - выводы кабелей
Рисунок 20 А. - Иллюстрация термина «шлейфовый способ» присоединения

1 - контактные зажимы; 2 - сеть питания; 3 - ПРА; 4 - стартер; 5 - лампа; 6 - светильник А; 7 - светильник В
Рисунок 20 В. - Иллюстрация понятия «сквозная проводка» с подключением светильника (может быть использована для трехфазной сквозной проводки, когда подключение чередуется между L1, L2, L3 и нейтралью)

1 - контактные зажимы; 2 - сеть питания; 3 - ПРА; 4 - стартер; 5 - лампа; 6 - светильник А; 7 - светильник В
Рисунок 20 С. - Иллюстрация термина «сквозная проводка» без подключения светильника
1 - образец; 2 - жесткая опорная поверхность
Примечание - Для удара по боковой поверхности образца опорная поверхность должна быть установлена вертикально.
Рисунок 21. - Устройство для испытания ударом шара
1 - винт саморежущий с острым и плоским концом; 2 - винт резьбонарезающий; 3 - винт резьбоформующий
Рисунок 22. - Примеры саморежущих, резьбонарезающих и резьбоформующих винтов (по ИСО 1891).
Рисунок 23. - Исключен
А - путь утечки; В - воздушный зазор (сетевой провод); С - воздушный зазор (провод внутреннего монтажа); 1 - провод внутреннего монтажа; 2 - сетевой провод
Рисунок 24. - Измерение путей утечки и воздушных зазоров в сетевом контактном зажиме
1 - стальная пластина
Ширина вращающего барабана не указана.
Рисунок 25. - Вращающийся барабан
1 - сеть; 2 - светильник; 3 - ПРА; 4 - ИЗУ; 5 - лампа; 6 - измерительное устройство; 7 - высокоомный вольтметр
Примечание - При необходимости, полярность диода может быть изменена.
Рисунок 26. - Схема проверки безопасности зажигающего устройства
Рисунок 27. - Температура воспламенения дерева в функции времени
1 - зажимной винт; 2 - кабель; 3 - многожильный скрученный провод; 4 - паяный конец
Рисунок 28. - Пример допустимой формы пайки
ПРИЛОЖЕНИЕ А
(обязательное)
Испытание для определения условий, при которых токопроводящие детали становятся токоведущими, способными вызвать поражение электрическим током
Для определения условий, при которых токопроводящая деталь становится токоведущей, способной вызвать поражение электрическим током, светильник, работающий при нормируемом напряжении и номинальной частоте, подвергают следующим испытаниям:
a) измеряют значение тока утечки между контактной деталью и заземлением, при этом омическое сопротивление измерительной цепи должно быть (2000 ± 50) Ом. Если измеренное значение переменного тока больше 0,7 (амплитуда) или 2 мА постоянного тока, то конкретную деталь считают токоведущей.
Если частота св. 1 кГц, то значение 0,7 мА умножают на число, эквивалентное значению частоты в килогерцах, и произведение не должно превышать 70 мА (амплитуда). Значения токов утечки разных компонентов соизмеримы;
b) измеряют значение напряжения между контактной деталью и любой доступной для прикосновения деталью, при этом омическое сопротивление измерительной цепи должно быть 50000 Ом. Если измеренное амплитудное значение напряжения больше 34 В, то конкретную деталь считают токоведущей.
При этих испытаниях один из полюсов источника питания должен быть заземлен.
Примечание - Упрощенный метод измерения - в стадии разработки.
ПРИЛОЖЕНИЕ В
(обязательное)
Измерительные лампы
Для испытания по разделу 12 удобно иметь набор ламп наиболее распространенных типов. Их отбирают из серийно изготовленных ламп, характеристики которых по возможности близки к средним, установленным в соответствующих стандартах. Лампы должны быть подвергнуты отжигу (не менее 24 ч для ламп накаливания и не менее 100 ч для трубчатых люминесцентных ламп и других разрядных ламп, с редкими перерывами), а затем снова проверяют их характеристики для подтверждения, что они соответствуют требованиям и стабильны. Лампы должны использоваться в качестве измерительных не дольше 3/4 их назначенного ресурса в нормальных условиях эксплуатации. Перед каждым испытанием лампы проверяют на отсутствие любых дефектов или признаков, которые приведут к выходу их из строя. Разрядные лампы должны регулярно проверяться на отсутствие заметного снижения рабочих электрических характеристик, которые могут влиять на температуру в светильниках.
Если лампа может включаться в цепь в различных положениях (например, люминесцентная лампа), то на нее наносят метки для обеспечения однозначности ее установки. С измерительными лампами следует обращаться осторожно, в частности, нельзя перемещать неостывшие натриевые, металлогалогенные и амальгамные люминесцентные лампы.
Отобранная для испытания конкретного светильника лампа по типу и мощности должна соответствовать указанной в маркировке светильника. Если выбор формы конструкции или внешней отделки лампы предопределен изготовителем светильника, то должна быть взята такая модификация, при которой создается наиболее тяжелый тепловой режим. В других случаях следует использовать лампы наиболее общего типа.
При выборе ламп в качестве измерительных и для испытаний конкретного светильника необходимо руководствоваться следующими требованиями.
ЛАМПЫ НАКАЛИВАНИЯ
При предъявлении на испытание светильников с лампами, создающими наиболее неблагоприятные условия, возникает необходимость учитывать два основных способа переноса тепла - излучение и конвекцию.
а) Излучение
Материалы светильника нагреваются излучением от ламп накаливания непосредственно вокруг них и особенно выше ламп, передающих тепло через поверхность колбы. Как правило, для создания этих условий используют лампы в прозрачной колбе. Форма тела накала у ламп с высоким напряжением создает незначительную асимметричность формы излучения и мало вероятно, что будут иметь высокие прямые, создающие неравномерность, составляющие. Пространственная неравномерность излучения заметна в лампах, рассчитанных на низкое напряжение (100 - 130 В), т.к. эти лампы с осевым или поперечным телом накала могут создавать асимметричные формы излучения тепла, что может быть очень существенно в некоторых конструкциях. Для рефлекторных ламп сложно получить прозрачную поверхность колбы в области горловины. Если светильник используют с лампами, имеющими отражатель, пропускающий тепло, то для испытаний необходимо применять именно такие лампы. Высота светового центра лампы также оказывает влияние на излучение.
b) Конвекция
Патроны для ламп и присоединенные к ним провода воспринимают тепло от цоколя лампы и, если светильник работает с лампой в положении цоколем вверх, конвекция происходит от внешней поверхности лампы. Для создания этих условий требуются лампы для тепловых испытаний (ЛТИ), изготовленные в соответствии с МЭК 60634.
Если ЛТИ нет, то используют альтернативную лампу для тепловых испытаний (АЛТИ).
В качестве АЛТИ используют «обычные» лампы той же группы, которые имеют значение Dts на 5 °С ниже указанного в таблице 3 МЭК 60432 при измерении в условиях, приведенных в МЭК 60360.
Следующие рекомендации следует учитывать при отборе ламп.
Для ламп с прозрачной и матовой колбами наибольшая температура цоколя преимущественно создается у ламп, которые имеют:
1) белое покрытие или колбу темного цвета;
2) маленькую колбу;
3) небольшую высоту светового центра.
Небольшие отличия от значений Dts, указанных в таблице 3 МЭК 60432, должны корректироваться по МЭК 60634 путем регулирования испытательного напряжения ЛТИ, при этом регулирование не должно стать причиной повышения мощности лампы св. 105 % от нормируемой (соответственно 103,2 % напряжения).
Следует учитывать также, что при проведении тепловых испытаний нельзя касаться колбы лампы, так как цоколь и колба лампы нагреваются до температур, способных вызвать ожог.
Для зеркальных ламп и ламп с зеркальным куполом для изменения температуры должно использоваться только испытательное напряжение.
ЛТИ, которые были подготовлены для испытания цоколя повышенной температурой, не используют при испытании на старение.
Если в маркировке светильника указано применение специальных ламп или их использование в светильнике очевидно, то испытание проводят с такими лампами.
Лампы должны выбираться в соответствии с максимальной мощностью, которая указана в маркировке светильников. При сомнении, светильники, у которых в маркировке указаны лампы с цоколем Е27 или В22 максимальной мощностью 60 Вт, также должны быть испытаны лампой с шаровой колбой мощностью 40 Вт.
Нормируемое для испытательной лампы напряжение должно быть типичным для значений напряжения питания имеющихся в продаже ламп, для которых светильник предназначен.
Если светильник предназначен для двух или более групп напряжений сети, например для 200 - 250 В и 100 - 130 В, то испытания должны проводиться по крайней мере с лампой, имеющей наименьшее напряжение из ряда (т.е. с наибольшим током) с учетом указанных выше в подпункте а) рекомендаций.
Если для испытания выбирают ряд ламп, то принимают во внимание требование 3.2.8.
Если лампа работает со встроенным в светильник или независимым трансформатором, или аналогичным устройством, то параметры испытательной лампы должны соответствовать указанным в маркировке светильника, трансформатора или в их инструкциях по эксплуатации.
ТРУБЧАТЫЕ ЛЮМИНЕСЦЕНТНЫЕ И ДРУГИЕ РАЗРЯДНЫЕ ЛАМПЫ
При работе лампы в стандартных условиях (соответствующих стандартам МЭК на лампы) напряжение на лампе, ее ток и мощность должны быть наиболее близки к значениям, указанным в стандартах МЭК на лампы, с допустимым отклонением 2,5 % от этих значений.
Если нет образцового ПРА, то лампы отбирают, используя серийный ПРА, который при токе калибровки имеет полное сопротивление в пределах ± 1 % от полного сопротивления образцового ПРА.
Примечания
1. Применяемые для испытаний по разделу 12 лампы со встроенным ПРА относят к люминесцентным или другим разрядным лампам. Если светильник предназначен для ламп накаливания и ламп со встроенным ПРА или других разрядных ламп с последовательно соединенной нитью накаливания, то испытание его проводят с наиболее неблагоприятной лампой (как правило, с лампой накаливания).
2. Если светильник предназначен для работы с комбинацией ламп (например лампа накаливания плюс разрядная лампа), то его испытание проводят в наиболее неблагоприятной с точки зрения теплового режима комбинации.
Если светильник предназначен для работы с лампой накаливания или разрядной лампой, то его испытание проводят с наиболее неблагоприятной лампой (или с каждой поочередно, если нет других указаний).
Принято считать, что при одинаковой мощности ламп светопропускающие материалы нагреваются больше от разрядной лампы или разрядной лампы с последовательно соединенной нитью накала, чем от лампы накаливания.
3. Для испытания светильников, рассчитанных для ламп, на которые в настоящее время нет технических условий, отбор испытуемых ламп должен быть проведен после консультации с изготовителем ламп.
ПРИЛОЖЕНИЕ С
(обязательное)
Аномальный режим работы
Ниже перечислены аномальные режимы работы, которые могут возникнуть в светильнике с трубчатой люминесцентной или другой разрядной лампой и вызвать наиболее тяжелый тепловой режим (см. 12.5.1). Если в светильнике используют более одной лампы, то аномальный режим должен создаваться только для той лампы, которая при испытании приведет к наиболее неблагоприятным результатам. Режимы 4 и 5 относятся только к лампам с двумя электродами с предварительным подогревом (например, люминесцентные лампы). Настоящее приложение содержит указания по проведению испытаний. Соответствующий аномальный режим может быть реализован или имитирован вынесенным за пределы светильника ПРА, чтобы исключить необходимость разборки светильника, который прошел цикл испытания в нормальном режиме.
1) Режим короткого замыкания контактов стартера.
Этот режим распространяется на стартеры с подвижными контактами, включая стартеры, встроенные в лампы.
2) Режим выпрямительного эффекта лампы.
a) Светильники для люминесцентных ламп (рисунки С.1 и С.2).
Этот режим может возникнуть при длительном использовании лампы в светильниках, работающих с емкостным бесстартерным ПРА. При испытании светильников на выпрямительный эффект должна использоваться схема, указанная на рисунке С.1. Лампу присоединяют через соответствующие эквивалентные резисторы. Полярность выпрямления выбирают так, чтобы возникали наиболее тяжелые рабочие условия. При необходимости лампы зажигают соответствующим зажигающим устройством.
Характеристики выпрямляющего режима должны соответствовать:
- амплитудное значение обратного напряжения - 800 В и более;
- обратный ток - 10 мкА и менее;
- прямой ток - свыше трехкратного номинального тока лампы;
- переходный период - 50 мкс и менее.
Светильники для трубчатых люминесцентных ламп с цоколем Fа6 должны испытываться следующим образом: сначала лампа работает в нормальном режиме при короткозамкнутом выпрямителе, присоединенном последовательно лампе. Затем включают выпрямитель. Выпрямитель должен обеспечивать разнополярные режимы. Испытание заканчивают, если лампа гаснет. Если она не гаснет, то проводят следующее действие.
Лампа, включенная, как указано на рисунке С.2, работает через однополярный выпрямитель, полярность которого выбирают исходя из наиболее тяжелых условий работы. Если необходимо, то лампу зажигают посредством соответствующего зажигающего устройства.
b) Светильники для металлогалогенных ламп в соответствии со спецификацией на лампу должны испытываться по схеме рисунка С.3.
i) Светильники, не содержащие специальных отключающих устройств и безопасность которых обеспечивается только их конструкцией.
Лампу в светильнике заменяют испытательным контуром в соответствии с рисунком С.3. Варьируя резистором R2, устанавливают ток лампы до максимума, но в любом случае не выше его трехкратного номинального значения.
ii) Светильники, содержащие в себе специальное устройство как независимое от ПРА, трансформатора или зажигающего устройства, так и встроенного в них, с соответствующей маркировкой на этих элементах.
Лампу в светильнике, для возможного извлечения, устанавливают по схеме, указанной на рисунке С.3. Варьируя резистором R2, устанавливают ток лампы, равным его двукратному номинальному значению. После стабилизации режима работы лампы производят ступенчатое увеличение тока до срабатывания защитного устройства. На каждой ступени необходимо обеспечить по возможности близкие значения изменения тока.
3) Лампу изымают, и светильник работает в этом режиме.
4) Режим короткого замыкания одного электрода лампы.
Условия могут создаваться выключением (как вариант, испытательная лампа может соответственно изменяться).
Электрод лампы для замыкания должен выбираться так, чтобы создавался наиболее неблагоприятный режим работы.
5) Режим тлеющего разряда, когда лампа не зажигается, но оба электрода целые. Для этого может использоваться некондиционная или модифицированная испытательная лампа.
6) Блокировка электродвигателей, входящих в состав светильника.
1 - сеть; 2 - испытуемый ПРА; 3 - резистор; 4 - лампа; 5 - выпрямитель
Рисунок С.1. - Схема проверки выпрямительного эффекта (только для бесстартерных емкостных ПРА)
1 - сеть; 2 - испытуемый ПРА; 3 - выключатель; 4 - лампа; 5 - выпрямитель
Рисунок С.2. - Схема проверки выпрямительного эффекта (ПРА для одноштырьковых ламп)
1 - сеть; 2 - ПРА, трансформатор, зажигающее устройство; 3 - светильник; 4 - место присоединения ламп; 5 - схема замещения лампы.
С = 0,1 мкФ (400 В переменного тока) с пониженным затуханием; D = 100 А, обратное напряжение; R1 = 200 Ом/50 Вт; R2 = 0 - 100 или 0 - 1, 1 - 10, 10 - 50, 50 - 100 Ом, регулируемое
Примечание - Приведенные значения компонентов схемы замещения лампы относятся к типовой лампе мощностью 75 Вт. Мощность резисторов следует увеличить, если лампа большей мощности.
Рисунок С.3. - Схема испытания светильника с металлогалогенными лампами
ПРИЛОЖЕНИЕ D
(обязательное)
Камера, защищенная от сквозняков
Настоящие рекомендации относятся к конструкции и применению защищенной от сквозняков камеры для испытания светильников в нормальном и аномальном режимах. Допускаются другие конструкции камер, если они обеспечивают сопоставимые результаты.
Камера представляет собой прямоугольный параллелепипед, имеющий двойной потолок, как минимум двойные боковые стенки и сплошное основание. Двойные стенки должны быть выполнены из перфорированных металлических листов с расстоянием между ними - 150 мм; отверстия диаметром 1 - 2 мм должны занимать - 40 % поверхности каждой стенки.
Внутренние поверхности камеры должны быть окрашены матовой краской. Внутренние габариты камеры должны быть не менее 900 мм каждый. Камера должна обеспечивать размещение светильников на расстоянии не менее 200 мм от любой ее внутренней поверхности.
Примечание - Если необходимо в одной камере испытать два или более светильника, то должны быть приняты меры, исключающие взаимное воздействие излучения светильников друг на друга.
Посторонние объекты должны находиться на расстоянии не менее 300 мм от верхней и боковых наружных стенок камеры. Камера должна размещаться в помещении, защищенном от сквозняков и резких изменений температуры воздуха. Воздействие теплового излучения на камеру также должно быть исключено.
Испытуемый светильник размещают в камере так, чтобы расстояние от него до любой стенки камеры было бы по возможности наибольшим.
Светильник устанавливают (в соответствии с требованиями 12.4.1 и 12.5.1), как для нормальной эксплуатации.
Потолочные и настенные светильники монтируют на панели из дерева или древесностружечной плиты. Если светильник не предназначен для установки на поверхности из горючих материалов, то применяют панели из негорючего изоляционного материала. Толщина панели должна быть 15 - 20 мм, а габаритные размеры должны быть такими, чтобы расстояние от края панели до проекции периметра светильника на плоскость этой панели было не менее 100 мм (предпочтительно не более 200 мм). Расстояние от панели до любой внутренней поверхности камеры должно быть не менее 100 мм. Панель окрашивают черной матовой неметаллической краской.
Светильники, предназначенные для установки в углу, должны крепиться в углу, образованном двумя панелями, отвечающими указанным выше требованиям.
Третья панель необходима для имитации потолка, если светильник предназначен для установки внутри вертикального угла.
Светильники не должны быть причиной повышенного нагрева, приводящего к пожароопасности, а проверку проводят следующим испытанием.
Встраиваемые светильники устанавливают в испытательную нишу, которая представляет собой прямоугольный параллелепипед без нижней плоскости.
Подвесной потолок изготавливают из пористой древесностружечной плиты толщиной 12 мм, в которой делают соответствующее окно для светильника. Древесностружечная плита должна выступать не менее чем на 100 мм за пределы проекции светильника на эту плиту. Вертикальные стенки ниши изготовляют из фанеры толщиной 19 мм, а потолок ниши - из пористой древесностружечной плиты толщиной 12 мм, плотно прилегающей к боковым стенкам.
Расположение встраиваемого светильника в испытательной нише должно быть следующим.
а) Светильники с
символом
в маркировке
Ниша, соприкасающаяся со всех сторон со светильником, должна быть изолирована двумя слоями материала общей толщиной 100 мм и коэффициентом теплопроводности, равным 0,04 Вт/(м·К) (см. примечание), которые должны плотно прилегать к ее наружной поверхности.
Примечание - Это может быть достигнуто с помощью изоляционного материала теплопроводность 5 м2·К/Вт.
b) Светильники с символом
в маркировке
Для светильников, предназначенных для монтажа на подвесном потолке, поверхности испытательной ниши должны располагаться на расстоянии 50-75 мм от светильника.
Примечание - Расстояние 50 - 75 мм применительно к круглосимметричным светильникам, которые испытывают в нишах прямоугольной формы.
Вершина светильника должна соприкасаться с поверхностью испытательной ниши.
с) Светильник может не иметь символ F в маркировке (см. рисунок 1), если имеется предупреждающая запись «Светильники пригодны для непосредственной установки только на монтажные поверхности из негорючего материала».
Для встраиваемых светильников этого вида испытательная ниша должна быть изготовлена из тех же материалов, что и светильники. Ниша должна иметь те же размеры, что и светильники с F маркировкой, но с зазором 25 мм между верхней поверхностью светильника и коробом ниши, если только это не противоречит инструкции изготовителя по монтажу светильника. Негорючий изоляционный материал может быть использован для изготовления испытательной ниши.
Зазор 25 мм должен быть измерен от внутренней верхней плоской поверхности короба до верхней поверхности светильника. Если на поверхности светильника имеются детали или соединительные коробки, которые выступают более чем на 25 мм над его верхней поверхностью, то они могут находиться в непосредственном контакте с верхней поверхностью короба ниши.
Для изготовления испытательной ниши может быть использован негорючий изоляционный материал.
Верхняя поверхность ниши должна быть расположена примерно на расстоянии 25 мм от верхней поверхности светильника. Если на светильнике имеются соединительные коробки или детали (кольца, шайбы, прокладки, упоры), которые выступают более чем на 25 мм над верхней поверхностью светильника, эти детали могут находиться в непосредственном контакте с поверхностью испытательной ниши.
Если светильник имеет независимые элементы, предназначенные для монтажа в нише (например, отдельные блоки лампы и устройства управления), испытательная ниша должна быть общей, с учетом рекомендаций изготовителя относительно минимального расстояния между блоками (см. рисунок D.1).
а - минимальное расстояние, указанное изготовителем; другие расстояния - в соответствии с приложением D; 1 - блок лампы; 2 - устройство управления
Рисунок D.1. - Пример испытательной ниши для светильников, состоящих из отдельных блоков
Если таких данных нет, то каждый блок должен иметь свою испытательную нишу.
Для светильников с F маркировкой и светильников с маркировкой F - теплоизолирующий материал, имеющих выступающие детали или соединительные коробки вверху или по бокам светильника, эти детали или соединительные коробки должны находиться в непосредственном контакте с испытательной нишей или изоляционным материалом.
Панель подвесного потолка и внутренняя поверхность ниши должны быть окрашены черной матовой неметаллической краской. Расстояние между нишей и любой внутренней поверхностью камеры должно быть не менее 100 мм.
Испытание встраиваемых в стенку светильников проводят в аналогичной нише, но расположенной вертикально.
Ни одна деталь ниши не должна иметь
температуру выше 90 °С при тепловых испытаниях в нормальном режиме работы и
выше 130 °С - при испытаниях в аномальном режиме работы. Для светильников,
имеющих в маркировке символ
,
ни одна часть испытательной ниши не должна нагреваться выше температуры,
допустимой для монтажной поверхности, указанной в таблице 12.1.
Светильник, предназначенный для установки на шинопроводе, соединяют с шинопроводом соответствующего типа, размещенном в камере, как в условиях эксплуатации, согласно инструкции изготовителя. Светильник присоединяют к шинопроводу в наиболее неблагоприятном для теплового режима положении, обусловленном инструкцией по монтажу или маркировкой. Светильник должен работать в условиях, указанных в 12.4.1 и 12.5.1.
У светильника, установленного в нишу как для нормальной эксплуатации (см. рисунок D.2), регулируемого по габаритам или в пространстве, расстояния до внутренних поверхностей ниши должны быть измерены в крайних положениях светильника.
Рисунок D.2 поясняет правильность выбранных размеров испытательной ниши для светильника, который регулируется в обеих осях, а также по высоте в пределах потолка.
1 - предельная траектория вращения поворачивания светильника
Рисунок D.2. - Иллюстрация правильно выбранных размеров испытательной ниши для встраиваемого светильника с маркировкой F и светильника с маркировкой F - изолирующий потолок
ПРИЛОЖЕНИЕ Е
(обязательное)
Определение температуры нагрева обмотки методом сопротивления
Примечание - Все, что относится к ПРА, также распространяется на трансформаторы.
Перед началом испытания при помощи проводов с очень малым сопротивлением обеспечивается возможность быстрого подключения ПРА к мосту Уитстона или другому прибору, измеряющему сопротивление после отключения светильника от сети.
Необходим хронометр с удобным отсчетом показаний по секундной стрелке.
Последовательность испытания следующая.
Светильник в обесточенном состоянии выдерживают в камере в течение времени, необходимого для достижения установившегося теплового режима на оболочках комплектующих светильник изделий, включая ПРА, при практически неизменной окружающей температуре (t1), которая за это время не должна отклоняться более чем на 3 °С.
Измеряют сопротивление обмотки ПРА в холодном состоянии (R1) и фиксируют значение t1. Затем светильник выключают и выдерживают до достижения установившегося теплового режима, о чем судят по показаниям закрепленного на корпусе ПРА устройства для измерения температуры. Записывают температуру окружающего воздуха (t3) в защищенной от сквозняков камере.
Светильник отключают от сети, отмечают время и, максимально быстро переключив ПРА на мост Уитстона, измеряют сопротивление его обмотки.
В процессе охлаждения ПРА, при необходимости, через определенные фиксированные интервалы времени дополнительно измеряют сопротивление обмотки. Эти измерения обеспечивают построение функциональной зависимости сопротивления от времени с экстраполяцией ее в точку, соответствующую моменту отключения светильника от сети и сопротивлению R2 горячей обмотки.
Поскольку сопротивление меди изменяется прямо пропорционально значению температуры, начиная от контрольной точки минус 234,5 °С, то значение температуры t2 может быть вычислено из отношения
.
Постоянная 234,5 относится к медным проводам; для алюминиевых проводов эта постоянная равна 229. Для обмоток из медных проводов получаем
.
Превышение температуры есть разница между расчетной температурой и температурой окружающего воздуха в камере по окончании испытания, т.е. превышение температуры равно (t2 - t3) °C.
ПРИЛОЖЕНИЕ F
(обязательное)
Проверка коррозионной стойкости меди и медных сплавов
F.1 Испытательная емкость
При испытании используют стеклянные, плотно закрывающиеся емкости. Ими могут быть, например, эксикатор или простой стеклянный сосуд в виде лотков с бортами и крышкой. Объем сосудов должен быть не менее 10:1 по отношению к объему образца. Объемное соотношение испытательного пространства к испытательному раствору должно поддерживаться 20:1 или 10:1.
F.2 Испытательный раствор
Приготовление 1 дм3 раствора
Растворить 107 г хлорида аммония (особо чистый Na4Cl) в 0,75 дм3 дистиллированной или полностью минерализованной воде и добавить необходимое количество 30 %-ного раствора гидроокиси натрия (приготовленного из особо чистого NaOH в дистиллированной или полностью деминерализованной воде) для обеспечения значения рН на уровне 10 при температуре 22 °С. Для других значений температур раствор подбирают под соответствующее значение рН, указанное в таблице F.1.
Таблица F.1 - Значение рН испытательного раствора
|
рН испытательного раствора ± 0,1 |
Температура, °С ± 1 |
рН испытательного раствора ± 0,1 |
|
|
22 |
10,0 |
27 |
9,8 |
|
25 |
9,9 |
30 |
9,7 |
После подготовки рН раствор доводят до 1,0 дм3 добавлением дистиллированной или полностью деминерализованной воды.
Это не должно значительно изменить значение рН.
В процессе доводки в любом случае температура должна поддерживаться постоянной с допуском ± 1 °С; значение рН измеряют прибором (инструментом) с погрешностью ± 0,02.
Испытательный раствор может быть использован достаточно длительное время при условии, что значение рН, которое задает уровень концентрации аммония в парах атмосферы, должно измеряться не менее одного раза в три недели и при необходимости доводиться до требуемого значения.
F.3 Испытательный образец
Испытание проводят на испытательном образце, отобранном от светильников.
F.4 Процедура испытания
Поверхность образцов тщательно очищают, лак снимают ацетоном, обезжиривают бензином или аналогичным по свойствам растворителем.
Испытательную емкость, содержащую испытательный раствор, нагревают до температуры (30 ± 1) °С. Испытуемые образцы, нагретые до 30 °С, быстро помещают в емкость, чтобы не снизить концентрацию паров аммония. Образцы должны по возможности располагаться так, чтобы не соприкасаться с испытательным раствором и друг с другом. Устройства подвески или крепления должны быть изготовлены из материалов, устойчивых к разрушающему воздействию раствора аммония, например стекла или керамики.
Испытание должно проводиться при постоянной температуре (30 ± 1) °С, чтобы исключить образование конденсата, искажающего результаты испытаний. Спустя 24 ч после испытания образцы должны быть промыты проточной водой; при проверке прибором с восьмикратным увеличением на них не должно быть трещин
Примечание - Для того чтобы не искажались результаты испытания, к испытательным образцам не следует прикасаться рукой.
ПРИЛОЖЕНИЕ G
Исключено
ПРИЛОЖЕНИЕ Н
Исключено
ПРИЛОЖЕНИЕ J
(обязательное)
Пояснения кода IP степени защиты
Подробные пояснения приведены в МЭК 60529, из которого взяты следующие данные. Код IP характеризует защиту следующих видов:
a) от прикосновения или доступности к токоведущим деталям, от прикосновения к движущимся деталям (кроме гладких вращающихся валов и т.п.), находящимся внутри корпуса, а также от проникновения внутрь твердых частиц.
b) от проникновения внутрь корпуса воды.
Характеристика степени защиты обозначается буквами IP и двумя следующими за буквами цифрами (номером характеристики), которые указывают на соответствие условиям таблиц J.1 и J.2 согласно последовательности цифр в обозначении: первая цифра - степень защиты по подпункту а), вторая - по настоящему подпункту.
Таблица J.1 - Первая цифра характеристики и соответствующая степень защиты
|
Степень защиты |
||
|
Краткое описание |
Краткая характеристика предметов, которые не должны проникать внутрь корпуса |
|
|
0 |
Защита отсутствует |
Нет специальной защиты |
|
1 |
Защита от проникновения твердых тел размером более 50 мм |
Большие участки тела человека, например рука, и твердые предметы диаметром более 50 мм |
|
2 |
То же, размером более 12 мм |
Стержни и т.п. длиной не более 80 мм. Твердые тела диаметром более 12 мм |
|
3 |
Защита от проникновения твердых тел размером более 2,5 мм |
Инструмент, проволока и т.п., диаметр или толщина которых более 2,5 мм. Твердые тела диаметром более 2,5 мм |
|
4 |
То же, размером более 1,0 мм |
Проволока или полосы толщиной более 1,0 мм. Твердые тела диаметром более 1,0 мм |
|
5 |
Защита от пыли |
Проникновение пыли полностью не предотвращено, но проникающая внутрь пыль не нарушает нормальную работу |
|
6 |
Полная защита от пыли |
Проникновение пыли предотвращено полностью |
Таблица J.2 - Вторая цифра характеристики и соответствующая степень защиты
|
Степень защиты |
||
|
Краткое описание |
Краткая характеристика защиты |
|
|
0 |
Защита отсутствует |
Нет специальной защиты |
|
1 |
Защита от капель воды, падающих вертикально |
Капли воды, падающие вертикально, не должны оказывать вредного влияния |
|
2 |
Защита от капель воды, падающих под углом 15° к вертикали |
Капли воды, падающие вертикально, не должны оказывать вредного воздействия, когда корпус отклонен на угол 15 °С от его нормального положения |
|
3 |
Защита от дождя |
Дождь, падающий под углом 60° к вертикали, не должен оказывать вредного воздействия |
|
4 |
Защита от брызг воды |
Брызги воды, падающие на корпус со всех сторон, не должны оказывать вредного воздействия |
|
5 |
Защита от струй воды |
Струя воды из насадки, падающая со всех направлений на корпус, не должна оказывать вредного воздействия |
|
6 |
Защита от волн |
Вода при волнении или мощные струи не должны проникать в корпус в количестве, оказывающем вредное воздействие |
|
7 |
Защита при погружении в воду |
Вода не должна попадать внутрь корпуса светильника в количестве, оказывающем вредное воздействие при погружении его в воду на соответствующее время и глубину |
|
8 |
Защита при длительном погружении в воду |
Светильники, пригодные для длительного погружения в воду при условиях, установленных изготовителем. Примечание - Как правило, изделие герметично, но для некоторых изделий допускается проникновение внутрь воды, не оказывающей вредного воздействия |
|
Технология специальной очистки не охватывается кодами IP. Изготовители должны дать соответствующую информацию о технологии очистки, где это необходимо, согласно рекомендациям МЭК 60529. |
||
ПРИЛОЖЕНИЕ К
(справочное)
Измерение температуры
К.1.1 Настоящие рекомендации относятся к методам измерения нагрева светильников в защищенной от сквозняков камере в соответствии с требованиями 12.4.1. Методы измерения разработаны специально для светильников, однако допускается использование других методов, если они обеспечивают сопоставимые результаты и воспроизводимость.
Температуру нагрева твердых материалов обычно измеряют при помощи термопар. Напряжения измеряют высокоомным прибором, например потенциометром. Следует иметь ввиду, что внутренние сопротивления измерительного устройства и термопары должны быть согласованы. Приборы, основанные на измерении температуры химическим методом, используют только для контрольной проверки степени нагрева светильников.
Провода термопары должны иметь низкий коэффициент теплопроводности. Измерительная термопара имеет один никель-хромовый провод (содержание никеля/хрома - 80/20 %), второй - медно-никелевый или никель-алюминиевый (содержание меди/никеля или никеля/алюминия 40/60 %). Размеры каждого провода (плоского им круглого сечения) должны быть такими, чтобы его можно было вводить в отверстие диаметром 0,3 мм. Все участки проводов, которые могут подвергаться воздействию прямого излучения, должны иметь металлическое покрытие с высоким коэффициентом отражения. Изоляция каждого провода должна соответствовать нормируемым температуре и напряжению, а также должна быть тонкой и прочной.
Термопары закрепляют в точках, позволяющих получить наиболее достоверные результаты нагрева с наименьшим тепловым сопротивлением контакта. Если точки измерения заранее предугадать трудно, то места наибольшего нагрева могут быть найдены предварительным измерением, для чего используют термопару, вмонтированную в держатель, изготовленный из материала с низкой теплопроводностью; допускается также использование термисторов. Предварительные замеры особо важны для таких материалов (например, стекло), температура которых быстро меняется от точки к точке измерения. Установленные внутри или снаружи светильника термопары должны быть надежно защищены от воздействия теплового излучения и дополнительного нагрева за счет теплопроводности. Они также должны быть по возможности защищены от воздействия электрических полей токоведущих деталей.
Для крепления термопары в точке измерения могут быть рекомендованы следующие методы:
a) механическое крепление, например прижатие при помощи фиксирующего устройства (не допускается прижатие при помощи токопроводящих деталей);
b) пайка к металлической поверхности (с минимальным количеством припоя);
c) приклеивание (с минимальным количеством клея). При этом клей не должен препятствовать соприкосновению термопары с точкой измерения. При измерении нагрева светопропускающих материалов клей должен быть также по возможности светопропускающим. Клей для стекла представляет собой водный раствор одной части силиката натрия и двух частей сульфата кальция.
Для исключения воздействия на термопару теплового излучения при измерениях на неметаллических деталях, термопару закрепляют на расстоянии не более 20 мм от спая;
d) крепление на кабеле. Изоляцию надрезают, термопару вводят в щель (без соприкосновения с проводником), а затем изоляцию обвязывают;
e) крепление на монтажные поверхности (см. приложение D). Термопару закрепляют на медном диске (диаметром 15 мм и толщиной 1 мм, окрашенном черной матовой краской), который вдавливают в поверхность в наиболее нагретом месте.
За среднюю окружающую температуру в защищенной от сквозняков камере принимают температуру воздуха вблизи одной из стенок камеры на уровне центра светильника. Обычно температуру измеряют стеклянным ртутным термометром в полированном металлическом цилиндре с двойной стенкой для защиты от воздействия прямого излучения.
Среднюю температуру всей обмотки измеряют методом сопротивления. Порядок проведения измерения - согласно приложению Е.
Примечание - Установлено, что при выполнении оценочных расчетов конструкции часто допускаются ошибки; поэтому должна проводиться независимая грубая проверка измерением температуры корпуса компонента с последующим уточнением соответствующей конструкции.
Важно, чтобы все приборы для измерения температуры подвергались регулярной поверке. Рекомендуется также органам, проводящим измерения, обмениваться светильниками для достижения единообразия в измерении нагрева различных материалов в различных тепловых режимах.
К.1.2 Измерение температуры изоляционных деталей патронов для ламп
Термопары должны быть установлены в измерительных точках, как показано на рисунке К.1:
a) на корпусе патрона (исключая металлический или керамический);
b) в точке контакта цоколя лампы с патроном (если изоляционный материал некерамический).
Измерения проводят на патроне, по возможности ближе к точке контакта цоколя лампы с патроном, не касаясь цоколя лампы;
с) на разветвлении кабеля, на расстоянии не более 10 мм от контактов патрона лампы (эти измерения в этой точке для кабеля очень важны).
а, b, с - места расположения термопар
Примечание - Патрон может быть типа ES или ВС.
Рисунок К.1. - Расположение термопар на типовом патроне лампы
ПРИЛОЖЕНИЕ L
(справочное)
Практические рекомендации по конструированию светильников
L.1 Область распространения
Настоящее приложение информирует изготовителей светильников о поведении пластмасс и покрытий под воздействием температуры, УФ излучения, влаги и агрессивной атмосферы и дает практические рекомендации по конструированию отражателей.
Рекомендации распространяются на светильники внутреннего и наружного освещения и не являются исчерпывающими. Настоящую рекомендацию не следует рассматривать как обязательные требования, т.к. на практике другие решения могут быть не менее эффективны или даже лучше.
Классификация внешних воздействий приведена в МЭК 60364-3.
L.2 Пластмассы, применяемые в светильниках
В конструкциях светильников детали из пластмасс являются важными и распространенными элементами. Это относится как к внутренним деталям и проводке, так и к светопропускающим элементам, экранам или крепежу.
Применяемый термин «нормальная» эксплуатация светильников означает естественную продолжительность срока старения применяемых пластмассовых деталей.
Очень тяжелые условия эксплуатации и разрушающие воздействия среды снижают устойчивость к старению.
Таблица L.I - Влияние разрушающих воздействий
|
Разрушающее воздействие |
Причина |
Эффект* |
|
Высокая рабочая температура |
Очень высокое рабочее напряжение Очень высокая окружающая температура Неправильная установка |
Деформация Хрупкость Обесцвечивание |
|
УФ излучение |
Применение ртутных ламп высокого давления с избыточным УФ излучением Бактерицидные лампы |
Желтизна Хрупкость |
|
Агрессивная среда |
Мягкость (пластичность) Неправильная чистка (с применением дезинфицирующих средств) |
Растрескивание Снижение прочности Разрушение внешней поверхности |
|
* Причины всех разрушающих воздействий относятся ко всем эффектам. |
||
Особое внимание следует обратить на:
- продолжительность воздействия температуры;
- воздействие УФ и видимого излучений;
- статическое и динамическое механические воздействия;
- кислотную среду.
Некоторые сочетания этих воздействий приводят к критическим ситуациям, делая материал непригодным для применения. Например, сочетание УФ излучения и нагрева может превратить ПВХ изоляцию кабеля в зеленую субстанцию, свидетельствующую о разрушении изоляции. Изложенные свойства присущи всем материалам в той или иной степени, но могут различаться в зависимости от используемого наполнителя или отвердителя, процесса изготовления и параметров конструкции.
L.3 Защита от ржавчины
Светильники, предназначенные для использования в помещениях с нормальными условиями, могут быть изготовлены из различных материалов.
Металлические штампованные детали светильника должны быть предварительно соответствующим образом обработаны, а поверхность должна иметь покрытие, например способом горячего эмалирования.
Неокрашенные алюминиевые отражатели и решетки должны изготавливаться из алюминиевых сплавов с анодным покрытием.
Вспомогательные детали светильников, такие как прижимы, петли и т.п. будут иметь достаточный срок эксплуатации в помещениях с нормальными условиями, если они имеют соответствующее гальваническое покрытие. Подходящими покрытиями являются цинк, никель/хром или олово.
Примечание - Электрическую безопасность светильников, предназначенных для помещений с повышенной влажностью, проверяют испытаниями по разделу 9.
L.4 Защита от коррозии
Светильники внутреннего и наружного освещения, предназначенные для использования в атмосфере с высокой влажностью, должны иметь соответствующую защиту от коррозии. Несмотря на применяемую защиту, такие светильники не предназначены для длительной эксплуатации в средах, содержащих химические пары, например диоксид серы, в концентрациях, способных при определенной влажности вызвать заметную коррозию.
При оценке защиты светильника от коррозии необходимо помнить, что внутренние детали защищенных светильников (даже если есть одно или более сливных отверстий) значительно меньше подвержены коррозии, чем наружные детали.
Следующие металлы или сплавы обладают необходимой коррозионной стойкостью:
a) медь, бронза или латунь, содержащие не менее 80 % меди;
b) нержавеющая сталь;
c) алюминий (листовой, экструдированный или литой под давлением), цинк, обладающие стойкостью к атмосферной коррозии;
d) литой или кованый чугун толщиной не менее 3,2 мм, покрытый с наружной стороны слоем цинка толщиной 0,05 мм;
e) стальной лист с цинковым покрытием толщиной 0,02 мм;
f) пластмассы (см. L.1).
Во избежание электролитической коррозии контактирующие друг с другом металлические детали должны быть изготовлены из металлов, близких друг к другу в гальваническом ряду. Например, латунь и другие медные сплавы не должны контактировать с алюминием или алюминиевыми сплавами; в гораздо большей степени приемлем контакт материалов этих групп с нержавеющей сталью.
Для светильников, работающих вне помещений, обычно выбирают пластмассы из группы акрилов, характеристики которых незначительно изменяются при длительной эксплуатации.
Как правило, целлюлозные материалы не отвечают условиям эксплуатации при высокой влажности как внутри, так и вне помещений, а, например, детали из полистирола пригодны для использования в помещении, но вне помещений подвержены сильному разрушению из-за воздействия влаги в сочетании с солнечной радиацией.
Если светильники с пластмассовыми деталями, предназначенные для использования при высокой влажности (внутри или вне помещений), имеют клеевые соединения, важно, чтобы используемый клей также выдерживал без разрушения длительное воздействие влаги.
Примечание - Электрическую безопасность светильников, предназначенных для эксплуатации вне помещений при повышенной влажности, проверяют испытаниями по разделу 9.
L.5 Химически агрессивная атмосфера
Использование светильников в атмосфере со значительной концентрацией химически агрессивных газов или паров, особенно если имеет место конденсация, требует соблюдения не только указанных выше мер, но и следующих дополнительных условий.
a) Светильники, корпуса которых, как правило, изготовлены литьем из коррозионно-стойкого металла, могут эксплуатироваться дольше, чем светильники с корпусом из металлического листа.
b) Если используют металлы, то, насколько это возможно, выбор их должен проводиться с учетом стойкости к конкретным агрессивным веществам, т.к. большинство металлов подвержены воздействию многих агрессивных веществ. Алюминиевое литье под давлением может удовлетворять большинству случаев применения.
c) Красители или другие способы защиты должны выбираться с учетом конкретных условий агрессивности среды. Например, стойкие к кислоте краски могут быть стойкими также и к воздействию некоторых щелочей.
d) Пластмассы, такие как акрилы, поливинилхлориды и полистиролы, обладают высокой стойкостью к воздействию большинства неорганических кислот и щелочей. Однако они подвержены воздействию ряда органических жидкостей и паров и поэтому, в зависимости от назначения и состава среды, должны выбираться с учетом конкретных условий.
e) Покрытие стеклосодержащей эмалью является стойким ко многим химическим веществам, однако при этом необходимо, чтобы покрытие было монолитным, без разрывов или трещин, обеспечивающим длительный срок эксплуатации изделий в очень агрессивной атмосфере.
L.6 Конструирование отражателя
Материалы, применяемые для отражения светового потока, точно так же отражают и инфракрасное излучение. Таким образом, оптически эффективный отражатель инфракрасного излучения так же препятствует перегреву светильника.
Крайне важно, чтобы высокотемпературные участки не концентрировались на лампе и элементах конструкции светильника, что может нарушить нормальное функционирование или снизить срок службы материалов. На практике рекомендуется, чтобы отражаемый световой поток (и инфракрасное излучение) не фокусировался обратно на колбу лампы, нить накала или горелку. Иначе это приведет к снижению срока службы лампы, а в крайних случаях - даже к повреждению оболочки лампы или горелки.
Максимальная температура эксплуатации не должна превышать значений, приведенных в стандартах на лампы (см. нормативную ссылку в 0.2).
ПРИЛОЖЕНИЕ М
(справочное)
Руководство по переводу таблицы IX МЭК 60598-1 (второе издание) в таблицу 11.1 - определение путей утечки и воздушных зазоров
|
Пути утечки и воздушные зазоры |
Классы защиты светильников |
||
|
0 и I |
II |
III |
|
|
Максимальное рабочее напряжение, В, не более |
24, 250, 500, 1000 |
24, 250, 500 |
50 |
|
1. Между токоведущими деталями разных фаз |
Основная изоляция Пути утечки или воздушные зазоры PTI ≥ 600 или PTI < 600 |
||
|
2. Между токоведущими деталями, доступными для прикосновения металлическими деталями, а также между токоведущими деталями и наружными поверхностями изолирующих деталей |
Основная изоляция |
Усиленная изоляция |
Основная изоляция |
|
Пути утечки или воздушные зазоры PTI > 600 или PTI < 600 |
|||
|
3. Детали, которые могут стать токоведущими при нарушении рабочей* изоляции в светильниках класса защиты II и доступными для прикосновения металлическими деталями |
- |
Дополнительная изоляция. Пути утечки или воздушные зазоры PTI ≥ 600 или PTI < 600 |
- |
|
4. Между наружной поверхностью гибкого кабеля или шнура и доступными для прикосновения металлическими деталями, которые защищены зажимом шнура, держателем кабеля или зажимом из изоляционного материала |
|||
|
5. Не используется |
- |
- |
- |
|
6. Между токоведущими деталями и другими металлическими деталями, а также между ними и поверхностью крепления (стена, потолок, стол и т.п.) или между токоведущими деталями и поверхностью крепления, когда между ними нет промежуточного металла |
Дополнительная изоляция |
Усиленная изоляция |
Основная изоляция |
|
* В данном случае рабочая изоляция понимается как основная изоляция. |
|||
Приложение М не следует использовать в качестве обязательного.
ПРИЛОЖЕНИЕ N
(справочное)
Руководство для светильников
с маркировкой
Если светильник
имеет символ
, то это
означает возможность прямого монтажа светильника на монтажной поверхности из
нормально воспламеняемых материалов. К нормально воспламеняемым материалам
относят такие строительные материалы, как дерево и материалы на его основе
толщиной более 2 мм.
Ранее требования об установке на ту или иную монтажную поверхность относились к светильникам, содержащим ПРА или трансформатор.
Позднее было
принято решение распространить использование символа
на все светильники, имеющие срок службы
более 10 лет, включая светильники с лампами накаливания.
Первоначально
требования маркировки символа
базировались на двух характеристиках:
a) защита от воспламенения, которое может произойти в конце срока службы ПРА, см. пункт 4.16.1 МЭК 60598-1 (1986);
b) защита от перегрева ПРА в процессе аномального режима (короткозамкнутый стартер), а также случайного разрушения, см. пункт 4.16.2 МЭК 60598-1 (1986).
N.1 Защита от воспламенения
Практический 10-летний опыт показал, что предполагаемая возможность воспламенения обмотки ПРА в конце его срока службы не очевидна.
Компоненты светильников, такие как конденсаторы, подвергают разрушающему испытанию для подтверждения их безопасности.
Кроме того, следует иметь в виду, что для материалов светильника, обладающих свойством самозатухания и испытываемых в соответствии с 4.15, не обязательно выполнение требования к материалам, находящимся между обмотками и монтажной поверхностью. Это требование поэтому было исключено из второго издания МЭК 60598-1.
N.2 Защита от перегрева
Изготовитель, гарантируя защиту монтажной поверхности от чрезмерного нагрева, выбирает один из трех равноценных способов защиты:
- зазор;
- измерение температуры;
- тепловую защиту.
N.2.1 Зазор
ПРА или трансформатор должны быть удалены от монтажной поверхности на следующие минимальные расстояния:
a) 10 мм, включая воздушный зазор не менее 3 мм между наружной поверхностью корпуса светильника и монтажной поверхностью, а также между ПРА или трансформатором и внутренней поверхностью корпуса светильника.
Если ПРА или трансформатор не имеют корпуса, то расстояние 10 мм должно соблюдаться для токоведущих частей, например обмотки ПРА.
Рекомендуется, чтобы корпус светильника имел защитную зону не менее 35 мм между токоведущей частью ПРА или трансформатора и монтажной поверхностью, в противном случае необходимо применять требования подпункта b). В случае отсутствия требований к материалу корпуса светильника допускается применение изоляционного материала, соответствующего 4.15.
Если светильник без корпуса, то зазор между ПРА или трансформатором и монтажной поверхностью должен быть не менее 35 мм;
b) 35 мм. Принимают главным образом в светильниках, установленных на скобах, в которых расстояние между ПРА или трансформатором и монтажной поверхностью часто превышает чем 10 мм.
N.2.2 Измерения температуры монтажной поверхности в аномальном режиме или условиях отказа ПРА
Температура может измеряться для подтверждения, что монтажная поверхность не может достигать слишком высокой температуры в результате аномальных режимов работы ПРА или при его отказе.
Эти требования и испытания основаны на предположении, что в случае повреждения ПРА или трансформатора, например при коротком замыкании обмотки, температура обмотки ПРА или трансформатора не превышает 350 °С в течение не более 15 мин, и при этом соответствующая температура любой части монтажной поверхности должна быть не более 180 °С в течение не более 15 мин.
Также в процессе аномального режима работы ПРА температура любой части монтажной поверхности не должна превышать 130 °С. Значения температур обмотки и монтажной поверхности, измеренных при напряжении 1,1 от нормируемого, наносят на график и через полученные точки проводят прямую линию. При продолжении линия не должна пройти через точку, соответствующую температуре 180 °С для монтажной поверхности, до того, как температура обмотки ПРА достигнет 350 °С (см. рисунок 9).
Для нормально воспламеняемых поверхностей предельной температурой при испытании монтажной поверхности являются факт воспламенения ее материала и время воспламенения (см. рисунок 27).
N.3 Тепловая защита
Тепловая защита может относиться к деталям или поверхности ПРА.
Требования по тепловой защите ПРА приведены в стандарте на ПРА.
Тепловая защита
ПРА маркируется символом
или
. В
последнем символе точки заменяют значением нормируемой максимально допустимой
температуры кожуха в градусах Цельсия, при которой размыкается цепь
автоматического выключателя.
Тепловая защита
ПРА, маркированных символом
или
с нормируемыми значениями до 130 °С
включ., обеспечивает полную защиту монтажной поверхности без принятия
каких-либо дополнительных мер защиты в светильнике. Это подразумевает наличие
связи с продолжительностью периода, за который в случае аномального режима
кожух не достигнет максимальной температуры, т.е. 130 °С, а при
аварийных условиях работы ПРА температура монтажной поверхности не достигнет
180 °С.
Тепловая защита
ПРА, маркированных символом
со значением св. 130 °С, должна
проверяться вместе со светильником, как предусмотрено для светильников с
тепловой защитой, находящейся вне ПРА.
У светильников с тепловой защитой вне ПРА и светильников с тепловой защитой ПРА с маркировкой св. 130 °С измеряют значение температуры монтажной поверхности до тех пор, пока не разомкнется цепь.
Во время испытания температуру монтажной поверхности контролируют, чтобы она не превышала допустимую максимальную температуру при аномальном режиме, т.е. 130 °С, за время, при котором монтажная поверхность не достигнет максимальной температуры при аварийных условиях работы ПРА (см. таблицу N.1).
Таблица N.1 - Действие тепловой защиты
|
Наибольшее время достижения максимальной температуры свыше 135 °С, мин |
Максимальная температура монтажной поверхности, °С |
Наибольшее время достижения максимальной температуры свыше 135 °С, мин |
|
|
Св. 180 |
0 |
Св. 155 до 160 включ. |
40 |
|
» 175 до 180 включ. |
15 |
» 150 » 155 » |
50 |
|
» 170 » 175 » |
20 |
» 145 » 150 » |
60 |
|
» 165 » 170 » |
25 |
» 140 » 145 » |
90 |
|
» 160 » 165 » |
30 |
» 135 » 140 » |
120 |
ПРИЛОЖЕНИЕ Р
(обязательное)
Требования к защитным экранам светильников с металлогалогенными лампами для защиты от УФ излучения
Р.1 Введение
В светильниках, в которых используют металлогалогенные лампы, необходимы меры для защиты от УФ излучения, для чего должны устанавливаться защитные экраны.
а) Из числа имеющихся в наличии серийных ламп выбирают лампу, имеющую максимальное значение Pэф*.
Примечания
1. Pэф - удельная эффективная мощность неэкранированной лампы, которая определяется как отношение эффективной мощности УФ излучения Pэф* к потоку излучения лампы. На практике удельная эффективная мощность измеряется в мВт/клм.
2. Pэф* определяется путем измерения спектральной интенсивности распределения лампы со спектром, отвечающим публикации AGGIH «Предельные пороговые значения и биологические экспозиционные показатели», Цинцинатти, штат Огайо, и дозировкам, допускаемым ВОЗ (Всемирной организации здравоохранения).
3. Диапазон действия спектра от 200 - 315 до 200 - 400 им, однако для оценки выбирают значение между 200 - 315 нм, присущее лампам, излучающим белый свет и предназначенным для целей общего освещения.
b) Устанавливают необходимые требования к защитному от УФ излучения экрану в виде характеристики его пропускания с использованием данных измерения светильника, удовлетворяющих условию
,
где Т - максимальное пропускание при рабочей температуре для любой длины волны в диапазоне 200 - 315 нм;
DEL - суточная доза облучения (30 Дж/м2);
ts - предполагаемая максимальная длительность облучения в сутки, ч;
Ea - предполагаемая максимальная освещенность, лк.
Уравнение может быть представлено в виде
.
Примечание - Формула справедлива при предположении, что традиционные отражающие материалы, например анодированный алюминий, отражает УФ излучение также, как и излучение видимого спектра в пределах допустимой точности.
c) Подбирают материал защитного экрана, имеющий пропускание с длиной волны 200 - 315 нм, соответствующее расчетному значению Т.
Например: Pэф* = 50 мВт/клм; ts = 8 ч в сутки; Еа = 2000 лк.
Т < 0,01. Пропускание защитного экрана не должно превышать 1 % падающего на него актиничного излучения.
Условия, описанные в подпунктах а), b), с), гарантируют взаимозаменяемость металлогалогенных ламп, в т.ч. имеющих отличающие галогенидные добавки, при условии, что обеспечивается максимальное значение Pэф*.
Применяют в случае возникающих сомнений в достоверности результата прямого измерения УФ излучения светильника и идентичности отражения УФ и видимого спектра материалом экрана, например при использовании неметаллических покрытий.
Вычисляют облученность Eэф*, которая должна удовлетворять условию
,
где Eэф* - отношение эффективной УФ облученности Eэф к освещенности, мВт·м-2/клк
ПРИЛОЖЕНИЕ Q
(справочное)
Приемосдаточные испытания
Общее
Испытания, указанные в этом приложении, должны выполняться изготовителем на каждом светильнике после его производства с целью выявления его соответствия требованиям безопасности и в случае изменения применяемых материалов и технологических процессов.
Задача этих испытаний - не допустить ухудшения характеристик и надежности светильника. Испытания отличаются от соответствующих типовых испытаний настоящего стандарта пониженными значениями напряжения.
Можно проверять большее число параметров, показывающих, что каждый светильник удовлетворяет требованиям выборки, определенной для проведения типовых испытаний в соответствии со стандартом. Изготовитель должен, исходя из своего опыта, установить перечень проверок.
При эффективном управлении производством изготовитель вправе изменять приведенный перечень проверок и нормируемые значения параметров с целью большего соответствия особенностям своего производственного процесса. Он может проводить испытания по отдельным пунктам на стадии изготовления при условии обеспечения необходимого уровня безопасности.
Испытание
Электрическим испытаниям должны подвергаться все светильники, на 100 %-ной выборке, как указано в таблице Q.1. Светильники с дефектами должны быть либо отремонтированы, либо утилизированы.
Должен быть проведен визуальный контроль для оценки:
а) наличия и полноты маркировки;
b) наличия необходимых эксплуатационных документов;
с) укомплектованности.
Вся продукция, прошедшая эти испытания, должна иметь соответствующую отметку на видном месте.
Таблица Q.1 - Минимальные значения для электрических испытаний
|
Класс защиты светильника и критерий оценки |
||||
|
I |
II (светильники в металлическом корпусе) |
III (светильники в металлическом корпусе и напряжением питания св. 25 В) |
II и III (светильники в корпусе из изоляционного материала) |
|
|
ФУНКЦИОНАЛЬНЫЕ ИСПЫТАНИЯ/ПРОВЕРКА РАБОТОСПОСОБНОСТИ (с лампой или макетом лампы) |
Общее нормальное рабочее состояние |
|||
|
НЕПРЕРЫВНОСТЬ ЦЕПИ ЗАЗЕМЛЕНИЯ. Проверяется между заземляющим контактом светильника и наиболее доступными частями, которые могут оказаться под напряжением. Регулируемым светильникам придается самое неблагоприятное положение |
Максимально допустимое сопротивление 0,5 Ом Измеряется при пропускании тока не менее 10 А при напряжении от 6 до 12 В в течение не менее 1 с |
Не применяется |
||
|
а) ЭЛЕКТРИЧЕСКАЯ ПРОЧНОСТЬ |
Максимальный ток пробоя 5 мА Измеряется при приложении минимального напряжения 1,5 кВ переменного тока в течение не менее 1 с или 1,5 |
Максимальный ток пробоя 5 мА Измеряется при приложении минимального напряжения 400 В переменного тока в течение не менее 1 с или 400 |
Не применяется |
|
|
ИЛИ b) СОПРОТИВЛЕНИЕ ИЗОЛЯЦИИ Измеряется между фазами и нейтральными контактными зажимами, соединенными вместе, и заземляющим контактным зажимом или между проводниками светильников классов защиты II, III и металлическим корпусом |
или Минимальное сопротивление 2 МОм Измеряется при приложении напряжения 500 В постоянного тока в течение 1 с |
или Минимальное сопротивление 2 МОм Измеряется при приложении напряжения 100 В постоянного тока в течение 1 с |
Не применяется |
|
|
ПОЛЯРНОСТЬ Проверяется на входных контактных зажимах |
Применяется при необходимости для правильной эксплуатации светильника |
Не применяется |
||
ПРИЛОЖЕНИЕ R
(справочное)
Библиография
Настоящее приложение содержит ссылки на стандарты, имеющие информационное или справочное предназначение и которые в настоящем стандарте не приводились или содержатся в части 2. На дату издания приведены действующие редакции, но в дальнейшем необходимо применять более поздние издания.
МЭК 60079 Электрические аппараты для взрывоопасной газовой атмосферы.
МЭК 60081 (1997) Лампы люминесцентные двухцокольные. Эксплуатационные требования безопасности.
МЭК 60249 Материалы фольгированные для печатных плат.
МЭК 60364 Электрические установки зданий.
МЭК 60364-7-702 (1993) Электрические установки зданий. Часть 7. Требования к специальным установкам или помещениям. Раздел 702. Плавательные бассейны.
МЭК 60682 (1980) Стандартный метод измерения температуры лопатки кварцевых галогенных ламп накаливания.
МЭК 60695-2-1/1 (1994) Испытания на пожароопасность. Часть 2. Методы испытаний. Раздел 1/лист 1. Испытание конечного продукта раскаленной проволокой и руководство.
МЭК 60750 (1983) Обозначение элементов в электротехнологии.
МЭК 60811-3-1 (1985) Общие методы испытаний материалов для изоляции и оболочек электрических кабелей. Часть 3. Специальные методы для составов ПВХ. Раздел 1. Испытания давлением при высокой температуре. Испытание на стойкость к растрескиванию.
МЭК 60921 (1988) Аппараты пускорегулирующие для трубчатых люминесцентных ламп. Требования к рабочим характеристикам.
МЭК 60923 (1988) Аппараты пускорегулирующие для газоразрядных ламп (кроме трубчатых люминесцентных ламп). Требования к рабочим характеристикам.
МЭК 60925 (1989) Аппараты пускорегулирующие электронные, питаемые от источников постоянного тока, для трубчатых люминесцентных ламп. Требования к рабочим характеристикам.
ПРИЛОЖЕНИЕ
S
(обязательное)
Перечень измененных разделов, содержащих наиболее опасные/критические требования, которые требуют повторных испытаний изделий
Примечание - Разделы, отмеченные буквой «R», будут включены в следующее доработанное издание.
ПРИЛОЖЕНИЕ
Т
(обязательное)
Требование к идентификации типопредставителя светильников для типовых испытаний
Т.1 Общие положения
Светильник(и), отбираемый(е) для проведения типовых испытаний из группы (ряда) конструктивно одинаковых изделий, должен(ны) характеризоваться наиболее неблагоприятной комбинацией компонентов и их положением в корпусе.
Т.2 Принципы выделения группы светильников
При выделении группы (ряда) конструктивно одинаковых светильников должны быть соблюдены следующие условия:
a) к светильникам должны применяться требования одного и того же раздела части 2 настоящего стандарта;
b) лампы, применяемые в светильниках, должны быть одного типа:
1) лампы накаливания (включая галогенные лампы накаливания),
2) люминесцентные лампы,
3) разрядные лампы;
c) светильники должны быть одного и того же класса защиты от поражения электрическим током;
d) светильники должны иметь одну и ту же степень защиты от воздействия окружающей среды. Проверка должна устанавливать соответствие с требованиями раздела Т.2.
Примечание - Каждый типопредставитель светильника требует индивидуального рассмотрения. Типопредставитель должен быть произведен одним и тем же изготовителем и удовлетворять одной и той же системе обеспечения качества. Типовые варианты типопредставителя должны быть по существу идентичны в отношении используемых материалов, компонентов и применяемой технологии. Образец(ы) для типовых испытаний должен(ны) быть отобран(ы) совместно изготовителем и испытательным органом.
ПРИЛОЖЕНИЕ U
(справочное)
Соответствие стандартов МЭК государственным стандартам
|
Обозначение стандарта МЭК |
Обозначение государственных стандартов |
|
МЭК 60065 (1985) |
ГОСТ Р МЭК 60065-2002 |
|
МЭК 60083 (1975) |
ГОСТ 7396.1-89 |
|
МЭК 60112 (1979) |
ГОСТ 27473-87 |
|
МЭК 60155 (1993) |
ГОСТ Р МЭК 60155-99 |
|
МЭК 60227 (комплекс стандартов) |
ГОСТ Р МЭК 60227-1-99 - ГОСТ Р МЭК 227-7-98 |
|
МЭК 60238 (1998) |
ГОСТ Р МЭК 60238-99 |
|
МЭК 60245 (комплекс стандартов) |
ГОСТ Р МЭК 60245-1-97 - ГОСТ Р МЭК 60245-8-2002 |
|
МЭК 60249 (комплекс стандартов) |
ГОСТ 26246.0-89 - ГОСТ 26246.13-89 |
|
МЭК 60320 (комплекс стандартов) |
ГОСТ 28190-89; ГОСТ 28244-96, ГОСТ Р 51325.1-99, ГОСТ Р 51325.2.2-99 |
|
МЭК 60360 (1998) |
ГОСТ Р 50470-93 |
|
МЭК 60364-3 (1998) |
ГОСТ 30331.2-95, ГОСТ Р 50571.2-94 |
|
МЭК 60400 (1996) |
ГОСТ Р МЭК 60400-99 |
|
МЭК 60417 (1998) |
ГОСТ 28312-89 |
|
МЭК 60432-1 (1993) |
ГОСТ Р МЭК 60432-1-99 |
|
МЭК 60432-2 (1994) |
ГОСТ Р МЭК 60432-2-99 |
|
МЭК 60529 (1995) |
ГОСТ 14254-96 |
|
МЭК 60570 (1989) |
ГОСТ Р МЭК 60570-99 |
|
МЭК 60695-2-2 (1991) |
ГОСТ 27484-87 |
|
МЭК 60742 (1983) |
ГОСТ 30030-93 |
|
МЭК 60901 (1996) |
ГОСТ Р МЭК 60901-99 |
|
МЭК 60920 (1990) |
ГОСТ Р МЭК 920-97 |
|
МЭК 60922 (1997) |
ГОСТ Р МЭК 60922-98 |
|
МЭК 60924 (1990) |
ГОСТ Р МЭК 924-98 |
|
МЭК 61046 (1993) |
ГОСТ Р МЭК 61046-98 |
|
МЭК 61184 (1997) |
ГОСТ Р МЭК 61184-99 |
|
МЭК 61195 (1993) |
ГОСТ Р МЭК 61195-99 |
|
МЭК 61199 (1993) |
ГОСТ Р МЭК 61199-99 |
Ключевые слова: светильники; требования безопасности; испытания; защита от поражения электрическим током; сопротивление изоляции; электрическая прочность; нормированное напряжение, мощность и ток; теплостойкость; огнестойкость; пути утечки и воздушные зазоры.
Хотите оперативно узнавать о новых публикациях нормативных документов на портале? Подпишитесь на рассылку новостей!






























