ГОСТ Р 53629-2009. Шпунт и шпунт-сваи из стальных холодногнутых профилей. Технические условия.

     ГОСТ Р 53629-2009

Группа Ж34

     

     

НАЦИОНАЛЬНЫЙ СТАНДАРТ РОССИЙСКОЙ ФЕДЕРАЦИИ


ШПУНТ И ШПУНТ-СВАИ ИЗ СТАЛЬНЫХ ХОЛОДНОГНУТЫХ ПРОФИЛЕЙ

Технические условия

Sheet piles of steel cold-formed sections. Specifications

ОКС 91.080.10

ОКП 526400

Дата введения 2010-07-01

     

     

Предисловие

Цели  и принципы стандартизации в Российской Федерации установлены Федеральным законом от 27 декабря 2002 г. N 184-ФЗ "О техническом регулировании", а правила применения национальных стандартов Российской Федерации - ГОСТ Р 1.0-2004 "Стандартизация в Российской Федерации"

Сведения  о стандарте

1  РАЗРАБОТАН Открытым акционерным обществом "Научно-исследовательский институт транспортного строительства" (ОАО "ЦНИИС"), Открытым акционерным обществом Центр методологии нормирования и стандартизации в строительстве ОАО "ЦНС", Обществом с ограниченной ответственностью "ЕВРОПРОФИЛЬ"

2  ВНЕСЕН Техническим комитетом по стандартизации ТК 465 "Строительство"

3  УТВЕРЖДЕН И ВВЕДЕН В ДЕЙСТВИЕ Приказом Федерального агентства по техническому регулированию и метрологии от 15 декабря 2009 г. N 975-ст

4  ВВЕДЕН ВПЕРВЫЕ

Информация  об изменениях к настоящему стандарту публикуется в ежегодно издаваемом информационном указателе "Национальные стандарты", а текст изменений и поправок - в ежемесячно издаваемых информационных указателях "Национальные стандарты". В случае пересмотра (замены) или отмены настоящего стандарта соответствующее уведомление будет опубликовано в ежемесячно издаваемом информационном указателе "Национальные стандарты". Соответствующая информация, уведомление и тексты размещаются также в информационной системе общего пользования - на официальном сайте Федерального агентства по техническому регулированию и метрологии в сети Интернет

     1 Область применения

Настоящий  стандарт распространяется на шпунт и шпунтовые сваи из металлических холодногнутых профилей, предназначенные для применения в гидротехническом, транспортном и промышленно-гражданском строительстве при сооружении различных шпунтовых ограждений постоянного и временного типа.

К  постоянным сооружениям относят причальные стенки (причалы типа "больверк") в морских и речных портах, ограждения искусственных островов, молов и волноломов на морских акваториях, стенки берегоукрепления в водохранилищах и меандрирующих руслах рек, укрепления оползневых склонов при прокладке трасс железных и автомобильных дорог, регуляционные сооружения на больших мостовых переходах. Металлические шпунт-сваи применяют в качестве основных несущих конструкций необсыпных устоев мостов, в том числе однопролетных распорных.

К  временным сооружениям относят ограждения котлованов мостовых опор, гидротехнических сооружений, тоннелей при проходке открытым способом, временных причалов и пирсов при монтаже пролетных строений больших мостов с помощью плавучих средств.

Для  временных сооружений металлический шпунт используется как инвентарь с многократным погружением и извлечением его с помощью специального оборудования.

Металлические  шпунтовые конструкции предназначены для применения в обычном и северном исполнении, в районах с расчетной сейсмичностью до 9 баллов, в агрессивных и сильноагрессивных средах. Срок службы защитных покрытий указан в специальных нормативных документах по защите металлоконструкций от коррозии.

     2 Нормативные ссылки

В  настоящем стандарте использованы ссылки на следующие стандарты:

ГОСТ  162-90 Штангенглубиномеры. Технические условия

ГОСТ  166-89 Штангенциркули. Технические условия

ГОСТ  380-2005 Сталь углеродистая обыкновенного качества. Марки

ГОСТ  427-75 Линейки измерительные металлические. Технические условия

ГОСТ  1050-88 Прокат сортовой, калиброванный, со специальной отделкой поверхности из углеродистой качественной конструкционной стали. Общие технические условия

ГОСТ  1497-84 Металлы. Методы испытаний на растяжение

ГОСТ  2246-70 Проволока стальная сварочная. Технические условия

ГОСТ  3242-79 Соединения сварные. Методы контроля качества

ГОСТ  3749-77 Угольники поверочные 90°. Технические условия

ГОСТ  5264-80 Ручная дуговая сварка. Соединения сварные. Основные типы, конструктивные элементы и размеры

ГОСТ  5378-88 Угломеры с нониусом. Технические условия

ГОСТ  6996-66 Сварные соединения. Методы определения механических свойств

ГОСТ  7502-98 Рулетки измерительные металлические. Технические условия

ГОСТ  8026-92 Линейки поверочные. Технические условия

ГОСТ  8050-85 Двуокись углерода газообразная и жидкая. Технические условия

ГОСТ  8713-79 Сварка под флюсом. Соединения сварные. Основные типы, конструктивные элементы и размеры

ГОСТ  9466-75 Электроды покрытые металлические для ручной дуговой сварки сталей и наплавки. Классификация и общие технические условия

ГОСТ  9467-75 Электроды покрытые металлические для ручной дуговой сварки конструкционных и теплоустойчивых сталей. Типы

ГОСТ  10157-79 Аргон газообразный и жидкий. Технические условия

ГОСТ  14192-96 Маркировка грузов

ГОСТ  14637-89 Прокат толстолистовой из углеродистой стали обыкновенного качества. Технические условия

ГОСТ  14771-76 Дуговая сварка в защитном газе. Соединения сварные. Основные типы, конструктивные элементы и размеры

ГОСТ  14782-86 Контроль неразрушающий. Соединения сварные. Методы ультразвуковые

ГОСТ  19281-89 Прокат из стали повышенной прочности. Общие технические условия

Примечание  - При пользовании настоящим стандартом целесообразно проверить действие ссылочных стандартов в информационной системе общего пользования - на официальном сайте Федерального агентства по техническому регулированию и метрологии в сети Интернет или по ежегодно издаваемому информационному указателю "Национальные стандарты", который опубликован по состоянию на 1 января текущего года, и по соответствующим ежемесячно издаваемым информационным указателям, опубликованным в текущем году. Если ссылочный стандарт заменен (изменен), то при пользовании настоящим стандартом следует руководствоваться заменяющим (измененным) стандартом. Если ссылочный стандарт отменен без замены, то положение, в котором дана ссылка на него, принимается в части, не затрагивающей эту ссылку.

     3 Термины, определения и обозначения

3.1  В настоящем стандарте применены следующие термины с соответствующими определениями:

шпунтовая  стенка: Несущая конструкция в форме сплошной вертикальной или наклонной стены, образованная забитыми в грунт монтажными элементами - шпунтовыми сваями, соединяемыми между собой замками. Стенка из шпунтовых свай воспринимает в основном горизонтальные нагрузки от давления грунта, находящегося за ней, а также вертикальные нагрузки от вышерасположенных сооружений и транспортных средств.

шпунт  ограждения: Грунто-водонепроницаемая стенка для ограждения котлованов и траншей при возведении транспортных и гидротехнических сооружений.

шпунтовый  профиль: Шпунтовая свая определенной геометрической формы поперечного сечения с замковыми элементами.

шпунт:  Совокупность шпунтовых профилей (шпунтовых свай).

шпунтовый  замок: Элемент шпунтовой сваи, служащий для соединения свай в грунтонепроницаемую стенку и обладающий несущей способностью на разрыв и изгиб.

3.2  В настоящем стандарте приняты также следующие обозначения:

С29-АФф  - сварка под флюсом автоматическая на флюсовой подушке, стыковое соединение без скоса кромок, с двусторонним сварным швом, толщиной свариваемых деталей 2,0-32,0 мм.

ТЗ-АФ  - сварка под флюсом автоматическая на весу, тавровое соединение без скоса кромок, с двусторонним сварным швом, толщиной свариваемых деталей 3,0-20,0 мм.

С7-АФ  - сварка под флюсом автоматическая на весу, стыковое соединение без скоса кромок, с двусторонним сварным швом, толщиной свариваемых деталей 2,0-20,0 мм.

У7-АФ  - сварка под флюсом автоматическая на весу, угловое соединение со скосом одной кромки, с двусторонним сварным швом, толщиной свариваемых деталей 8,0-20,0 мм.

     4 Конструкция шпунтовых профилей

4.1  В зависимости от геометрической формы поперечных сечений и несущей способности металлические холодногнутые шпунтовые профили разделяют на четыре типа:

-  тип 1 - шпунтовый корытный (трапецеидальный) профиль ШК (см. рисунок 1);

-  тип 2 - шпунтовый корытный профиль, усиленный ШКУ (см. рисунок 2);

-  тип 3 - шпунт-свая симметричная ШС (см. рисунок 3);

-  тип 4 - шпунт-свая усиленная ШСУ (см. рисунок 4).

           

Примечание  - Размеры справочные.

           

Рисунок 1 - Шпунтовая стенка из холодногнутых корытных профилей ШК с замками в исполнении 1

     

     

          

1 - лист усиления 12; 16; 20 мм

     

Рисунок 2 - Шпунтовая стенка из холодногнутых профилей ШКУ с замками в исполнении 2

     

     

     

1 - холодногнутый шестигранный профиль; 2 - листовой прокат; 3,4 - элементы замков

     

Рисунок 3 - Шпунт-свая симметричная ШС

     

     

          

1 - лист усиления 12; 16; 20 мм

     

Рисунок 4 - Шпунт-свая усиленная ШСУ

4.2  Для всех четырех типов профилей в равной степени применены конструкции замков в двух исполнениях:

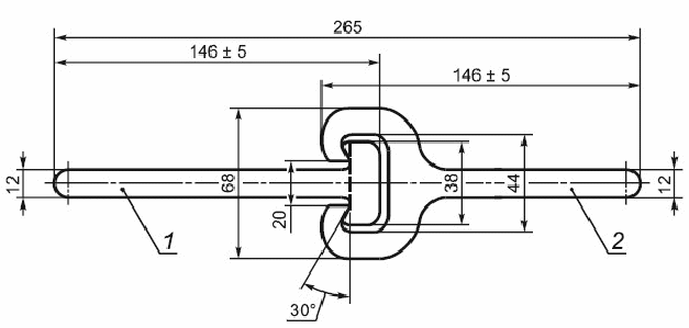
-  исполнение 1 - из горячекатаных (горячедеформированных) профилей, выпускаемых предприятием "Северсталь-метиз" [см. рисунок 5а];

-  исполнение 2 - сварные из горячекатаного листового или полосового проката толщиной 12 мм с приваренными к нему: охватывающей горячекатаной трубой 68х12 мм и ответным охватываемым квадратом 30х30 мм [см. рисунок 5б)].

           

     

     

а) Исполнение 1 из фасонных профилей "Северсталь-метиз"

     

     

          

б) Исполнение 2 из горячекатаных профилей листового проката, трубы горячекатаной 68x12 мм и квадрата 30x30 мм

     

1 - охватывающий элемент; 2 - охватывающий элемент; 3 - шпунтовый профиль, шпунт-свая

     

Рисунок 5 - Шпунтовые замки

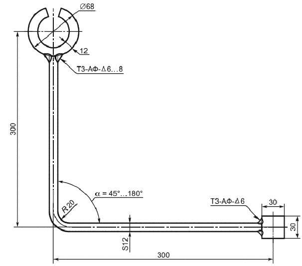
При  сооружении шпунтовых стенок с углами поворотов применяют отдельные замковые элементы, конструкция которых приведена на рисунках 6-8.

          

Рисунок 6 - Конструкция шпунтового профиля ШК, ШКУ (позиция 1) с углом поворота стенки при замках в исполнении 1

     

     

          

Рисунок 7 - Конструкция шпунтового профиля ШК, ШКУ (позиция 1) с углом поворота стенки при замках в исполнении 2

     

     

     

а) Для стенок из шпунт-свай ШС, ШСУ с замками в исполнении 1

     

     

          

б) Для стенок из шпунт-свай ШС, ШСУ с замками в исполнении 2

     

Рисунок 8 - Угловые профили

Изготовление  угловых шпунтовых профилей должно предусматриваться в проекте сооружения и в заказе предприятию-изготовителю. Угол поворота - любой.

4.3  Сварные соединения - стыковые, угловые, тавровые - следует выполнять автоматической или полуавтоматической сваркой под флюсом и в среде защитных газов. Допускается ручная электродуговая сварка.

4.4  Профили ШК, ШКУ, ШС, ШСУ изготавливают на заводе мерной длины, указанной в заказе и проектной документации на конкретный объект. По условиям отгрузки на железнодорожном подвижном составе и автомобильным транспортом рекомендуется длина секций заводского изготовления не более 14,2 м с последующим стыкованием их сваркой до любой проектной длины в условиях строительной площадки.

4.5  Толщину листового или полосового проката для холодногнутых профилей и замковых элементов принимают 12 мм. Толщину листов усиления в профилях ШКУ и ШСУ рекомендуют 12; 16; 20 мм.

4.6  Условные обозначения шпунтовых профилей:

-  шпунта корытного (трапецеидального) профиля шириной по осям замков 1000 мм при высоте шпунтовой стенки 600 мм, из листа толщиной 12 мм при длине заводского изделия , м:

ШК-1000-600-12-

-  шпунта корытного профиля усиленной шириной 1000 мм, при высоте стенки 600 мм, из листа-основы 12 мм и листа усиления 16 мм при длине заводского изделия , м:

ШКУ-1000-600 (12+16)-

-  шпунт-сваи усиленной шириной по осям замков 1620 мм при высоте рабочего профиля 736 мм, из листа-основы 12 мм и листа усиления 16 мм, при длине заводского изделия , м:

ШСУ-1620-704-(12+16)-

     

     

     5 Технические требования, требования безопасности

5.1  Холодногнутые профили и элементы замковых соединений шпунтовых профилей ШК, ШКУ, ШС, ШСУ изготавливают из конструкционной низколегированной стали марки 09Г2С категорий 12...15 по ГОСТ 19281. Класс прочности должен быть С325, толщина проката - 12; 16; 20 мм. Для элементов замковых соединений исполнения 2 (трубы 68х12 мм и квадрата 30х30 мм) допускается применение углеродистой стали обыкновенного качества марок СтЗсп5, СтЗГсп5 по ГОСТ 380, ГОСТ 14637, качественной конструкционной стали марок 20сп, пс, 20Асп, пс по ГОСТ 1050 при эксплуатации сооружений в климатических районах с температурой не ниже минус 40 °С (обычное исполнение).

Ширину  листового проката для холодногнутых профилей шпунт-свай ШС, ШСУ принимают 2500 мм, длина листов, отгружаемых в полувагонах, должна быть, как правило, 11700 мм.

5.2  Прокат из стали любых марок, приведенных в 5.1, должен поставляться с гарантией свариваемости.

5.3  Дополнительные требования к сталям для шпунтовых профилей по химическому составу и механическим свойствам, в том числе по ударной вязкости KCU и KCV, должны быть указаны в рабочей документации на конструкции металлические (КМ), разработанной в установленном порядке с учетом климатических условий, особенностей строительно-монтажных и эксплуатационных нагрузок на сооружения из шпунта.

5.4  Качество поставляемого на предприятие-изготовитель стального проката должно удостоверяться сертификатами или паспортами предприятий-поставщиков. Листовой прокат должен иметь маркировку клеймением с указанием марки стали, номеров плавки, партии, размеров изделий. Применение проката без сертификатов (паспортов) не допускается.

В  случаях, если в сертификатах на стальной прокат отдельные данные отсутствуют, предприятие-изготовитель шпунтовых профилей должно провести необходимые лабораторные испытания в соответствии с требованиями, установленными стандартами. Если результаты испытаний соответствуют требованиям, прокат может быть использован для изготовления конструкций. Акты испытаний прилагаются к сертификатам.

5.5  Холодногнутые профили и элементы замковых соединений сваривают на полную проектную длину до сборки и сварки готовых изделий.

Геометрические  и механические характеристики шпунтовых профилей ШК, ШКУ, ШС и ШСУ должны соответствовать приведенным в таблице 1.

Таблица 1 - Геометрические и механические характеристики шпунта и шпунт-свай из холодногнутых профилей












Тип шпунтовых профилей и шпунт-свай


Ширина по осям замков , мм


Высота стенки сваи , мм


Толщина листа ; (), мм


Площадь сечения одного изделия, см


Масса, кг


Момент сопротивления , см


Момент инерции , см

















одного погонного метра

сваи, кг/м


одного квадратного метра стенки, кг/м


одной сваи


одного метра стенки


одной сваи


одного метра стенки


Шпунтовая стенка


ШК-1000-600-12


1000


600


12


190


150


150


-

3404


-

102105


ШКУ-1000-600-(12+12)


1000


624


12+12


274


215


215


-

5808


-

181194


ШКУ-1000-600-(12+16)


1000


632


12+16


302


237


237


-

6614


-

208987


ШКУ-1000-600-(12+20)


1000


640


12+20


330


259


259


-

7419


-

237408


Шпунт-свая


ШС-1620-704-12


1620


704


12


423


332


205


5868


3622


206554


127502


ШСУ-1620-704-(12+12)


1620


728


12+ 12


519


407


251


9083


5607


330620


204087


ШСУ-1620-704-(12+16)


1620


736


12+16


551


432,5


267


10158


6270


373814


230750


ШСУ-1620-704-(12+20)


1620


744


12+20


583


458


283


11236


6936


417979


258012


Примечание - Для всех типов шпунтовых профилей и шпунт-свай в равной степени применимы замковые соединения исполнений 1 и 2 (см. рисунок 5).




5.6  Сварочные материалы для автоматической, полуавтоматической и ручной сварок при заводском изготовлении шпунтовых профилей, а также при сооружении шпунтовых стенок и ограждений следует применять в соответствии с указаниями таблицы 2 с учетом класса прочности стали, типа сварного соединения, способа сварки и исполнения конструкции (обычного или северного). Качество сварочных материалов должно удостоверяться сертификатами предприятий-поставщиков и соответствовать требованиям ГОСТ 2246, ГОСТ 8050, ГОСТ Р 52222, ГОСТ 9466, ГОСТ 9467, ГОСТ 10157.

Таблица 2 - Сварочные материалы для заводской и монтажной сварки шпунта











Марка

стали

Класс

прочности


Автоматическая и полуавтоматическая сварка под флюсом


Автоматическая и полуавтоматическая сварка в защитных газах*

Тип

Марка электродов для ручной дуговой сварки стыковых, тавровых, угловых и нахлесточных соединений





Стыковые соединения


Тавровые, угловые и нахлесточные соединения



Стыковые соединения


Тавровые, угловые и нахлесточные соединения







Сварочная проволока


Флюс


Сварочная проволока


Флюс


Сплошная проволока


Металло-

порошковая проволока


Сплошная проволока


Металло-

порошковая проволока





СтЗпсб

СтЗГсп,пс.

Сталь20

С245


Св-08А, Св-08ГА


АН-47, АНК-561, ПФК-56С


Св-08А, Св-08ГА


АН-348А,

АН-47,

АНК-561


СВ-08Г2С


-

СВ-08Г2С 1,2...2 мм


-

Э42А

УОНИ-13/45,

Э46А

УОНИ-12/55К


09Г2С

С325


Св-10Г2, Св-10НМА


АН-47, АНК-561


Св-08ГА


АНЦ-1А,

АН-348-АМ,

АН-47


Св-08Г2С

1,2...2 мм


HOWER

BRIDGE

1,2...2 мм


Св-08Г2С

1,2...2 мм


HOWER BRIDGE 1,2...2 мм


Э46А

УОНИ-13/55К,

Э50А

УОНИ-13/55


     * Защитные газы:

     1) (78...82)% Аr + (18...22)% СО;

     2) (95...97)% Аr + (3...5)% О;

     3) (83...87)% Аr + (Ю...Л2)% СО + (3...5)% О.




5.7  Стыковые сварные соединения элементов шпунтовых профилей при заводском изготовлении и на монтаже должны быть со сплошным проплавлением, обеспечивать равнопрочность с основным сечением металла и выполняться в соответствии с требованиями ГОСТ 3242, ГОСТ 5264, ГОСТ 6996, ГОСТ 8713, ГОСТ 14771, ГОСТ 14782.

В  исполнительную документацию (журнал сварочных работ) вносят номер каждого стыкового соединения по маркировочной схеме с подписями сварщика и руководителя работ.

Элементы,  свариваемые двусторонними швами, допускается перекантовывать только после остывания шва первого прохода до температуры не выше 20 °С с принятием мер против динамических нагрузок.

5.8  Сварные угловые швы тавровых, угловых и нахлесточных соединений должны соответствовать требованиям чертежей КМ (конструкции металлические) и 5.7. Швы подвергаются визуально-измерительному контролю (при отсутствии в проектной документации требований сплошного проплавления). Предельные отклонения размеров катетов угловых швов от номинального значения приведены в таблице 3.

Таблица  3 - Предельные отклонения размеров катетов угловых швов





Номинальный размер катета углового шва в тавровых, угловых и нахлесточных соединениях, мм, вогнутость, выпуклость


Предельные отклонения катетов, мм, при сварке





автоматической и полуавтоматической под флюсом


автоматической и полуавтоматической в защитных газах


ручной покрытыми электродами


До 5 включительно


+1


+1; -0,5


+1; -0,5


Св. 5 до 8 включительно


+2


+2; -1


+2; -1


Св. 8 до 12 включительно


+2,5


+2,5; -1,5


+2,5; -1,5


Допускается вогнутость углового шва


Не более 30% значения катета, но не более 3 мм


Допускается выпуклость углового шва


Не более 15% значения катета, но не более 2 мм


5.9  Холодногнутые профили трапецеидально-корытной формы следует изготавливать, как правило, на листогибочных прессах с максимальными усилиями 1600 или 2000 т, обеспечивающими гибку листа толщиной 12 мм при длине стола не более 16 м. Внутренний радиус гибки в угол должен быть не менее в соответствии с [1], таблица 50 и [2], подраздел 9.9, как для конструкций третьей группы. Для принятой в настоящем стандарте толщины листового проката 12 мм рекомендуется радиус гибки 15-20 мм.

5.10  Сортовой, фасонный и трубчатый прокат элементов замковых соединений по длине стыкуют полуавтоматической или ручной дуговой сваркой с V-образной или Х-образной разделкой кромок для обеспечения сплошного технологического проплавления кромок без ультразвуковой дефектоскопии (УЗД-контроля). При сварке не допускаются наплывы или усиления на рабочих поверхностях охватывающих и охватываемых элементов замков, входящих в контакт между собой при забивке или погружении шпунта в грунт.

На  каждый заказ (или партию) шпунтовых профилей предприятие-изготовитель проводит испытания замковых соединений с целью определения их несущей способности на разрыв. Методика испытаний приведена в приложении А. Акт испытаний замков прилагают к сертификату качества.

5.11  Предельные отклонения линейных размеров и геометрической формы готовых шпунтовых профилей и шпунт-свай от проектных не должны превышать значений, указанных в таблице 4.

Таблица 4 - Предельные отклонения линейных размеров и геометрической формы шпунтовых профилей и шпунт-свай



Вид отклонений


Предельное значение отклонения, мм


1 Отклонения по длине отдельных секций, подлежащих сварке на монтаже, или готовых изделий


±50


2 Отклонения по ширине и высоте:




2.1 По осям охватывающих и охватываемых замковых элементов


±5


2.2 По отдельным плоскостям и заготовкам гнутых профилей


±5


2.3 Взаимное смещение кромок в сварных заводских стыках заготовок и холодногнутых профилей


2


3 Разность длин диагоналей листовых заготовок


4


4 Косина (не перпендикулярность) торцов заготовок и готовых изделий при их ширине



0,005


5 Стрела продольного изгиба готового изделия при длине



0,001


6 Винтообразность (деформация скручивания)

2 мм на 1 м, но не более 20 мм


5.12  Шпунтовые металлоконструкции после их изготовления подлежат защите от коррозии в соответствии с требованиями действующих нормативных документов. Систему защиты назначают в проектной документации на сооружения, где применяется шпунт, в зависимости от степени агрессивности среды, в которой происходит эксплуатация конструкций. Во всех случаях предпочтительной является полная проектная защита от коррозии в заводских условиях или (как исключение) без нанесения верхнего (покрывного) слоя, который наносят непосредственно на строительной площадке после погружения шпунта или стыковки его на стенде на проектную длину.

Окраска  внутренней полости трубчатого (или прокатного) охватывающего элемента замка является необязательной. Перед отгрузкой конструкций потребителю рекомендуется нанесение на их внутреннюю поверхность консистентной консервационной смазки.

Шпунтовые  инвентарные конструкции для временных сооружений защищают от коррозии после каждого извлечения их из грунта, обеспечивая при этом необходимые условия хранения инвентаря для многократного использования.

5.13  В комплект поставки входят рядовые шпунтовые профили с прямыми замками и отдельно изготавливаемые угловые замковые профили на любой угол поворота, установленный в проекте шпунтового сооружения (см. рисунки 6-8). В заказе следует устанавливать необходимое число угловых замков и значение углов поворота в градусах.

5.14  В проектах шпунтовых стен и ограждений должны быть указаны крепления к шпунтовым профилям сваебойного или вибропогружающего оборудования. Предприятие-изготовитель в комплекте со шпунтовыми профилями обязан изготовить и отгрузить заказчику монтажные крепежные устройства, если это оговорено в заказе и проекте. При отсутствии данных условий крепежные устройства допускается изготавливать на монтаже силами строительно-монтажной организации.

5.15  К сварке шпунтовых конструкций допускаются сварщики в возрасте не моложе 18 лет, имеющие свидетельство об окончании специализированного учебного заведения или курсов по сварке, заварившие контрольные стыковые и тавровые соединения с положительными результатами их механических испытаний по ГОСТ 6996.

5.16  Элементы, свариваемые двусторонними швами, допускается перекантовывать только после остывания шва первого прохода до температуры не выше 20 °С с принятием мер против динамических нагрузок.

5.17  При заводском изготовлении шпунтовых конструкций должны соблюдаться:

-  правила устройства и безопасной эксплуатации грузоподъемных кранов;

-  сосудов, работающих под давлением; компрессорных и газовых установок;

-  воздухо- и газопроводов и подводов их к рабочим местам;

-  правила пожарной безопасности, санитарные нормы и средства защиты при производстве сварочных и газо- плазмо-лазерной резки.

5.18  На основании действующих нормативных документов предприятия - изготовители конструкций должны разрабатывать инструкции и стандарты организаций, по которым проводят обучение и инструктаж рабочих по безопасным методам производства работ. При приеме на работу с рабочими должны проводиться:

-  вводный инструктаж;

-  первичный инструктаж на рабочем месте и обучение (при профессиональной подготовке рабочих).

При  изменении производства работ или переходе на другую работу проводят текущий инструктаж.

Периодическую  проверку знаний техники безопасности у рабочих и инженерно-технических работников необходимо проводить ежегодно. Все данные по проведению инструктажей заносят в журналы проверки знаний техники безопасности.

     6 Правила приемки

6.1  Шпунтовые профили должны быть приняты службой технического контроля предприятия-изготовителя.

По  требованию заказчика в приемке может дополнительно принимать участие представитель независимой контролирующей организации или представитель заказчика.

6.2  В процессе изготовления шпунтовых профилей проводят следующие виды контроля качества: входной, операционный, приемочный.

6.3  При входном контроле шпунтовых профилей проверяют:

-  полноту разработки проектно-технологической документации и ее соответствие требованиям действующих нормативных документов;

-  качество основных и вспомогательных материалов и наличие сертификатов на них;

-  состояние технологического оборудования и измерительного инструмента;

-  режимы сварки и механические характеристики сварных соединений по результатам испытаний контрольных образцов и технологических проб;

-  квалификацию рабочих-электросварщиков, термоправщиков и дефектоскопистов.

6.4  При операционном контроле шпунтовых профилей проверяют:

-  соблюдение технологии изготовления деталей и элементов, режимы резки и сварки, чистоту и точность обработки деталей, соблюдение проектных размеров;

-  соответствие применяемых сварочных материалов и их подготовку требованиям заданной технологии сварки;

-  форму и взаимное положение кромок и замковых элементов в поперечных стыках при сборочных операциях;

-  качество сварных стыковых соединений элементов профиля по заданной проектной длине шпунтовых профилей.

Результаты  операционного контроля и приемки фиксируют в сопроводительных документах.

6.5  Приемочный контроль изготовленных шпунтовых профилей должен включать в себя:

-  измерение размеров поперечного сечения изделий и их длину;

-  проверку перекоса плоскостей торцов;

-  измерение стрелы кривизны профиля в плоскости расположения замков и поперек этой плоскости;

-  качество продольных стыковых, угловых и тавровых сварных швов.

Все  обнаруженные дефекты сварных соединений должны быть устранены в процессе приемочного контроля в соответствии с [2] и [3].

Отклонение  линейных размеров и геометрической формы готовых изделий должны быть в пределах допускаемых, указанных в разделе 5. Все измерения следует проводить поверенным измерительным инструментом на специальном стенде, предназначенном для приемки конструкций.

6.6  Приемочный контроль шпунтовых профилей проводят в два этапа: до и после нанесения защитных покрытий.

6.7  Шпунтовые профили принимают партиями. Партия шпунтовых конструкций должна состоять из одного типа шпунта одинаковой длины. Масса партии зависит от грузоподъемности транспортных средств. Для сцепов из четырехосных платформ с металлическими бортами, расстоянием между автосцепками 14620 мм масса партии должна быть кратной грузоподъемности одной платформы при длине шпунтовых конструкций не более 14 м.

При  отгрузке автотранспортом количество и объем партий определяет предприятие-изготовитель в зависимости от полного объема заказа. Массу изделий принимают по спецификациям заводских чертежей конструкций металлических деталировочных (КМД).

6.8  На каждую отгружаемую партию предприятие-изготовитель передает потребителю шпунта сертификат качества, форма которого приведена в приложении Б.

6.9  Маркировочные знаки наносят непосредственно на каждый шпунтовый профиль. Маркировка должна содержать: наименование предприятия-изготовителя или его товарный знак, номер заказа, номер партии, условное обозначение изделия (см. раздел 4), клеймо ОТК предприятия-изготовителя.

Маркировку  следует наносить буквенными и цифровыми клеймами с повторением несмываемой краской на местах, доступных для прочтения. При длине шпунта более 14 м маркировку наносят с двух сторон на расстоянии 1 м от торцов.

     7 Методы контроля

7.1  Поступающий от металлургических предприятий металлопрокат должен соответствовать требованиям действующих стандартов и характеристикам по химическому составу и механическим свойствам, приведенным в сертификатах качества. Прокат должен иметь маркировку клеймением или снабжаться бирками с указанием марки стали, номера плавки, номера партии, размеров шпунтовых профилей.

Необходимые  дополнительные испытания металлопроката должны проводиться в заводских специализированных аттестованных лабораториях, оснащенных соответствующим оборудованием. Результаты испытаний должны оформляться актами, прикладываемыми к сертификатам качества.

7.2  Предприятие-изготовитель шпунтовых профилей обязано проверять качество сварочных материалов (сварочной проволоки и флюса) посредством испытания технологических проб на сварных образцах из проката толщиной 12...16 мм не реже одного раза в год от каждого предприятия-поставщика. Электроды для ручной электродуговой сварки стыковых швов должны проходить испытания на технологических пробах от каждой полученной партии.

7.3  Для контроля технологии и режима сварки и сварочных материалов проводятся испытания технологических проб сварных соединений каждой толщины проката с определением механических характеристик разрушающими методами контроля по ГОСТ 6996.

7.4  Для контроля линейных размеров и геометрической формы отправочных марок шпунтовых профилей используют металлические измерительные рулетки со штриховыми шкалами классов 1 и 2 точности по ГОСТ 7502, металлические линейки по ГОСТ 427, штангенциркули по ГОСТ 166 и штангенглубиномеры по ГОСТ 162, поверочные линейки от 200 до 4000 м* по ГОСТ 8026, поверочные угольники 90° по ГОСТ 3749 и угломеры с нониусом для углов 0....180° по ГОСТ 5378.

_______________

*  Текст соответствует оригиналу. - Примечание изготовителя базы данных.     

Контролируемый  шпунтовый профиль устанавливают на горизонтальный стенд, выверенный по нивелиру. Кроме перечисленных выше средств измерения, применяют шаблоны разной формы, изготовленные в инструментальной мастерской предприятия и хранящиеся в отделе технического контроля (ОТК).

7.5  Кривизну шпунтовых профилей длиной не более 12 м контролируют в двух взаимно перпендикулярных плоскостях линейкой по натянутой струне. При длине изделий более 12 м пользуются струной или нивелиром.

7.6  Качество сварных соединений контролируют в соответствии с [2] и [3]. Для контроля геометрии угловых сварных швов используют радиусные шаблоны в наборах N 1, N 2, N 3 или специальный инструмент в виде штангенциркуля с точностью 0,2 мм.

     8 Транспортирование и хранение

8.1  Шпунтовые конструкции перевозят открытыми транспортными средствами без упаковки, по железной дороге, водным или автомобильным транспортом при наиболее рациональном использовании грузоподъемности и вместимости подвижного состава в пределах установленных габаритов.

8.2  Транспортная маркировка (центр тяжести, места строповки, предупредительные надписи, при необходимости, "Сцеп не разъединять", "С горок не спускать", "При маневрах не толкать") в соответствии с ГОСТ 14192.

8.3  Порядок отгрузки готовой продукции с предприятия-изготовителя на объект строительства должен быть указан в заказе. Заказ отгружают целиком или поэтапно партиями: железнодорожным транспортом - на сцепы платформ или полувагонов; водным транспортом - на одну баржу; автотранспортом - на необходимое число единиц транспорта для перевозки партии или всего заказа.

8.4  Каждая отгружаемая партия или заказ в целом должны сопровождаться сертификатами качества предприятия-изготовителя. Форма сертификата приведена в приложении Б.

8.5  Погрузку, крепление и транспортирование шпунтовых профилей на открытых железнодорожных платформах выполняют в соответствии с [5] и по согласованным с отделением дороги схемам погрузки и крепления грузов на подвижной состав.

8.6  Погрузка, выгрузка и хранение должны выполняться способами, исключающими повреждение шпунтовых профилей и защитных покрытий на их поверхности. Сбрасывание шпунтовых профилей при погрузке и выгрузке не допускается. Запрещается перемещение шпунтовых профилей волоком в пределах строительной площадки.

8.7  Для крепления шпунтовых профилей на транспортных средствах допускается образование в них отверстий сверлением в соответствии с согласованными схемами отгрузки. Приварка к шпунту крепежных деталей допускается в порядке, оговоренном и согласованном с проектной организацией, с последующим их удалением и зачисткой мест приварки абразивным инструментом заподлицо с основным металлом.

8.8  Шпунтовые профили допускается хранить на открытой горизонтально спланированной площадке на деревянных подкладках штабелями, высота которых не должна, как правило, превышать 1,5 ширины шпунтовых профилей. Строповочные средства для погрузки-выгрузки и перемещения шпунтовых профилей кранами не должны повреждать нанесенных на предприятии защитных покрытий.

     9 Гарантии изготовителя

9.1  Предприятие - изготовитель холодногнутых шпунтовых профилей и шпунтовых свай гарантирует их соответствие требованиям настоящего стандарта при соблюдении потребителем условий транспортирования и хранения.

9.2  Гарантированный срок хранения шпунтовых профилей - один год с момента отгрузки с предприятия-изготовителя.

Приложение А

(обязательное)

     

Определение несущей способности замкового соединения металлического шпунта

Расчетную  несущую способность замковых соединений (далее - замков) определяют по результатам испытаний на разрыв образцов замка в масштабе 1:1, т.е. в натуральную величину по сечению, при ширине образца 100 мм.

Образец  замка в исполнении 1 - из горячедеформируемых фасонных профилей, выпускаемых предприятием "Северсталь-метиз", показан на рисунке А.1*.

_______________

*  Рисунок А.1 в бумажном оригинале отсутствует. - Примечание изготовителя базы данных.     

Образец  замка в исполнении 2 - из стандартных горячекатаных труб 68х12 мм (охватывающий элемент) и сортового квадратного проката 30x30 мм (охватываемый элемент) показан на рисунке А.2*.

_______________

*  Рисунок А.2 в бумажном оригинале отсутствует. - Примечание изготовителя базы данных.     

Оба  элемента должны быть приварены к полосам (заготовкам) из листового или полосового проката.

Образцы  замка для испытаний изготавливают отдельно или вырезают из готовых шпунтовых профилей. От каждой отгружаемой партии или заказа испытывают не менее трех образцов замка. Сталь для их изготовления должна быть тех же марок, что и для основных промышленных изделий. Копии сертификатов на прокат прикладывают к актам испытаний. Акты испытаний могут быть составлены в произвольной форме.

Испытания  образцов замка проводят, как правило, на разрывной машине МУП-50 (50 тс) по ГОСТ 1497.

По  данным нагрузок и соответствующих нагрузкам деформаций строят диаграммы растяжений и по ним определяют предельное значение растягивающего усилия , при котором в соединении начинаются пластические деформации, то есть предел текучести ; .

Расчетное  сопротивление растяжению замка принимают по формуле ,

где - коэффициент надежности по материалу, равный 1,1 для стали 09Г2С по [2], таблица 2.

По  данным испытаний, проведенных в ОАО "Научно-исследовательский институт транспортного строительства", расчетная несущая способность замка на 1 м длины шпунтового профиля равна:

исполнения  1: тс/м;

исполнения  2: тс/м.

Полученные  при испытаниях значения рекомендуется применять при проектировании и расчете шпунтовых сооружений с последующим уточнением их по результатам заводских испытаний замков по данной методике.

Нагрузки  на шпунтовые стенки и другие сооружения от давления грунта и других воздействий необходимо принимать по действующим нормативным документам с коэффициентом надежности по нагрузке 1,2 [4], таблица 7.1, подраздел 17.5.

Приложение Б

(справочное)

     

Формы сертификатов на шпунтовые профили

Б.1  На полный заказ

СЕРТИФИКАТ N

на металлические шпунтовые профили по заказу N____от____











1 Заказчик






2 Наименование объекта






3 Дата начала изготовления






4 Дата окончания изготовления






5 Организация, выполнившая чертеж КМ, шифр проекта, номера чертежей






6 Организация, выполнившая деталировочные чертежи КМД, шифры и номера чертежей






7 Нормы проектирования






8 Нормы изготовления






9 Организация, утвердившая проект






10 Общая масса конструкций






в том числе:


10.1 Основные несущие конструкции






10.2 Вспомогательные конструкции






10.3 Монтажные элементы соединений






10.4 Высокопрочные метизы






10.5 Обычные метизы






11 Конструкции изготовлены из материала следующих предприятий


  

        




Предприятие-поставщик


Марка стали


Номера сертификатов

































































 









12 Для сварки применены:






а) сварочная проволока






б) флюс






в) защитные газы






г) электроды






13 Сварщики испытаны согласно






14 Сварные швы проверены






         

15  Ведомость отгрузки конструкций







Номер пункта


Наименование конструкции


Масса, т


Дата отгрузки


Номера вагонов, автомобилей


Номера заводских накладных















16  Приложения

1  Исполнительные КМД

2  Сводная ведомость сертификатов на материалы

3  Описи удостоверений сварщиков и газорезчиков

4  Ведомость результатов контроля качества стыковых сварных соединений

Примечание  - сертификаты на сталь, сварные и лакокрасочные материалы, а также протоколы испытаний электросварщиков хранятся на предприятии.



Представитель контролирующей

организации


Начальник ОТК

предприятия-изготовителя


Б.2  На промежуточный этап заказа

СЕРТИФИКАТ N

на металлические шпунтовые профили

по заказу N____от_____









1 Заказчик






2 Наименование объекта






3 Дата начала изготовления






4 Организация, выполнившая чертеж КМ, шифр проекта, номера чертежей






5 Организация, выполнившая деталировочные чертежи КМД, шифры и номера чертежей






6 Нормы на изготовление






7 Организация, утвердившая проект






8 Конструкции изготовлены из материала следующих предприятий






               




Предприятие-поставщик


Марка стали


Номера сертификатов



































































9 Для сварки применены:






а) сварочная проволока






б) флюс






в) защитные газы






г) электроды






10 Сварщики испытаны согласно






11 Стыковые сварные швы проверены






12 Ведомость отгрузки конструкций






          







Номер пункта


Наименование конструкций


Масса, т


Дата отгрузки


Номера вагонов


Номера накладных предприятия






















































Приложение:  исполнительные чертежи



Представитель контролируемой*

организации


Начальник ОТК

предприятия-изготовителя


_______________

*  Текст соответствует оригиналу. - Примечание изготовителя базы данных.

Библиография




[1]

СНиП II-23-81


Стальные конструкции. Нормы


[2]

СП 53-101-98


Изготовление и контроль качества стальных конструкций


[3]

СТО-ГК

"Трансстрой "-005-2007


Стальные конструкции мостов. Технология монтажной сборки


[4]

СТП-136-99


Специальные вспомогательные сооружения и устройства (СВСиУ) для строительства мостов


[5]

Технические условия погрузки и крепления грузов. МПС СССР, 1990


Электронный текст документа

подготовлен ЗАО "Кодекс" и сверен по:

официальное издание

М.: Стандартинформ, 2010

Предоставлено компанией МГК "Информпроект".




Хотите оперативно узнавать о новых публикациях нормативных документов на портале? Подпишитесь на рассылку новостей!

Все ГОСТы >>    ГОСТы «Металлопрокат, металлоконструкции, метизы, ковка, композитные материалы >>



Смотрите также: Каталог «Металлопрокат, металлоконструкции, метизы, ковка, композитные материалы» >>
Компании «Металлопрокат, металлоконструкции, метизы, ковка, композитные материалы» >>
Статьи (27) >>
ГОСТы (621) >>
СНиПы (7) >>
ВСН (3) >>
Подписка на рассылки >>
Задать вопрос в форуме >>
Форум "Металлопрокат, метизы, конструкции, ковка" >>
Форум "Нормативные документы по металлопрокату" >>
Форум "Ковка" >>
наверх