ГОСТ Р 53334-2009 Оборудование вакуумное. Насосы вакуумные пароструйные. Измерение рабочих характеристик. Часть 1. Измерение быстроты действия (скорости откачки)
|
ФЕДЕРАЛЬНОЕ АГЕНТСТВО |
||
|
|
НАЦИОНАЛЬНЫЙ |
ГОСТ Р |
Оборудование вакуумное
НАСОСЫ ВАКУУМНЫЕ ПАРОСТРУЙНЫЕ
Измерение рабочим характеристик
Часть 1
Измерение быстроты действия (спорости откачки)
ISO 1808-1:1993
Vapour vacuum pumps - Measurement of performance characteristics -
Part II. Measurement of volume rate of flow (pumping speed)
(MOD)
|
|
Москва |
Предисловие
Цели и принципы
стандартизации в Российской Федерации установлены Федеральным законом от 27
декабря
Сведения о стандарте
1. ПОДГОТОВЛЕН Открытым акционерным обществом «Вакууммаш» на основе собственного аутентичного перевода стандарта, указанного в пункте 4
2. ВНЕСЕН Техническим комитетом по стандартизации ТК 249 «Вакуумная техника»
3. УТВЕРЖДЕН И
ВВЕДЕН В ДЕЙСТВИЕ Приказом Федерального агентства по техническому регулированию
и метрологии от 4 марта
4. Настоящий стандарт является модифицированным по отношению к международному стандарту ИСО 1608-1:1993 «Паровые вакуумные насосы. Измерение рабочих характеристик. Часть 1. Измерение объемного расхода (скорости откачки)» (ISO 1608-1:1993 Vapour vacuum pumps - Measurement of performance characteristics. - Part 1: Measurement of volume rate of flow (pumping speed).
При этом дополнительные слова (фразы, показатели, их значения), включенные в текст стандарта для учета потребностей национальной экономики Российской Федерации и/или особенностей российской национальной стандартизации, выделены курсивом.
В стандарт дополнительно введен раздел 8 «Требования безопасности».
Наименование настоящего стандарта изменено относительно наименования указанного международного стандарта для приведения в соответствие с ГОСТ Р 1.5-2004 (пункт 3.5)
5. ВВЕДЕН ВПЕРВЫЕ
Информация об изменениях к настоящему стандарту публикуется в ежегодно издаваемом информационном указателе «Национальные стандарты», а текст изменений и поправок - в ежемесячно издаваемых информационных указателях «Национальные стандарты». В случае пересмотра (замены) или отмены настоящего стандарта соответствующее уведомление будет опубликовано в ежемесячно издаваемом информационном указателе «Национальные стандарты». Соответствующая информация, уведомление и тексты размещаются также в информационной системе общего пользования - на официальном сайте Федерального агентства по техническому регулированию и метрологии в сети Интернет
СОДЕРЖАНИЕ
|
|
НАЦИОНАЛЬНЫЙ СТАНДАРТ РОССИЙСКОЙ ФЕДЕРАЦИИ
|
Оборудование вакуумное НАСОСЫ ВАКУУМНЫЕ ПАРОСТРУЙНЫЕ Измерение рабочих характеристик Часть 1 Измерение быстроты действия (скорости откачки) Vacuum equipment. Vapour vacuum pumps. Measurement of performance characteristics. Part 1: Measurement of volume rate of flow (pumping speed) |
Дата введения - 2009-08-91
1. Область применения
Настоящий стандарт распространяется на пароструйные вакуумные насосы (далее - насосы) и устанавливает метод измерения быстроты действия этих насосов. Рассматриваемые насосы включают в себя три класса:
- диффузионные насосы;
- эжекторные насосы;
- бустерные насосы (т.е. насосы, способные работать как в молекулярном, так и в ламинарном режимах потока, сочетая свойства диффузионного и эжекторного насосов).
Перечисленные насосы могут работать с ловушкой(ами) или без нее (них).
2. Нормативные ссылки
В настоящем стандарте использованы нормативные ссылки на следующий стандарт:
ГОСТ Р 52615-2006 (ЕН 1012-2:1996) Компрессоры и вакуумные насосы. Требования безопасности. Часть 2. Вакуумные насосы
ГОСТ 5197-85 Вакуумная техника. Термины и определения
Примечание - При пользовании настоящим стандартом целесообразно проверить действие ссылочных стандартов в информационной системе общего пользования - на официальном сайте в сети Интернет или по ежегодно издаваемому информационному указателю «Национальные стандарты», который опубликован по состоянию на 1 января текущего года, и по соответствующим ежемесячно издаваемым информационным указателям, опубликованным в текущем году. Если ссылочный стандарт заменен (изменен), то при пользовании настоящим стандартом следует руководствоваться заменяющим (измененным) стандартом. Если ссылочный стандарт отменен без замены, то положение, в котором дана ссылка на него, применяется в части, не затрагивающей эту ссылку.
3. Термины и определения
В настоящем стандарте применены термины по ГОСТ 5197, а также следующие термины с соответствующими определениями:
3.1. измерительная камера; измерительный колпак (test header; test dome): Камера определенной формы и размеров, присоединенная к входу насоса, через которую измеряемый поток газа поступает в насос и которая оборудована средствами для измерения давления и потока газа.
3.2. предельное остаточное давление р0, Па (ultimate pressure): Давление, к которому асимптотически стремится давление в измерительной камере при отсутствии натекания газа и при нормально работающем насосе.
3,3. быстрота действия; скорость откачки S, м3/ч или л/с (volume rate of flow; pumping speed): Объем газа, проходящий через входное сечение насоса за единицу времени, измеренный при давлении в данном сечении,
Примечание - На практике быстроту действия данного насоса для данного газа определяют как отношение потока газа к давлению, измеренному в определенном сечении измерительной камеры и при определенных режимах работы, и вычисляют по формуле
|
|
(1) |
где Q - поток газа, м3·Па/с или лПа/с, или мм рт.ст;
рB - измеряемое давление, превышающее 10 р0, Па или мм рт.ст.
4. Аппаратура
4.1. Измерительная камера
4.1.1. Измерительная камера имеет цилиндрическую форму. Конструкция и размеры - в соответствии с рисунком 1.

* Соответствует присоединительному размеру вакуумметра.
1 - напускная трубка; 2 - патрубок для подсоединения вакуумметра
Примечание - Если внутренние части насоса выступают над фланцем (или плоскостью входа) насоса, то плоскость отсчета должна быть расположена в самой высокой точке этих внутренних частей, и на этой плоскости диаметр входного отверстия насоса определяет изготовитель.
Рисунок 1 - Измерительная камера
Осевой размер измерительной камеры равен 1,5 D (D - внутренний диаметр камеры). Поток напускаемого в измерительную камеру газа должен быть направлен по оси камеры в сторону, противоположную входному фланцу камеры, на расстоянии от него, равном диаметру камеры. Патрубок для подсоединения вакуумметра должен быть расположен на расстоянии 0,5 D от входного фланца камеры с осью, перпендикулярной к оси камеры. Рекомендуется использовать три патрубка для подсоединения вакуумметров.
Ось измерительной камеры должна быть перпендикулярна к плоскости входного фланца насоса. Внутренний диаметр измерительной камеры должен быть равен внутреннему диаметру входного отверстия насоса или входного отверстия любой присоединяемой ловушки.
4.1.2. Для насосов с диаметром входного фланца менее
4.1.3. Измерительная камера должна быть изготовлена из нержавеющей стали с полированными внутренними поверхностями.
Перед сборкой испытательной установки все поверхности, находящиеся в вакууме, должны быть очищены, обезжирены и обезвожены,
4.2. Вакуумметр
Вакуумметры, используемые для измерения давления в измерительной камере, должны иметь относительную погрешность, %, не более:
± 5 - при измерении давлений более 1 Па*;
± 10 - при измерении давлений в диапазоне от 1 до 10-6 Па*.
Примечание - С учетом различия государственной системы обеспечения единства измерений Российской Федерации и систем калибровки средств измерения (далее - СИ), принятой в странах ЕС, погрешность вакуумметров указана относительно образцового СИ первого разряда.
* 100 Па = 100 Н/м2 = 1 мбар; 1 Torr =
133,3 Па =
4.3. Напускаемый газ
При проведении испытаний следует использовать сухой воздух, если не оговорено применение иного газа.
4.4. Устройство для измерения потока газа
Устройства, используемые для измерения потоков газа, должны иметь относительную погрешность, %, не более:
± 3 - для потока более 9,9·10-1 Па·м3/с;
± 5 - для потока от 9,9·10-1 до 9,9·10-5 Па·м3/с;
± 10 - для потока менее 9,9·10-5 Па·м3/с.
5. Метод испытания
5.1. Принцип
Принятый метод представляет собой метод постоянного давления, при котором давление на входе в насос сохраняется постоянным в течение процесса измерения.
5.2. Порядок действия
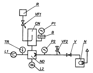
5.2.1. Для измерения быстроты действия вакуумного насоса применяют испытательную установку, схема которой представлена на рисунке 2.
5.2.2. Перед началом измерения должна быть проверена герметичность испытательной установки.
Допускаемый поток натекания из атмосферы Qдоп, л·Па/с, должен удовлетворять условию уравнения;
|
Qдоп ≤ 1·10-4 poSp |
(2) |
где Sp - расчетная быстрота действия насоса при давлении р0, л/с.
5.2.3. При проведении испытаний насос должен работать с установленной маркой рабочей жидкости соответствующего качества и количества и мощностью нагревателя, указанных изготовителем. Температура окружающего воздуха должна сохраняться ± 1°С на период испытаний и от 15°С до 25°С, если не указано иначе.
5.2.4. Измерительную камеру следует откачивать не менее часа, изолировав ее от системы напуска газа до тех пор, пока не прекратится дальнейшее падение давления в камере. Допускается откачивать измерительную камеру до давления, равного 0,1 рв (где pв - минимальное давление на входе в насос, с которого начинается определение быстроты действия). Затем следует напускать газ в измерительную камеру так, чтобы установилось требуемое давление (взятое как среднеарифметическое значение от показаний вакуумметров), причем установившееся давление должно быть достигнуто до начала измерения потока. Давление считают установившимся, если результаты трех последовательных измерений, проведенных с интервалом не менее 80 с, не отличаются более чем на 10%.
5.2.5. Быстроту действия насоса следует определять измерением потока газа при различных значениях давления на входе, проводя не менее пяти измерений в каждом десятичном диапазоне давлений (приблизительно для значений 1,8; 2,5; 4,0; 8,3 и 10). Измерения следует начинать с самого низкого давления.
5.2.6. В случае испытаний пароструйных бустерных насосов желательно провести соответствующую серию измерений, начиная с самого высокого давления.

CN - измерительная камера; ND - испытуемый насос; Р1, Р2 - вакуумметры; В - охлаждаемая ловушка; VF1, VF2 - клапаны-натекатвли; V - клапан; R - устройство для измерения потока; L1 - измеритель расхода воды; L2 - измеритель мощности; N - насос форвакуумный; TR - датчик измерения температуры
Рисунок 2 - Схема испытательной установки
5.2.7. Давление на входе и поток газа следует измерять одновременно. Если измерение потока газа занимает более 60 с, то измерение давления следует проводить каждые 80 с во время всего периода измерения потока газа и записывать только среднеарифметическое значение давления на входе. Если различие максимального и минимального значений давления на входе составит более 10 %, то измерения следует повторить.
6. Результаты испытаний
Зависимость между быстротой действия насоса S и давлением на входе в насос рв может быть изображена графически с использованием линейной ординаты для быстроты действия и логарифмической абсциссы для давления на участке от предельного остаточного давления до атмосферного или с использованием другого диапазона, соответствующего данной конструкции насоса. Зависимость между потоком газа и давлением на входе может быть также изображена графически с использованием логарифмической ординаты для потока газа и логарифмической абсциссы для давления на входе.
7. Отчет по испытаниям
Отчет должен включать в себя следующее:
- тип и условия работы всех используемых вакуумметров;
- тип испытуемого насоса;
- марку и количество рабочей жидкости пароструйного насоса;
- тип уплотнителя, используемого на входном фланце насоса;
- тип используемой(ых) ловушки(шек);
- тип и быстроту действия форвакуумного насоса;
- входные и выходные температуры охлаждающей воды пароструйного насоса или хладагента при испытаниях;
- расход охлаждающей воды;
- мощность нагревателя насоса;
- форвакуумное давление и тип вакуумметра, используемого для измерения;
- температуру окружающей среды, атмосферное давление;
- график зависимости между быстротой действия насоса и давлением на входе в насос или график зависимости между потоком газа и давлением на входе в насос.
8. Требования безопасности
При проведении испытаний необходимо соблюдать требования безопасности, предъявляемые к вакуумным насосам, которые изложены в ГОСТ Р 52615.
Ключевые слова: насосы вакуумные пароструйные, диффузионные насосы, эжекторные насосы, бустерные насосы, быстрота действия, измерительная камера, предельное остаточное давление, напускаемый газ, вакуумметр, устройство для измерения потока газа
Хотите оперативно узнавать о новых публикациях нормативных документов на портале? Подпишитесь на рассылку новостей!
