ГОСТ Р 50970-96 Технические средства организации дорожного движения. Столбики сигнальные дорожные. Общие технические требования. Правила применения
ГОСТ Р 50970-96
ГОСУДАРСТВЕННЫЙ СТАНДАРТ РОССИЙСКОЙ ФЕДЕРАЦИИ
ТЕХНИЧЕСКИЕ СРЕДСТВА
ОРГАНИЗАЦИИ ДОРОЖНОГО ДВИЖЕНИЯ
СТОЛБИКИ СИГНАЛЬНЫЕ ДОРОЖНЫЕ
ОБЩИЕ ТЕХНИЧЕСКИЕ ТРЕБОВАНИЯ.
ПРАВИЛА ПРИМЕНЕНИЯ
ГОССТАНДАРТ РОССИИ
Москва
Предисловие
1 РАЗРАБОТАН И ВНЕСЕН Техническим комитетом по стандартизации «Безопасность дорожного движения» (ТК 278).
2 ПРИНЯТ И ВВЕДЕН В ДЕЙСТВИЕ Постановлением Госстандарта России от 13 ноября 1996 г. № 621
3 Стандарт полностью соответствует требованиям Конвенции о дорожных знаках и сигналах (Вена 1968 г.) и Европейского соглашения, дополняющего эту конвенцию (Женева 1971 г.)
4 ВВЕДЕН ВПЕРВЫЕ
СОДЕРЖАНИЕ
ГОСТ Р 50970-96
ГОСУДАРСТВЕННЫЙ СТАНДАРТ РОССИЙСКОЙ ФЕДЕРАЦИИ
Технические средства организации дорожного движения
СТОЛБИКИ СИГНАЛЬНЫЕ ДОРОЖНЫЕ
Общие технические требования. Правила применения
Traffic control devices. Guide posts.
General technical requirements.
Application rules
Дата введения 1997-07-01
1 ОБЛАСТЬ ПРИМЕНЕНИЯ
Настоящий стандарт распространяется на столбики сигнальные дорожные, предназначенные для установки на автомобильных дорогах.
2 НАЗНАЧЕНИЕ И ТИПЫ СИГНАЛЬНЫХ СТОЛБИКОВ
2.1 Сигнальные столбики являются элементом обустройства дорог и предназначены для зрительного ориентирования участников дорожного движения.
2.2 Сигнальные столбики подразделяют на типы:
простые - корпус и опорная часть представляют монолитную конструкцию;
составные - корпус и опорная часть представляют самостоятельные конструкции, соединенные между собой при монтаже на дороге с помощью специальных удерживающих устройств различной конструкции.
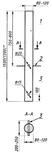
2.3 Форма и размеры простых сигнальных столбиков должны соответствовать указанным на рисунках 1 - 5, составных - на рисунках 6 - 8.
2.4 Простые сигнальные столбики изготавливают из:
железобетона - по размерам, указанным на рисунке 1;
дерева - по размерам, указанным на рисунке 2,
труб асбестоцементных или пластмассовых - по размерам, указанным на рисунке 3;
металла - по размерам, указанным на рисунке 4;
полос пластмассовых - по размерам, указанным на рисунке 5.
2.5 Составные сигнальные столбики изготавливают из пластических масс по размерам, указанным на рисунках 6 - 8.
2.6 Меньшие продольные размеры простых сигнальных столбиков, показанных на рисунках 1 - 5, соответствуют случаю их установки на дорогах с использованием анкерных устройств.
2.7 Поперечное сечение сигнальных столбиков может представлять собой прямоугольник, треугольник с закругленными углами, круг, кольцо или его часть.
Форма и размеры простых сигнальных столбиков
Рисунок 1
Рисунок 2
Рисунок 3
1 - корпус столбика; 2 - поверхность земли; 3 - анкерное устройство
* В скобках указаны размеры для случаев использования анкерных устройств.
Форма и размеры простых сигнальных столбиков
Рисунок 4
Рисунок 5
1 - корпус столбика; 2 - анкерное устройство; 3 - поверхность земли
Форма и размеры составных сигнальных столбиков
Рисунок 6
Рисунок 7
Рисунок 8
1 - корпус столбика; 2 - опорная часть с удерживающим устройством; 3 - поверхность земли
3 ТРЕБОВАНИЯ К КОРПУСУ СИГНАЛЬНЫХ СТОЛБИКОВ
3.1 Сигнальные столбики следует изготавливать в соответствии с требованиями настоящего стандарта по техническим документам на эти изделия.
3.2 Корпус столбика следует изготавливать из материалов белого цвета или окрашивать в белый цвет. На корпусе столбика должна быть нанесена вертикальная разметка, способствующая его видимости как в светлое, так и в темное время суток.
3.3 Сигнальные столбики следует изготавливать из материалов, обладающих ударопрочной вязкостью. Конструкция сигнального столбика должна быть достаточно прочной, обеспечивающей его сохранность при выполнении работ по его содержанию (мойка корпуса, замена световозвращателей и т.п.).
3.4 Сигнальные столбики должны обладать устойчивостью в вертикальном положении после их установки на автомобильной дороге, а в случае наезда транспортного средства обеспечивать разрушение, изгиб или отделение корпуса от опорной части, а также возможность быстрой его замены.
3.5 Для изготовления деревянных сигнальных столбиков следует применять лесоматериалы хвойных пород. Допускается изготавливать сигнальные столбики из древесины других пород дерева, в пределах районов их произрастания, при условии, что ее стойкость против загнивания и прочность на изгиб не ниже соответствующих показателей для хвойных пород.
3.6 Верхняя часть корпуса столбика, имеющего прямоугольное или треугольное поперечное сечение с закругленными углами, должна иметь скос под углом 30° в соответствии с рисунками 1, 4, 7.
4 ТРЕБОВАНИЯ К ВЕРТИКАЛЬНОЙ РАЗМЕТКЕ СТОЛБИКОВ
4.1 На поверхностях столбиков, обращенных в сторону приближающихся транспортных средств, наносят вертикальную разметку в виде черной полосы и световозвращателя.
4.2 На корпусе столбика, имеющего в верхней части скос, должна быть нанесена вертикальная разметка в виде наклонной полосы черного цвета шириной 150 - 250 мм. Угол ее наклона должен быть равен углу скоса верхней части столбика. Полосу наносят на расстоянии 150 мм от верхнего торца столбика, как показано на рисунке 9.
4.3 Верхняя часть столбика, имеющего в поперечном сечении круг, кольцо, дугу или прямоугольник, должна иметь вертикальную разметку в виде черной горизонтальной полосы шириной 100 мм, как показано на рисунке 10.
4.4 Вертикальная разметка должна также иметь прямоугольный или круглый световозвращатель, прикрепляемый к корпусу столбика с двух противоположных сторон. Столбики, применяемые на дорогах с разделительной полосой, могут иметь световозвращатель с одной стороны, направленной навстречу движущимся транспортным средствам. Цвет световозвращателей выбирают таким образом, чтобы водитель справа по ходу движения видел световозвращатели красного цвета, а слева - белого или желтого цвета, как показано на рисунках 9 и 10.
4.5 На сигнальных столбиках, имеющих скос верхней части, прямоугольные или круглые световозвращатели располагают в центре черной полосы, как показано на рисунке 9. На сигнальных столбиках, не имеющих скоса, световозвращатели располагают на расстоянии 100 мм от верха столбика по вертикальной оси, как показано на рисунке 10. Круглые световозвращатели устанавливают вертикально один над другим на расстоянии 100 мм друг от друга.
Рисунок 9
Рисунок 10
4.6 Для обеспечения видимости столбиков в темное время суток применяемые для изготовления световозвращателей пленочные материалы должны иметь удельный коэффициент силы света, значение которого не менее указанного в таблице 1, и коэффициент отражения, значение которого не менее указанного в таблице 2.
Таблица 1
|
Удельный коэффициент силы света, кд×лк-1×м-2, для |
||
|
знаков с равномерной укладкой стеклосфер в световозвращающей пленке, не менее |
знаков с ячеистой структурой световозвращаюшей пленки, не менее |
|
|
Красный |
10 |
25 |
|
Желтый |
35 |
120 |
|
Белый |
50 |
180 |
|
Примечание - Угол отклонения a = 20°, а угол освещения b = 5°. |
||
Таблица 2
|
Цвет световозвращателя |
Коэффициент отражения, %, не менее |
|
Красный |
5 |
|
Желтый |
27 |
|
Белый |
35 |
5 ТРЕБОВАНИЯ БЕЗОПАСНОСТИ К КОНСТРУКЦИИ СИГНАЛЬНЫХ СТОЛБИКОВ
5.1 Сигнальные столбики не должны наносить серьезных повреждений транспортному средству и травм участникам движения в случае наезда на них.
При выборе типа сигнальных столбиков следует отдавать предпочтение ударобезопасным пустотелым конструкциям, которые в момент наезда на них транспортного средства легко отделяются от удерживающего устройства основания.
5.2 Сигнальные столбики, изготовленные из железобетона или асбестоцементных труб, в целях снижения тяжести последствий при наезде на них должны иметь ослабленное сечение на уровне поверхности дороги в виде отверстий, либо должны быть приняты иные меры, обеспечивающие снижение разрушающего усилия у поверхности дороги.
6 ТРЕБОВАНИЯ К УСТОЙЧИВОСТИ ПРОТИВ ВОЗДЕЙСТВИЯ ВНЕШНИХ ФАКТОРОВ И К ОХРАНЕ ПРИРОДЫ
6.1 Рабочую поверхность деревянного сигнального столбика следует покрывать стойкими к воздействию внешних климатических факторов лакокрасочными материалами белого цвета, а наклонную или горизонтальную полосу вертикальной разметки - черного цвета.
6.2 При изготовлении деревянных столбиков следует выполнять работы по их защите от биологического разрушения. Нижнюю часть деревянных сигнальных столбиков необходимо покрывать горячим битумом на глубину их заделки в земляное полотно дороги.
6.3 Материал, из которого изготовлен сигнальный столбик, не должен выделять токсичные вещества в опасных для здоровья людей и природы концентрациях.
6.4 Сигнальные столбики, имеющие трубчатое сечение, необходимо изготавливать закрытыми сверху или устраивать в них на уровне земли отверстия диаметром 5 мм.
7 ПРАВИЛА ПРИМЕНЕНИЯ СИГНАЛЬНЫХ СТОЛБИКОВ
7.1 Сигнальные столбики следует применять на автомобильных дорогах в случаях, предусмотренных действующими строительными нормами и правилами.
7.2 Сигнальные столбики следует устанавливать в пределах неукрепленной части обочин на расстоянии 0,35 м от бровки земляного полотна, а на разделительной полосе - в соответствии с правилами размещения ограждений.
При установке столбика скос его верхней части и наклон черной полосы дневной разметки должны быть направлены в сторону проезжей части.
7.3 Возвышение сигнальных столбиков над поверхностью обочины или разделительной полосы должно составлять 0,75 - 0,80 м. Глубина заделки простых сигнальных столбиков в теле земляного полотна без применения фундамента должна составлять 0,7 м. В случае использования анкерных устройств глубина заделки может быть уменьшена до 0,5 м.
7.4 При установке сигнальных столбиков на прямолинейных участках дорог они должны быть размещены с левой и правой сторон в одном поперечном сечении.
Ключевые слова: столбики сигнальные дорожные, назначение, конструкция, вертикальная разметка, применение
Хотите оперативно узнавать о новых публикациях нормативных документов на портале? Подпишитесь на рассылку новостей!









