|
Рисунок А.29 - Накладки для врезных сувальдных замков, тип Н3
|
Исполнение I

Шурупы 3х(13-16) (2 шт.) - по ГОСТ 1145
|
Исполнение II

Шурупы 3х(13-16) (2 или 1 шт.) - по ГОСТ 1145
|
|
Исполнение III

|
Исполнение IV
Шурупы 3х(13-16) (2 шт.) - по ГОСТ 1145
|
Рисунок А.30 - Накладки для накладных цилиндров и сувальдных замков, тип Н4

Варианты исполнения рекомендуемые
|
А - А
Для механизмов с шрифтами
|
А - А
Для механизмов с пластинами
|
Вариант исполнения
* При открытом пазе в цилиндре.
Профиль ключа может быть изготовлен в зеркальном исполнении.
Нарезаемая часть ключа толщиной 1,4 мм может быть симметрична или асимметрична относительно оси ключа.
Рисунок А.31 - Ключ для цилиндрового механизма с односторонней нарезкой секторов, тип 3Ц1

Варианты исполнения (рекомендуемые)
 
Рисунок А.32 - Ключ для цилиндрового механизма с двусторонней нарезкой секторов, тип 3Ц2
 

* Допускается для стальных ключей
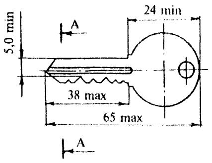
Рисунок А.33 - Ключ для врезного сувальдного замка, тип 3С1
 

* Допускается для стальных ключей
Рисунок А.34 - Ключ для врезного сувальдного замка, тип 3С2
ПРИЛОЖЕНИЕ Б
(обязательное)
Марки замков и защелок
Таблица Б.1
|
Тип замка
|
Марка замка
|
Типы, типоразмеры или исполнения комплектующих изделий
|
|
|
|
цилиндровый механизм
|
фалевая ручка
|
накладка
|
|
1
|
2
|
3
|
4
|
5
|
|
Замки врезные цилиндровые
|
|
|
ЗВ1-1
|
МЦ1-5
|
—
|
Н1-I
|
|
|
ЗВ1-2
|
МЦ1-6
|
—
|
Н1-I
|
|
|
ЗВ1-3
|
МЦ2-5
|
—
|
Н1-I
|
|
ЗВ1
|
ЗВ1-4
|
МЦ2-6
|
—
|
H1-I
|
|
|
ЗВ1-5
|
МЦ2-7
|
—
|
Н1-I
|
|
|
ЗВ1-6
|
МЦЗ-5
|
—
|
Н1-II
|
|
|
ЗВ1-7
|
МЦЗ-6
|
—
|
Н1-II
|
|
|
ЗВ1-8
|
МЦ4
|
—
|
Н2
|
|
Замки врезные цилиндровые с блокиратором
|
|
|
ЗВ2-1
|
МЦ1-5
|
—
|
|
|
|
ЗВ2-2
|
МЦ1-6
|
—
|
H1-I
|
|
|
ЗВ2-3
|
МЦ2-5
|
—
|
H1-I
|
|
ЗВ2
|
ЗВ2-4
|
МЦ2-6
|
—
|
H1-I
|
|
|
ЗВ2-5
|
МЦ2-7
|
—
|
H1-I
|
|
|
ЗВ2-6
|
МЦЗ-5
|
—
|
H1-I
|
|
|
ЗВ2-7
|
МЦЗ-6
|
—
|
Н1-II
|
|
|
ЗВ2-8
|
МЦ4
|
—
|
Н1-II
|
|
|
|
|
|
Н2
|
|
Замки врезные цилиндровые с защелкой и фалевыми ручками
|
|
|
ЗВ4-1
|
МЦ1-5
|
РФ1-I-55
|
—
|
|
|
ЗВ4-2
|
МЦ1-5
|
РФ4
|
H1-I
|
|
|
ЗВ4-3
|
МЦ1-6
|
РФ1-I-55
|
—
|
|
|
ЗВ4-4
|
МЦ1-6
|
РФ4
|
H1-I
|
|
|
ЗВ4-5
|
МЦ2-5
|
РФ1-I-55
|
—
|
|
|
ЗВ4-6
|
МЦ2-6
|
РФ4
|
H1-I
|
|
ЗВ4
|
ЗВ4-7
|
МЦ2-6
|
РФ1-I-55
|
—
|
|
|
ЗВ4-8
|
МЦ2-6
|
РФ4
|
H1-I
|
|
|
ЗВ4-9
|
МЦ2-7
|
РФ1-I-55
|
—
|
|
|
ЗВ4-10
|
МЦ2-7
|
РФ4
|
H1-I
|
|
|
ЗВ4-11
|
МЦЗ-5
|
РФ1-II-55
|
—
|
|
|
ЗВ4-12
|
МЦЗ-5
|
РФ4
|
HI-II
|
|
|
ЗВ4-13
|
МЦЗ-6
|
РФ1-II-55
|
—
|
|
|
ЗВ4-14
|
МЦЗ-6
|
РФ4
|
H1-I1
|
|
|
ЗВ4-15
|
МЦ4
|
РФ4
|
Н2
|
|
Замки врезные цилиндровые с фиксатором
|
|
|
ЗВ5-1
|
МЦ1-5
|
—
|
H1-I
|
|
|
ЗВ5-2
|
МЦ1-6
|
—
|
H1-I
|
|
|
ЗВ5-3
|
МЦ2-5
|
—
|
H1-I
|
|
ЗВ5
|
ЗВ5-4
|
МЦ2-6
|
—
|
H1-I
|
|
|
ЗВ5-5
|
МЦ2-7
|
—
|
H1-I
|
|
|
ЗВ5-6
|
МЦЗ-5
|
—
|
H1-II
|
|
|
ЗВ5-7
|
МЦЗ-6
|
—
|
H1-II
|
|
|
ЗВ5-8
|
МЦ4
|
—
|
Н2
|
|
Замки врезные цилиндровые с защелкой и фалевыми ручками с вводом защелки от ключа
|
|
|
ЗВ7-1
|
МЦ1-5
|
РФ1-I-72
|
—
|
|
|
ЗВ7-2
|
МЦ1-5
|
РФ4
|
H1-I
|
|
|
ЗВ7-3
|
МЦ1-6
|
РФ1-I-72
|
—
|
|
|
ЗВ7-4
|
МЦ1-6
|
РФ4
|
H1-I
|
|
|
ЗВ7-5
|
МЦ2-5
|
РФ1-I-72
|
—
|
|
|
ЗВ7-6
|
МЦ2-5
|
РФ4
|
H1-I
|
|
ЗВ7
|
ЗВ7-7
|
МЦ2-6
|
РФ1-I-72
|
—
|
|
|
ЗВ7-8
|
МЦ2-6
|
РФ4
|
H1-I
|
|
|
ЗВ7-9
|
МЦ2-7
|
РФ1-I-72
|
—
|
|
|
ЗВ7-10
|
МЦ2-7
|
РФ4
|
H1-I
|
|
|
ЗВ7-11
|
МЦЗ-5
|
РФ1-II-72
|
—
|
|
|
ЗВ7-12
|
МЦЗ-5
|
РФ4
|
H1-II
|
|
|
ЗВ7-13
|
МЦЗ-6
|
РФ1-II-72
|
—
|
|
|
ЗВ7-14
|
МЦЗ-6
|
РФ4
|
H1-II
|
|
|
ЗВ7-15
|
МЦ4
|
РФ4
|
Н2
|
|
Замки врезные сувальдные
|
|
3В8
|
ЗВ8-4
|
—
|
—
|
НЗ
|
|
|
ЗВ8-6
|
—
|
—
|
НЗ
|
|
Замки врезные сувальдные с защелкой и фалевыми ручками
|
|
|
ЗВ9-4-1
|
—
|
РФ2
|
—
|
|
ЗВ9
|
ЗВ9-4-2
|
—
|
РФ4
|
НЗ
|
|
|
ЗВ9-6-1
|
—
|
РФ2
|
—
|
|
|
ЗВ9-6-2
|
—
|
РФ4
|
НЗ
|
|
Замки врезные сувальдные с фиксатором
|
|
ЗВ10
|
ЗВ10-4
|
—
|
—
|
НЗ
|
|
|
ЗВ10-6
|
—
|
—
|
НЗ
|
|
Замки врезные с цилиндровым и 6-сувальдным механизмом,
защелкой и фалевыми ручками
|
|
|
ЗВ13-6-1
|
МЦ1-5
|
РФЗ-I
|
—
|
|
|
ЗВ13-6-2
|
МЦ1-6
|
РФЗ-I
|
—
|
|
|
ЗВ13-6-3
|
МЦ2-5
|
РФЗ-I
|
—
|
|
ЗВ13
|
ЗВ13-6-4
|
МЦ2-6
|
РФЗ-I
|
—
|
|
|
ЗВ13-6-5
|
МЦ2-7
|
РФЗ-I
|
—
|
|
|
3В13-6-6
|
МЦЗ-5
|
РФЗ-II
|
—
|
|
|
ЗВ13-6-7
|
МЦЗ-6
|
РФЗ-II
|
|
|
Замки накладные цилиндровые
|
|
|
ЗН1-1
|
МЦ8-5
|
—
|
H4-I
|
|
|
ЗН1-2
|
МЦ8-6
|
—
|
H4-I
|
|
|
ЗН1-3
|
МЦ9-6
|
—
|
H4-II
|
|
ЗН1
|
ЗН1-4
|
МЦ9-7
|
|
H4-II
|
|
|
ЗН1-5
|
МЦ10-5
|
—
|
H4-III
|
|
|
ЗН1-6
|
МЦ10-6
|
—
|
H4-III
|
|
|
ЗН1-7
|
МЦ10-7
|
—
|
H4-III
|
|
|
ЗН1-8
|
МЦ11
|
—
|
—
|
|
Замки накладные цилиндровые с защелкивающимся засовом
|
|
|
ЗН2-1
|
МЦ8-5
|
—
|
H4-I
|
|
|
ЗН2-2
|
МЦ8-6
|
—
|
H4-I
|
|
|
ЗН2-3
|
МЦ9-6
|
—
|
H4-II
|
|
ЗН2
|
ЗН2-4
|
МЦ9-7
|
—
|
H4-II
|
|
|
ЗН2-5
|
МЦ10-5
|
—
|
Н4-III
|
|
|
ЗН2-6
|
МЦ10-6
|
—
|
H4-III
|
|
|
ЗН2-7
|
МЦ10-7
|
—
|
H4-III
|
|
|
ЗН2-8
|
МЦ11
|
—
|
—
|
|
Замки накладные цилиндровые с защелкой
|
|
|
ЗНЗ-1
|
МЦ8-5
|
—
|
H4-I
|
|
|
ЗНЗ-2
|
МЦ8-6
|
—
|
H4-I
|
|
|
ЗНЗ-3
|
МЦ9-6
|
—
|
H4-II
|
|
ЗНЗ
|
ЗНЗ-4
|
МЦ9-7
|
—
|
H4-II
|
|
|
ЗНЗ-5
|
МЦ10-5
|
—
|
H4-III
|
|
|
ЗНЗ-6
|
МЦ10-6
|
—
|
H4-III
|
|
|
ЗНЗ-7
|
МЦ10-7
|
—
|
H4-III
|
|
|
ЗНЗ-8
|
МЦ11
|
—
|
—
|
|
Замки накладные сувальдные
|
|
ЗН4
|
ЗН4
|
—
|
—
|
H4-IV
|
Таблица Б.2
|
Тип защелки
|
Марка защелки
|
Типы и типоразмеры комплектующих изделий
|
|
|
|
корпус защелки
|
фалевая ручка или ручка-кнопка
|
|
Защелки врезные с фалевыми ручками
|
|
ЗЩ1
|
ЗЩ1-1
ЗЩ1-2
ЗЩ1-3
ЗЩ1-4
|
ЗЩ1-45
ЗЩ1-45
ЗЩ1-55
ЗЩ1-55
|
РФ4
РФ5
РФ4
РФ5
|
|
Защелки врезные с фалевыми ручками с механизмом дополнительного запирания
|
|
ЗЩ1Д
|
ЗЩ1Д-1
ЗЩ1Д-2
ЗЩ1Д-3
ЗЩ1Д-4
|
ЗШ1Д-45 ЗЩ1Д-45 ЗЩ1Д-55 ЗЩ1Д-55
|
РФ4
РФ5
РФ4
РФ5
|
|
Защелки врезные с ручками-кнопками
|
|
ЗЩ2
|
ЗЩ2-1
ЗЩ2-2
|
ЗЩ2-55
ЗЩ2-60
|
РК4
РК4
|
|
Защелки врезные с ручками-кнопками с механизмом дополнительного запирания
|
|
ЗЩ2Д
|
ЗЩ2Д-1
ЗЩ2Д-2
|
ЗЩ2Д-55
ЗЩ2Д-60
|
РК4
РК4
|
|
Защелки врезные нерегулируемые
|
|
ЗЩЗ
|
ЗЩЗ
|
—
|
—
|
|
Защелки врезные регулируемые
|
|
ЗЩ4
|
ЗЩ4
|
—
|
—
|
ПРИЛОЖЕНИЕ В
(рекомендуемое)
Запорные планки для замков типов 3В4, 33В5, 3В7, 3В9, 3В10


|
Для замков типа 3В7
Рисунок В.1
|
Рисунок В.2
|
Содержание
1 Область применения
2 Нормативные ссылки
3 Классы, основные параметры и размеры
4 Технические требования
5 Правила приемки
6 Методы контроля
7 Транспортирование и хранение
8 Гарантии изготовителя
Приложение А Замки
Приложение Б Марки замков и защелок
Приложение В Запорные планки для замков типов ЗВ4, ЗВ5, ЗВ7, ЗВ9, ЗВ10
УДК 683.338.2:006.354 ОКС 77.140 Ж34 ОКСТУ 4981
|