ГОСТ Р 50273-92 Гайки шестигранные самостопорящиеся с неметаллической вставкой. Классы прочности 5, 8, 10. Технические условия
ГОСУДАРСТВЕННЫЙ СТАНДАРТ РОССИЙСКОЙ ФЕДЕРАЦИИ
|
ГАЙКИ ШЕСТИГРАННЫЕ САМОСТОПОРЯЩИЕСЯ С НЕМЕТАЛЛИЧЕСКОЙ ВСТАВКОЙ |
ГОСТ Р |
|
Классы прочности 5, 8 и 10 Технические условия |
|
|
Prevailing torque type hexagon nuts (with non-metallic insert). Property classes 5, 8 and 10. Specifications |
Дата введения 1994-01-01
Предисловие
1 ПОДГОТОВЛЕН И ВНЕСЕН Техническим комитетом по стандартизации ТК 229 «Крепежные изделия»
2 УТВЕРЖДЕН И ВВЕДЕН В ДЕЙСТВИЕ Постановлением Госстандарта России от 16 сентября 1992 г. № 1184
Настоящий стандарт подготовлен методом прямого применения международного стандарта ИСО 7040-83 «Гайки шестигранные с преобладающим крутящим моментом (с неметаллической вставкой). Тип 1. Классы прочности 5, 8 и 10» с дополнительными требованиями, отражающими потребности народного хозяйства
3 ВВЕДЕН ВПЕРВЫЕ
4 ПЕРЕИЗДАНИЕ
1 Настоящий стандарт распространяется на шестигранные самостопорящиеся гайки с неметаллической вставкой номинальным диаметром резьбы от 3 до 36 мм (далее - гайки), классов точности А (d < М16) и B(d > М16).
Требования настоящего стандарта являются обязательными.
Дополнительные требования, отражающие потребности народного хозяйства, приведены в приложении.
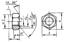
2 Конструкция и размеры гаек должны соответствовать указанным на рисунке и таблице 1.

1 - стопорящий элемент (допускаются различные варианты исполнения)
В миллиметрах
|
Резьба d |
М3 |
М4 |
М5 |
М6 |
М8 |
М10 |
М12 |
(М14)1) |
М16 |
М20 |
М24 |
М30 |
М36 |
|
|
P2) |
0,5 |
0,7 |
0,8 |
1 |
1,25 |
1,5 |
1,75 |
2 |
2 |
2,5 |
3 |
3,5 |
4 |
|
|
da |
не менее |
3 |
4 |
5 |
6 |
8 |
10 |
12 |
14 |
16 |
20 |
24 |
30 |
36 |
|
не более |
3,45 |
4,60 |
5,75 |
6,75 |
8,75 |
10,80 |
13,00 |
15,10 |
17,30 |
21,60 |
25,90 |
32,40 |
38,90 |
|
|
dw |
не менее |
4,6 |
5,9 |
6,9 |
8,9 |
11,6 |
14,6 |
16,6 |
19,6 |
22,5 |
27,7 |
33,2 |
42,7 |
15,1 |
|
e |
не менее |
6,01 |
7,66 |
8,79 |
11,95 |
14,38 |
17,77 |
20,03 |
23,35 |
26,75 |
32,95 |
39,55 |
50,85 |
60,79 |
|
h, |
не более |
4,5 |
6 |
6,8 |
8 |
9,5 |
11,9 |
14,9 |
17 |
19,1 |
22,8 |
27,1 |
32,6 |
38,9 |
|
m3) |
не менее |
2,15 |
2,9 |
4,4 |
4,9 |
6,44 |
8,04 |
10,37 |
12,1 |
14,1 |
16,9 |
20,2 |
24,3 |
29,4 |
|
m'4) |
не менее |
1,65 |
2,2 |
2,75 |
3,3 |
4,4 |
5,5 |
6,6 |
7,7 |
8,8 |
11 |
13,2 |
16,5 |
19,8 |
|
S |
не более |
5,5 |
7 |
8 |
10 |
13 |
16 |
18 |
21 |
24 |
30 |
36 |
46 |
55 |
|
не менее |
5,32 |
6,78 |
7,78 |
9,78 |
12,73 |
15,73 |
17,73 |
20,67 |
23,67 |
29,16 |
35 |
45 |
53,8 |
|
|
1) Размеры гаек, заключенные в скобки, применять не рекомендуется. 2) P - шаг резьбы. 3) m - минимальная длина резьбы, равная высоте шестигранника. 4) m' - минимальная высота под ключ. |
||||||||||||||
3 Технические требования по таблице 2
|
Гайка |
Типы |
NF (нормальное трение), LF (пониженное трение) |
|
Государственный стандарт |
ГОСТ Р 50271 |
|
|
Материал |
Корпус гайки |
Сталь |
|
Государственный стандарт |
ГОСТ Р 50271 |
|
|
Вставка |
Полиамид или другой материал |
|
|
Государственный стандарт |
ГОСТ Р 50271 |
|
|
Резьба |
Поле допуска |
6Н |
|
Государственный стандарт |
ГОСТ 16093, ГОСТ 24705 |
|
|
Механические свойства |
Класс прочности |
5, 8 и 10 |
|
Государственный стандарт |
ГОСТ Р 50271 |
|
|
Преобладающий крутящий момент и другие требования1) |
Государственный стандарт |
ГОСТ Р 50271 |
|
Допуски |
Класс точности |
для d ≤ M16-А для d > М16-B |
|
Государственный стандарт |
ГОСТ 1759.1 |
|
|
Поверхность изделия |
Покрытие |
ГОСТ 1759.0, ГОСТ Р 50271 |
|
Приемка |
|
ГОСТ 17769 |
|
1) Смазка допускается в соответствии с требованиями ГОСТ Р 50271. |
||
Пример условного обозначения гайки диаметром резьбы d = 12 мм, с крупным шагом резьбы с полем допуска 6Н, класса прочности 5, типа NF:
Гайка M12 - 6H.5.NF ГОСТ Р 50273-92.
ПРИЛОЖЕНИЕ
(справочное)
Дополнительные требования, отражающие потребности народного хозяйства
Допускается изготавливать гайки:
- класса прочности 6;
- с резьбой M8×1, M10×1,25, M10×1, M12×1,25, M14×1,5, М16×1,5;
- с размерами, указанными в таблице 3.
В миллиметрах
|
Резьба d |
М10 |
М12 |
М14 |
|
e, не менее |
18,9 |
21,1 |
24,5 |
|
dw, не менее |
15,3 |
17,2 |
20,2 |
|
S |
17 |
19 |
22 |
ИНФОРМАЦИОННЫЕ ДАННЫЕ
ССЫЛОЧНЫЕ НОРМАТИВНО-ТЕХНИЧЕСКИЕ ДОКУМЕНТЫ
|
Обозначение НТД, на который дана ссылка |
Номер пункта |
|
ГОСТ 1759.0-87 |
|
|
ГОСТ 1759.1-82 |
|
|
ГОСТ 16093-2004 |
|
|
ГОСТ 17769-83 |
|
|
ГОСТ 24705-2004 |
|
|
ГОСТ Р 50271-92 |
Хотите оперативно узнавать о новых публикациях нормативных документов на портале? Подпишитесь на рассылку новостей!
Все ГОСТы >> ГОСТы «Металлопрокат, металлоконструкции, метизы, ковка, композитные материалы >>