ГОСТ 30777-2001 Устройства поворотные, откидные и поворотно-откидные для оконных и балконных дверных блоков. Технические условия

ГОСТ 30777-2001

Группа Ж34

МЕЖГОСУДАРСТВЕННЫЙ СТАНДАРТ


УСТРОЙСТВА ПОВОРОТНЫЕ, ОТКИДНЫЕ И ПОВОРОТНО-ОТКИДНЫЕ

ДЛЯ ОКОННЫХ И БАЛКОННЫХ ДВЕРНЫХ БЛОКОВ

Технические условия

Turned, reclined and turned-reclined devices for windows

and balcony doors. Specifications

ОКС 91.060.50

ОКП 49 8460

Дата введения 2002-10-01

     

     

Предисловие

1  РАЗРАБОТАН ФГУП "Центральное проектно-конструкторское и технологическое бюро" (ФГУП "ЦПКТБ"), Центром по сертификации оконной и дверной техники с участием ЗАО "Т.Б.М." и фирмы "Siegenia-Frank KG"

ВНЕСЕН  Госстроем России

2  ПРИНЯТ Межгосударственной научно-технической комиссией по стандартизации, техническому нормированию и сертификации в строительстве (МНТКС) 5 декабря 2001 г.

За  принятие проголосовали:



Наименование государства


Наименование органа государственного управления строительством


Азербайджанская Республика


Госстрой Азербайджанской Республики


Республика Армения


Министерство градостроительства Республики Армения


Республика Казахстан


Казстройкомитет Республики Казахстан


Республика Молдова


Министерство экологии и благоустройства территорий Республики Молдова


Российская Федерация


Госстрой России


Республика Таджикистан


Комархстрой Республики Таджикистан


Республика Узбекистан


Госархитектстрой Республики Узбекистан


3  ВВЕДЕН ВПЕРВЫЕ

4  ВВЕДЕН В ДЕЙСТВИЕ с 1 октября 2002 г. в качестве государственного стандарта Российской Федерации постановлением Госстроя России от 7 мая 2002 г. N 19

     1 Область применения

Настоящий  стандарт распространяется на устройства поворотные, откидные и поворотно-откидные (далее - изделия) для оконных и балконных дверных блоков, применяемых в строительстве жилых и общественных зданий.

Стандарт  не распространяется на изделия, устанавливаемые на оконные и балконные дверные блоки специального назначения (противовзломные, противопожарные и др.).

Требования  настоящего стандарта являются обязательными (кроме оговоренных в тексте стандарта как рекомендуемые или справочные).

Стандарт  может быть применен для сертификации изделий.

     2 Нормативные ссылки

В  настоящем стандарте использованы ссылки на следующие стандарты:

ГОСТ  9.032-74 ЕСЗКС. Покрытия лакокрасочные. Группы. Технические требования и обозначения

ГОСТ  9.104-79 ЕСЗКС. Покрытия лакокрасочные. Группы условий эксплуатации

ГОСТ  9.301-86 ЕСЗКС. Покрытия металлические и неметаллические неорганические. Общие требования

ГОСТ  9.303-84 ЕСЗКС. Покрытия металлические и неметаллические неорганические. Общие требования к выбору

ГОСТ  9.308-85 ЕСЗКС. Покрытия металлические и неметаллические неорганические. Методы ускоренных коррозионных испытаний

ГОСТ  9.401-91 ЕСЗКС. Покрытия лакокрасочные. Общие требования и методы ускоренных испытаний на стойкость к воздействию климатических факторов

ГОСТ  9.402-80 ЕСЗКС. Покрытия лакокрасочные. Подготовка металлических поверхностей перед окрашиванием

ГОСТ  538-2001 Изделия замочные и скобяные. Общие технические условия

ГОСТ  1050-88 Прокат сортовой, калиброванный, со специальной отделкой поверхности из углеродистой качественной конструкционной стали. Общие технические условия

ГОСТ  1583-93 Сплавы алюминиевые литейные. Технические условия

ГОСТ  5949-75 Сталь сортовая и калиброванная коррозионно-стойкая, жаростойкая и жаропрочная. Технические требования

ГОСТ  15140-78 Материалы лакокрасочные. Методы определения адгезии

ГОСТ  15150-69 Машины, приборы и другие технические изделия. Исполнения для различных климатических районов. Категории, условия эксплуатации, хранения и транспортирования в части воздействия климатических факторов внешней среды

ГОСТ  16338-85 Полиэтилен низкого давления. Технические условия

ГОСТ  17711-93 Сплавы медно-цинковые (латуни) литейные. Марки

ГОСТ  19424-74 Сплавы цинковые литейные в чушках. Технические условия

ГОСТ  19459-87 Сополимеры полиамида литьевые. Технические условия

ГОСТ  23166-99 Блоки оконные. Общие технические условия

ГОСТ  25140-82 Сплавы цинковые литейные. Марки

    

       

     3 Определения

В  настоящем стандарте использованы следующие термины с соответствующими определениями.

Устройство  поворотное - устройство, обеспечивающее открывание и закрывание створки оконного блока (полотна балконного дверного блока) относительно вертикальной оси, а также ее (его) фиксацию в закрытом положении.

Устройство  откидное - устройство, обеспечивающее откидывание (открывание) и закрывание створки (полотна) относительно нижней горизонтальной оси, а также ее (его) фиксацию в закрытом положении.

Устройство  поворотно-откидное - устройство, обеспечивающее открывание и закрывание створки (полотна) как относительно вертикальной, так и нижней горизонтальной оси, а также ее (его) фиксацию в закрытом положении.

Устройство  поворотное (откидное, поворотно-откидное) с функцией регулируемого проветривания - устройство, позволяющее дополнительно устанавливать и фиксировать створку (полотно) на различные углы для обеспечения различных режимов проветривания помещения.

Устройство  поворотное (откидное, поворотно-откидное) с функцией щелевого проветривания - устройство, позволяющее устанавливать и фиксировать створку в положении щелевого проветривания (свободный зазор под наплавом - не более 10 мм), но не обеспечивающее регулирование угла открывания.

Зацеп  - подвижный элемент устройства, входящий в запорную (ответную) планку при закрывании створки (полотна) и обеспечивающий прилегание створки (полотна) к коробке и ее (его) фиксацию.

Ножницы  - механизм подвижной связи устройства, обеспечивающий откидывание створки на определенный угол и ее фиксацию в заданном положении.

Цикл  испытания поворотного устройства - последовательность операций, включающих в себя перемещение ручки из положения "закрыто" в положение "открыто", открытие створки на угол не менее 60°, возвращение створки в исходное положение, перемещение ручки из положения "открыто" в положение "закрыто".

Цикл  испытания откидного устройства аналогичен циклу испытания поворотного устройства, при этом откидывание створки производят на угол не менее 10°.

Полный  цикл испытания поворотно-откидного устройства включает цикл испытания поворотного устройства и цикл испытания откидного устройства.

     4 Классификация, типы и условные обозначения

4.1  В зависимости от способа открывания изделия подразделяют на:

откидные  - УО;

поворотные  - УП;

поворотно-откидные  - УПО.

Схемы  способов открываний устройств приведены в приложении А.

4.2  Изделия предназначены для оконных и дверных балконных блоков из различных материалов:

деревянных  - Д;

поливинилхлоридных  профилей - П;

алюминиевых  профилей (сплавов) - А;

стальных  - СТ;

стеклопластиковых  - Ф;

деревоалюминиевых  - ДА;

деревополивинилхлоридных  - ДП и т.п.

Примеры  поворотных, откидных, поворотно-откидных устройств и их основные узлы и детали приведены в приложении Б.

4.3  В зависимости от массы открываемых створок (полотен) изделия подразделяют на классы:








I -

для створок (полотен) массой


до 50 кг


включ.;




II -

  "          "            "                "

от 51 до 80 кг


       ";




III -

  "          "            "                "

 "   81  " 130 кг


       ".


Примечание  - Изделия для оконных и балконных дверных блоков массой свыше 130 кг относятся к изделиям специального назначения.

4.4  Изделия по конструкции узла открывания (откидывания) подразделяют:

без  устройства регулирования на заданный угол открывания (откидывания);

со  встроенным устройством регулирования на заданный угол открывания (откидывания) - Р;

без  устройства регулирования на заданный угол открывания, но имеющие устройство для щелевого проветривания - Щ.

4.5  В зависимости от направления открывания створки оконного блока (полотна балконного дверного блока) изделия могут быть левого (Л) или правого (П) исполнения. Изделиям (отдельным элементам изделий) универсального применения обозначение не присваивают.

4.6  Изделия могут быть использованы в различных климатических зонах в соответствии с нормами строительной климатологии.

Исполнение,  категории, условия эксплуатации, хранения и транспортирования изделий в части воздействия климатических факторов - по ГОСТ 15150.

4.7  Условное обозначение изделий должно включать:

обозначение  способа открывания - по 4.1;

обозначение  материала, из которого изготавливают оконные и балконные дверные блоки, - по 4.2;

исполнение  изделия - по 4.5;

обозначение  устройства регулирования на заданный угол открывания (откидывания) - по 4.4;

класс  изделия - по 4.3;

максимальные  габариты открывающейся створки (полотна) (высота, ширина) в дециметрах - по конструкторской документации;

обозначение  настоящего стандарта.

Пример  условного обозначения устройства поворотно-откидного для оконного блока из поливинилхлоридного профиля, левого исполнения, с устройством регулирования угла открывания, для створки массой 80 кг и размерами 1300х1500 мм:

УПО-П-Л-Р-II - 13-15 ГОСТ 30777-2001.

Условные  обозначения изделий, выпускаемых по индивидуальным заказам, допускается устанавливать в нормативной документации (далее - НД) на конкретные изделия.

     5 Технические требования

5.1  Общие требования

5.1.1  Изделия должны соответствовать требованиям настоящего стандарта, ГОСТ 538 и изготавливаться по конструкторской и технологической документации, утвержденной в установленном порядке.

5.1.2  Поворотно-откидное устройство в общем случае включает в себя тяговый запирающий механизм, управляемый единой ручкой, механизм подвижной связи створки и коробки (ножницы) с ограничителем угла откидывания, а также петли (одна из которых комбинированная).

Поворотные  и откидные устройства включают в себя соответствующие узлы поворотно-откидных устройств.

Примеры  изделий, их основные узлы и детали приведены в приложении Б.

5.2  Размеры и предельные отклонения

5.2.1  Размеры изделий устанавливают в рабочих чертежах.

Предельные  отклонения сопрягаемых и несопрягаемых размеров изделий - по ГОСТ 538.

5.2.2  Контролируемые размеры деталей изделий устанавливают в технологической документации.

5.2.3  Число точек запирания по периметру створки (полотна) устанавливают в зависимости от их размеров, при этом рекомендуемое расстояние между точками запирания должно быть не более 700 мм, а от углов - не более 300 мм.

5.2.4  Зацепы при фиксировании створки в закрытом положении должны заходить в запорные (ответные) планки не менее чем на 4 мм по высоте, а в направлении перемещения - не менее чем на полную ширину (диаметр) зацепа. Засовы тяг должны заходить в запорные планки не менее чем на 8 мм по высоте.

5.3  Требования к конструкции

5.3.1  Конструкция зацепов (засовов) и запорных (ответных) планок должна обеспечивать возможность регулировки прилегания створки (полотна) к коробке.

5.3.2  Подвижные детали изделий должны перемещаться без заеданий.

5.3.3  Конструкция разъемных соединений изделий должна исключать возможность их самопроизвольного разъединения после их установки на оконный (дверной балконный) блок.

5.3.4  Конструкции изделий должны обеспечивать возможность их замены и регулировки в процессе эксплуатации.

5.3.5  Конструкции изделий должны обеспечивать надежную фиксацию створки (полотна) в режиме проветривания (открывание, откидывание на угол не более 10° - рекомендуемое), если это предусмотрено конструкцией.

Конструкция  откидного устройства должна предусматривать режим откидывания створки на угол не менее 120° и ее фиксацию в этом положении для обеспечения свободного доступа из помещения к наружной стороне створки (в том числе для промывки стекол).

5.3.6  Конструкция ручки для поворотных, откидных и поворотно-откидных устройств должна обеспечивать фиксацию ручки в положениях "открыто", "откинуто", "закрыто", а также в положениях для проветривания.

5.3.7  Подвижный элемент углового соединителя должен состоять не менее чем из двух гибких пластин. Допускаются другие конструкции элемента, обеспечивающие надежную работу изделия.

5.3.8  Рекомендуется применение конструкций петель, обеспечивающих регулировку положения створки (полотна) по отношению к коробке в двух или трех плоскостях не менее чем на 2 мм в одной, двух или трех плоскостях.

5.3.9  Конструкция поворотно-откидного устройства должна исключать возможность одновременного открывания и откидывания створки (полотна).

5.3.10  Конструкции изделий должны обеспечивать надежное крепление деталей и узлов к створкам (полотнам) и коробкам.

5.4  Требования к надежности и сопротивлению нагрузкам

5.4.1  При испытании на безотказность изделия должны выдерживать не менее 20000 циклов открывания-закрывания створки (полотна).

5.4.2  Изделия должны выдерживать статическую нагрузку 500 Н, прикладываемую поочередно к каждой точке запирания и петлям закрытой створки, перпендикулярно плоскости створки в сторону ее открывания, в течение не менее 5 мин.

5.4.3  Поворотные и поворотно-откидные устройства должны выдерживать статическую нагрузку 1000 Н, приложенную в плоскости створки (полотна), открытой (повернутой) на угол 90°, в течение не менее 5 мин.

5.4.4  Откидные и поворотно-откидные устройства должны выдерживать статическую нагрузку 500 Н, приложенную вертикально вниз, к центру верхнего края створки, откинутой на максимальный угол, в течение не менее 5 мин.

5.4.5  Изделия должны выдерживать статическую нагрузку 500 Н, приложенную к ручке на расстоянии 50 мм от ее оси в сторону открывания створки (полотна), ручка - в положении "закрыто", в течение не менее 1 мин.

5.4.6  Крепление зацепа должно быть прочным и выдерживать нагрузку 500 Н, приложенную к зацепу в соответствии с рисунком В.6 приложения В, в течение не менее 1 мин.

5.4.7  Петли поворотно-откидных устройств должны выдерживать статические нагрузки в соответствии с требованиями таблиц 1, 2 и согласно рисункам В.1, В.2 приложения В.

Таблица 1 - Значения статических нагрузок, прикладываемых к верхней петле, в зависимости от массы створки оконного блока и полотна балконного дверного блока





Масса створки оконного

блока, кг


Нагрузка, Н


Масса полотна балконного дверного блока, кг


Нагрузка, Н


До 60 включ.


1650


До 60 включ.


600


    "   70      "


1900


    "    70      "


700


    "   80      "


2200


    "    80      "


800


    "   90      "


2450


    "     90     "


900


    " 100      "


2700


    "   100     "


1000


    " 110      "


3000


    "   110     "


1100


    " 120      "


3250


    "   120     "


1150


    " 130      "


3500


    "   130     "


1250


Таблица 2- Значения статических нагрузок, прикладываемых к нижней петле, в зависимости от массы створки оконного блока и полотна балконного дверного блока





Масса створки оконного блока, кг


Нагрузка, Н


Масса полотна балконного дверного блока, кг


Нагрузка, Н


До 60 включ.


3400


До 60 включ.


3050


    "    70    "


4000


    "   70     "


3550


    "    80    "


4550


    "   80     "


4000


    "    90    "


5100


    "   90     "


4550


    "   100   "


5700


    "  100    "


5100


    "   110   "


6250


    "  110    "


5600


    "   120   "


6800


    "  120    "


6100


    "   130    "


7400


    "  130    "


6600


5.4.8  Изделия должны выдерживать крутящий момент =25 Н·м, приложенный к ручке (положение "закрыто") в сторону ее закрывания в течение не менее 1 мин.

Крутящий  момент обеспечивается приложением статической нагрузки 50 Н на расстоянии 500 мм от оси ручки.

5.4.9  Устройства откидные и поворотно-откидные должны выдерживать динамическую нагрузку от действия горизонтальной силы, приложенной в центре верхнего бруска (профиля) закрытой створки (ручка находится в положении "откинуто"). Нагрузку создают свободно падающим грузом массой 10 кг (рисунок В.3 приложения В).

5.4.10  Изделия должны выдерживать динамическую нагрузку, приложенную в месте расположения ручки и направленную в сторону закрывания створки. Нагрузку создают свободно падающим грузом массой 10 кг с высоты 200 мм (рисунок В.4 приложения В).

5.4.11  Изделия должны выдерживать динамическую нагрузку, приложенную в месте расположения ручки и направленную в сторону открывания створки. Нагрузку создают свободно падающим грузом массой 10 кг с высоты 450 мм (рисунок В.5 приложения В).

5.5  Эргономические показатели

5.5.1  Усилие, прикладываемое к ручке поворотного устройства, необходимое для открывания и закрывания створки (полотна), не должно превышать 50 (75) Н.

Усилие,  прикладываемое к ручке поворотно-откидного устройства, необходимое для откидывания и закрывания створки (полотна), не должно превышать 100 Н.

5.5.2  Максимальный крутящий момент, прикладываемый к ручке, необходимый для перемещения тяг с запирающими элементами при запирании и отпирании окна, т.е. при изменении положения ручки из положения "открыто" в положение "закрыто" и наоборот, не должен превышать 10 Н·м.

5.6  Требования к материалам и комплектующим

5.6.1  Для изготовления деталей изделий должны применяться следующие материалы: алюминиевые сплавы по ГОСТ 1583; цинковые сплавы по ГОСТ 19424, ГОСТ 25140; латунь по ГОСТ 17711; стали по ГОСТ 5949, ГОСТ 1050; сополимеры полиамида литьевые по ГОСТ 19459; полиэтилен низкого давления по ГОСТ 16338.

Допускается  использование других материалов по нормативной документации, утвержденной в установленном порядке, не уступающих указанным по механическим и антикоррозионным свойствам.

5.6.2  Детали изделий, изготовленные из некоррозионно-стойких материалов, должны иметь защитное, защитно-декоративное антикоррозионное покрытие.

Лицевые  поверхности деталей изделия должны иметь защитно-декоративное металлическое, лакокрасочное или полимерное покрытие. Нелицевые поверхности могут иметь защитное покрытие.

Примечание  - К лицевым поверхностям деталей изделия относятся поверхности, видимые после установки изделия на оконном (балконном дверном) блоке при открытой створке (полотне), к нелицевым - невидимые.

5.6.3  Требования к поверхностям перед нанесением покрытий устанавливают в технической документации согласно требованиям ГОСТ 9.301, ГОСТ 9.402.

5.6.4  Выбор и технические требования к металлическим покрытиям - по ГОСТ 9.303 для 2-й или 3-й группы условий эксплуатации. Толщина защитно-декоративных покрытий должна быть не менее 15 мкм, защитных - не менее 9 мкм.

5.6.5  Выбор и технические требования к лакокрасочным покрытиям - по ГОСТ 9.104, ГОСТ 9.032. Толщину лакокрасочного покрытия и порядок контроля этого показателя устанавливают в технической документации на изготовление изделий.

5.6.6  Лакокрасочные покрытия должны иметь прочность сцепления (адгезию) с отделываемой поверхностью не ниже 2-го балла по методу решетчатых надрезов по ГОСТ 15140.

5.6.7  Покрытия должны быть коррозионно-стойкими. После испытаний в течение 240 ч в соляном тумане на поверхности не должна появляться красная ржавчина.

5.6.8  Крепление элементов изделий к створкам (полотнам) и коробкам должно производиться винтами, самонарезающими шурупами (винтами), имеющими антикоррозионное покрытие.

5.7  Комплектность

5.7.1  Каждый комплект поворотных, откидных и поворотно-откидных устройств должен включать полный набор элементов, необходимых для установки и эксплуатации изделий на оконном или дверном балконном блоке в соответствии с конструкторской документацией.

Рекомендуется  включать в комплект поставки по согласованию с заказчиком шаблоны для установки деталей изделия.

Допускается  раздельная поставка деталей и узлов изделий по согласованию с заказчиком.

5.7.2  К каждой партии изделий должна прикладываться инструкция по монтажу, эксплуатации и техническому обслуживанию.

При  реализации изделий через розничную торговую сеть инструкция по монтажу, эксплуатации и техническому обслуживанию должна прикладываться к каждому изделию.

5.8  Маркировка и упаковка

5.8.1  Узлы изделия должны иметь на видимой при эксплуатации поверхности маркировку товарного знака изготовителя. Отдельные детали изделия должны иметь маркировку согласно конструкторской документации.

Маркировка  должна сохраняться в течение всего срока эксплуатации изделия.

5.8.2  Маркировка упаковки должна содержать следующие сведения:

наименование  и адрес изготовителя;

наименование,  тип изделия (узла изделия), условное обозначение;

число  изделий (узлов) в упаковке;

штамп  службы технического контроля;

дату  упаковки (месяц, год).

5.8.3  Упаковка изделий должна обеспечивать их сохранность при транспортировании и хранении.

5.8.4  Требования к упаковке изделий - по ГОСТ 538. Дополнительные требования к упаковке, при необходимости, могут быть установлены в договоре на поставку изделий.

     6 Правила приемки

6.1  Изделия должны быть приняты службой технического контроля предприятия-изготовителя.

6.2  Изделия принимают партиями. За партию принимают число изделий, изготовленных в течение одной смены либо в соответствии с заказом и оформленных одним документом о качестве.

6.3  Для проверки соответствия изделий требованиям, установленным в настоящем стандарте и нормативной документации на изделия конкретных типов, проводят:

входной  контроль материалов и комплектующих изделий;

операционный  контроль;

приемочный  контроль (приемосдаточные испытания);

периодические  испытания;

сертификационные  испытания;

типовые  испытания;

квалификационные  испытания.

6.4  Порядок проведения входного и операционного контроля на рабочих местах должен быть установлен в технологической документации.

6.5  Приемочный контроль и периодические испытания изделий проводят в соответствии с таблицей 3.

Таблица 3









  

  

Вид испытаний




 

Наименование

показателя




Номер пункта требования




приемочный контроль


периодические испытания


Периодичность




Номер пункта метода испытаний




Геометрические размеры, отклонения геометрических размеров


5.1.1, 5.2


+


-


Каждая партия


7.2


Комплектность, маркировка, упаковка


5.7, 5.8


+


-


То же


7.3


Качество покрытия


5.6.4-5.6.6


+


-


"


7.4






-


+


Один раз

в два года




Коррозионная стойкость покрытия


5.6.7


-


+


То же


7.4


Конструктивные показатели


5.3.2, 5.3.6


+


-


Каждая партия


7.6




5.3.1-5.3.10


-


+


Один раз

в два года


7.5, 7.6


Показатели безотказности и сопротивления нагрузкам


5.4.1-5.4.11


-


+


То же


7.7




5.4.6


+


-


Каждая партия


7.7


Эргономические показатели


5.5


-


+


Один раз

в два года


7.7


6.5.1  План контроля и порядок проведения приемочного контроля - по ГОСТ 538.

6.5.2  Периодические испытания изделий проводят один раз в два года. Испытания проводят на образцах изделий, прошедших приемочный контроль.

6.5.2.1  Испытания по 5.4, 5.5 проводят не менее чем на трех изделиях, установленных в оконных (дверных балконных) блоках.

6.5.2.2  Испытания по 5.6.2 в части коррозионной стойкости проводят не менее чем на трех изделиях (узлах, деталях изделий).

6.5.2.3  По результатам испытаний оформляют протокол периодических испытаний.

В  случае отрицательного результата испытаний хотя бы по одному показателю хотя бы одного образца следует проводить повторные испытания удвоенного числа изделий по показателю, имевшему отрицательный результат.

При  неудовлетворительных результатах повторных испытаний считают, что изделия не выдержали периодических испытаний.

6.6  Сертификационные испытания изделий рекомендуется проводить в объеме периодических испытаний.

6.7  Типовые испытания изделий

6.7.1  Типовые испытания изделий проводят после внесения изменений в конструкцию, материалы или технологию изготовления для оценки эффективности и целесообразности внесения изменений.

6.7.2  Объем типовых испытаний определяют характером внесенных изменений.

Типовым  испытаниям подвергают изделия, прошедшие приемочный контроль.

6.8  Квалификационные испытания изделий проводят при постановке продукции на производство по всем показателям, установленным настоящим стандартом.

6.9  Сертификационные и периодические испытания проводят в испытательных центрах (лабораториях), аккредитованных на право проведения указанных испытаний.

Образцы  оконных и дверных балконных блоков, представляемые для проведения испытаний поворотных, поворотно-откидных и откидных устройств, должны быть изготовлены в соответствии с требованиями ГОСТ 23166 и нормативной документации на конкретные виды оконных и дверных балконных блоков.

     7 Методы контроля

7.1  Соответствие материалов, комплектующих покупных изделий требованиям нормативной документации устанавливают сравнением данных сопроводительной документации с требованиями НД.

7.2  Размеры изделий на соответствие требованиям конструкторской документации проверяют универсальным инструментом или специальными приборами.

7.3  Внешний вид изделий, комплектность, маркировку, упаковку проверяют визуально на соответствие требованиям настоящего стандарта, конструкторской документации и образцу-эталону, утвержденному в установленном порядке.

7.4  Качество покрытий проверяют в соответствии с требованиями ГОСТ 538; адгезию - ГОСТ 15140; коррозионную стойкость покрытий - ГОСТ 9.308, ГОСТ 9.401 и по методикам, утвержденным в установленном порядке.

7.5  Для определения плотности и равномерности прилегания створки (полотна) к коробке окна (двери) на прокладки наносят красящее вещество (например, цветной мел), открывающиеся элементы изделия плотно закрывают. После раскрытия створки (полотна) визуально проверяют непрерывность оставленного следа. Если имеется прерывание следа, результат считают неудовлетворительным.

7.6  Перемещение элементов изделий в пазах блоков, фиксацию ручки, регулировку петель проверяют вручную, выполняя пять раз цикл работы.

7.7  Испытания изделий на безотказность, сопротивление нагрузкам и соответствие эргономическим требованиям проводят на специальном оборудовании (стендах) по НД, программам и методикам, согласованным и утвержденным в установленном порядке.

После  проведения испытаний изделие должно сохранить работоспособность.

7.8  Для изделий допускается проведение испытаний по операциям, являющимся частью общего цикла работы.

     8 Транспортирование и хранение

8.1  Изделия могут транспортироваться всеми видами транспорта в крытых транспортных средствах в соответствии с правилами и условиями погрузки и крепления грузов, действующими на транспорте соответствующего вида.

8.2  Условия хранения изделий - по группе 2 ГОСТ 15150.

     9 Указания по монтажу и эксплуатации

9.1.  При подборе изделий необходимо учитывать типы, конструкции, размеры и массу оконного или балконного дверного блока, на который устанавливают изделия.

Оконные  и дверные балконные блоки должны соответствовать НД.

9.2.  Монтаж изделий следует производить согласно инструкции по монтажу, входящей в комплект поставки изделий.

В  инструкции по монтажу изделий должны быть указаны допуски на размеры паза, вид крепежа и указания по применению дополнительных усилителей.

Монтаж  изделий следует проводить с применением специальных шаблонов, входящих в комплект поставки.

9.3.  Смазка и регулировка изделий в процессе эксплуатации должны быть отражены в инструкции по эксплуатации изделий, входящей в комплект поставки изделий.

9.4  Инструкции по монтажу и эксплуатации должны содержать требования безопасности при монтаже и эксплуатации.

    

       

     10 Гарантии изготовителя

10.1  Предприятие-изготовитель гарантирует соответствие изделий требованиям настоящего стандарта при соблюдении условий транспортирования, хранения, монтажа и эксплуатации.

10.2  Гарантийный срок - не менее 36 мес со дня передачи изделия потребителю.

    

       

ПРИЛОЖЕНИЕ А

(рекомендуемое)

     

Схемы способов открываний устройств


Рисунок А.1 - Устройство поворотное


          

Рисунок А.2 - Устройство откидное

         

Рисунок А.3 - Устройство поворотно-откидное

          

Рисунок А.4 - Устройство поворотное (откидное, поворотно-откидное)

с функцией регулируемого проветривания

  

   

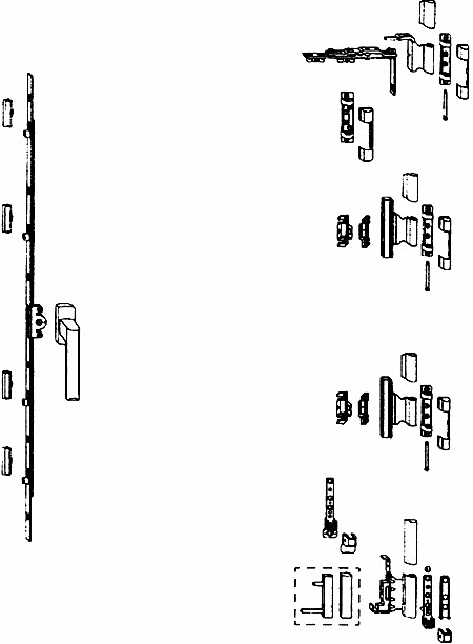
ПРИЛОЖЕНИЕ Б

(информационное)

     

Примеры поворотного, откидного и поворотно-откидного устройств



          

Рисунок Б.1 - Устройство поворотное

Рисунок Б.2 - Устройство откидное

Рисунок Б.3 - Устройство поворотно-откидное


          

Рисунок Б.4 - Пример поворотно-откидного устройства для оконного блока из алюминиевого профиля

Рисунок Б.5 - Основные детали и узлы поворотного устройства

          

Рисунок Б.6 - Основные узлы откидного устройства (см. рисунок Б.5)

          

Рисунок Б.7 - Основные узлы поворотно-откидного устройства (см. рисунки Б.5, Б.6)

     

ПРИЛОЖЕНИЕ В

(рекомендуемое)

     

Схемы приложения нагрузок

         

Схемы приложения статических нагрузок

          

Рисунок В.1 - Схема приложения статической нагрузки на верхнюю петлю

          

Рисунок В.2 - Схема приложения статической нагрузки на нижнюю петлю


     

Схемы приложения динамических нагрузок



          

Рисунок В.3

Примечание  - Падение груза прекращают на расстоянии 20 мм от основания (например, с помощью прокладки). Длину троса определяют из условия касания грузом основания при максимальном раскрытии ножниц.

           

Рисунок В.4

Примечание  - Падение груза прекращают на расстоянии 20 мм от основания (например, с помощью прокладки). Длину троса определяют из условия одновременного касания грузом основания и створкой упора.

           

Рисунок В.5

(см. примечание к рисунку В.4)


          

Рисунок В.6

     

     

ПРИЛОЖЕНИЕ Г

(информационное)

     

Сведения о разработчиках стандарта

Настоящий  стандарт разработан рабочей группой специалистов в составе:

Т.В.Власова,  Центр по сертификации оконной и дверной техники (руководитель);

Л.В.Воронкова,  Центр по сертификации оконной и дверной техники;

Д.Н.Шведов,  Центр по сертификации оконной и дверной техники;

С.Н.Сопин,  ФГУП ЦПКТБ;

Н.В.Шведов,  Госстрой России;

X.Диль,  "Siegenia-Frank KG";

В.Ф.Тренев,  ЗАО "Т.Б.М.";

В.С.Савич,  ФГУП ЦНС.



Текст документа сверен по:

официальное издание

М.: Госстрой России, ГУП ЦПП, 2002

Предоставлено компанией МГК "Информпроект".




Хотите оперативно узнавать о новых публикациях нормативных документов на портале? Подпишитесь на рассылку новостей!

Все ГОСТы >>    ГОСТы «Окна, оконные блоки, остекление >>



Смотрите также: Каталог «Окна, оконные блоки, остекление» >>
Компании «Окна, оконные блоки, остекление» >>
Статьи (118) >>
ГОСТы (38) >>
СНиПы (1) >>
Нормативные документы (1) >>
Подписка на рассылки >>
Задать вопрос в форуме >>
Форум "Окна, лоджии, остекление балконов" >>
Форум "Балконы" >>
наверх