ГОСТ 28771-90 Машины землеройные. Тракторы с бульдозерным оборудованием, автогрейдеры, самоходные скреперы. Ножи. Основные формы и размеры

ГОСУДАРСТВЕННЫЙ СТАНДАРТ СОЮЗА ССР
МАШИНЫ ЗЕМЛЕРОЙНЫЕ
ТРАКТОРЫ С БУЛЬДОЗЕРНЫМ
ОБОРУДОВАНИЕМ, АВТОГРЕЙДЕРЫ,
САМОХОДНЫЕ СКРЕПЕРЫ. НОЖИ
ОСНОВНЫЕ ФОРМЫ И РАЗМЕРЫ
ГОСТ 28771-90
(ИСО 7129-89)
ГОСУДАРСТВЕННЫЙ КОМИТЕТ СССР
ПО УПРАВЛЕНИЮ
КАЧЕСТВОМ ПРОДУКЦИИ И СТАНДАРТАМ
Москва
ГОСУДАРСТВЕННЫЙ СТАНДАРТ СОЮЗА ССР
|
Машины землеройные ТРАКТОРЫ С БУЛЬДОЗЕРНЫМ ОБОРУДОВАНИЕМ, Основные формы и размеры Earth-moving machinery. Tractors with dozer, |
ГОСТ (ИСО 7129-89) |
Дата введения 01.01.92
1. НАЗНАЧЕНИЕ
Стандарт устанавливает основные формы и размеры поперечного сечения ножей, а также расположение, формы и размеры отверстий под болты крепления ножей, используемых для тракторов с бульдозерным оборудованием, автогрейдеров и самоходных скреперов по ГОСТ 28764 с учетом их взаимозаменяемости.
Требования настоящего стандарта являются обязательными.
2. ССЫЛОЧНЫЕ НОРМАТИВНО-ТЕХНИЧЕСКИЕ ДОКУМЕНТЫ
Ссылочные документы приведены в приложении В.
3. НОЖИ. ПОПЕРЕЧНЫЕ СЕЧЕНИЯ. ОСНОВНЫЕ ФОРМЫ И РАЗМЕРЫ
Основные формы и размеры поперечных сечений ножей должны соответствовать приведенным в табл. 1 и 2 и на черт. 1.
Трактор с бульдозерным оборудованием и самоходный скрепер
Черт. 1
Таблица 1
Размеры, мм
|
Ширина W |
Толщина Т |
Скос F |
|||||
|
Трактор с бульдозерным оборудованием |
Самоходный скрепер |
Номин. |
Допуск |
Номин. |
Допуск |
Не более |
Не менее |
|
Х |
|
153 |
±3 |
12,7 |
Для литых ножей +2,4 -0,6 Для других ножей +0,8 -1,2 |
8 |
4,0 |
|
Х |
|
153 |
10 |
10 |
|||
|
Х |
|
153 |
19 |
12 |
|||
|
Х |
|
165 |
+1,5 -4,5 |
16 |
10 |
||
|
Х |
|
204 |
16 |
10 |
|||
|
Х |
|
204 |
19 |
12 |
|||
|
Х |
|
204 |
22 |
13 |
|||
|
Х |
|
204 |
25,4 |
14 |
|||
|
Х |
Х |
254 |
19 |
12 |
|||
|
|
Х |
254 |
22 |
13 |
|||
|
Х |
Х |
254 |
25,4 |
14 |
|||
|
Х |
|
254 |
32 |
20 |
|||
|
|
Х |
254 |
41 |
25 |
|||
|
|
Х |
305 |
19 |
12 |
|||
|
|
Х |
305 |
22 |
13 |
|||
|
Х |
|
305 |
25,4 |
14 |
|||
|
Х |
|
305 |
28,6 |
18 |
|||
|
Х |
|
305 |
32 |
20 |
|||
|
|
Х |
305 |
38 |
23 |
|||
|
|
Х |
330 |
19 |
12 |
|||
|
|
Х |
330 |
22 |
13 |
|||
|
|
Х |
330 |
25,4 |
14 |
|||
|
Х |
Х |
330 |
28,6 |
18 |
|||
|
Х |
|
330 |
32 |
20 |
|||
|
Х |
Х |
330 |
35 |
21 |
|||
|
|
Х |
330 |
38 |
23 |
|||
|
|
Х |
330 |
41 |
25 |
|||
|
|
Х |
330 |
44,5 |
27 |
|||
|
|
Х |
360 |
19 |
12 |
|||
|
|
Х |
360 |
22 |
13 |
|||
|
|
Х |
360 |
25,4 |
14 |
|||
|
Х |
|
360 |
28,6 |
18 |
|||
|
Х |
|
360 |
32 |
20 |
|||
|
Х |
|
360 |
35 |
21 |
|||
|
|
Х |
406 |
22 |
13 |
|||
|
|
Х |
406 |
25,4 |
14 |
|||
|
|
Х |
406 |
28,6 |
18 |
|||
|
|
ХХ |
406 |
32 |
20 |
|||
|
Х |
Х |
406 |
35 |
21 |
|||
|
Х |
|
406 |
38 |
23 |
|||
|
Х |
|
406 |
41 |
25 |
|||
|
|
Х |
406 |
44,5 |
27 |
|||
|
|
Х |
482 |
28,6 |
18 |
|||
|
|
Х |
482 |
32 |
20 |
|||
|
|
Х |
482 |
35 |
21 |
|||
|
|
Х |
482 |
38 |
23 |
|||
|
|
Х |
482 |
41 |
25 |
|||
|
|
Х |
482 |
44,5 |
27 |
|||
Примечание. Формы и размеры ножей с шагом отверстий 140 мм приведены в приложении А.
4. БОЛТЫ КРЕПЛЕНИЯ. РАСПОЛОЖЕНИЕ ОТВЕРСТИЙ
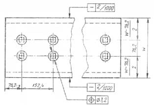
4.1. Расположение отверстий под болты крепления ножей должно соответствовать требованиям табл. 3, 4 и черт 2, 3.
Автогрейдер
Черт. 2
Таблица 2
Размеры, мм
|
Толщина W |
Радиус закругления R |
Скос |
|||||
|
Номин. |
Допуск |
Номин. |
Допуск |
Номин. |
Допуск |
Е |
F, не менее |
|
152 |
|
13 |
|
|
|
|
|
|
152 |
+3 |
16 |
|
|
|
|
|
|
152 |
-1,5 |
19 |
±0,6 |
280 |
±10 |
30 |
2,5 |
|
204 |
|
16 |
|
|
|
|
|
|
204 |
|
19 |
|
|
|
|
|
Примечание. Формы и размеры ножей с шагом отверстий 140 мм и 280 мм приведены в приложении А.
Таблица 3
Трактор с бульдозерным оборудованием и самоходный скрепер
мм
|
Ширина W |
Расположение отверстий |
|
330 и менее |
|
|
330 и более |
|
Примечание. Формы и размеры ножей с шагом отверстий 140 мм приведены в приложении А.
Автогрейдер
Черт. 3
Таблица 4
мм
|
Расстояние от конца |
|||||
|
Средняя часть Р |
По бокам Q* |
A |
S |
||
|
Номин. |
Допуск |
Номин. |
Допуск |
||
|
152,4 |
76,2 |
76,2 |
|
|
|
|
250 |
62,5 |
62,5 |
-3 |
42 |
-2 |
|
304,8 |
76,2 |
76,2 |
|
|
|
* Допускается не указывать для малогабаритных машин.
Примечание. Формы и размеры ножей с шагом отверстий 140 мм и 280 мм приведены в приложении А.
4.2. Центр зенковки должен находиться в пределах круговой зоны допуска диаметром 3,2 мм, очерченной вокруг точки, соответствующей геометрически правильному положению.
4.3. Кривизна ножа не должна превышать 2 мм/м.
5. ОТВЕРСТИЯ ПОД БОЛТЫ КРЕПЛЕНИЯ. ФОРМЫ И РАЗМЕРЫ
5.1. Формы и размеры отверстий под болты крепления должны соответствовать указанным в табл. 5 и черт. 4.
5.2. Несоосность квадратного отверстия с зенковочным конусом не должна превышать 0,8 мм.
Отверстия под болты крепления
D - диаметр обратной зенковки для эффективной толщины Н; В - ширина между гранями квадратного отверстия; Н - минимальная эффективная толщина; R - радиус закругления квадратного отверстия; А - размер по диагонали квадратного отверстия; F - диаметр обратной зенковки квадратного отверстия
Черт. 4
Таблица 5
мм
|
D, не менее |
24,5 |
29,3 |
33,3 |
38,8 |
46,6 |
58,7 |
|
|
В |
Номин. |
14,3 |
17,5 |
20,6 |
24,2 |
27,4 |
34,0 |
|
Допуск |
+0,8 |
+1,5 |
+1,6 |
+2,0 |
+2,4 |
+2,9 |
|
|
Н |
С обратной зенковкой |
12,7 |
16 |
19 |
25,4 |
28,6 |
|
|
Без обратной зенковки |
12,7 |
16 |
19 |
25,4 |
|||
|
R» |
2,5 |
3 |
|||||
|
А, не менее |
18 |
22 |
26,5 |
31 |
36 |
45 |
|
|
F |
Номин. |
27 |
32 |
37 |
41 |
47 |
56 |
|
Допуск |
±0,8 |
||||||
|
Размер болта (справочный) |
12,7 |
15,88 |
19,05 |
22,22 |
25,4 |
31,75 |
|
Примечание. Формы и размеры отверстий под болты крепления ножей с шагом отверстий 140 и (или) 280 мм приведены в приложении А.
ПРИЛОЖЕНИЕ А
Обязательное
ОСНОВНЫЕ ФОРМЫ И РАЗМЕРЫ НОЖЕЙ С ШАГОМ ОТВЕРСТИЙ 140 и 280 мм
А 1. Область применения
Настоящее приложение предназначено для применения в странах, в которых используют ножи с шагом отверстий под болты крепления 140 и 280 мм.
А 2. Ножи. Поперечные сечения. Основные формы и размеры
Основные формы и размеры поперечного сечения ножей должны соответствовать табл. А1, А2 и черт. 5, 6.
Трактор с бульдозерным оборудованием
Черт. 5
Таблица А1
мм
|
Ширина W |
Толщина Т |
Скос F |
|||
|
Номин. |
Допуск |
Номин. |
Допуск |
Не более |
Не менее |
|
150 |
|
12 |
|
8 |
|
|
160 |
|
16 |
|
10 |
|
|
180 |
|
12 |
+1 |
8 |
|
|
180 |
+2 |
16 |
-2 |
10 |
|
|
250 |
-4,5 |
18 |
|
12 |
4 |
|
300 |
|
18 |
|
12 |
|
|
300 |
|
25 |
|
16 |
|
|
360 |
|
25 |
+1,5 |
16 |
|
|
400 |
|
25 |
-2,5 |
16 |
|
|
470 |
+2,5 |
30 |
|
20 |
|
|
-5 |
|||||
Автогрейдер
Черт. 6
Таблица А2
мм
|
Ширина W |
Толщина Т |
Радиус закругления R |
Скос F |
|||
|
Номин. |
Допуск |
Номин. |
Допуск |
Номин. |
Допуск |
Не менее |
|
180 |
+2,5 |
12 |
±1 |
350; 440 |
±30 |
2 |
|
180 |
-4,5 |
18 |
|
|
|
|
А.3. Болты крепления. Расположение отверстий
А.3.1. Расположение отверстий под болты крепления ножей должно соответствовать требованиям табл. А3, А4, А5 и черт. 7 - 9.
Таблица А3
Трактор с бульдозерным оборудованием
мм
|
Расположение отверстий |
|
|
1 |
|
|
2 |
|
Таблица А4
|
26 |
34 |
36 |
44 |
48 |
66 |
|||||
|
В |
62 |
77 |
58 |
72 |
107 |
132 |
128 |
156 |
176 |
202 |
Автогрейдер
Черт. 7
Таблица А5
мм
|
Расстояние от конца |
|||||
|
Средняя часть Р |
По бокам Q* |
A |
S |
||
|
Номин. |
Допуск |
Номин. |
Допуск |
||
|
140 |
70 |
70 |
-5 |
40; 75 |
-5 |
|
280 |
50; 60; 70 |
||||
* Для вспомогательных отверстий, которые можно выполнять без зенковки, допускается не указывать.
Самоходный скрепер

Черт. 8
Примечание. Число рядов отверстий определяет заказчик.
А.3.2. Центр зенковки должен находиться в пределах круговой зоны допуска диаметром 3,2 мм, очерченной вокруг точки, соответствующей геометрически правильному положению.
А.3.3. Кривизна ножа не должна превышать 6 мм/м.
А.4. Отверстия под болты крепления. Формы и размеры
Формы и размеры отверстий под болты крепления должны соответствовать указанным в табл. А6 и черт. 9.
Отверстия под болты крепления
D - диаметр обратной зенковки для эффективной толщины Н; В - ширина между гранями квадратного отверстия; Н - минимальная эффективная толщина; R - радиус закругления квадратного отверстия; А - размер по диагонали квадратного отверстия; F - диаметр обратной зенковки квадратного отверстия
Черт. 9
Таблица А6
мм
|
D, не менее |
24 |
29 |
36 |
44 |
65 |
|
|
В |
Номин. |
14 |
18 |
22 |
26 |
38 |
|
Допуск |
+0,8 |
+1,5 |
+2 |
+2,4 |
+3,6 |
|
|
Н |
С обратной зенковкой |
12 |
16 |
18 |
25 |
30 |
|
Без обратной зенковки |
12 |
12 |
12 |
18 |
18 |
|
|
R» |
2,5 |
2,5 |
3 |
3 |
3 |
|
|
F» |
24 |
29 |
36 |
44 |
65 |
|
ПРИЛОЖЕНИЕ В
Справочное
ССЫЛОЧНЫЕ НОРМАТИВНО-ТЕХНИЧЕСКИЕ ДОКУМЕНТЫ
|
Раздел, подраздел, пункт, в котором приведена ссылка |
Обозначение соответствующего стандарта |
Обозначение отечественного нормативно-технического документа, на который дана ссылка |
|
ИСО 6165-87 |
ГОСТ 28764-90 |
ИНФОРМАЦИОННЫЕ ДАННЫЕ
1. ПОДГОТОВЛЕН И ВНЕСЕН Министерством тяжелого машиностроения СССР.
2. УТВЕРЖДЕН И ВВЕДЕН В ДЕЙСТВИЕ Постановлением Государственного комитета СССР по управлению качеством продукции и стандартам от 06.12.90 № 3056.
Настоящий стандарт подготовлен методом прямого применения международного стандарта ИСО 7129-89 «Машины землеройные. Тракторы с бульдозерным оборудованием, автогрейдеры, самоходные скреперы. Ножи» и полностью ему соответствует.
СОДЕРЖАНИЕ
Хотите оперативно узнавать о новых публикациях нормативных документов на портале? Подпишитесь на рассылку новостей!
Все ГОСТы >> ГОСТы «Строительная техника и оборудование, грузоперевозки >>











