ГОСТ 26005-83* Реле давления на Рном до 32 МПа (320 кгс/см2). Технические условия
ГОСТ 26005-83
МЕЖГОСУДАРСТВЕННЫЙ СТАНДАРТ
РЕЛЕ ДАВЛЕНИЯ на РНОМ
до 32 МПа (320 кгс/см2)
ТЕХНИЧЕСКИЕ УСЛОВИЯ
ИПК ИЗДАТЕЛЬСТВО СТАНДАРТОВ
Москва
МЕЖГОСУДАРСТВЕННЫЙ СТАНДАРТ
|
РЕЛЕ ДАВЛЕНИЯ на РНОМ до 32 МПа (320 кгс/см2) Технические условия Pressure switches for Pnom up to 32 MPa (320 kgf/cm2). Specifications |
ГОСТ |
Дата введения 01.01.86
Настоящий стандарт распространяется на реле давления плунжерного типа, предназначенные для контроля давления рабочей среды в гидравлических системах станков и других машин с давлением до 32 МПа (320 кгс/см2) и изготовляемые для нужд народного хозяйства и экспорта.
Основные параметры, габаритные размеры и технические требования настоящего стандарта распространяются на реле давления с микропереключателем мощностью более 250 В · А.
(Измененная редакция, Изм. № 1).
1. ОСНОВНЫЕ ПАРАМЕТРЫ И РАЗМЕРЫ
1.1. Реле должны изготовляться с условным проходом Dy = 4 мм в следующих исполнениях:
- по контролируемому номинальному давлению, МПа (кгс/см2): 1 - на 6,3 (63); 2 - на 10,0 (100); 3 - на 20,0 (200); 4 - на 32,0 (320);
- по наличию механизма регулировки зоны нечувствительности (дифференциала):
М - с механизмом; без механизма;
- по климатическим условиям - категории размещения 4 по ГОСТ 15150 для зон с умеренным и холодным климатом, для зон с тропическим климатом.
1.2. Основные параметры реле должны соответствовать указанным в табл. 1.
Таблица 1
|
Норма |
|||||||
|
Контролируемое давление, МПа (кгс/см2) |
Зона нечувствительности, МПа (кгс/см2) |
Утечка масла из дренажного отверстия, см3/мин, не более |
Масса, кг, не более |
||||
|
номинальное |
максимальное |
минимальное |
с давлением в линии дренажа до 0,02 МПа (0,2 кгс/см2) |
без отвода утечек в дренаж |
|||
|
Реле без механизма регулировки зоны нечувствительности |
6,3 (63) |
7,0 (70) |
0,6 (6) |
0,4 (4) |
0,85 (8,5) |
6 |
2,2; (0,8*) |
|
10,0 (100) |
11,0 (110) |
0,8 (8) |
0,7 (7) |
1,2 (12) |
10 |
||
|
20,0 (200) |
22,0 (220) |
1,0 (10) |
1,2 (12) |
1,8 (18) |
20 |
||
|
32,0 (320) |
35,0 (350) |
3,0 (30) |
1,5 (15) |
2,2 (22) |
25 |
||
|
Реле с механизмом регулировки зоны нечувствительности |
6,3 (63) |
7,0 (70) |
0,6 (6) |
От 0,6
(6) |
От 1,2
(12) |
6 |
2,2; (0,8*) |
|
10,0 (100) |
11,0 (110) |
0,8 (8) |
От 1,0
(10) |
От 1,8
(18) |
10 |
||
|
20,0 (200) |
22,0 (220) |
1,0 (10) |
От 1,8
(18) |
От 2,7
(27) |
20 |
||
|
32,0 (320) |
35,0 (350) |
3,0 (30) |
От 2,2
(22) |
От 3,3
(33) |
25 |
||
* Норма указана для реле с корпусом из алюминиевого сплава.
(Измененная редакция, Изм. № 1).
1.2а. Присоединительные размеры реле должны соответствовать указанным в табл. 1а и на черт. 3-5 приложения 2.
Таблица 1а
|
Размеры |
|||
|
Резьбовое |
с внутренней резьбой |
С 1/4; М 10 ´ 1 |
|
|
с наружной резьбой |
М 27 ´ 2 |
||
|
Стыковое |
для реле с микропереключателем мощностью до 250 В × А |
боковое |
По черт. 3 |
|
торцевое |
По черт. 4 |
||
|
для реле с микропереключателем мощностью св. 250 В × А |
боковое |
По черт. 5 |
|
(Введен дополнительно, Изм. № 1).
1.3. Коды ОКП в зависимости от исполнения реле указаны в табл. 2.
Таблица 2
|
Код ОКП |
Исполнение реле |
Код ОКП |
|
|
1 |
41 4477 0012 |
3 |
41 4477 0015 |
|
2 |
41 4477 0014 |
4 |
41 4477 0010 |
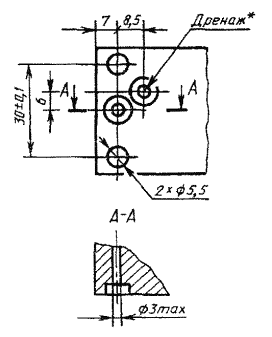
1.4. Габаритные и присоединительные размеры реле должны соответствовать указанным на черт. 1, 5 и в табл. 3
Черт. 1
Примечание. Чертеж не определяет конструкцию реле.
Таблица 3
В миллиметрах, не более
|
d1 |
В |
b |
L |
l |
l1 |
Н |
h |
|
|
9 |
15 |
68 |
10 |
75 |
44 |
36,5 |
146 |
13 |
Пример условного обозначения реле давления с контролируемым номинальным давлением 6,3 МПа (63 кгс/см2) без механизма регулировки зоны нечувствительности, для зон с умеренным и холодным климатом:
Реле давления 1 ГОСТ 26005-83 УХЛ 4
То же, с контролируемым номинальным давлением 10,0 МПа (100 кгс/см2), без механизма регулировки зоны чувствительности, для зон с тропическим климатом:
Реле давления 2 ГОСТ 26005-83 О4
То же, с контролируемым номинальным давлением 20,0 МПа (200 кгс/см2), с механизмом регулировки зоны нечувствительности, для зон с умеренным и холодным климатом:
Реле давления 3М ГОСТ 26005-83 УХЛ 4
То же, с контролируемым номинальным давлением 32,0 МПа (320 кгс/см2), с механизмом регулировки зоны нечувствительности для зон с тропическим климатом
Реле давления 4М ГОСТ 26005-83 О4
Примечание. Таблица соответствия обозначения реле давления по нормативно-технической документации, действующей до введения настоящего стандарта, и настоящему стандарту приведена в приложении 1.
(Измененная редакция, Изм. № 1).
2. ТЕХНИЧЕСКИЕ ТРЕБОВАНИЯ
2.2. Реле должно работать на минеральных маслах с кинематической вязкостью от 10 до 220 мм2/с (сСт) при температуре масла от 10 до 70 °С и температуре окружающей среды от 1 до 45 °С.
Класс чистоты рабочей жидкости - не грубее 12-го по ГОСТ 17216 с обеспечением тонкости фильтрации 25 мкм.
2.3. Присоединительная резьба - трубная по ГОСТ 6357.
2.4. Микровыключатель, встроенный в реле, должен соответствовать требованиям ГОСТ 9601*.
Микровыключатель предназначен для работы в продолжительном режиме при силе тока до 2,5 А и напряжении:
* На территории Российской Федерации действует ГОСТ Р 50030.5.1-99.
- до 380 В переменного тока частотой 50 и 60 Гц;
- до 220 В постоянного тока.
2.4а. Наработка на отказ - 1 млн. циклов, установленный ресурс - не менее 5 млн. циклов.
2.5. Предельное состояние характеризуется увеличением зоны нечувствительности на 50 %.
2.6. Рабочее положение реле - произвольное.
3. ТРЕБОВАНИЯ БЕЗОПАСНОСТИ
3.1. Требования безопасности - по ГОСТ 12.2.086 и ГОСТ 12.2.040.
3.2. Степень защиты реле от воздействия окружающей среды и степень защиты персонала от прикосновения к токоведущим частям - IР55 по ГОСТ 14254. (Измененная редакция, Изм. № 1).
4. КОМПЛЕКТНОСТЬ
4.1. В комплект реле, предназначенных для экспорта, должны входить запасные части согласно заказам-нарядам внешнеторговых организаций.
4.2. К реле прилагают эксплуатационную документацию (руководство по эксплуатации) по ГОСТ 2.601.
Для партии реле, предназначенной одному потребителю, по согласованию с потребителем допускается уменьшать количество руководств по эксплуатации.
Для реле, предназначенных на экспорт, товаросопроводительная документация - в соответствии с заказами-нарядами внешнеторговых организаций.
5. ПРАВИЛА ПРИЕМКИ
5.2. Периодическим испытаниям, проводимым не реже одного раза в три года, должны подвергаться не менее двух реле в каждом исполнении, отобранных из разных партий.
5.3. При всех видах испытаний должны быть проверены показатели:
- зона нечувствительности при номинальном, минимальном и 0,5 номинального давлениях;
- утечки при максимальном давлении;
- герметичность при пробном давлении.
При периодических испытаниях дополнительно проверяют массу, наработку на отказ и ресурс, соответствие деталей рабочим чертежам, а также проводят микрометрический обмер основных деталей.
6. МЕТОДЫ ИСПЫТАНИЙ
6.1. Срабатывание на всем диапазоне контролируемого давления, значение зоны нечувствительности, герметичность и утечки масла из дренажного отверстия проверяют на стенде по черт. 2.
Схема испытания реле
1 - испытуемое реле; 2 - насос; 3 - предохранительный клапан; 4 - термометр; 5 - бак; 6 - гидрораспределитель; 7 - манометр; 8 - мерный цилиндр
Черт. 2
6.2. Срабатывание на всем диапазоне определяют по включению сигнальной лампы А и отключению сигнальной лампы Б.
Включение лампы Б и отключение лампы А свидетельствуют о возврате микровыключателя в исходное положение.
6.3 Зону нечувствительности определяют, измеряя разность давлений, при которых происходит изменение состояния ламп на противоположное, при одной и той же настройке реле.
При проверке предохранительным клапаном поочередно устанавливают давления: номинальное, минимальное и 0,5 номинального и при каждом из этих давлений проверяют зону нечувствительности.
Затем регулировкой винта реле при ввертывании добиваются включения лампы А и отключения лампы Б.
Далее понижают давление в системе до возврата микровыключателя в исходное положение.
6.1-6.3. (Измененная редакция, Изм. № 1).
6.4. Утечки масла из дренажного отверстия измеряют на 2-й минуте после установления максимального давления в системе. Утечки измеряют с помощью секундомера и мерного цилиндра.
6.5. Герметичность реле проверяют при пробном давлении в течение 30 с. Пробное давление - 1,5 РНОМ.
(Измененная редакция, Изм. № 1).
6.6. Качество материалов, качество сборки, соответствие деталей рабочим чертежам проверяют визуальным осмотром и с помощью измерительных средств.
6.7. Наработку на отказ и ресурс проверяют при циклическом нагружении номинальным давлением (частотой не более 3 Гц).
7. МАРКИРОВКА, УПАКОВКА, ТРАНСПОРТИРОВАНИЕ И ХРАНЕНИЕ
7.1. Маркировка, упаковка, транспортирование и хранение реле - по ГОСТ 15108.
Масса брутто транспортной тары не должна превышать 50 кг.
7.2. Срок хранения реле - два года.
8. ГАРАНТИИ ИЗГОТОВИТЕЛЯ
8.1. Изготовитель должен гарантировать соответствие реле требованиям настоящего стандарта при соблюдении условий эксплуатации, транспортирования и хранения, установленных настоящим стандартом.
8.2. Гарантийный срок эксплуатации - 18 мес со дня ввода реле в эксплуатацию.
8.3. Гарантийный срок эксплуатации реле, предназначенных для экспорта, - 12 мес со дня ввода в эксплуатацию, но не более 24 мес со дня проследования через государственную границу.
ПРИЛОЖЕНИЕ 1
Справочное
СООТВЕТСТВИЕ ОБОЗНАЧЕНИЯ РЕЛЕ ПО НОРМАТИВНО-ТЕХНИЧЕСКОЙ ДОКУМЕНТАЦИИ, ДЕЙСТВУЮЩЕЙ ДО ВВЕДЕНИЯ НАСТОЯЩЕГО СТАНДАРТА, НАСТОЯЩЕМУ СТАНДАРТУ
|
Обозначение реле по настоящему стандарту |
Обозначение реле по нормативно-технической документации, действующей до введения настоящего стандарта |
|
Исполнение 1 |
ПГ62-11 |
|
Исполнение 2 |
БПГ62-11 |
|
Исполнение 3 |
ВПГ62-11 |
|
Исполнение 4 |
ГПГ62-11 |
ПРИЛОЖЕНИЕ 2
Обязательное
ПРИСОЕДИНИТЕЛЬНЫЕ РАЗМЕРЫ РЕЛЕ
Черт. 3
Черт. 4
Черт 5
* Отверстие выполняется при необходимости.
ПРИЛОЖЕНИЕ 2. (Введено дополнительно, Изм. № 1).
ИНФОРМАЦИОННЫЕ ДАННЫЕ
1. РАЗРАБОТАН И ВНЕСЕН Министерством станкостроительной и инструментальной промышленности СССР
2. УТВЕРЖДЕН И ВВЕДЕН В ДЕЙСТВИЕ Постановлением Государственного комитета СССР по стандартам от 14.12.83 № 5897
3. ВВЕДЕН ВПЕРВЫЕ
4. ССЫЛОЧНЫЕ НОРМАТИВНО-ТЕХНИЧЕСКИЕ ДОКУМЕНТЫ
|
Обозначение НТД, на который дана ссылка |
Номер пункта |
|
ГОСТ 2.601-95 |
|
|
ГОСТ 12.2.040-79 |
|
|
ГОСТ 12.2.086-83 |
|
|
ГОСТ 5959-80 |
|
|
ГОСТ 6357-81 |
|
|
ГОСТ 9601-84 |
|
|
ГОСТ 14254-96 |
|
|
ГОСТ 15108-80 |
|
|
ГОСТ 15150-69 |
|
|
ГОСТ 15623-84 |
|
|
ГОСТ 17216-71 |
|
|
ГОСТ 17411-91 |
|
|
ГОСТ 18617-83 |
|
|
ГОСТ 22976-78 |
5. Ограничение срока действия снято по протоколу № 3-93 Межгосударственного Совета по стандартизации, метрологии и сертификации (ИУС 5-6-93)
6. ИЗДАНИЕ (декабрь 2001 г.) с Изменением № 1, утвержденным в апреле 1988 г. (ИУС 7-88)
СОДЕРЖАНИЕ
Хотите оперативно узнавать о новых публикациях нормативных документов на портале? Подпишитесь на рассылку новостей!




