ГОСТ 25426-90 Пластины твердосплавные напаиваемые типов 07, 67. Конструкция и размеры
МЕЖГОСУДАРСТВЕННЫЙ СТАНДАРТ
|
ПЛАСТИНЫ ТВЕРДОСПЛАВНЫЕ НАПАИВАЕМЫЕ ТИПОВ 07, 67 Конструкция и размеры Hard metal brazed tips, types 07, 67. Design and dimensions |
ГОСТ |
Дата введения 01.07.93
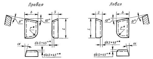
1. Настоящий стандарт распространяется на пластины для подрезных, проходных, расточных и револьверных резцов.
2. Конструкция и размеры должны соответствовать указанным на чертеже и в табл. 1.

* Размеры для пресс-форм.
Таблица 1
Размеры в мм
|
Обозначение пластин |
l |
b |
s |
r |
a, град. |
Основное применение |
Дополнительное применение |
Применение по специальному заказу |
|
|
правых |
левых |
||||||||
|
07350 |
- |
6 |
4 |
2,0 |
2,5 |
- |
№ 1, № 7 |
№ 8, № 10 |
№ 2, № 3, № 4, № 5, № 6, № 9, № 11 |
|
07030 |
- |
8 |
5 |
3,0 |
|
№ 1, № 7 |
№ 8, № 10 |
№ 2, № 3, № 4, № 5, № 6, № 9, № 11 |
|
|
07010 |
- |
10 |
6 |
2,5 |
4,0 |
- |
№ 1, № 7, № 10 |
№ 2, № 8 |
№ 3, № 4, №. 5, № 6, № 9, № 11 |
|
07050 |
07060 |
4,0 |
18 |
№ 1, № 2, № 7, № 10 |
№ 3, № 8, № 9 |
№ 4, №. 5, № 6, № 11 |
|||
|
07370 |
- |
12 |
8 |
3,0 |
5,0 |
- |
№ 1, № 2, № 5, № 10 |
№ 1, № 3, № 7, № 8, № 9 |
№ 4, № 6, № 11 |
|
07070 |
07080 |
5,0 |
18 |
№ 2, № 9, № 10 |
№ 1, № 3, № 4, № 5, № 7, № 8 |
№ 6, № 11 |
|||
|
07090 |
07100 |
16 |
10 |
4,0 |
6,0 |
№ 2, № 3, № 5, № 9, № 10 |
№ 4, № 8 |
№ 1, № 6, № 7, № 11 |
|
|
67390 |
67400 |
5,0 |
8 |
№ 2, № 3, № 9, № 10 |
№ 4, № 5, № 8, № 11 |
№ 1, № 6, № 7 |
|||
|
07110 |
07120 |
6,0 |
18 |
№ 2, № 3, № 9, № 10 |
№ 4, № 5, № 8, № 11 |
№ 1, № 6, № 7 |
|||
|
07130 |
07140 |
20 |
12 |
5,0 |
7,0 |
18 |
№ 2, № 3, № 4, № 9, № 10 |
№ 5, № 8, № 11 |
№ 1, № 6, № 7 |
|
67410 |
67420 |
6,0 |
8 |
№ 2, № 3, № 4, № 9, № 10 |
№ 5, № 8, № 11 |
№ 1, № 6, № 7 |
|||
|
07150 |
07160 |
7,0 |
18 |
№ 2, № 3, № 4, № 5, № 9, № 10 |
№ 8, № 11 |
№ 1, № 6, № 7 |
|||
|
07170 |
07180 |
25 |
14 |
6,0 |
8,0 |
№ 3, № 4, № 9, № 10 |
№ 2, № 5, № 6, № 8, № 11 |
№ 1, № 7 |
|
|
67330 |
67340 |
8,0 |
8 |
№ 3, № 4, № 9, № 10 |
№ 2, № 5, № 6, № 8, № 11 |
№ 1, № 7 |
|||
|
07330 |
07340 |
18 |
№ 3, № 4, № 5, № 9, № 10 |
№ 2, № 6, № 8, № 11 |
№ 1, № 7 |
||||
3. Условное обозначение пластин - по ГОСТ 25393.
4. Ориентировочная масса пластин указана в приложении.
5. Технические требования - по ГОСТ 2209.
6. Применяемые марки сплавов: № 1 - Т30К4; № 2 - Т15К6; № 3 - Т14К8; № 4 - Т5К10; № 5 - ТТ10К8-Б; № 6 -ТТ7К12; № 7 - ВК3, ВК3-М; № 8 - ВК6-М; ВК6-ОМ; № 9 - ВК6; № 10 - ВК8; № 11 - ВК10-ХОМ.
ПРИЛОЖЕНИЕ
Справочное
Таблица 2
Ориентировочная масса пластин
|
Обозначение пластин |
Ориентировочная масса пластин, г, из твердого сплава марок |
||||||||||
|
Т30К4 |
Т15К6 |
Т14К8 |
Т5К10 |
ТТ10К8-Б |
ТТ7К12 |
ВК3-М, ВК3 |
ВК6-ОМ, ВК6-М, ВК6 |
ВК8 |
ВК10-ХОМ |
||
|
07350 |
- |
0,42 |
0,49 |
0,49 |
0,55 |
0,59 |
0,57 |
0,66 |
0,65 |
0,64 |
0,64 |
|
07030 |
- |
0,67 |
0,79 |
0,79 |
0,89 |
0,95 |
0,92 |
1,05 |
1,03 |
1,02 |
1,03 |
|
07010 |
- |
1,30 |
1,53 |
1,54 |
1,73 |
1,85 |
1,79 |
2,05 |
2,01 |
2,00 |
2,01 |
|
07050 |
07060 |
1,72 |
2,02 |
2,03 |
2,27 |
2,43 |
2,34 |
2,70 |
2,64 |
2,60 |
2,62 |
|
07370 |
- |
2,19 |
2,58 |
2,59 |
2,92 |
3,13 |
3,01 |
3,47 |
3,40 |
3,37 |
3,39 |
|
07070 |
07080 |
3,45 |
4,05 |
4,07 |
4,55 |
4,87 |
4,69 |
5,41 |
5,28 |
5,21 |
5,25 |
|
07090 |
07100 |
4,98 |
5,86 |
5,89 |
6,58 |
7,05 |
6,79 |
7,82 |
7,64 |
7,54 |
7,59 |
|
67390 |
67400 |
6,38 |
7,51 |
7,55 |
8,52 |
9,12 |
8,79 |
10,10 |
9,92 |
9,81 |
9,88 |
|
07110 |
07120 |
7,06 |
8,30 |
8,34 |
9,33 |
9,99 |
9,62 |
11,09 |
10,83 |
10,69 |
10,76 |
|
07130 |
07140 |
9,39 |
11,04 |
11,09 |
12,40 |
13,28 |
12,79 |
14,74 |
14,40 |
14,20 |
14,30 |
|
67410 |
67420 |
12,20 |
14,30 |
14,40 |
16,30 |
17,45 |
16,80 |
19,20 |
18,90 |
18,70 |
18,83 |
|
07150 |
07160 |
12,55 |
14,76 |
14,82 |
16,58 |
17,75 |
17,10 |
19,75 |
19,24 |
18,98 |
19,11 |
|
07170 |
07180 |
16,57 |
19,48 |
19,57 |
21,89 |
23,43 |
22,57 |
26,01 |
25,41 |
25,06 |
25,24 |
|
67330 |
67340 |
22,30 |
26,10 |
26,40 |
29,70 |
31,80 |
30,60 |
35,20 |
34,60 |
34,20 |
34,44 |
|
07330 |
07340 |
21,20 |
24,90 |
25,10 |
28,30 |
30,30 |
29,20 |
33,50 |
33,00 |
32,60 |
32,83 |
ИНФОРМАЦИОННЫЕ ДАННЫЕ
1. РАЗРАБОТАН И ВНЕСЕН Министерством металлургии СССР
2. УТВЕРЖДЕН И ВВЕДЕН В ДЕЙСТВИЕ Постановлением Государственного комитета СССР по управлению качеством продукции и стандартам от 31.10.90 № 2761
3. ВЗАМЕН ГОСТ 25426-82
4. Стандарт полностью соответствует СТ СЭВ 120-74, СТ СЭВ 3310-81
5. ССЫЛОЧНЫЕ НОРМАТИВНО-ТЕХНИЧЕСКИЕ ДОКУМЕНТЫ
|
Обозначение НТД, на который дана ссылка |
Номер пункта |
|
ГОСТ 2209-90 |
5 |
|
ГОСТ 25393-90 |
3 |
6. ПЕРЕИЗДАНИЕ 2006 г.
Хотите оперативно узнавать о новых публикациях нормативных документов на портале? Подпишитесь на рассылку новостей!
Все ГОСТы >> ГОСТы «Металлопрокат, металлоконструкции, метизы, ковка, композитные материалы >>