ГОСТ 22845-85. Лифты электрические пассажирские и грузовые
|
ГОСТ 22845-85
УДК 621.876.11:69.026.6.002.72:006.354 Группа Т56
ГОСУДАРСТВЕННЫЙ СТАНДАРТ СОЮЗА ССР
ЛИФТЫ ЭЛЕКТРИЧЕСКИЕ ПАССАЖИРСКИЕ И ГРУЗОВЫЕ
Правила организации, производства и приемки монтажных работ
Electric passenger and gcods lifts. Arrangement for assembly, assembly and acceptance
ОКСТУ 4836 Дата введения 1986-01-01
РАЗРАБОТАН И ВНЕСЕН Министерством монтажных и специальных строительных работ СССР
РАЗРАБОТЧИКИ Д.И. Калихман (руководитель темы), В.В. Попов, А.Н. Хрусталев
УТВЕРЖДЕН И ВВЕДЕН В ДЕЙСТВИЕ Постановлением Государственного комитета СССР по делам строительства от 11 июля 1985 г. № 117 Периодичность проверки 5 лет
ВЗАМЕН ГОСТ 22845-77
ССЫЛОЧНЫЕ НОРМАТИВНО-ТЕХНИЧЕСКИЕ ДОКУМЕНТЫ
ПЕРЕИЗДАНИЕ (июль 1991 г.) с Изменениями № 1, 2, утвержденными в ноябре 1998 г. июле 1989 г. (ИУС 2-89, 11-89)
Настоящий стандарт распространяется на электрические пассажирские и грузовые лифты и устанавливает требования к организации, производству и приемке работ по монтажу лифтового оборудования. Требования стандарта обязательны для организаций и предприятий всех министерств и ведомств, ведущих монтажные и пусконаладочные работы по лифтовому оборудованию, участвующих в строительстве лифтовых шахт, машинных помещений и принимающих лифты в эксплуатацию.
1. Общие положения
1.1. Монтаж лифтового оборудования должен выполняться специализированными организациями, имеющими разрешение органов Госгортехнадзора СССР. 1.2. Специализированные организации должны производить работы по монтажу лифтового оборудования в соответствии с технической документацией предприятия-изготовителя, Правилами устройства и безопасной эксплуатации лифтов Госгортехнадзора СССР и Инструкцией по монтажу лифтов, утвержденной Минмонтажспецстроем СССР. 1.3. Строительная часть лифтов должна выполняться в соответствии с проектной и технологической документацией, с соблюдением требований строительных норм и правил и государственных стандартов. 1.4. Лифтовое оборудование, поступающее для монтажа, должно быть изготовлено специализированными предприятиями по рабочим чертежам и техническим условиям, утвержденным в установленном порядке, с учетом требований Правил устройства и безопасной эксплуатации лифтов Госгортехнадзора СССР и ГОСТ 24444-87. 1.5. Комплектность поставки и условия хранения лифтового оборудования на складах заказчика должны отвечать требованиям ГОСТ 22011-90.
2. Подготовительные работы
2.1. Организационно-техническая подготовка к производству монтажных работ 2.1.1. До начала монтажа оборудования лифта должна быть обеспечена готовность строительной части лифта и выполнены следующие работы: установить по всей высоте шахты подмости с шагом 1,8-3 м и ограждения дверных проемов; выполнить временное освещение шахты напряжением сети не более 42 В; выполнена исполнительная схема строительной части шахты лифта по приложению 1 и на стене шахты нанесены краской отметки уровней чистых полов остановок лифта; установлены распределительные электрические щиты для временного подключения силовой электрической части лифта, временного освещения и сварочного трансформатора; подготовлена проектно-сметная документация, а также техническая документация предприятия-изготовителя лифтового оборудования и паспорт на лифт. 2.1.2. Проверка выполнения работ по п.2.1.1 должна проводиться не позднее чем за 10 дней до планируемого срока начала монтажа оборудования с составлением актов по приложениям 1 и 2.
2.1.1; 2.1.2. (Измененная редакция, Изм. № 2).
2.1.3. Готовность строительной части лифта, подмостей (лесов - в случаях, предусмотренных ПОС) и ограждений дверных проемов к производству работ по монтажу лифтового оборудования должна быть оформлена актами в соответствии с обязательными приложениями 1 и 2. 2.1.4. Перед началом выполнения работ на действующих предприятиях специализированной монтажной организацией и заказчиком должны быть согласованы: порядок выполнения монтажных работ; места складирования оборудования; транспортировка лифтового оборудования к месту монтажа; ограждение зоны выполнения монтажных работ от действующего производства; использование действующего подъемно-транспортного оборудования; порядок выполнения сварочных и других огнеопасных работ.
(Измененная редакция, Изм. № 2).
2.2. Технические требования к приемке строительной части лифтов 2.2.1. Отклонения действительных размеров выступов и выемок на внутренней поверхности стен шахты от номинальных, указанных в рабочих чертежах, не должны превышать величин, приведенных в Правилах устройства и безопасной эксплуатации лифтов Госгортехнадзора СССР. 2.2.2. Отклонение от перпендикулярности внутренней поверхности стен шахты относительно горизонтальной плоскости (пола приямка) должно быть не более 30 мм. 2.2.3. Отклонение действительных внутренних размеров стен шахты (в плане) от номинальных, указанных в рабочих чертежах, должно быть не более +30 мм. Разность длин диагоналей шахты (в плане) должна быть не более 25 мм. 2.2.4. Отклонение от симметричности стальных закладных изделий, предназначенных для крепления кронштейнов направляющих кабины и противовеса, относительно общей вертикальной оси их установки должно быть не более ±10 мм. 2.2.5. Отклонение от высотной отметки стальных закладных изделий, предназначенных для крепления направляющих кабины и противовеса, должно быть не более ±80 мм. 2.2.6. Отклонение размеров, определяющих положение стальных закладных изделий, предназначенных для крепления оборудования лифта, кроме указанного в пп. 2.2.4 и 2.2.5, должно быть не более ±10 мм. 2.2.7. Отклонение открытой поверхности стальных изделий по отношению к базовой поверхности строительного элемента должно быть не более: закладных - 3 мм внутрь и наружу; накладных - 3 мм внутрь и 10 мм наружу. 2.2.8. Отклонение от параллельности открытой поверхности стальных закладных изделий относительно базовой поверхности строительного элемента должно быть не более 3 мм. 2.2.9. Отклонение размеров отверстий, выполненных в полу машинного и блочного помещений, от номинальных, указанных в рабочих чертежах, должно быть не более +10 мм. 2.2.10. Отклонение размеров между опорной поверхностью под буфер и уровнем чистого пола нижней остановки от номинальных, указанных в рабочих чертежах, должно быть не более 10 мм. 2.2.11. Отклонение от симметричности оси проема двери шахты относительно общей вертикальной оси их установки должно быть не более 10 мм. 2.2.12. Открытые поверхности стальных закладных изделий и стальных балок должны быть очищены от наплывов бетона. 2.2.13. При расстоянии между остановками более 6 м в шахтах лифтов должны быть предусмотрены монтажные проемы размером 800х1500 мм с шагом не более 6 м. 2.2.14. При установке в общей шахте нескольких лифтов последние должны быть отделены друг от друга стальными балками (ригелями) шириной не более 100 мм. Оси ригелей должны лежать в одной вертикальной плоскости, допустимое отклонение осей ригелей относительно общей вертикальной плоскости их установки должно быть не более 20 мм. Шаг установки ригелей по высоте должен соответствовать шагу разбивки стальных закладных изделий для крепления кронштейнов направляющих. 2.2.15. Отклонение от высотной отметки ригелей должно быть не более ±80 мм. 2.2.16. Отклонение от параллельности ригелей (полки швеллера или двутавра) относительно горизонтальной плоскости должно быть не более 1 мм на длине 1 м. 2.2.17. При размещении металлокаркасной шахты внутри здания расстояние между строительными элементами здания и выступающими элементами металлокаркасной шахты (в плане) должно быть не менее 10 мм. При этом в лестничных площадках или маршах должны быть предусмотрены стальные закладные изделия или стальные балки для крепления металлокаркасной шахты. 2.2.18. Машинные и блочные помещения должны отвечать требованиям Правил устройства и безопасной эксплуатации лифтов Госгортехнадзора СССР. Дверь с замком в машинном помещении должна быть установлена до начала монтажа оборудования машинного помещения. 2.2.19. В приямках шахт не должно быть грунтовых и сточных вод. 2.2.20. При возведении шахт лифтов из железобетонных изделий, последние должны соответствовать ГОСТ 17538-82.
(Измененная редакция, Изм. № 1).
2.2.21. Временное освещение по шахте лифта должно иметь питание электроэнергией напряжением не более 42 В и обеспечивать освещенность не менее 50 лк. Лампы накаливания должны размещаться над подмостями, в местах, не мешающих выполнению монтажных работ. 2.2.22. Все дверные проемы, а также временные монтажные проемы должны иметь ограждения высотой не менее 1,1 м. Ограждения должны надежно крепиться к стенам (стоякам дверных проемов). 2.2.23. Помещение для мастерской, указанной в п.2.1.1, должно находиться в непосредственной близости от лифтовых шахт. 2.2.24. В машинное помещение должен быть смонтирован постоянный ввод питания электроэнергией и должно быть введено заземление или зануление в сетях с глухозаземленной нейтралью. Падение напряжения на клеммах вводного устройства силовой электрической сети при пуске лифта не должно быть более 8%. Защитное заземление (зануление) должно быть выполнено в соответствии с Правилами устройства электроустановок Минэнерго СССР.
(Измененная редакция, Изм. № 1).
2.2.25. Перекрытия над шахтой, блочным и машинным помещениями на вновь строящихся объектах должны выполняться после доставки в них краном оборудования, подлежащего монтажу. 2.3. Приемка оборудования в монтаж 2.3.1. Передача лифтового оборудования в монтаж должна производиться после приемки готовности строительной части в сроки, установленные в соответствии с принятой технологической последовательностью монтажа лифтового оборудования.
(Измененная редакция, Изм. № 2).
2.3.2. Приемку механического и электрического оборудования лифтов следует производить по комплектовочной ведомости предприятия-изготовителя и упаковочным листам, вложенным в ящики упаковки. 2.3.3. Обнаруженное при приемке несоответствие оборудования заводской документации, некомплектность, дефекты и другие недостатки должны быть отражены в акте приемки оборудования в монтаж в соответствии с обязательным приложением 3. 2.3.4. Лифтовое оборудование и материалы, находящиеся в монтаже, а также размещенные в мастерской и закрытых складах, должны после окончания рабочего дня передаваться охране.
(Измененная редакция, Изм. № 2).
2.3.5. Лифтовое оборудование к началу монтажа на вновь строящихся объектах должно складироваться в зоне действия крана, которым оно будет подаваться в шахты лифтов, а на объектах реконструкции лифтовых установок - в непосредственной близости от ближайших к расположению лифтовых установок, входов в здание. 2.3.6. Оборудование лифта, на которое истек гарантийных срок, указанный в технической документации изготовителя, может быть принято в монтаж только после проведения ревизии, исправления дефектов, а также других работ, предусмотренных эксплуатационной документацией.
(Введен дополнительно, Изм. № 2).
3. Производство работ
3.1. К работам по монтажу лифтового оборудования разрешается приступать после завершения подготовительных работ, указанных в разд.2, при наличии комплекта исправного оборудования, материалов, оснастки и других устройств, необходимых для выполнения монтажных работ, а также при выполнении мероприятий по технике безопасности, охране труда, противопожарной безопасности и производственной санитарии. 3.2. Монтаж оборудования должен выполняться прогрессивными методами, предусматривающими: установку оборудования в железобетонных блоках (тюбингах) до их монтажа на строительном объекте; дополнительное укрупнение лифтового оборудования на производственных базах и предприятиях монтажных организаций до установки его в проектное положение. 3.3. Лифтовое оборудование на вновь строящихся объектах должно доставляться в шахту и машинное помещение при помощи крана строителей.
(Измененная редакция, Изм. № 3).
3.4. При производстве работ по монтажу лифтового оборудования на действующих предприятиях, зданиях и сооружениях монтажной организацией должны учитываться особые условия транспортирования конструкций и материалов. 3.5. Работы по монтажу объемных железобетонных блоков (тюбингов) должны производиться с учетом требований СНиП III-16-80. 3.6. Сварочные работы, выполняемые при монтаже лифтового оборудования, должны производиться лицами, имеющими удостоверение на право производства сварочных работ. 3.7. Прокладка электропроводок, заземления, подсоединение проводов и кабелей к электроаппаратам и оборудованию должны выполняться по технической документации предприятия-изготовителя лифтового оборудования с учетом требований Правил устройства электроустановок, утвержденных Минэнерго СССР. Монтаж аппаратов и схем автоматики, связи и сигнализации должен быть выполнен в соответствии с технической документацией предприятия-изготовителя лифтового оборудования.
(Измененная редакция, Изм. № 1).
3.8. Строительно-отделочные работы должны выполняться после окончания работ по монтажу оборудования лифта. Штукатурные работы в тех случаях, когда выполнение их предусмотрено проектом, должны быть выполнены до начала монтажа оборудования лифта. Передача лифта под строительно-отделочные работы должна быть оформлена актом согласно обязательному приложению 4.
(Измененная редакция, Изм. № 2).
3.9. Монтажно-регулировочные работы по механической части лифта, а также пусконаладочные работы по электрической части, системам контроля и сигнализации должны выполняться после завершения строительно-отделочных работ. Передача лифта под указанные выше работы должна быть оформлена актом согласно приложению 5.
(Измененная редакция, Изм. № 1).
3.10. Температура воздуха в машинном помещении и шахте при выполнении наладочных работ не должна быть ниже плюс 5°С. 3.11. Во всех случаях вынужденного прекращения монтажа оборудования генеральный подрядчик (заказчик) должен по акту принять лифт в любой стадии монтажа на ответственное хранение.
(Измененная редакция, Изм. № 2).
3.12. Приемку лифта в эксплуатацию осуществляют в соответствии с порядком, установленным Правилами устройства и безопасной эксплуатации лифтов Госгортехнадзора СССР, с оформлением актов по приложению 6 и 7.
(Измененная редакция, Изм. № 1).
3.13. (Исключен, Изм. № 1).
4. Контроль и испытания
4.1. Каждый вновь смонтированный лифт до пуска в эксплуатацию должен подвергаться проверкам и испытаниям с целью установления соответствия его параметров и размеров, указанных в паспорте, и его пригодности для безопасной работы и технического обслуживания. 4.2. Испытания лифтов должны выполняться в соответствии с требованиями Правил устройства и безопасной эксплуатации лифтов Госгортехнадзора СССР. 4.3. Средства измерения, применяемые для контроля качества работ, должны проходить периодическую проверку согласно ГОСТ 8.513-84. 4.4. Контроль качества сварных соединений следует проводить методом внешнего осмотра и измерения по ГОСТ 3242-79. 4.5. Отклонение элементов конструкций шахт лифтов от симметричности и перпендикулярности следует контролировать отвесом на стальной проволоке по ГОСТ 3282-74 с грузом не менее 10 кг, а оборудованию - отвесом ОТ50, ОТ100, ОТ200, ОТ400, ОТ600 по ГОСТ 7948-80. 4.6. Отклонение элементов конструкций шахт лифтов и оборудования от параллельности, относительно горизонтальной плоскости (базы), следует контролировать брусковым уровнем по ГОСТ 9392-89 или строительным первой группы по ГОСТ 9416-83.
4.3-4.6. (Измененная редакция, Изм. № 1).
4.7. Зазоры между элементами оборудования следует контролировать щупом.
(Измененная редакция, Изм. № 2).
4.8. Линейные размеры следует контролировать металлической измерительной рулеткой по ГОСТ 7502-80 или линейкой по ГОСТ 427-75. 4.9. Отклонения от плоскостности и параллельности боковых поверхностей направляющих следует контролировать приспособлением, изготовленным по рабочим чертежам, утвержденным в установленном порядке.
(Измененная редакция, Изм. № 1).
4.10. (Исключен, Изм. № 1).
4.11. Приемка электромонтажных работ и контроль за их выполнением должны производиться в соответствии с требованиями конструкторской документации завода-изготовителя лифта.
(Измененная редакция, Изм. № 1).
4.12. По завершении работ по монтажу, регулировке и обкатке лифта должна бытьпроведена звукопроницаемость строительных конструкций в помещениях, примыкающих к шахте и машинному помещению. Результаты проверки должны быть оформлены актом санитарно-эпидемиологической станции.
5. Требования безопасности
5.1. При производстве работ по монтажу лифтового оборудования необходимо соблюдать требования СНиП III-4-80, Правила техники безопасности при эксплуатации электроустановок потребителей, Правила технической эксплуатации электроустановок потребителей, утвержденные Минэнерго СССР, а также технические решения и организационные мероприятия по безопасности производства монтажных работ, указанные в инструкции, приведенной в п.1.2.
6. Гарантия монтажа
6.1. Организации, выполняющие работы по монтажу лифтового оборудования, должны гарантировать нормальную работу лифтов в части, относящейся к их монтажу, в течение 6 мес, а в жилых домах - в течение двух лет со дня подписания акта технической готовности и приемки лифта, при условии соблюдения владельцем правил эксплуатации.
Приложение 1 Обязательное
АКТ № ____________
готовности строительной части к производству работ по монтажу оборудования лифта
" " _________19 г.
__________________________________________________________________________________ стройка и ее местонахождение
Настоящий акт составлен в том, что ___________________________________________________ шахта, блочное помещение, __________________________________________________________________________________ машинное помещение наименование типа лифта № _______________________________ готова (о) заводской номер
к производству работ по монтажу оборудования лифта в соответствии с требованиями ГОСТ 22845-85 __________________________________________________________________________
Примечания: 1. Исполнительная схема строительной части шахты выполнена в соответствии с чертежом, приведенным в приложении к настоящему акту, и результаты фактических измерений внесены в таблицу этого приложения. 2. _____________________________________________________________________________
Сдал:
Представитель строительной организации (заказчик)
Должность Личная подпись Расшифровка подписи
Принял: Дата
Представитель монтажной организации
Должность Личная подпись Расшифровка подписи
Дата
Приложение к акту готовности строительной части к производству работ по монтажу оборудования лифта.
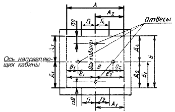
Исполнительная схема строительной части шахты лифта
А, А1, Б, Б1, В - размеры, определяемые монтажным (установочным) чертежом. Размер В равен расстоянию между направляющими кабины минус 50 мм; А2, Г3, Г4 - размеры для лифта с проходной кабиной; Е1, Е2 - размеры для лифта с раздвижными дверями шахты
Результаты фактических измерений
Строительная организация Личная подпись Расшифровка подписи
Должность Дата
Приложение 2 Обязательное
АКТ № ____________
готовности подмостей (лесов - в случаях, предусмотренных ПОС), установленных в шахте, и ограждений дверных проемов шахты к производству работ по монтажу лифтового оборудования
"______" ______________19 г.
__________________________________________________________________________________ стройка и ее местонахождение
Настоящий акт составлен в том, что подмости (леса - в случаях, предусмотренных ПОС), установленные в шахте, и ограждения дверных проемов шахты____________________________________________________________________________ наименование типа
лифта № ____________________________готовы к производству работ по монтажу заводской номер
оборудования лифта и соответствуют требованиям СНиП III-4-80.
Примечания: 1. _____________________________________________________________________________ 2. _____________________________________________________________________________
Сдал:
Представитель строительной организации
Должность Личная подпись Расшифровка подписи
Принял: Дата
Представитель монтажной организации
Должность Личная подпись Расшифровка подписи
Дата
Приложение 3 Обязательное
АКТ № _______
приемки оборудования в монтаж
Акт составлен _____________________________________________________________________ место составления акта
Передано _________________________________________________________________________ наименование монтажной организации
перечисленное ниже оборудование для его монтажа в ____________________________________
__________________________________________________________________________________ наименование здания, сооружения, цеха
При приемке оборудования в монтаж установлено следующее
1. Оборудование
__________________________________________________________________________________
__________________________________________________________________________________
__________________________________________________________________________________
2. Оборудование передано
__________________________________________________________________________________
__________________________________________________________________________________
__________________________________________________________________________________
3. Дефекты при наружном осмотре оборудования
__________________________________________________________________________________
__________________________________________________________________________________
__________________________________________________________________________________
Примечание. Дефекты, обнаруженные при ревизии, монтаже и испытании оборудования, подлежат актированию отдельно.
4. Заключение о пригодности к монтажу
__________________________________________________________________________________
__________________________________________________________________________________
__________________________________________________________________________________
Сдал:
Представитель заказчика
Должность Личная подпись Расшифровка подписи
Принял: Дата
Представитель монтажной организации
Должность Личная подпись Расшифровка подписи
Дата
Приложение 4 Обязательное
АКТ № ____________
готовности лифта к производству отделочных работ
"_____" _________19 г.
__________________________________________________________________________________ стройка и ее местонахождение
Настоящий акт составлен в том, что полностью смонтированный
_________________________________ лифт № _________________________________________ наименование типа заводской номер
готов к производству отделочных работ
Примечания: 1. Все оборудование полностью обесточено. 2. Отделочные работы по шахте должны выполняться с ________________________________
__________________________________________________________________________________
Сдал:
Представитель монтажной организации
Должность Личная подпись Расшифровка подписи
Принял: Дата
Представитель строительной организации
Должность Личная подпись Расшифровка подписи
Дата
Приложение 5 Обязательное
АКТ № ________
готовности лифта к производству механо-регулировочных и пусконаладочных работ
"_____"__________19 г.
__________________________________________________________________________________ стройка и ее местонахождение
Настоящий акт составлен в том, что ________________________________________________ наименование типа
лифта № ________________________________________ готов к производству наладочных работ заводской номер
Примечания: 1. _____________________________________________________________________________ 2. _____________________________________________________________________________
Сдал:
Представитель строительной организации
Должность Личная подпись Расшифровка подписи Дата
Принял: Принял:
Представитель монтажной Представитель пусконаладочной организации организации
Должность Должность
Личная подпись Личная подпись
Дата Дата
Расшифровка подписи Расшифровка подписи
Приложение 6 Справочное
АКТ
технической готовности лифта
"_____" __________19 г. Город ________________________
Мы, нижеподписавшиеся, представитель организации, смонтировавшей лифт (выполнившей реконструкцию) ____________________________________________________________________
__________________________________________________________________________________
__________________________________________________________________________________ (наименование организации, должность, ф. и. о.)
и представитель генподрядной организации ____________________________________________
__________________________________________________________________________________ (наименование организации, должность, ф. и. о.)
составили настоящий акт в том, что завершены монтаж и наладочные работы, проведены осмотр, проверка и испытание лифта в соответствии с требованиями Правил устройства и безопасной эксплуатации лифтов.
Лифт установлен по адресу:
Город __________________________________, район ____________________________________
улица __________________________________, дома _____________________________________
в ________________________________________________________________________________ (назначение здания - жилое, общественное, промышленное)
Характеристика лифта
Тип ______________________________________________________________________________ (пассажирский, грузовой и др.)
Грузоподъемность _______________________ кг
Номинальная скорость ___________________ м/с
Высота подъема _________________________ м
Число остановок_________________________
Заводской номер _________________________
Год изготовления_________________________
Лифт прошел осмотр и проверку, выдержал испытания, находится в исправном состоянии и готов к приемке в эксплуатацию. Примечание. До сдачи в эксплуатацию ответственность за сохранность лифта несет генподрядчик (заказчик).
Представитель монтажной организации _________________________ (личная подпись)
Представитель генподрядной строительной организации _________________________ (личная подпись) (Измененная редакция, Изм. № 1).
Приложение 7 Справочное
АКТ
приемки лифта в эксплуатацию
«_____» __________19 г. Город ________________________
Мы, нижеподписавшиеся, инспектор* ______________________________________________
__________________________________________________________________________________ (наименование органа Госгортехнадзора, ф. и. о.) ________________ * Участие инспектора Госгортехнадзора в приемке грузового малого лифта не требуется.
Представитель администрации организации (предприятия) - владельца лифта
__________________________________________________________________________________ (наименование организации (предприятия)),
__________________________________________________________________________________ (должность, ф. и. о.)
Представитель заказчика ____________________________________________________________ (наименование организации должность, ф. и. о.)
Представитель монтажной организации, смонтировавшей лифт (выполнивший реконструкцию)
__________________________________________________________________________________ (наименование организации должность, ф. и. о.)
Представитель генподрядной строительной организации
__________________________________________________________________________________ (наименование организации должность, ф. и. о.)
Ответственный за исправное состояние и безопасную эксплуатацию лифта
__________________________________________________________________________________ (наименование организации должность, ф. и. о.)
__________________________________________________________________________________
составили настоящий акт в том, что проведен контрольный осмотр лифта в объеме, предусмотренном Правилами устройства и безопасной эксплуатации лифтов.
Лифт установлен по адресу:
Город __________________________________, район ____________________________________
улица __________________________________, дома _____________________________________
в ________________________________________________________________________________ (назначение здания - жилое, общественное, промышленное)
Характеристика лифта
Тип ______________________________________________________________________________ (пассажирский, грузовой и др.)
Грузоподъемность _______________________ кг
Номинальная скорость ___________________ м/с
Высота подъема _________________________ м
Число остановок_________________________
Заводской номер _________________________
Год изготовления_________________________
Осмотром и проверкой установлено, что строительные, монтажные и пусконаладочные работы выполнены в соответствии с рабочей технической документацией, установочным чертежом, Правилами устройства и безопасной эксплуатации лифтов. Лифт находится в исправном состоянии, обеспечивающем его безопасную работу и соответствует паспортным данным и Правилам устройства и безопасной эксплуатации лифтов. Обслуживание лифтов соответствует Правилам устройства и безопасной эксплуатации лифтов. Лифт принят в эксплуатацию владельцем и лицом, ответственным за исправное состояние и безопасное действие лифта. Эксплуатация лифта разрешается с номинальной грузоподъемностью сроком до __________________________________________________________________________________
Лифт сдали: ___________________________________ (личная подпись) Представитель заказчика ___________________________________ (личная подпись) Представитель Генподрядной строительной организации ___________________________________ (личная подпись) Представитель монтажной организации ___________________________________ (личная подпись) Лифт приняли:
Представитель предприятия (организации) - владелец лифта ___________________________________ (личная подпись) Ответственный за исправное состояние и безопасную эксплуатацию лифта ___________________________________ (личная подпись) __________________________________________________________________________________
Председатель комиссии - инспектор Госгортехнадзора ___________________________________ (личная подпись) (Введено дополнительно, Изм. № 1).
| |||||||||||||||||||||||||||||||||||||||||||||||||||||||||||||||||||||||||||||||||||||||||||||||||||||||||||||||||||||||||||||||||||||||||||||||||||||||||||
Хотите оперативно узнавать о новых публикациях нормативных документов на портале? Подпишитесь на рассылку новостей!
| Смотрите также: |
Каталог «Лестницы, лифты, эскалаторы» >>
Компании «Лестницы, лифты, эскалаторы» >> Статьи (13) >> ГОСТы (33) >> Подписка на рассылки >> |
Задать вопрос в форуме >> Форум "Лестницы" >> |
