ГОСТ 17776-72* Пластины опорные к установочным пальцам. Конструкция
|
ГОСУДАРСТВЕННЫЙ СТАНДАРТ СОЮЗА ССР |
|
|
ПЛАСТИНЫ ОПОРНЫЕ К УСТАНОВОЧНЫМ ПАЛЬЦАМ Конструкция Rest plates for locating pins. Design |
ГОСТ |
(Измененная редакция, Изм. № 2).
Постановлением Государственного комитета стандартов Совета Министров СССР от 6 июня 1972 г. № 1138 срок введения установлен
с 01.01.1974 г.
Проверен в 1980 г. Срок действия ограничен
до 01.01.1990 г.
Несоблюдение стандарта преследуется по закону
1. Настоящий стандарт распространяется на опорные пластины, предназначенные для применения в станочных приспособлениях с высокими установочными пальцами по ГОСТ 17774-72 и ГОСТ 17775-72.
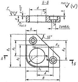
2. Конструкция и размеры пластин должны соответствовать указанным на чертеже и в таблице.

(Измененная редакция, Изм. № 2).
|
Обозначение пластин |
Применяемость |
d (пред. откл. по H12) |
Н (пред. откл. по h6 или |
B=B1 |
А=А1 |
А2=А3 |
d1 |
b |
b1=b2 |
h |
r |
с |
Масса, кг » |
|
7034-0531 |
|
10 |
5 |
25 |
11 |
14 |
3,4 |
6 |
16 |
0,6 |
8 |
0,4 |
0,011 |
|
7034-0532 |
|
12 |
6 |
30 |
14 |
16 |
4,5 |
8 |
18 |
9 |
0,020 |
||
|
7034-0533 |
|
14 |
18 |
10 |
20 |
10 |
0,021 |
||||||
|
7034-0534 |
|
18 |
8 |
40 |
18 |
23 |
5,5 |
12 |
26 |
1,0 |
13 |
0,6 |
0,046 |
|
7034-0535 |
|
22 |
45 |
21 |
28 |
14 |
32 |
16 |
0,058 |
||||
|
7034-0536 |
|
26 |
10 |
53 |
25 |
32 |
6,6 |
56 |
36 |
18 |
0,098 |
||
|
7034-0537 |
|
34 |
63 |
30 |
42 |
20 |
46 |
23 |
0,140 |
||||
|
7034-0538 |
|
42 |
12 |
75 |
36 |
53 |
9,0 |
25 |
56 |
28 |
0,231 |
||
|
7034-0539 |
|
52 |
16 |
95 |
45 |
65 |
28 |
68 |
210 |
34 |
1,0 |
0,474 |
- припуск на шлифовку при сборке или в комплекте.
Пример условного обозначения опорной пластины размером d = 10 мм с предельными отклонениями размера H по h6:
Пластина 7034-0531 h6 ГОСТ 17776-72
То же, с предельными
отклонениями размера ![]()
Пластина 7034-0531 ГОСТ 17776-72
(Измененная редакция, Изм. № 1).
3. Материал-сталь марки 20Х по ГОСТ 4543-71. Допускается замена на сталь других марок с механическими свойствами не ниже, чем у стали марки 20Х.
4. Цементировать, глубина цементированного слоя 0,8...1,2 мм. Твердость - HRC 55...60.
5. Шероховатость поверхности Г
для, пластин, изготовляемых с припуском по размеру
до шлифовки - не
более Rz6,3 мкм.
Окончательная шероховатость этой поверхности задается конструктором.
(Измененная редакция, Изм. № 2).
5а. Опорные поверхности под крепежные детали - по ГОСТ 12876-67.
(Введен дополнительно, Изм. № 1, № 2).
6. Неуказанные предельные отклонения размеров: ![]()
(Измененная редакция, Изм. № 1).
7. Покрытие - Хим. Окс. прм (обозначение покрытия - по ГОСТ 9.073-77). По соглашению с потребителем допускается применение других видов защитных покрытий.
8. Маркировать: наименование и обозначение изделия, обозначение настоящего стандарта и товарный знак предприятия-изготовителя. Маркировку нанести на тару или упаковку для пластин одного типоразмера.
Хотите оперативно узнавать о новых публикациях нормативных документов на портале? Подпишитесь на рассылку новостей!