ГОСТ 17257-87 Экскаваторы одноковшовые универсальные. Методы определения вместимости ковша

ГОСУДАРСТВЕННЫЙ СТАНДАРТ СОЮЗА ССР
ЭКСКАВАТОРЫ ОДНОКОВШОВЫЕ УНИВЕРСАЛЬНЫЕ
МЕТОДЫ ОПРЕДЕЛЕНИЯ ВМЕСТИМОСТИ КОВША
ГОСТ 17257-87
государственный КОМИТЕТ СССР ПО СТАНДАРТАМ
Москва
Содержание
ГОСУДАРСТВЕННЫЙ СТАНДАРТ СОЮЗА ССР
|
ЭКСКАВАТОРЫ ОДНОКОВШОВЫЕ УНИВЕРСАЛЬНЫЕ |
ГОСТ 17257-87 |
|
Методы определения вместимости ковша |
|
|
Universal one-bucket excavators. |
|
|
Methods for determination of bucket rated volume |
Срок действия с 01.01.88
до 01.01.98
Настоящий стандарт распространяется на одноковшовые универсальные экскаваторы и устанавливает расчетный и экспериментальный методы определения значений геометрической (расчетной) и номинальной вместимостей ковшей прямой и обратной лопат, погрузочного оборудования, грейфера и драглайна при проектировании, изготовлении и испытаниях.
Методы, приведенные в стандарте, предназначены для сравнения вместимостей ковшей. Стандарт не устанавливает методы определения фактической вместимости ковша, зависящей от условий работы.
Термины, применяемые в настоящем стандарте, и их пояснения приведены в рекомендуемом приложении.
1. РАСЧЕТНЫЙ МЕТОД
1.1. Ковши прямой лопаты, обратной лопаты с одной открытой стороной, погрузочный следует располагать так, чтобы плоскость, проходящая через верхние точки режущей кромки и задней стенки, была горизонтальной (черт. 1 - 3).
Ковши грейферный, обратной лопаты с двумя открытыми сторонами и драглайна следует располагать в соответствии с черт. 4, 5 и 6.
Ковш прямой лопаты

Ковш обратной лопаты с одной открытой стороной

1 - разделительная плоскость; 2 - разделительная поверхность
Ковш погрузочный

1.2. Геометрическую вместимость ковша Vг в м3 для ковша прямой лопаты, обратной лопаты с одной открытой стороной, погрузочного и грейферного следует определять как объем, ограниченный внутренними поверхностями днища, стенок и разделительной плоскостью Р (разделительной поверхностью), по формуле (1).
Ковш грейферный

Ковш обратной лопаты с двумя открытыми сторонами

Ковш драглайна

Геометрическую вместимость ковша Vг в м3 для ковша обратной лопаты с двумя открытыми сторонами и драглайна следует определять как объем, ограниченный внутренними поверхностями днища, стенок и поверхностью, образованной перемещением прямой, перпендикулярной к плоскости симметрии ковша по профилю его открытых сторон, по формуле
где А - площадь сечения внутреннего объема ковша, м2;
W - средняя ширина внутреннего объема ковша, м.
1.2.1. Среднюю ширину внутреннего объема ковшей W в м полукруглой формы определяют по черт. 7 и формуле (2); ковшей трапецеидальной формы - измеряют на расстоянии, составляющем 2/3 высоты ковша (черт. 8).
Ковш полукруглой формы

Черт. 7
, (2)
где В - ширина ковша, м;
Н - высота ковша, м.
Значение средней ширины внутреннего объема ковша W в м полукруглой формы принимают:
0,87 В - для прямой и обратной лопат;
0,85 В - для драглайна.
Ковш трапецеидальной формы

Черт. 8
Примечание. При вычислении геометрической вместимости ковшей местные выступы (зубья ковша, держатели зубьев, удлинители боковых и задних стенок или режущих кромок) не учитывают.
1.3. Номинальную вместимость ковша Vном в м3 для ковша прямой лопаты, обратной лопаты с одной открытой стороной, погрузочного и грейферного вычисляют как сумму геометрической вместимости ковша Vг и объема “шапки” Vш по формуле
Vном = Vг + Vш (3)
Номинальную вместимость ковша Vном в м3 для ковша обратной лопаты с двумя открытыми сторонами и драглайна определяют объемом, ограниченным внутренними поверхностями днища, стенок и плоскостью, образованной откосом грунта под углом 75° к горизонтали, а также поверхностью, образованной перемещением прямой, перпендикулярной к плоскости симметрии ковша по профилю другой открытой стороны ковша. При этом задние грани боковых стенок обратной лопаты должны находиться в вертикальном положении (черт. 5), а днище ковша драглайна должно находиться в горизонтальном положении (черт. 6).
Примечание. При вычислении номинальной вместимости ковшей местные выступы (зубья ковша, держатели зубьев, удлинители боковых и задних стенок или режущих кромок) не учитывают. Исключением является погрузочный ковш, у которого учитывают козырек задней стенки, но без защитного козырька.
1.3.1. Объем “шапки” Vш - объем материала, лежащего на разделительной плоскости Р (или разделительной поверхности) с уклоном 1:1 (45°) в ковшах типа “обратная лопата” (черт. 2) и с уклоном 2:1 (26°) в ковшах оборудования прямого копания и погрузочного (черт. 1, 3).
1.3.2. Геометрическую вместимость ковша и объем “шапки” грунта для погрузочных ковшей с непрямолинейной боковой кромкой и соотношением размеров Х/У более 12 (см. рекомендуемое приложение) в зависимости от формы и расположения задней стенки и режущей кромки определяют по черт. 9 - 13 и формулам (4)-(10).
1.3.2.1. Основной ковш (см. черт. 9).
Задняя стенка основного ковша не должна выступать за поперечную прямую, соединяющую задние углы боковых стенок, а режущая кромка не должна выступать за поперечную прямую, соединяющую передние углы боковых стенок.
Разделительная плоскость должна проходить в задней части ковша через прямую, идущую вдоль верхнего края задней стенки, а в передней части ковша - через прямую, идущую вдоль верхнего края режущей кромки.
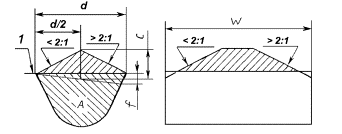
1.3.2.2. Ковш с выступающей прямолинейной кромкой (см. черт. 10)
Режущая кромка такого ковша должна быть прямолинейна в поперечном направлении и выступать за поперечную прямую, соединяющую передние углы боковых стенок, а задняя стенка не должна выступать за поперечную линию, соединяющую задние углы боковых стенок.

1 - разделительная плоскость;
геометрическую вместимость Vг, м3, определяют по формуле (1); объем “шапки” Vш, м3, определяют по формуле
, (4)
где d - поперечный размер в средней части ковша, м.
Разделительная плоскость должна проходить в передней части-ковша через прямую, идущую вдоль режущей кромки, а в задней части - через прямую, идущую вдоль верхнего края задней стенки.

1 - разделительная плоскость;
геометрическую вместимость Vг, м3, определяют по формуле
, (5)
где f - высота выступающей прямолинейной кромки, м;
объем “шапки” Vш, м3, определяют по формуле
, (6)
где С - высота “шапки”, м.
1.3.2.3. Ковши с выступающей задней стенкой (см. черт. 11)
Задняя стенка такого ковша должна выступать за поперечную линию, соединяющую задние углы боковых стенок, а режущая кромка не должна выступать за поперечную линию, соединяющую передние углы боковых стенок.
Разделительная плоскость должна проходить в задней части ковша через прямую, идущую вдоль верхнего края выступающей задней стенки, а в передней части - через прямую, идущую вдоль режущей кромки.

1 - разделительная плоскость;
геометрическую вместимость Vг, м3, определяют по формуле
, (7)
где e - высота выступающей задней стенки, м;
объем “шапки” Vш, м3, определяют по формуле
, (8)
Черт. 11
1.3.2.4. Ковш с непрямолинейной режущей кромкой (см. черт. 12).
Режущая кромка такого ковша должна выступать за поперечную линию, соединяющую передние углы боковых стенок, и не должна являться прямолинейной в поперечном направлении. Задняя стенка не должна выступать за поперечную прямую, соединяющую задние углы боковых стенок.
Разделительная плоскость должна проходить в передней части ковша через воображаемую поперечную прямую, проведанную па расстоянии 1/3 высоты выступа передней кромки, а в задней части - через прямую, идущую вдоль верхнего края задней стенки.

1 - разделительная плоскость;
геометрическую вместимость Vг, м3, определяют по формуле (5);
объем “шапки” Vш, м3, определяют по формуле (6);
1.3.2.5. Ковш с выступающими режущей кромкой и задней стенкой (см. черт. 13).
Режущая кромка такого ковша (прямолинейная или непрямолинейная) не должна выступать за прямую, соединяющую задние углы боковых стенок.
Разделительная плоскость должна проходить в задней части ковша через верхний край задней стенки, а в передней части - через верхний край прямолинейной режущей кромки или через точку, лежащую на высоте h/3, для случая непрямолинейной режущей кромки.

1 - разделительная плоскость;
геометрическую вместимость Vг, м3, определяют по формуле
; (9)
объем “шапки” Vш, м3, определяют по формуле
, (10)
1.4. Результаты определения геометрической и номинальной вместимости ковша должны быть внесены в формуляр (паспорт) экскаватора.
1.5. Номинальную вместимость в кубических метрах при публикации в качестве данных о номинальной вместимости ковшей по ИСО следует указывать с точностью, приведенной в табл. 1, - для ковшей типа “обратная лопата”, в табл. 2 - для ковшей оборудования прямого копания.
Таблица 1
м3
|
Номинальная вместимость для ковшей типа “обратная лопата” |
Точность |
|
До 0,2 включ. |
0,01 |
|
Св. 0,2 до 0,5 включ. |
0,02 |
|
» 0,5 » 3,0 » |
0,1 |
|
» 3,0 » 5,0 » |
0,2 |
Таблица 2
м3
|
Номинальная вместимость для ковшей оборудования прямого копания |
Точность |
|
До 0,6 включ. |
0,02 |
|
Св. 0,6 до 1,5 включ. |
0,05 |
|
» 1,5 » 2,5 » |
0,1 |
|
» 2,5 » 5,0 » |
0,2 |
|
» 5,0 » 10,0 » |
0,5 |
|
» 10,0 |
|
Значения, приведенные в табл. 2 для оборудования прямого копания, допускается распространять для ковшей грейфера и драглайна.
1.6. Если номинальная вместимость ковша, полученная расчетным путем, меньше входящей в данный ряд более чем на 2 %, то следует указывать ближайшую меньшую номинальную вместимость.
2. ЭКСПЕРИМЕНТАЛЬНЫЙ МЕТОД
2.1. При экспериментальном методе определения вместимости ковши следует располагать в соответствии с черт. 1 - 6.
2.2. Ковши следует заполнять сыпучим материалом в объеме, указанном в пп. 1.2 и 1.3.
2.3. Объем сыпучего материала в ковше определяют заполнением мерного ящика.
Материал в ковше и ящике не должен уплотняться.
2.4. Отклонение результатов измерений вместимости ковша экспериментальным методом от вместимости, указанной в формуляре (паспорте) экскаватора, - в пределах ±5 %.
ПРИЛОЖЕНИЕ
Рекомендуемое
ТЕРМИНЫ, ПРИМЕНЯЕМЫЕ В НАСТОЯЩЕМ СТАНДАРТЕ, И ИХ ПОЯСНЕНИЯ
1. Элементы конструкции ковша приведены на черт. 14.
Ковш с непрямолинейной боковой кромкой

1 - задняя стенка; 2 - боковая стенка; 3 - днище; 4 - зуб; 5 - режущая кромка
Черт. 14
2. Разделительная плоскость - горизонтальная плоскость, проходящая через режущую кромку и заднюю стенку по всей ширине ковша. Разделительную плоскость применяют при соотношении X/Y, равном или более 12.
3. Разделительная поверхность - контур, определяемый прямыми, проходящими через верхние края боковых стенок и параллельными режущей кромке. Разделительную поверхность применяют при соотношении X/Y менее 12.
4. Размер Х - размер зева ковша между режущей кромкой и задней стенкой.
5. Размер Y - расстояние по вертикали от верхней крайней точки режущей кромки до нижней точки контура боковой стенки.
ИНФОРМАЦИОННЫЕ ДАННЫЕ
1. РАЗРАБОТАН И ВНЕСЕН Министерством строительного, дорожного и коммунального машиностроения
ИСПОЛНИТЕЛИ
А. М. Крылов, канд. техн. наук (руководитель темы); Е. А. Востокова, Н. Н. Лукшо
2. УТВЕРЖДЕН И ВВЕДЕН В ДЕЙСТВИЕ Постановлением Государственного комитета СССР по стандартам от 25.05.87 № 1683
3. Срок проверки - 1993 г.
Периодичность проверки - 5 лет.
4. В стандарт введены международные стандарты ИСО 7451-83 и ИСО 7546-83.
5. ВЗАМЕН ГОСТ 17257-79
6. Переиздание. Январь 1988 г.
Хотите оперативно узнавать о новых публикациях нормативных документов на портале? Подпишитесь на рассылку новостей!
Все ГОСТы >> ГОСТы «Строительная техника и оборудование, грузоперевозки >>