ГОСТ 11011-85* Нефть и нефтепродукты. Метод определения фракционного состава в аппарате АРН-2

ГОСУДАРСТВЕННЫЙ СТАНДАРТ
СОЮЗА ССР
НЕФТЬ И НЕФТЕПРОДУКТЫ
МЕТОД ОПРЕДЕЛЕНИЯ
ФРАКЦИОННОГО
СОСТАВА В АППАРАТЕ АРН-2
ГОСТ 11011-85
ГОСУДАРСТВЕННЫЙ КОМИТЕТ СССР ПО СТАНДАРТАМ
Москва
РАЗРАБОТАН Министерством нефтеперерабатывающей и нефтехимической промышленности СССР
ИСПОЛНИТЕЛИ
Т.X. Мелик-Ахназаров, В.В. Булатников, Э.Ф. Каминский, К.А. Демиденко, Г.И. Москвина, З.В. Дриацкая, Л.А. Садовникова, Т.В. Еремина
ВНЕСЕН Министерством нефтеперерабатывающей и нефтехимической промышленности СССР
Член Коллегии В.А. Рябов
УТВЕРЖДЕН И ВВЕДЕН В ДЕЙСТВИЕ Постановлением Государственного комитета СССР по стандартам от 25 марта 1985 г. № 792
ГОСУДАРСТВЕННЫЙ СТАНДАРТ СОЮЗА ССР
|
НЕФТЬ И НЕФТЕПРОДУКТЫ. Метод определения
фракционного состава Petroleum and its products.
Method for |
ГОСТ Взамен |
Постановлением Государственного комитета СССР по стандартам от 25 марта 1985 г. № 792 срок действия установлен
с 01.01.86
до 01.01.91
Несоблюдение стандарта преследуется по закону
Настоящий стандарт устанавливает метод определения фракционного состава нефти и нефтепродуктов при атмосферном давлении и под вакуумом для построения кривой истинной температуры кипения (ИТК) нефти и нефтепродуктов, установления потенциального содержания в нефти отдельных фракций, нефтепродуктов или их компонентов и получения фракций нефти с целью исследования их физико-химических свойств группового и индивидуального углеводородного состава.
(Измененная редакция, Изм. № 1).
1. АППАРАТУРА, РЕАКТИВЫ И МАТЕРИАЛЫ
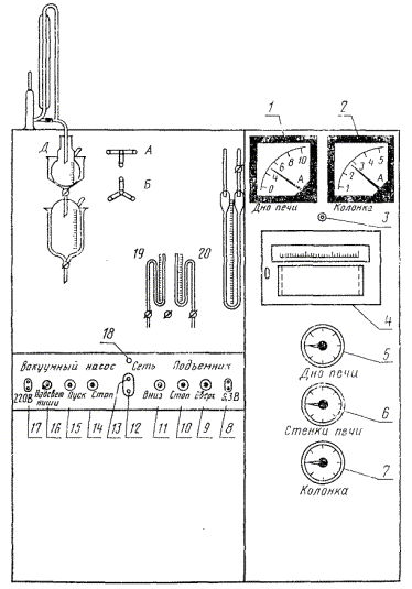
Аппарат АРН-2, рассчитанный на перегонку нефти до 450-500 °С, состоящий из технологического (черт. 1) и электрического блоков, которые смонтированы в одном металлическом каркасе (черт. 2).
Аппарат снабжен вакуумным насосом типа ВН-461-М или пластинчато-роторным типа 2НВр-5ДМ, или любым другим, обеспечивающим остаточное давление до 1,3·102 Па (1 мм рт. ст.) в течение 16 ч непрерывной работы, а также двумя кубиками на разную загрузку (1,9 и 3,0 дм3).
Ректификационная колонка диаметром 50 мм и высотой 1016 мм, обладающая погоноразделяющей способностью, соответствующей 20 теоретическим тарелкам при полном возврате орошения, имеющая электрообогрев и покрытая слоем изоляции.
1 - буферная емкость; 2 - манифольд; 3 - приемники; 4, 6, 19, 20, 21 - термопары; 5 - обратный холодильник; 7 - конденсатор; 8, 17 - накидные гайки; 9 - ректификационная колонка; 10, 15 - ловушки; 11, 12 - ртутные вакуумметры; 13 - дифференциальный манометр; 14 - вакуумный насос; 16 - трубка; 18 - решетка; 22 - кубик; 23 - печь; А - кран трехходовой; Б - полулунный кран; В, Г, Д, Ж, Е - краны; З - кран (зажим)
Черт. 1
1 - амперметр на 10 А; 2 - амперметр на 5 А; 3 - сигнальная лампа для контроля включения или выключения нагрева стенок печи; 4 - потенциометр автоматический марки ПС1-08 или КСП2-027; 5-7 - автотрансформаторы типа ЛАТР-1; 8 - розетка для нагрева электрокрючка; 9-15 - кнопки управления; 16 - лампа для подсвета ниши; 17 - розетка для включения переносной лампы или для обогрева переходной трубки от крана до приемника; 18 - сигнальная лампа для контроля включения или отключения аппарата от сети; 19, 20 - вакуумметры ртутные.
Черт. 2
Термопары, рассчитанные на температуру от 0 до 400 °С, которые вставляют в припаянные к колонке, кубику и головке конденсатора карманы.
Узел конденсации, предназначенный для полной конденсации паров, возврата части конденсата в виде орошения и для отбора конденсата, состоящий из конденсатора и обратного холодильника с краном для отбора дистиллята.
Электрическая печь, состоящая из двух самостоятельных секций обогрева (дно и бока), обеспечивающая нагрев нефти или нефтепродуктов до 380-400 ° С.
Дифференциальный манометр, заполненный керосиновой фракцией, служащий для замера перепада давления между кубиком и верхом колонки.
Краны манифольда (А и Б) и буферная емкость, служащие для выполнения операций по обеспечению установленного вакуума в системе при смене отбираемых фракций.
Ртутный вакууметр 11 (черт. 1), служащий для замера остаточного давления паров.
Ртутный вакууметр 12 (черт. 1), служащий для замера остаточного давления в нижнем приемнике при смене фракций во время перегонки под вакуумом.
Спирт этиловый ректификованный технический по ГОСТ 18300-87.
Нефрасы по ГОСТ 433-76 или фракция прямогонного бензина, соответствующего нефрасу.
Толуол реактивный по ГОСТ 5789-78 или толуол нефтяной по ГОСТ 14710-78, или толуол каменноугольный и сланцевый по ГОСТ 9880-76.
Спирто-толуольная смесь 1:1.
Керосин осветительный или фракция, соответствующая этому керосину по фракционному составу для заполнения дифференциального манометра.
Смазка ЦИАТИМ-221 по ГОСТ 9433-80 или любая вакуумная смазка.
Секундомер.
Цилиндр мерный вместимостью 1000 см3 по ГОСТ 1770-74.
Колбы любого исполнения типа П или Кн по ГОСТ 25336-82.
Ткань асбестовая или из стеклянного волокна.
Проволока нихромовая по ГОСТ 12766.1-77 марки Х20Н80-Н диаметром 0,5 мм.
Весы лабораторные общего назначения с пределом взвешивания 1000 и 10000 г 3-го класса точности.
(Измененная редакция, Изм. № 1).
2. ПОДГОТОВКА К ИСПЫТАНИЮ
2.1. В отобранной пробе нефти или нефтепродукта предварительно определяют по ГОСТ 13379-82 массовую долю растворенного в ней газа, включая бутан, которую используют при определении потенциального содержания нефтепродуктов.
Для перегонки на аппарате АРН-2 допускается нефть, газоконденсат или нефтепродукт с содержанием воды не более 0,5 % по ГОСТ 2477-82. При большем содержании воды нефть или нефтепродукт предварительно обезвоживают.
2.2. Подготовка аппарата
(Измененная редакция, Изм. № 1).
Во избежание уплотнения к мелкой насадке добавляют 250-270 см3 крупной. Объем насадки измеряют цилиндром.
2.2.2. После 25-30 перегонок в аппарате АРН-2, с учетом качества перегоняемых нефтей, но не реже одного раза в год, насадку в колонке обновляют. Для этого из колонки высыпают всю насадку, прокаливают ее в муфельной печи при температуре 500-600 °С до удаления кокса, затем охлаждают, перебирают и засыпают в колонку. В случае необходимости добавляют новую насадку, приготовленную в соответствии с п. 2.2.1, на 30-40 мм ниже верха колонки.
2.2.3. Верх кубика, верх колонки и переточную трубку головки-конденсатора изолируют теплоизоляционным материалом. Переточную трубку от крана Д (см. черт. 1) до приемника снабжают электрообогревом, для включения которого используют розетку 17 (черт. 2).
2.2.4. Проверяют аппарат на герметичность. Для этого кран А (черт. 3) ставят в положения 1, 3, 4; кран Б - в положения 6, 7 для соединения вакуумного насоса с атмосферой; кран Г закрывают; кран В открывают; кран Ж закрывают. Включают вакуумный насос и кран Б переводят в положения 5, 6.
После того, как остаточное давление достигнет 1,3·102 - 2,7·102 Па (1-2 мм рт. ст.), кран А переводят в положения 1, 2, 3, а затем кран Б переводят в положения 6, 7. Вакуумный насос останавливают.
2.2.5. Если аппарат собран герметично, остаточное давление 1,3·102 - 2,7·102 Па (1-2 мм рт. ст.) в системе не изменяется в течение 15-20 мин. Если аппарат не держит вакуум, его проверяют по частям для установления и устранения места течи.
Черт. 3
2.2.6. После каждой перегонки аппарат промывают 1 дм3 нефраса, затем продувают воздухом.
После проведения 10-12 перегонок аппарат промывают вначале спирто-толуольной смесью, а затем нефрасом.
При работе с высокосмолистыми нефтями с содержанием асфальтосмолистых веществ более 20 % и высокосернистыми нефтями с содержанием серы более 2 % аппарат промывают после трех перегонок спирто-толуольной смесью, затем нефрасом и продувают воздухом.
(Измененная редакция, Изм. № 1).
3. ПРОВЕДЕНИЕ ИСПЫТАНИЯ
3.1. Атмосферная перегонка
3.1.1. Перед началом перегонки все краны смазывают смазкой ЦИАТИМ-221 или другой вакуумной смазкой (необходимо следить, чтобы смазка не попала в отверстия кранов).
3.1.2. Краны манифольда ставят в следующие положения (см. черт. 3): кран А - 1,2, 4; кран Б - 5, 7; кран В открывают, кран Г закрывают, кран Ж и зажим З открывают.
3.1.3. В холодильник 5 узла конденсации (см. черт. 1) пускают воду с температурой не выше 25 °С, в рубашки приемников 3 (см. черт. 1) загружают лед.
3.1.4. Нефть или нефтепродукт в количестве 1,9 или 3,0 дм3 наливают в предварительно взвешенный кубик через горловину и взвешивают (см. черт. 1). Кубик соединяют с колонкой через накидную гайку 17, которую плотно завинчивают. Трубку 16 соединяют открытым концом через накидную гайку и переходную трубку с дифференциальным манометром 13.
3.1.5. В карман для термопары вставляют термопару 21 (см. черт. 1).
Для уменьшения потерь тепла место соединения кубика с колонкой и колонки с головкой конденсатором закрывают стеклянной или асбестовой тканью.
Кран Д (см. черт. 1 и 2) до начала перегонки закрывают.
3.1.6. Аппарат включают в электросеть нажимом кнопки 12 (см. черт. 2) при этом должна загореться сигнальная лампа 18 (см. черт. 2). Нажимом кнопки 9 (см. черт. 2) вверх поднимают электропечь. Включают потенциометр. Включают обогрев дна печи и колонки с помощью автотрансформаторов 5, 7 (черт. 2).
3.1.6.1. Обогрев стенки печи, используемый только при перегонке высокосмолистых нефтей, включают с помощью автотрансформатора 6 (см. черт. 2) только в начальный момент перегонки для более равномерного нагрева продукта. Через 30-40 мин обогрев стенки печи выключают.
3.1.6.2. Обогрев регулируют так, чтобы разгонка началась через 1,5-2 ч.
3.1.7. Кран Д (черт. 1) закрыт до тех пор, пока не установится равновесие в колонке. Признаком равновесия является прекращение колебания давления, определяемого по дифференциальному манометру, и стабилизация температуры паров.
После этого кран Д (черт. 1) открывают и начинают отбор фракций.
3.1.8. Перегонку нефти проводят со скоростью 3-4 см3/мин при загрузке 3 дм3 и 2-2,5 см3/мин - при загрузке 1,9 дм3. Скорость перегонки контролируют секундомером и измерением объема дистиллята в приемниках. Заданную скорость регулируют краном и электрообогревом печи и колонки при постоянном перепаде давления в дифференциальном манометре.
3.1.9. При нормальном режиме работы аппарата разность температуры паров в колонке и жидкости в кубике во время отбора бензиновых фракций должна быть выше 100 °С.
Отбор фракций при атмосферном давлении производят до температуры 200 °С (в случае высокосернистых и высокосмолистых нефтей - до 180 °С).
Фракции собирают в колбы и взвешивают с погрешностью не более 0,1 г.
3.1.10. При температуре паров 180-200 °С атмосферную перегонку прекращают: выключают обогрев печи и колонки при помощи автотрансформаторов 5, 7 (см. черт. 2), опускают печь нажимом кнопки 11, выключают потенциометр. Прекращают доступ воды в холодильник.
Нажимом кнопки 13 (см. черт. 2) аппарат отключают от электросети.
3.2. Вакуумная перегонка
3.2.1. После отбора бензиновых фракций при атмосферном давлении начинают вакуумную перегонку. Фракции, выкипающие при температуре до 320 °С, отбирают при остаточном давлении 1,3·103 - 1,6·103 Па (10-12 мм рт. ст.), фракции, выкипающие выше 320 °С - при остаточном давлении 1,3·102 - 2,7·102 Па (1-2 мм рт. ст.), которое определяется по ртутному вакууметру 11. Пересчет температур производят по номограмме (черт. 4). Допускается пересчет температур производить по табл. 1-14 справочного приложения 1.
Перед началом вакуумной перегонки тщательно смазывают все краны.
(Измененная редакция, Изм. № 1).
3.2.2. При отборе фракций, выкипающих при температуре 200-320 °С, в холодильник пускают воду, в рубашки приемников наливают холодную воду. Перед началом перегонки краны манифольда ставят согласно обозначениям на черт. 3 в следующие положения: А - 1, 3, 4; Б - 5, 6; Г закрывают, В открывают, кран Ж и зажим З полностью открывают.
3.2.3. Включение аппарата - по п. 3.1.6. Нажимом кнопки 15 (см. черт. 2) включают вакуумный насос. Постепенным завинчиванием зажима З (см. черт. 3) остаточное давление доводят до 1,3·103 Па (10 мм рт. ст.) по показанию вакуумметра 11 (см. черт. 1).
Обогрев регулируют так, чтобы перегонка началась через 2,0-2,5 ч.
Кран Д (см. черт. 1) так же, как и при атмосферной перегонке, не открывают до тех пор, пока не установится равновесие в колонке.
При нормальном режиме работы аппарата разность температур жидкости в кубике и паров в головке конденсатора должна быть для керосиновых фракций - 80-100 °С, для дизельных и масляных фракций - 40-80 °С.
Показания дифференциального манометра (мм керосинового столба) при отборе керосино-газойлевых и масляных фракций не должны превышать 100 мм. Увеличение разности давления и дифференциальном манометре выше 100 мм свидетельствует о нарушении баланса нагрева кубика и колонки. В этом случае необходимо не увеличивать нагрев кубика или постепенно увеличить нагрев колонки.
3.2.4. После того, как в колонке установится равновесие, кран Д (см. черт. 1) открывают и начинают отбирать фракции.
3.2.5. Для смены фракций закрывают кран В (см. черт. 3), кран Б плавно ставят в положения 5, 7 для соединения нижней воронки приемника с атмосферой, затем открывают кран Г и фракцию спускают в предварительно взвешенную колбу.
Кран Г закрывают, кран А переводят в положения 1, 2, 3 и кран Б ставят в положения 5, 6 для откачивания воздуха из нижней воронки.
После того, как остаточное давление в нижней воронке и остаточное давление в остальной системе будут равны, что фиксируется показаниями вакуумметров 11, 12 (см черт. 1), кран В открывают, кран А ставят в положения 1, 3, 4 и перегонку продолжают.
При 1,3·103 - 1,6·103 Па (10-12 мм рт. ст.) отбирают фракцию с температурой кипения 200-320 °С при нормальном давлении.
3.2.6. При температуре паров 320 °С выключают обогрев печи и колонки.
Доступ воды в холодильник прекращают, в рубашки приемника наливают горячую воду. Через 5-7 мин включают обогрев печи и колонки и, постепенно закрывая кран Ж (см. черт. 1), доводят остаточное давление до 1,3·102 - 2,7·102 Па (1-2 мм рт. ст.).
3.2.7. Для подогрева парафинистых продуктом, проходящих через краны В и Г (см. черт. 1), может быть использован электрокрючок, который нагревается через розетку 8 (см черт. 2) при включении в электросеть, или горячая вода, заливаемая в рубашки приемников.
3.2.8. Смена фракций при остаточном давлении l,3·102 - 2,7·102 Па (1-2 мм рт. ст.) происходит так же, как и при отборе керосиновых фракций при остаточном давлении 1,3·103 Па (10 мм рт. ст.).
3.2.9. После окончания перегонки выключают потенциометр, выключают обогрев печи и колонки, опускают печь, кран А ставят в положения 1, 2, 3; кран Б - в положения 6, 7; после этого выключают насос. Таким образом, вся система (кубик, колонка, приемник, буферная емкость и т.д.) остается под вакуумом.
3.2.10. Колонку и кубик охлаждают до комнатной температуры. Затем кран Б (см. черт. 3) ставят в положения 5, 7; кран А - в положения 1, 3, 4, т.е. всю систему соединяют с атмосферой. После этого кубик отсоединяют от колонки, взвешивают вместе с остатком, после чего остаток выливают.
3.2.11. При проведении вакуумной перегонки сразу же после атмосферной, отключают обогрев колонки и кубика (опускают печь). После того, как в кубике температура понизится до 180-200 °С, включают вакуум-насос и создают вакуум в системе, постепенно доводя его до остаточного давления 1,3·103 - 1,6·103 Па (10-12 мм рт. ст.), а затем включают обогрев кубика и колонки. При достижении температуры паров 320 °С разгонку продолжают по п. 3.2.6.
4. ОБРАБОТКА РЕЗУЛЬТАТОВ
4.1. Массу отобранных фракций определяют как разность масс колбы с отобранной фракцией и пустой колбы.
4.2. Определяют массовые доли выхода отдельных фракций и остатка от массы пробы нефти или нефтепродукта, взятых для перегонки, и записывают в таблицу, пример которой приведен в справочном приложении 2. Для составления материального баланса определяют суммарный выход фракций с учетом содержания газа. Потери при перегонке вычисляют как разность 100 % и суммарного выхода фракций и остатка. Потери не должны превышать 2,5 %.
(Новая редакция, Изм. № 1).
4.3. (Исключен, Изм. № 1).
4.4. Строят кривую истинной температуры кипения перегоняемого продукта (ИТК) на основании зависимости температуры конца кипения отдельной фракции от ее суммарного выхода. На оси абсцисс откладывают суммарный выход фракции в процентах, на оси ординат - конечную температуру кипения соответствующей фракции. Полученные точки соединяют плавной линией.
(Измененная редакция, Изм. № 1).
4.5. По кривой перегонки (ИТК) устанавливают потенциальное содержание в нефти отдельных фракций нефтепродуктов или их компонентов.
5. Точность метода
5.1. Сходимость
Два результата определения, полученные одним исполнителем, признаются достоверными (с 95 %-ной доверительной вероятностью), если расхождение между ними не превышает:
1 % - при отборе фракций до 200 °С;
2 % - » » » свыше 200 до 320 °С;
2 % - » » » свыше 320 °С.
5.2. Воспроизводимость
Два результата испытания, полученные в двух разных лабораториях, признаются достоверными (с 95 %-ной доверительной вероятностью), если расхождение между ними не превышает:
6 % - при отборе фракций до 200 °С;
8 % - » » » свыше 200 до 320 °С;
5 % - » » » свыше 320 °С.
Раздел 5. (Введен дополнительно, Изм. № 1).
ПРИЛОЖЕНИЕ 1
Справочное
ТАБЛИЦЫ
для пересчета фактических температур кипения в вакууме на температуры кипения
при давлении 101,1·103
Па (760 мм рт. ст.)
|
Фактическая температура кипения при остаточном давлении 6,7·10 Па (0,50 мм рт. ст.), °С |
Температура кипения при нормальном давлении, °С |
|||||||||
|
0 |
1 |
2 |
3 |
4 |
5 |
6 |
7 |
8 |
9 |
|
|
40 |
214 |
215 |
217 |
218 |
220 |
221 |
222 |
224 |
225 |
227 |
|
50 |
228 |
229 |
230 |
231 |
232 |
233 |
235 |
236 |
237 |
238 |
|
60 |
239 |
240 |
242 |
243 |
245 |
246 |
247 |
249 |
250 |
252 |
|
70 |
253 |
254 |
255 |
257 |
258 |
259 |
260 |
261 |
263 |
264 |
|
80 |
265 |
266 |
268 |
269 |
270 |
271 |
273 |
274 |
275 |
277 |
|
90 |
278 |
279 |
280 |
282 |
283 |
284 |
285 |
286 |
288 |
289 |
|
100 |
290 |
291 |
293 |
294 |
296 |
297 |
298 |
300 |
301 |
303 |
|
110 |
304 |
305 |
307 |
308 |
309 |
311 |
312 |
313 |
314 |
316 |
|
120 |
317 |
318 |
320 |
321 |
322 |
324 |
325 |
326 |
327 |
329 |
|
130 |
330 |
331 |
333 |
334 |
336 |
337 |
338 |
340 |
341 |
343 |
|
140 |
344 |
345 |
346 |
347 |
348 |
349 |
351 |
352 |
353 |
354 |
|
150 |
355 |
356 |
357 |
359 |
360 |
361 |
362 |
364 |
365 |
366 |
|
160 |
367 |
368 |
369 |
370 |
372 |
373 |
374 |
375 |
377 |
378 |
|
170 |
379 |
380 |
381 |
382 |
383 |
385 |
386 |
387 |
388 |
389 |
|
180 |
390 |
391 |
392 |
393 |
394 |
396 |
397 |
398 |
399 |
400 |
|
190 |
401 |
402 |
403 |
405 |
406 |
407 |
408 |
409 |
411 |
412 |
|
200 |
413 |
414 |
415 |
417 |
418 |
419 |
420 |
421 |
423 |
424 |
|
210 |
425 |
426 |
427 |
429 |
430 |
431 |
432 |
433 |
435 |
436 |
|
220 |
437 |
438 |
439 |
441 |
442 |
443 |
444 |
446 |
447 |
448 |
|
230 |
449 |
450 |
451 |
452 |
453 |
455 |
456 |
457 |
458 |
459 |
|
240 |
460 |
461 |
462 |
464 |
465 |
466 |
467 |
468 |
470 |
471 |
|
250 |
472 |
473 |
474 |
475 |
476 |
477 |
478 |
479 |
480 |
481 |
|
260 |
482 |
483 |
484 |
486 |
487 |
488 |
489 |
490 |
492 |
493 |
|
270 |
494 |
495 |
496 |
498 |
499 |
500 |
501 |
502 |
504 |
505 |
Таблица 2
|
Фактическая температура кипения при остаточном давлении 1,3·102 Па (1 мм рт. ст.), °С |
Температура кипения при нормальном давлении, °С |
|||||||||
|
0 |
1 |
2 |
3 |
4 |
5 |
6 |
7 |
8 |
9 |
|
|
40 |
202 |
204 |
206 |
207 |
208 |
209 |
210 |
212 |
213 |
215 |
|
50 |
216 |
217 |
218 |
219 |
220 |
222 |
223 |
224 |
226 |
227 |
|
60 |
228 |
230 |
231 |
232 |
233 |
234 |
235 |
237 |
238 |
240 |
|
70 |
242 |
243 |
244 |
245 |
247 |
248 |
249 |
250 |
252 |
253 |
|
80 |
254 |
255 |
256 |
257 |
258 |
259 |
260 |
261 |
263 |
265 |
|
90 |
266 |
268 |
269 |
270 |
272 |
273 |
274 |
276 |
277 |
278 |
|
100 |
280 |
281 |
282 |
283 |
284 |
286 |
287 |
289 |
290 |
291 |
|
110 |
292 |
293 |
294 |
295 |
297 |
298 |
300 |
301 |
302 |
303 |
|
120 |
304 |
306 |
308 |
309 |
310 |
312 |
314 |
315 |
317 |
318 |
|
130 |
319 |
320 |
322 |
323 |
325 |
326 |
327 |
328 |
329 |
330 |
|
140 |
332 |
333 |
334 |
335 |
336 |
337 |
338 |
339 |
340 |
342 |
|
150 |
343 |
345 |
347 |
348 |
349 |
350 |
352 |
353 |
354 |
356 |
|
160 |
357 |
358 |
359 |
360 |
362 |
363 |
364 |
365 |
366 |
367 |
|
170 |
368 |
369 |
370 |
372 |
373 |
374 |
376 |
377 |
378 |
379 |
|
180 |
380 |
381 |
382 |
383 |
384 |
385 |
386 |
387 |
388 |
389 |
|
190 |
390 |
391 |
392 |
393 |
394 |
395 |
396 |
397 |
398 |
400 |
|
200 |
401 |
402 |
403 |
404 |
406 |
407 |
408 |
410 |
411 |
412 |
|
210 |
413 |
414 |
415 |
416 |
417 |
418 |
419 |
420 |
422 |
423 |
|
220 |
424 |
426 |
427 |
428 |
429 |
430 |
432 |
433 |
434 |
435 |
|
230 |
433 |
437 |
439 |
441 |
442 |
443 |
444 |
445 |
446 |
447 |
|
240 |
448 |
450 |
451 |
452 |
453 |
454 |
455 |
456 |
458 |
459 |
|
250 |
460 |
462 |
463 |
464 |
465 |
466 |
468 |
469 |
470 |
471 |
|
260 |
472 |
474 |
475 |
476 |
478 |
479 |
480 |
481 |
482 |
483 |
|
270 |
484 |
485 |
486 |
487 |
488 |
489 |
490 |
491 |
492 |
493 |
|
280 |
494 |
495 |
496 |
497 |
498 |
499 |
500 |
501 |
502 |
503 |
|
290 |
504 |
506 |
508 |
510 |
511 |
512 |
513 |
514 |
516 |
517 |
|
300 |
518 |
- |
- |
- |
- |
- |
- |
- |
- |
- |
Таблица 3
|
Фактическая температура кипения при остаточном давлении 2,7·102 Па (2 мм рт. ст.), °С |
Температура кипения при нормальном давлении, °С |
|||||||||
|
0 |
1 |
2 |
3 |
4 |
5 |
6 |
7 |
8 |
9 |
|
|
40 |
190 |
191 |
192 |
193 |
195 |
196 |
197 |
198 |
200 |
201 |
|
50 |
202 |
203 |
204 |
206 |
207 |
208 |
209 |
211 |
212 |
213 |
|
60 |
214 |
215 |
217 |
218 |
219 |
220 |
222 |
223 |
225 |
226 |
|
70 |
228 |
229 |
230 |
231 |
232 |
233 |
234 |
236 |
237 |
239 |
|
80 |
240 |
242 |
243 |
244 |
246 |
247 |
248 |
249 |
250 |
252 |
|
90 |
253 |
254 |
255 |
257 |
258 |
259 |
260 |
262 |
263 |
264 |
|
100 |
265 |
267 |
268 |
269 |
270 |
271 |
273 |
274 |
275 |
276 |
|
110 |
278 |
279 |
280 |
282 |
284 |
285 |
286 |
287 |
288 |
289 |
|
120 |
291 |
292 |
293 |
294 |
295 |
296 |
297 |
299 |
300 |
301 |
|
130 |
302 |
303 |
305 |
306 |
307 |
308 |
310 |
311 |
313 |
315 |
|
140 |
316 |
317 |
319 |
320 |
321 |
322 |
324 |
325 |
326 |
327 |
|
150 |
328 |
329 |
331 |
332 |
333 |
334 |
336 |
337 |
338 |
339 |
|
160 |
340 |
342 |
343 |
344 |
345 |
346 |
348 |
349 |
350 |
351 |
|
170 |
353 |
354 |
356 |
357 |
358 |
359 |
360 |
362 |
364 |
365 |
|
180 |
366 |
367 |
368 |
369 |
370 |
371 |
372 |
373 |
374 |
375 |
|
190 |
376 |
377 |
379 |
380 |
381 |
382 |
383 |
384 |
386 |
387 |
|
200 |
388 |
389 |
390 |
391 |
392 |
393 |
394 |
395 |
396 |
397 |
|
210 |
398 |
399 |
400 |
402 |
403 |
404 |
405 |
406 |
407 |
408 |
|
220 |
409 |
410 |
412 |
413 |
414 |
416 |
417 |
418 |
419 |
420 |
|
230 |
422 |
423 |
424 |
425 |
426 |
427 |
428 |
430 |
431 |
432 |
|
240 |
433 |
434 |
435 |
436 |
437 |
438 |
440 |
442 |
443 |
444 |
|
250 |
445 |
446 |
447 |
448 |
450 |
451 |
453 |
454 |
455 |
456 |
|
260 |
457 |
458 |
459 |
460 |
462 |
463 |
464 |
465 |
466 |
467 |
|
270 |
468 |
469 |
470 |
471 |
472 |
474 |
475 |
476 |
477 |
478 |
|
280 |
479 |
480 |
481 |
482 |
483 |
485 |
486 |
487 |
488 |
489 |
|
290 |
490 |
492 |
493 |
494 |
495 |
496 |
498 |
499 |
500 |
502 |
|
300 |
503 |
- |
- |
- |
- |
- |
- |
- |
- |
- |
Таблица 4
|
Фактическая температура кипения при остаточном давлении 4,0·102 Па (3 мм рт. ст.), °С |
Температура кипения при нормальном давлении, °С |
|||||||||
|
0 |
1 |
2 |
3 |
4 |
5 |
6 |
7 |
8 |
9 |
|
|
40 |
182 |
183 |
185 |
186 |
188 |
189 |
190 |
191 |
192 |
193 |
|
50 |
194 |
195 |
196 |
197 |
198 |
199 |
200 |
201 |
203 |
204 |
|
60 |
205 |
206 |
208 |
210 |
211 |
212 |
213 |
215 |
216 |
217 |
|
70 |
219 |
220 |
222 |
223 |
224 |
225 |
226 |
228 |
229 |
230 |
|
80 |
232 |
233 |
234 |
235 |
236 |
238 |
239 |
241 |
243 |
244 |
|
90 |
245 |
246 |
247 |
248 |
249 |
250 |
252 |
253 |
254 |
255 |
|
100 |
257 |
258 |
259 |
260 |
261 |
263 |
264 |
265 |
266 |
267 |
|
110 |
268 |
270 |
271 |
273 |
274 |
276 |
277 |
278 |
279 |
280 |
|
120 |
282 |
284 |
285 |
286 |
287 |
288 |
289 |
290 |
291 |
292 |
|
130 |
294 |
295 |
297 |
298 |
299 |
301 |
302 |
303 |
304 |
306 |
|
140 |
307 |
308 |
309 |
310 |
312 |
313 |
314 |
315 |
316 |
317 |
|
150 |
319 |
321 |
322 |
324 |
325 |
326 |
328 |
329 |
330 |
331 |
|
160 |
332 |
333 |
334 |
336 |
337 |
338 |
339 |
340 |
341 |
342 |
|
170 |
344 |
345 |
346 |
347 |
348 |
349 |
350 |
352 |
353 |
354 |
|
180 |
355 |
356 |
357 |
358 |
360 |
362 |
364 |
365 |
366 |
367 |
|
190 |
368 |
369 |
370 |
371 |
372 |
373 |
374 |
375 |
376 |
377 |
|
200 |
378 |
380 |
381 |
382 |
383 |
384 |
385 |
386 |
388 |
388 |
|
210 |
390 |
391 |
392 |
393 |
394 |
395 |
396 |
397 |
398 |
399 |
|
220 |
400 |
402 |
403 |
404 |
405 |
406 |
408 |
409 |
410 |
411 |
|
230 |
412 |
413 |
414 |
416 |
417 |
418 |
419 |
420 |
421 |
422 |
|
240 |
423 |
424 |
425 |
426 |
427 |
429 |
430 |
431 |
432 |
433 |
|
250 |
434 |
435 |
436 |
438 |
440 |
441 |
442 |
443 |
444 |
445 |
|
260 |
446 |
448 |
449 |
451 |
452 |
453 |
454 |
455 |
456 |
457 |
|
270 |
458 |
459 |
460 |
461 |
462 |
463 |
464 |
465 |
466 |
468 |
|
280 |
469 |
470 |
471 |
472 |
473 |
474 |
476 |
478 |
479 |
480 |
|
290 |
481 |
482 |
483 |
485 |
486 |
487 |
488 |
490 |
491 |
492 |
|
300 |
493 |
494 |
495 |
496 |
498 |
499 |
500 |
- |
- |
- |
Таблица 5
|
Фактическая температура кипения при остаточном давлении 5,3·102 Па (4 мм рт. ст.), °С |
Температура кипения при нормальном давлении, °С |
|||||||||
|
0 |
1 |
2 |
3 |
4 |
5 |
6 |
7 |
8 |
9 |
|
|
40 |
177 |
178 |
179 |
180 |
181 |
182 |
183 |
184 |
185 |
187 |
|
50 |
188 |
189 |
190 |
192 |
193 |
194 |
195 |
196 |
197 |
198 |
|
60 |
200 |
201 |
202 |
203 |
204 |
206 |
207 |
208 |
209 |
210 |
|
70 |
212 |
213 |
214 |
216 |
218 |
219 |
220 |
221 |
222 |
223 |
|
80 |
225 |
226 |
228 |
229 |
230 |
232 |
233 |
234 |
235 |
236 |
|
90 |
237 |
238 |
240 |
242 |
243 |
245 |
246 |
247 |
249 |
250 |
|
100 |
251 |
252 |
253 |
254 |
255 |
256 |
258 |
260 |
261 |
262 |
|
110 |
264 |
265 |
266 |
267 |
268 |
270 |
271 |
272 |
273 |
274 |
|
120 |
276 |
277 |
278 |
280 |
281 |
282 |
284 |
285 |
286 |
287 |
|
130 |
288 |
290 |
291 |
292 |
293 |
295 |
296 |
297 |
299 |
300 |
|
140 |
301 |
302 |
303 |
304 |
305 |
306 |
307 |
308 |
310 |
312 |
|
150 |
313 |
314 |
315 |
317 |
318 |
320 |
322 |
323 |
324 |
325 |
|
160 |
326 |
327 |
328 |
329 |
330 |
332 |
333 |
334 |
336 |
337 |
|
170 |
338 |
339 |
340 |
342 |
343 |
344 |
345 |
346 |
347 |
348 |
|
180 |
349 |
350 |
352 |
353 |
354 |
355 |
356 |
358 |
359 |
360 |
|
190 |
361 |
363 |
364 |
365 |
366 |
367 |
368 |
369 |
370 |
371 |
|
200 |
372 |
373 |
374 |
375 |
376 |
377 |
378 |
380 |
381 |
382 |
|
210 |
383 |
384 |
385 |
386 |
387 |
388 |
390 |
391 |
392 |
393 |
|
220 |
394 |
395 |
396 |
397 |
398 |
400 |
401 |
402 |
404 |
405 |
|
230 |
406 |
407 |
408 |
409 |
410 |
412 |
413 |
414 |
415 |
416 |
|
240 |
417 |
418 |
419 |
420 |
421 |
422 |
424 |
425 |
426 |
427 |
|
250 |
428 |
430 |
431 |
432 |
434 |
435 |
436 |
438 |
439 |
440 |
|
260 |
441 |
443 |
444 |
445 |
446 |
447 |
448 |
449 |
450 |
451 |
|
270 |
452 |
453 |
454 |
455 |
456 |
457 |
458 |
459 |
460 |
461 |
|
280 |
462 |
463 |
464 |
465 |
467 |
468 |
469 |
470 |
471 |
472 |
|
290 |
474 |
475 |
476 |
478 |
479 |
480 |
482 |
484 |
485 |
486 |
|
300 |
487 |
489 |
490 |
491 |
492 |
493 |
464 |
495 |
496 |
497 |
|
310 |
498 |
500 |
- |
- |
- |
- |
- |
- |
- |
- |
Таблица 6
|
Фактическая температура кипения при остаточном давлении 6,7·102 Па (5 мм рт. ст.), °С |
Температура кипения при нормальном давлении, °С |
|||||||||
|
0 |
1 |
2 |
3 |
4 |
5 |
6 |
7 |
8 |
9 |
|
|
40 |
171 |
172 |
173 |
174 |
176 |
177 |
178 |
179 |
180 |
182 |
|
50 |
183 |
184 |
185 |
186 |
187 |
188 |
190 |
191 |
192 |
193 |
|
60 |
194 |
195 |
196 |
197 |
198 |
200 |
201 |
203 |
204 |
205 |
|
70 |
207 |
208 |
210 |
211 |
212 |
213 |
214 |
215 |
216 |
218 |
|
80 |
219 |
220 |
222 |
223 |
224 |
225 |
227 |
228 |
230 |
231 |
|
90 |
232 |
233 |
234 |
236 |
237 |
238 |
240 |
241 |
243 |
244 |
|
100 |
246 |
247 |
248 |
249 |
250 |
251 |
253 |
254 |
255 |
256 |
|
110 |
257 |
258 |
260 |
261 |
263 |
264 |
265 |
266 |
267 |
268 |
|
120 |
270 |
271 |
272 |
273 |
274 |
276 |
277 |
278 |
280 |
281 |
|
130 |
282 |
283 |
285 |
286 |
288 |
289 |
290 |
291 |
292 |
293 |
|
140 |
294 |
296 |
297 |
298 |
299 |
300 |
301 |
302 |
303 |
304 |
|
150 |
305 |
307 |
308 |
310 |
312 |
314 |
315 |
316 |
318 |
319 |
|
160 |
320 |
321 |
322 |
324 |
325 |
326 |
327 |
328 |
329 |
330 |
|
170 |
331 |
333 |
335 |
336 |
337 |
338 |
339 |
340 |
341 |
342 |
|
180 |
343 |
344 |
345 |
346 |
347 |
348 |
350 |
351 |
352 |
353 |
|
190 |
354 |
355 |
356 |
358 |
359 |
360 |
362 |
363 |
365 |
366 |
|
200 |
367 |
368 |
369 |
370 |
371 |
372 |
373 |
374 |
375 |
376 |
|
210 |
377 |
378 |
379 |
380 |
381 |
382 |
383 |
385 |
386 |
387 |
|
220 |
388 |
389 |
390 |
391 |
392 |
393 |
394 |
395 |
396 |
398 |
|
230 |
399 |
400 |
401 |
402 |
404 |
405 |
406 |
407 |
408 |
409 |
|
240 |
410 |
411 |
412 |
413 |
415 |
416 |
418 |
419 |
420 |
421 |
|
250 |
422 |
423 |
424 |
426 |
427 |
428 |
429 |
431 |
432 |
433 |
|
260 |
434 |
435 |
436 |
437 |
439 |
440 |
442 |
443 |
444 |
445 |
|
270 |
446 |
447 |
448 |
449 |
450 |
451 |
452 |
453 |
454 |
455 |
|
280 |
456 |
457 |
458 |
459 |
460 |
462 |
463 |
464 |
465 |
466 |
|
290 |
467 |
468 |
470 |
471 |
472 |
474 |
475 |
476 |
478 |
479 |
|
300 |
480 |
481 |
482 |
483 |
485 |
486 |
488 |
489 |
490 |
491 |
|
310 |
492 |
493 |
494 |
495 |
497 |
498 |
499 |
500 |
- |
- |
Таблица 7
|
Фактическая температура кипения при остаточном давлении 8,0·102 Па (6 мм рт. ст.), °С |
Температура кипения при нормальном давлении, °С |
|||||||||
|
0 |
1 |
2 |
3 |
4 |
5 |
6 |
7 |
8 |
9 |
|
|
40 |
168 |
169 |
170 |
171 |
172 |
173 |
174 |
175 |
176 |
178 |
|
50 |
179 |
180 |
181 |
182 |
184 |
185 |
186 |
187 |
188 |
189 |
|
60 |
190 |
191 |
192 |
194 |
195 |
196 |
197 |
198 |
200 |
201 |
|
70 |
202 |
203 |
204 |
205 |
207 |
208 |
210 |
211 |
212 |
214 |
|
80 |
215 |
216 |
217 |
219 |
220 |
221 |
222 |
223 |
225 |
226 |
|
90 |
228 |
229 |
230 |
231 |
233 |
234 |
236 |
237 |
238 |
239 |
|
100 |
241 |
242 |
244 |
245 |
246 |
247 |
248 |
249 |
250 |
252 |
|
110 |
253 |
255 |
256 |
257 |
259 |
260 |
261 |
262 |
264 |
265 |
|
120 |
266 |
267 |
268 |
269 |
270 |
271 |
272 |
274 |
275 |
276 |
|
130 |
278 |
279 |
280 |
282 |
283 |
285 |
286 |
287 |
288 |
290 |
|
140 |
291 |
292 |
293 |
294 |
295 |
296 |
297 |
298 |
299 |
300 |
|
150 |
301 |
302 |
304 |
305 |
306 |
308 |
309 |
311 |
312 |
314 |
|
160 |
315 |
316 |
317 |
318 |
319 |
320 |
322 |
323 |
324 |
325 |
|
170 |
326 |
328 |
329 |
330 |
332 |
333 |
334 |
335 |
336 |
337 |
|
180 |
338 |
339 |
340 |
342 |
343 |
344 |
345 |
346 |
347 |
348 |
|
190 |
349 |
350 |
352 |
353 |
354 |
355 |
356 |
358 |
359 |
360 |
|
200 |
361 |
363 |
364 |
365 |
366 |
368 |
369 |
370 |
371 |
372 |
|
210 |
373 |
374 |
375 |
376 |
377 |
378 |
379 |
380 |
381 |
382 |
|
220 |
383 |
384 |
386 |
387 |
388 |
390 |
391 |
392 |
393 |
394 |
|
230 |
395 |
396 |
397 |
398 |
400 |
401 |
402 |
403 |
404 |
405 |
|
240 |
406 |
408 |
409 |
410 |
411 |
412 |
413 |
414 |
416 |
417 |
|
250 |
418 |
419 |
420 |
421 |
422 |
424 |
425 |
426 |
427 |
428 |
|
260 |
429 |
430 |
432 |
433 |
434 |
435 |
436 |
437 |
438 |
439 |
|
270 |
440 |
441 |
442 |
443 |
444 |
446 |
447 |
448 |
449 |
450 |
|
280 |
451 |
452 |
453 |
454 |
456 |
457 |
458 |
460 |
461 |
462 |
|
290 |
463 |
464 |
465 |
466 |
467 |
469 |
470 |
471 |
472 |
474 |
|
300 |
475 |
476 |
478 |
479 |
480 |
482 |
484 |
485 |
486 |
487 |
|
310 |
488 |
489 |
490 |
491 |
492 |
493 |
494 |
496 |
497 |
498 |
|
320 |
499 |
500 |
- |
- |
- |
- |
- |
- |
- |
- |
Таблица 8
|
Фактическая температура кипения при остаточном давлении 9,3·102 Па (7 мм рт. ст.), °С |
Температура кипения при нормальном давлении, °С |
|||||||||
|
0 |
1 |
2 |
3 |
4 |
5 |
6 |
7 |
8 |
9 |
|
|
40 |
164 |
165 |
167 |
168 |
169 |
170 |
171 |
172 |
173 |
174 |
|
50 |
175 |
176 |
177 |
178 |
179 |
180 |
182 |
183 |
184 |
186 |
|
60 |
187 |
188 |
189 |
190 |
192 |
193 |
194 |
195 |
196 |
197 |
|
70 |
199 |
200 |
201 |
202 |
204 |
205 |
206 |
208 |
209 |
210 |
|
80 |
211 |
212 |
214 |
215 |
217 |
218 |
219 |
220 |
222 |
223 |
|
90 |
224 |
225 |
226 |
228 |
229 |
230 |
232 |
233 |
234 |
235 |
|
100 |
236 |
238 |
239 |
241 |
242 |
243 |
244 |
246 |
247 |
248 |
|
110 |
249 |
250 |
252 |
253 |
254 |
255 |
256 |
258 |
259 |
260 |
|
120 |
262 |
264 |
265 |
266 |
267 |
268 |
269 |
270 |
271 |
272 |
|
130 |
274 |
275 |
277 |
278 |
280 |
281 |
282 |
283 |
284 |
285 |
|
140 |
287 |
288 |
289 |
290 |
291 |
292 |
293 |
294 |
295 |
296 |
|
150 |
298 |
299 |
301 |
302 |
303 |
304 |
306 |
307 |
308 |
309 |
|
160 |
310 |
312 |
313 |
314 |
316 |
317 |
318 |
319 |
320 |
321 |
|
170 |
323 |
324 |
325 |
326 |
327 |
329 |
330 |
332 |
333 |
334 |
|
180 |
335 |
336 |
337 |
333 |
339 |
340 |
342 |
343 |
344 |
345 |
|
190 |
346 |
347 |
348 |
349 |
350 |
351 |
352 |
354 |
355 |
356 |
|
200 |
357 |
358 |
360 |
361 |
363 |
364 |
365 |
366 |
367 |
368 |
|
210 |
370 |
371 |
372 |
373 |
374 |
375 |
376 |
377 |
378 |
379 |
|
220 |
380 |
381 |
382 |
383 |
384 |
386 |
387 |
388 |
389 |
390 |
|
230 |
391 |
392 |
393 |
394 |
395 |
396 |
397 |
398 |
400 |
401 |
|
240 |
402 |
403 |
404 |
405 |
406 |
407 |
408 |
410 |
411 |
412 |
|
250 |
414 |
415 |
416 |
418 |
419 |
420 |
421 |
422 |
424 |
425 |
|
260 |
426 |
427 |
428 |
430 |
431 |
432 |
433 |
431 |
435 |
436 |
|
270 |
437 |
438 |
439 |
440 |
441 |
442 |
443 |
444 |
445 |
446 |
|
280 |
447 |
448 |
449 |
450 |
451 |
452 |
453 |
454 |
456 |
457 |
|
290 |
458 |
460 |
461 |
462 |
463 |
464 |
466 |
467 |
468 |
469 |
|
300 |
470 |
472 |
473 |
475 |
476 |
478 |
479 |
480 |
481 |
482 |
|
310 |
481 |
485 |
486 |
488 |
489 |
490 |
491 |
492 |
493 |
494 |
|
320 |
495 |
496 |
497 |
498 |
500 |
501 |
502 |
- |
- |
- |
Таблица 9
|
Фактическая температура кипения при остаточном давлении 1,1·103 Па (8 мм рт. ст.), °С |
Температура кипения при нормальном давлении, °С |
|||||||||
|
0 |
1 |
2 |
3 |
4 |
5 |
6 |
7 |
8 |
9 |
|
|
40 |
162 |
163 |
164 |
165 |
166 |
167 |
168 |
169 |
170 |
171 |
|
50 |
172 |
173 |
174 |
176 |
177 |
178 |
179 |
180 |
182 |
183 |
|
60 |
184 |
185 |
186 |
188 |
189 |
190 |
191 |
192 |
193 |
194 |
|
70 |
196 |
197 |
198 |
200 |
201 |
202 |
203 |
204 |
205 |
206 |
|
80 |
208 |
209 |
210 |
212 |
213 |
214 |
215 |
217 |
218 |
219 |
|
90 |
220 |
222 |
223 |
225 |
226 |
227 |
228 |
230 |
231 |
232 |
|
100 |
233 |
235 |
237 |
238 |
239 |
241 |
242 |
243 |
245 |
246 |
|
110 |
247 |
248 |
249 |
250 |
251 |
253 |
254 |
256 |
257 |
258 |
|
120 |
259 |
260 |
261 |
262 |
264 |
265 |
266 |
267 |
268 |
270 |
|
130 |
271 |
272 |
274 |
275 |
276 |
277 |
279 |
280 |
282 |
283 |
|
140 |
284 |
285 |
286 |
287 |
288 |
289 |
290 |
291 |
292 |
293 |
|
150 |
294 |
296 |
297 |
298 |
299 |
300 |
302 |
303 |
304 |
305 |
|
160 |
306 |
308 |
309 |
311 |
312 |
314 |
315 |
316 |
318 |
319 |
|
170 |
320 |
322 |
323 |
324 |
325 |
326 |
327 |
328 |
329 |
330 |
|
180 |
331 |
332 |
333 |
334 |
335 |
336 |
337 |
338 |
340 |
341 |
|
190 |
342 |
343 |
344 |
345 |
346 |
347 |
348 |
349 |
351 |
352 |
|
200 |
353 |
355 |
356 |
357 |
358 |
360 |
361 |
363 |
364 |
365 |
|
210 |
366 |
367 |
368 |
369 |
370 |
371 |
372 |
373 |
374 |
375 |
|
220 |
376 |
378 |
379 |
380 |
381 |
382 |
384 |
385 |
386 |
387 |
|
230 |
388 |
389 |
390 |
391 |
392 |
393 |
394 |
395 |
396 |
397 |
|
240 |
398 |
400 |
401 |
402 |
403 |
404 |
405 |
407 |
408 |
409 |
|
250 |
410 |
411 |
412 |
414 |
415 |
416 |
417 |
418 |
420 |
421 |
|
260 |
422 |
423 |
424 |
425 |
426 |
427 |
428 |
429 |
430 |
431 |
|
270 |
432 |
433 |
434 |
435 |
436 |
438 |
439 |
440 |
442 |
443 |
|
280 |
444 |
445 |
446 |
447 |
449 |
450 |
451 |
452 |
453 |
454 |
|
290 |
455 |
456 |
457 |
458 |
460 |
461 |
462 |
464 |
465 |
466 |
|
300 |
467 |
468 |
469 |
471 |
472 |
474 |
475 |
476 |
477 |
478 |
|
310 |
479 |
480 |
482 |
484 |
485 |
487 |
488 |
489 |
490 |
491 |
|
320 |
492 |
493 |
494 |
495 |
496 |
497 |
498 |
499 |
500 |
501 |
Таблица 10
|
Фактическая температура кипения при остаточном давлении 1,2·103 Па (9 мм рт. ст.), °С |
Температура кипения при нормальном давлении, °С |
|||||||||
|
0 |
1 |
2 |
3 |
4 |
5 |
6 |
7 |
8 |
9 |
|
|
40 |
159 |
160 |
162 |
163 |
164 |
165 |
166 |
167 |
168 |
169 |
|
50 |
170 |
171 |
172 |
173 |
175 |
176 |
177 |
178 |
179 |
180 |
|
60 |
181 |
182 |
184 |
185 |
186 |
188 |
189 |
190 |
191 |
192 |
|
70 |
194 |
195 |
196 |
197 |
199 |
200 |
201 |
202 |
203 |
204 |
|
80 |
205 |
206 |
207 |
209 |
210 |
212 |
213 |
214 |
216 |
217 |
|
90 |
218 |
220 |
221 |
222 |
223 |
225 |
226 |
227 |
229 |
230 |
|
100 |
231 |
232 |
234 |
235 |
236 |
238 |
239 |
240 |
242 |
243 |
|
110 |
244 |
245 |
247 |
248 |
249 |
251 |
252 |
253 |
254 |
255 |
|
120 |
256 |
258 |
259 |
260 |
261 |
262 |
264 |
265 |
266 |
267 |
|
130 |
268 |
270 |
271 |
273 |
274 |
276 |
277 |
278 |
279 |
280 |
|
140 |
281 |
282 |
283 |
284 |
285 |
286 |
287 |
288 |
289 |
290 |
|
150 |
291 |
293 |
294 |
296 |
297 |
298 |
300 |
301 |
302 |
303 |
|
160 |
304 |
306 |
307 |
308 |
309 |
310 |
312 |
314 |
315 |
316 |
|
170 |
317 |
318 |
319 |
321 |
322 |
323 |
324 |
325 |
326 |
327 |
|
180 |
328 |
329 |
330 |
332 |
333 |
334 |
335 |
336 |
338 |
339 |
|
190 |
340 |
341 |
342 |
343 |
344 |
345 |
346 |
347 |
348 |
350 |
|
200 |
351 |
352 |
353 |
354 |
356 |
357 |
358 |
359 |
361 |
362 |
|
210 |
364 |
365 |
366 |
367 |
368 |
369 |
370 |
371 |
372 |
373 |
|
220 |
374 |
375 |
376 |
377 |
379 |
380 |
381 |
382 |
384 |
385 |
|
230 |
386 |
387 |
388 |
389 |
390 |
391 |
392 |
393 |
394 |
395 |
|
240 |
396 |
397 |
398 |
399 |
400 |
402 |
403 |
404 |
405 |
406 |
|
250 |
407 |
409 |
410 |
411 |
412 |
413 |
414 |
416 |
417 |
418 |
|
260 |
419 |
420 |
421 |
422 |
423 |
424 |
426 |
427 |
428 |
429 |
|
270 |
430 |
431 |
432 |
433 |
434 |
435 |
436 |
437 |
438 |
439 |
|
280 |
440 |
442 |
443 |
444 |
445 |
447 |
448 |
449 |
450 |
451 |
|
290 |
452 |
453 |
454 |
456 |
457 |
458 |
460 |
462 |
463 |
464 |
|
300 |
465 |
466 |
467 |
469 |
470 |
471 |
472 |
473 |
474 |
476 |
|
310 |
477 |
478 |
479 |
481 |
482 |
484 |
485 |
486 |
487 |
488 |
|
320 |
489 |
490 |
491 |
492 |
493 |
494 |
495 |
496 |
497 |
498 |
|
330 |
499 |
500 |
- |
- |
- |
- |
- |
- |
- |
- |
Таблица 11
|
Фактическая температура кипения при остаточном давлении 1,3·103 Па (10 мм рт. ст.), °С |
Температура кипения при нормальном давлении, °С |
|||||||||
|
0 |
1 |
2 |
3 |
4 |
5 |
6 |
7 |
8 |
9 |
|
|
40 |
156 |
157 |
159 |
160 |
161 |
162 |
163 |
164 |
165 |
166 |
|
50 |
167 |
168 |
170 |
171 |
172 |
173 |
174 |
175 |
176 |
177 |
|
60 |
178 |
179 |
180 |
182 |
183 |
185 |
186 |
187 |
188 |
190 |
|
70 |
191 |
192 |
194 |
195 |
196 |
197 |
198 |
199 |
200 |
202 |
|
80 |
203 |
204 |
205 |
206 |
207 |
209 |
210 |
212 |
213 |
214 |
|
90 |
215 |
216 |
217 |
219 |
220 |
222 |
223 |
225 |
226 |
227 |
|
100 |
228 |
230 |
231 |
232 |
234 |
235 |
236 |
237 |
239 |
240 |
|
110 |
242 |
243 |
244 |
246 |
247 |
248 |
249 |
250 |
251 |
252 |
|
120 |
254 |
255 |
256 |
257 |
258 |
260 |
261 |
262 |
263 |
265 |
|
130 |
266 |
267 |
268 |
270 |
271 |
272 |
274 |
275 |
276 |
277 |
|
140 |
278 |
279 |
280 |
281 |
282 |
283 |
284 |
286 |
287 |
288 |
|
150 |
290 |
291 |
292 |
293 |
294 |
295 |
297 |
298 |
299 |
300 |
|
160 |
301 |
302 |
303 |
304 |
306 |
307 |
308 |
309 |
311 |
312 |
|
170 |
313 |
315 |
316 |
317 |
318 |
319 |
320 |
322 |
323 |
324 |
|
180 |
325 |
326 |
327 |
328 |
329 |
330 |
331 |
332 |
334 |
335 |
|
190 |
336 |
337 |
338 |
340 |
341 |
342 |
343 |
344 |
345 |
346 |
|
200 |
347 |
348 |
349 |
350 |
352 |
354 |
355 |
356 |
357 |
358 |
|
210 |
360 |
361 |
362 |
364 |
365 |
366 |
367 |
368 |
369 |
370 |
|
220 |
371 |
372 |
373 |
374 |
376 |
377 |
378 |
380 |
381 |
382 |
|
230 |
383 |
384 |
385 |
386 |
387 |
388 |
389 |
390 |
391 |
392 |
|
240 |
393 |
394 |
395 |
396 |
397 |
399 |
400 |
402 |
403 |
404 |
|
250 |
405 |
406 |
407 |
408 |
410 |
411 |
412 |
413 |
414 |
416 |
|
260 |
417 |
418 |
420 |
421 |
422 |
423 |
424 |
425 |
425 |
426 |
|
270 |
427 |
429 |
430 |
431 |
432 |
433 |
434 |
435 |
436 |
438 |
|
280 |
439 |
440 |
441 |
442 |
443 |
444 |
446 |
447 |
448 |
449 |
|
290 |
450 |
451 |
452 |
453 |
454 |
456 |
457 |
458 |
459 |
460 |
|
300 |
461 |
462 |
464 |
465 |
466 |
468 |
469 |
470 |
471 |
472 |
|
310 |
473 |
475 |
476 |
477 |
479 |
480 |
482 |
483 |
484 |
485 |
|
320 |
486 |
487 |
488 |
489 |
490 |
491 |
492 |
493 |
494 |
495 |
|
330 |
496 |
497 |
498 |
500 |
- |
- |
- |
- |
- |
- |
Таблица 12
|
Фактическая температура кипения при остаточном давлении 1,5·103 Па (11 мм рт. ст.), °С |
Температура кипения при нормальном давлении, °С |
|||||||||
|
0 |
1 |
2 |
3 |
4 |
5 |
6 |
7 |
8 |
9 |
|
|
50 |
165 |
166 |
167 |
168 |
170 |
171 |
172 |
173 |
174 |
175 |
|
60 |
176 |
177 |
178 |
180 |
182 |
183 |
184 |
186 |
187 |
188 |
|
70 |
189 |
190 |
191 |
192 |
193 |
194 |
195 |
196 |
197 |
198 |
|
80 |
200 |
201 |
202 |
203 |
205 |
206 |
207 |
209 |
210 |
211 |
|
90 |
212 |
214 |
215 |
217 |
218 |
219 |
220 |
222 |
224 |
225 |
|
100 |
226 |
227 |
228 |
230 |
231 |
232 |
233 |
234 |
236 |
237 |
|
110 |
238 |
239 |
240 |
242 |
244 |
245 |
247 |
248 |
249 |
250 |
|
120 |
251 |
252 |
253 |
254 |
256 |
257 |
258 |
259 |
260 |
262 |
|
130 |
263 |
264 |
266 |
267 |
268 |
269 |
270 |
271 |
273 |
274 |
|
140 |
276 |
277 |
278 |
279 |
280 |
281 |
282 |
284 |
285 |
286 |
|
150 |
287 |
288 |
290 |
291 |
292 |
293 |
294 |
295 |
296 |
297 |
|
160 |
298 |
299 |
300 |
301 |
303 |
304 |
305 |
307 |
308 |
309 |
|
170 |
311 |
312 |
313 |
314 |
316 |
317 |
318 |
319 |
320 |
322 |
|
180 |
323 |
324 |
325 |
326 |
327 |
328 |
329 |
331 |
332 |
333 |
|
190 |
334 |
335 |
336 |
337 |
338 |
339 |
340 |
342 |
343 |
344 |
|
200 |
345 |
346 |
347 |
348 |
349 |
350 |
351 |
352 |
354 |
355 |
|
210 |
356 |
357 |
358 |
359 |
361 |
363 |
364 |
365 |
366 |
367 |
|
220 |
368 |
369 |
370 |
371 |
372 |
373 |
375 |
376 |
377 |
378 |
|
230 |
379 |
380 |
381 |
382 |
383 |
384 |
385 |
386 |
388 |
389 |
|
240 |
390 |
391 |
392 |
394 |
395 |
396 |
397 |
398 |
399 |
400 |
|
250 |
401 |
402 |
403 |
405 |
406 |
407 |
408 |
410 |
411 |
412 |
|
260 |
413 |
414 |
416 |
417 |
418 |
419 |
420 |
421 |
422 |
423 |
|
270 |
424 |
425 |
426 |
427 |
428 |
429 |
430 |
431 |
432 |
433 |
|
280 |
434 |
435 |
436 |
438 |
439 |
441 |
442 |
444 |
445 |
446 |
|
290 |
447 |
448 |
449 |
450 |
451 |
452 |
453 |
454 |
456 |
457 |
|
300 |
458 |
460 |
461 |
462 |
464 |
465 |
466 |
467 |
468 |
469 |
|
310 |
470 |
472 |
473 |
474 |
475 |
476 |
478 |
479 |
480 |
481 |
|
320 |
482 |
484 |
485 |
486 |
487 |
489 |
490 |
491 |
492 |
493 |
|
330 |
494 |
495 |
495 |
496 |
497 |
498 |
500 |
501 |
502 |
- |
Таблица 13
|
Фактическая температура кипения при остаточном да пленим 1,6·103 Па (12 мм рт. ст.), °С |
Температура кипения при нормальном давлении, °С |
|||||||||
|
0 |
1 |
2 |
3 |
4 |
5 |
6 |
7 |
8 |
9 |
|
|
50 |
164 |
165 |
166 |
167 |
168 |
169 |
170 |
171 |
172 |
173 |
|
60 |
174 |
175 |
176 |
177 |
179 |
180 |
181 |
183 |
184 |
186 |
|
70 |
187 |
188 |
189 |
190 |
191 |
192 |
193 |
194 |
195 |
196 |
|
80 |
198 |
199 |
200 |
201 |
202 |
204 |
206 |
207 |
208 |
209 |
|
90 |
210 |
212 |
213 |
214 |
216 |
217 |
218 |
219 |
220 |
221 |
|
100 |
222 |
224 |
226 |
227 |
228 |
229 |
231 |
232 |
233 |
234 |
|
110 |
236 |
237 |
238 |
240 |
242 |
243 |
245 |
246 |
247 |
248 |
|
120 |
249 |
250 |
251 |
252 |
253 |
254 |
255 |
256 |
258 |
259 |
|
130 |
260 |
262 |
263 |
264 |
266 |
267 |
268 |
269 |
271 |
272 |
|
140 |
273 |
274 |
275 |
276 |
277 |
278 |
279 |
280 |
282 |
283 |
|
150 |
284 |
286 |
287 |
288 |
290 |
291 |
292 |
293 |
294 |
295 |
|
160 |
296 |
297 |
298 |
299 |
300 |
301 |
302 |
304 |
305 |
306 |
|
170 |
308 |
309 |
310 |
312 |
313 |
314 |
316 |
317 |
318 |
319 |
|
180 |
320 |
321 |
322 |
323 |
324 |
325 |
326 |
328 |
329 |
330 |
|
190 |
331 |
332 |
333 |
335 |
336 |
337 |
338 |
339 |
340 |
341 |
|
200 |
342 |
343 |
344 |
345 |
346 |
347 |
348 |
350 |
351 |
352 |
|
210 |
353 |
354 |
355 |
356 |
358 |
359 |
361 |
362 |
364 |
365 |
|
220 |
366 |
367 |
368 |
369 |
370 |
371 |
372 |
373 |
374 |
375 |
|
230 |
376 |
378 |
379 |
380 |
381 |
382 |
383 |
384 |
385 |
386 |
|
240 |
388 |
390 |
391 |
392 |
393 |
394 |
395 |
396 |
397 |
398 |
|
250 |
399 |
400 |
402 |
403 |
404 |
405 |
406 |
408 |
409 |
410 |
|
260 |
411 |
412 |
413 |
414 |
415 |
416 |
417 |
418 |
419 |
420 |
|
270 |
421 |
422 |
423 |
424 |
425 |
426 |
427 |
428 |
429 |
430 |
|
280 |
431 |
432 |
434 |
435 |
436 |
438 |
439 |
441 |
442 |
443 |
|
290 |
444 |
445 |
446 |
448 |
449 |
450 |
451 |
452 |
453 |
454 |
|
300 |
455 |
456 |
458 |
460 |
461 |
462 |
463 |
464 |
465 |
466 |
|
310 |
467 |
469 |
470 |
472 |
473 |
475 |
476 |
477 |
478 |
479 |
|
320 |
480 |
481 |
482 |
484 |
485 |
486 |
487 |
488 |
489 |
490 |
|
330 |
491 |
492 |
492 |
493 |
494 |
495 |
496 |
498 |
499 |
500 |
|
Фактическая температура кипения при остаточном давлении 1,7·103 Па (13 мм рт. ст.), °С |
Температура кипения при нормальном давлении, °С |
|||||||||
|
0 |
1 |
2 |
3 |
4 |
5 |
6 |
7 |
8 |
9 |
|
|
50 |
162 |
163 |
164 |
165 |
166 |
167 |
168 |
169 |
170 |
171 |
|
60 |
172 |
173 |
174 |
175 |
177 |
178 |
179 |
181 |
182 |
184 |
|
70 |
185 |
186 |
187 |
188 |
189 |
190 |
192 |
193 |
194 |
195 |
|
80 |
196 |
197 |
199 |
200 |
201 |
202 |
203 |
205 |
206 |
207 |
|
90 |
208 |
210 |
211 |
212 |
214 |
215 |
216 |
217 |
219 |
220 |
|
100 |
221 |
223 |
224 |
225 |
226 |
228 |
229 |
230 |
231 |
232 |
|
110 |
233 |
235 |
236 |
238 |
239 |
241 |
243 |
244 |
245 |
246 |
|
120 |
248 |
249 |
250 |
251 |
252 |
253 |
254 |
255 |
256 |
257 |
|
130 |
258 |
260 |
262 |
263 |
264 |
265 |
266 |
267 |
268 |
270 |
|
140 |
271 |
272 |
273 |
274 |
275 |
276 |
277 |
278 |
280 |
281 |
|
150 |
283 |
284 |
285 |
287 |
288 |
289 |
290 |
291 |
292 |
293 |
|
160 |
294 |
295 |
296 |
297 |
298 |
300 |
301 |
302 |
303 |
305 |
|
170 |
306 |
307 |
308 |
309 |
311 |
312 |
314 |
315 |
316 |
317 |
|
180 |
318 |
319 |
320 |
322 |
323 |
324 |
325 |
326 |
327 |
328 |
|
190 |
329 |
330 |
331 |
332 |
333 |
335 |
336 |
337 |
338 |
339 |
|
200 |
340 |
341 |
342 |
343 |
344 |
346 |
347 |
348 |
349 |
350 |
|
210 |
351 |
352 |
353 |
354 |
355 |
356 |
358 |
359 |
360 |
362 |
|
220 |
363 |
365 |
366 |
367 |
368 |
369 |
370 |
371 |
372 |
373 |
|
230 |
374 |
376 |
377 |
379 |
380 |
381 |
382 |
383 |
384 |
385 |
|
240 |
386 |
388 |
389 |
390 |
391 |
392 |
393 |
393 |
394 |
395 |
|
250 |
396 |
398 |
399 |
401 |
402 |
403 |
404 |
405 |
406 |
407 |
|
260 |
408 |
409 |
411 |
412 |
413 |
414 |
415 |
416 |
417 |
418 |
|
270 |
419 |
420 |
421 |
422 |
423 |
424 |
425 |
426 |
427 |
428 |
|
280 |
429 |
430 |
431 |
432 |
433 |
435 |
436 |
438 |
439 |
440 |
|
290 |
441 |
442 |
443 |
445 |
446 |
448 |
449 |
450 |
451 |
452 |
|
300 |
453 |
454 |
455 |
457 |
458 |
459 |
460 |
461 |
463 |
464 |
|
310 |
465 |
467 |
468 |
469 |
470 |
471 |
473 |
474 |
475 |
476 |
|
320 |
477 |
478 |
480 |
482 |
483 |
484 |
485 |
486 |
487 |
488 |
|
330 |
489 |
490 |
491 |
492 |
493 |
494 |
495 |
496 |
497 |
498 |
ПРИЛОЖЕНИЕ 2
Справочное
Пример записи перегонки по фракциям
|
Наименование фракции, °С |
Выход, % (по массе) |
Наименование фракции, °С |
Выход, % (по массе) |
||
|
отдельных фракций |
суммарный |
отдельных фракций |
суммарным |
||
|
Газ до С4 |
|
|
300-310 |
|
|
|
НК-62 |
|
|
310-320 |
|
|
|
62-70 |
|
|
320-330 |
|
|
|
70-85 |
|
|
330-340 |
|
|
|
85-100 |
|
|
340-350 |
|
|
|
100-120 |
|
|
350-360 |
|
|
|
120-130 |
|
|
360-370 |
|
|
|
130-140 |
|
|
370-380 |
|
|
|
140-150 |
|
|
380-390 |
|
|
|
150-160 |
|
|
390-400 |
|
|
|
160-170 |
|
|
400-410 |
|
|
|
170-180 |
|
|
410-420 |
|
|
|
180-190 |
|
|
420-430 |
|
|
|
190-200 |
|
|
430-440 |
|
|
|
200-210 |
|
|
440-450 |
|
|
|
210-220 |
|
|
450-460 |
|
|
|
220-230 |
|
|
460-470 |
|
|
|
230-240 |
|
|
470-480 |
|
|
|
240-250 |
|
|
480-490 |
|
|
|
250-260 |
|
|
490-500 |
|
|
|
260-270 |
|
|
Остаток - свыше 500 °С |
|
|
|
270-280 |
|
|
|
|
|
|
280-290 |
|
|
Потери |
|
|
|
290-300 |
|
|
|
|
|
(Введено дополнительно, Изм. № 1).
СОДЕРЖАНИЕ
Хотите оперативно узнавать о новых публикациях нормативных документов на портале? Подпишитесь на рассылку новостей!
Все ГОСТы >> ГОСТы «Строительная техника и оборудование, грузоперевозки >>


